г-н ПэЖэ
1 ранг
- Регистрация
- 3 Дек 2019
- Сообщения
- 1,157
- Реакции
- 603
- Репутация
- 52
наткнулся вот тут на схему ,
попросили собрать для хорошего человека , но что то меня терзают смутные сомнения .....
кто чего о ней скажет ?
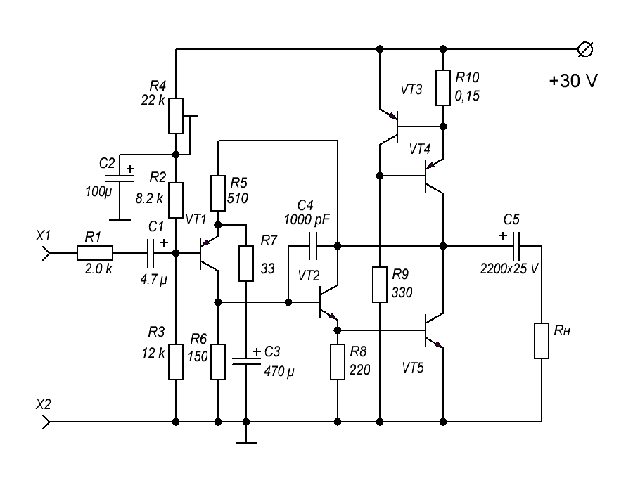
если выкинуть VT3 VT4 и воткнуть мощный резистор , ом эдак на 10 , то до боли напоминает АБ1

В качестве транзистора VT1 здесь можно использовать КТ208Д, КТ209Д, КТ361Г, Е, КТ3107Б, Г, И, К. В качестве транзистора VT2 можно использовать транзисторы КТ815, КТ801, П701, транзистор VT3 КТ814, VT4 - КТ818БМ, ГМ, транзистор VT5 - КТ819БМ, ГМ.
Схема может работать без подбора транзисторов по коэффициенту усиления, однако поскольку она содержит всего 2 каскада усиления, желательно иметь коэффициент усиления транзистора VT1 - не менее 150, транзисторов VT2, VT5 - не менее 50, транзистора VT4 - не менее 80.
попросили собрать для хорошего человека , но что то меня терзают смутные сомнения .....
кто чего о ней скажет ?
если выкинуть VT3 VT4 и воткнуть мощный резистор , ом эдак на 10 , то до боли напоминает АБ1

В качестве транзистора VT1 здесь можно использовать КТ208Д, КТ209Д, КТ361Г, Е, КТ3107Б, Г, И, К. В качестве транзистора VT2 можно использовать транзисторы КТ815, КТ801, П701, транзистор VT3 КТ814, VT4 - КТ818БМ, ГМ, транзистор VT5 - КТ819БМ, ГМ.
Схема может работать без подбора транзисторов по коэффициенту усиления, однако поскольку она содержит всего 2 каскада усиления, желательно иметь коэффициент усиления транзистора VT1 - не менее 150, транзисторов VT2, VT5 - не менее 50, транзистора VT4 - не менее 80.

