Распони Туринский
1 ранг
- Регистрация
- 23 Май 2020
- Сообщения
- 2,988
- Реакции
- 1,330
- Баллы
- 73
- Предупреждений
- 1
Для себя ввëл самозапрет на изгиб панелей АС.Движемся дальше. У макиты сломался опорный ролик, выписал новый, помыл и смазал лобзик. Для последнего слоя пришлось мочит и гнуть полоски. Просушив их на оправке.
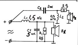
Хочется чем-то разбавить, хотя бы второй гармоникой.
)
