АС Kubiton

Если перематывать катушку более толстым проводом, индуктивность делать как было? Или если втавить сердечник, витки сматывать до 4 мГн?
 
А не в том ли ошибка, что в первоначальной схеме катушка должна быть параллельна только одному из последовательно включенных НЧ ГД?!
Колонка вообще очень похожа на самоделку, что там могли наворотить - неизвестно.
Если перематывать катушку более толстым проводом, индуктивность делать как было? Или если втавить сердечник, витки сматывать до 4 мГн?
Думаю, всё это мёртвому припарки.
Можно сделать так: сначала отключить пищалку и послушать, примерно оценить диапазон НЧ динамиков с этим фильтром - совсем бу-бу-бу или только ВЧ нехватает.
Потом отключить НЧ и послушать отдельно пищалку.
 
Если перематывать катушку более толстым проводом, индуктивность делать как было? Или если втавить сердечник, витки сматывать до 4 мГн?
Разматывайте катуху, смотанный провод вдвое, и мотать таким. Нужную индуктивность при настройке догоните сердечником.
 
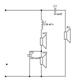
Отталкиваемся от пищалки, работающей с 3800 Гц: (4 Ом, 10 мкФ)
Катушка ограничивает оба НЧ до 3800Гц .
Конденсатор ограничивает НЧ 2 до 200 Гц.
2.5 полосная схема АС.JPG
ПС. Кажется все-же надо катушку с номиналом 0.2 мГн., т.к. выше 200 Гц НЧ2 выключен из цепи.
 
Отталкиваемся от пищалки, работающей с 3800 Гц:
Всё это конечно, хорошо (за полным неимением информации), но мы даже не знаем какие стоят динамики и тем более - их характеристики.
Хотелось бы что бы Вы попали в яблочко (вслепую).
Но думаю, что имеющуюся катушку трогать не надо, лучше намотать новую, чтобы легко вернуться взад если что.
Повторюсь, неплохо бы для начала послушать оба НЧ динамика как есть, напрямую, без фильтра и написать что хорошо, а что плохо.
Неплохо так же поискать по надписям на динамиках - что это такое.
 
Можно и просвистеть (с телефона).
Не надо телефончега, надо именно послушать и оценить динамики, их диапазон на слух. Ни один телефончег не определит - поют динамики или нет, а если уж измерять, то делать это как положено.
Я бы вообще, возможно, оставил один НЧ динамик и сделал обычную двухполоску. Зачем влепили два последовательно - непонятно, на память они требуют объем вчетверо больше, чем один динамик.
Вот и будут честные 4 ома. Скорее всего, ящик можно будет взять намного меньше - судя по фото, ящик такой, что особо не стоит за него цепляться.
Но мы судим по своим желаниям и возможностям, а что решит мой тёзка - неизвестно.
 
Маркировка динамиков такая:
ВЧ
MT/7-13/46
707
720407

НЧ
MW/13/90
2251

В интернете по ним ничего не нашел.
Конденсатор оригинальный был Итальянский.
 
Маркировка динамиков такая:
ВЧ
MT/7-13/46
707
720407

НЧ
MW/13/90
2251

В интернете по ним ничего не нашел.
Конденсатор оригинальный был Итальянский.
Вероятно и динамики итальянские фирмы IREL открылась в 1944 при дуче, закрылась в 1987 году, до интернета, поэтому данных очень мало, хотя кое какие динамики до сих пор продают.
Жаль, что такие раритеты пропадают.
Их измерять надо, иначе - гадания.
Вот ссылка на пищалки.
Продам пару очень ровных твитеров производства компании Irel (IREL - Industrie Radio Elettriche Liguri, Genova. Основана 1944г., закрыта 1987г.). Из колонок Telefunken. Высокая чувствительность. Активное сопротивление 3,6 Ом. Цена за пару 3000
Вероятно, MW/13/90 - МидВуфер, а диаметр 13 см и резонанс 90 Гц маловероятно. Но если так, то бас от них получить нельзя. Но по мутным фото судить трудно.
 
Судя по 1 фото. у вас есть возможность измерить динамики (комп,усилитель...)))
Наткнулся на аналогичные (по размерам) ящики. Написано 3 полосы, по факту-2,5: https://www.radiomuseum.org/r/saba_fl_40g.html
fl_40g_1007879.png
 
Последнее редактирование:
А не в том ли ошибка, что в первоначальной схеме катушка должна быть параллельна только одному из последовательно включенных НЧ ГД?!
Это, видимо, самый вероятный вариант схемы такого фильтра.
Один из последовательно включённых НЧ динамиков д.б. зашунтирован индуктивностью.
При этом незашунтированный динамик (например, НЧ1) работает широкополосником с повышенной отдачей на самых низких частотах за счёт пониженного значения общего импеданса АС где-то до ~5 Ом (4 Ома незашунтированный НЧ1 дин плюс параллельное соединение 4 Ом (НЧ2) и ~2 Ом индуктивности).
А второй динамик НЧ2, зашунтированный индуктивностью, работает квази-широкополосником, но с ограничением снизу диапазона нижних частот (ниже ~160Гц). Причём отдача на средних частотах от обоих НЧ динамиков сравнивается с их отдачей на низких частотах за счёт более высокого импеданса АС на средних частотах (=>6...8 Ом). А на высоких частотах происходит естественный спад отдачи у самих НЧ динамиков.
Кстати, именно из условия выравнивания АЧХ на НЧ и СЧ, возможно, и была выбрана соответствующая повышенная величина активного сопротивления индуктивности (и опять же экономия на цене провода). Так что, изменять активное сопротивление индуктивности при такой схеме фильтра надо с учётом равномерности АЧХ этих АС.
Иного с такими двумя деталями фильтра не придумаешь. А уж как это будет звучать опишет автор.

P.S. Обязательно надо сравнить звучание такого фильтра с вариантом БЕЗ шунтирования динамика НЧ2 этой индуктивностью, поскольку относительные фазовые сдвиги между НЧ динамиками при этом будут меньше, что будет способствовать повышению качества звучания.
Кстати, не многовато ли звукового поглотителя в этих АС? Есть смысл попробовать уменьшить его величину, не доводя до появления "бубнения" на НЧ.
 
Последнее редактирование:
Последнее редактирование:
Вероятно и динамики итальянские фирмы IREL открылась в 1944 при дуче, закрылась в 1987 году, до интернета, поэтому данных очень мало, хотя кое какие динамики до сих пор продают.
Жаль, что такие раритеты пропадают.
Их измерять надо, иначе - гадания.
Вот ссылка на пищалки.

Вероятно, MW/13/90 - МидВуфер, а диаметр 13 см и резонанс 90 Гц маловероятно. Но если так, то бас от них получить нельзя. Но по мутным фото судить трудно.
Вот спасибо! У меня такие же, но диффузор светло-желтый, цвет как у картона, что на уплотнения динамиков.

Про Кубитоны нашел только здесь и то только вскользь.

Вероятно, MW/13/90 - МидВуфер, а диаметр 13 см и резонанс 90 Гц маловероятно
Точно, у них габаритный диаметр 13 см.
 
Вчера вечером записывал на микрофон звучание колонок: Kubiton, 15АС-214 и Лира.
Файлы
А так же только ВЧ и только НЧ.
 
Вчера вечером записывал на микрофон звучание колонок: Kubiton, 15АС-214 и Лира.
Файлы
А так же только ВЧ и только НЧ.
М-да. Записывалось на телефончег-смартфончег?
Запись дома в комнате - проблема, но кое-что всё же слышно. Разница есть.
У 15АС-214 баса нет совсем, это или микрофон или музыка - ведь должен быть бас. Верхов тоже нет, а тональный баланс разный.
Из присутствующих здесь знаю только Николу Чудотворца ой, вернее, Николая Маркова который может конкретно помочь в такой ситуации.
Не хочется давать свинский совет - написать ему лично с просьбой проконсультировать.
Мне надо держать всё в руках и щупать-слушать.
Нет, высылать не напрашиваюсь, делать не буду.
В одном городе с самоввозом-самовывозом - возможно, хотя хлама дома в избытке и жена не обрадуется.
***
Относительно лопуха-эллипса IREL.
Да ну, не верю, сказал Станиславский и был прав поскольку таких динамиков у него не было.
Жёлтый цвет бумаги - лежали на свету, выцвели.
Динамик хорош тех целей, для которых его делали - ламповый монорадиоприёмник в открытом ящике.
irel30.png
Вот мой черновик для себя с 30 см на небольшом щите . Ямка на 200-300 Гц не страшна и меняется с расстоянием и шириной щита. Достаточно ровно в широкой полосе, но пищалка желательна, понятно что большой динамик, поэтому АЧХ вне оси начнёт спадать рано. Но найти пищалку не так просто т.к. у этого динамика высокая отдача.
Типичный свинтажный широкополосник на любителя. Для дискотэки не пойдёт.
Fs, 81.72, Hz
Re, 3.50, ohm[dc]
Qt, 2.25,
Поэтому низкий бас и ЗЯ исключаются напрочь.
В радиоприёмнике или ТВ он самодостаточен, фильтры и пищалки не нужны, для фоновой озвучки (это когда не слушают музыку в установленном в правильном месте кресле, а ходят туды-сюды и занимаются своими делами, например, игаются с телефончегом) вполне годится, звук интересный.
 
Да, подвесы поменяли на такие же, резина тонкая.

По схеме, я начудил. Сори.
Вот так правильно.
Посмотреть вложение 70055

Ещё вопрос: почему на этикетке указано 4 ом, если динамики подключены последовательно?
Молодёжь, а вам не кажется, что не хватает 10...15 Ом резистора в параллель 4 мГн И ВСЁ?
Фильтр, конечно, чудесатый в любом случае.
 
М-да. Записывалось на телефончег-смартфончег?
Запись дома в комнате - проблема, но кое-что всё же слышно. Разница есть.
У 15АС-214 баса нет совсем, это или микрофон или музыка - ведь должен быть бас. Верхов тоже нет, а тональный баланс разный.
Из присутствующих здесь знаю только Николу Чудотворца ой, вернее, Николая Маркова который может конкретно помочь в такой ситуации.
Не хочется давать свинский совет - написать ему лично с просьбой проконсультировать.
Мне надо держать всё в руках и щупать-слушать.
Нет, высылать не напрашиваюсь, делать не буду.
В одном городе с самоввозом-самовывозом - возможно, хотя хлама дома в избытке и жена не обрадуется.
***
Относительно лопуха-эллипса IREL.
Да ну, не верю, сказал Станиславский и был прав поскольку таких динамиков у него не было.
Жёлтый цвет бумаги - лежали на свету, выцвели.
Динамик хорош тех целей, для которых его делали - ламповый монорадиоприёмник в открытом ящике.
Посмотреть вложение 70200Вот мой черновик для себя с 30 см на небольшом щите . Ямка на 200-300 Гц не страшна и меняется с расстоянием и шириной щита. Достаточно ровно в широкой полосе, но пищалка желательна, понятно что большой динамик, поэтому АЧХ вне оси начнёт спадать рано. Но найти пищалку не так просто т.к. у этого динамика высокая отдача.
Типичный свинтажный широкополосник на любителя. Для дискотэки не пойдёт.
Fs, 81.72, Hz
Re, 3.50, ohm[dc]
Qt, 2.25,
Поэтому низкий бас и ЗЯ исключаются напрочь.
В радиоприёмнике или ТВ он самодостаточен, фильтры и пищалки не нужны, для фоновой озвучки (это когда не слушают музыку в установленном в правильном месте кресле, а ходят туды-сюды и занимаются своими делами, например, игаются с телефончегом) вполне годится, звук интересный.
Записывал на ноутбук, старый. Микрофон капсюль Panasonic 60(буквы на помню). Играла одна колонка, микрофон в точке головы, где слушал сам, где-то с 1,5 метров. Колонка не на линии микрофона, смещение см 40.
Запись проводил вечером, громкость небольшая(жена возмущается), провел нормализацию до уровня -1дб.
P.S. Порекомендуйте, пожалуйста, какой трек использовать для проверки.
 
Молодёжь, а вам не кажется, что не хватает 10...15 Ом резистора в параллель 4 мГн И ВСЁ?
Фильтр, конечно, чудесатый в любом случае.
А как же тогда может получиться ~ 4-Омное сопротивление (надпись на коробке) у такого фильтра АС при последовательном соединении НЧ динов ?
 
Последнее редактирование:
А как же тогда получится может получиться ~ 4-Омное сопротивление у АС при последовательном соединении НЧ динов ?
А у кого вообще есть уверенность, что динамики и фильтр - родные? Может, третью полосу фильтра выбросили, а была 2,5 - полосная, как раз 4 Ома.

P.S. Порекомендуйте, пожалуйста, какой трек использовать для проверки.
Тот, который любит жена. И ее припахивайте к прослушиванию, но так, чтобы она и не поняла😁
 
Записывал на ноутбук, старый. Микрофон капсюль
Я же не с претензией, просто жилая комната - не студия. Но всё же лучше микрофон на уровне пищалки или чуть ниже. Громкость достаточная.
Трек не хочу конкретно советовать, обычно рекомендуют с голосом и натуральными инструментами, лучше немного инструментов, чтобы были и низкие и высокие частоты.
Почему так? Ухо может оценить натуральность естественных "излучателей" даже на незнакомой музыке, а естественность и натуральность разных синтезаторов - нет.
Аналогия. Для оценки цветопередачи нужен белый и телесный цвет, глаз сразу увидит и оценит, а если смотреть рисованный мультфильм - нет, именно поэтому годы в 90-е в магазинах видеотехники крутили "мультики" - ярко, сочно, выигрышно, но понять нельзя.
Раз Николай Марков читает тему, поспрашивайте лучше его, но без исходных данных и ему будет трудненько.
 

Статистика форума

Темы
3,315
Сообщения
264,681
Пользователи
2,551
Новый пользователь
Dmaren55
Назад
Сверху Снизу