Открытая АС на динамиках 4ГД (4ГДШ)

Потом (может ошибаюсь) стали делать более толстые и прочные, но тяжёлые диффузоры "утюги" с худшей динамикой, но способные выдерживать бОльшие подводимые мощности, АЧХ у них имеет меньше локальных неравномерностей, при этом плавные неравномерности могут быть немалые.
Вероятно, таким примером могут быть 15ГД-11. Да, они выдерживают немалую мощность, но звуки голоса через них не впечатляют. Это хорошая поддержка для 75ГДН.
И смешно, но я не могу с ходу назвать несколько моделей хороших СЧ динамиков. Несомненно таких много среди импорта, но как-то мимо меня, а интересны не такие СЧ динамики как 4ГД-6 (на мой взгляд маловаты, а для СЧ размер имеет значение), и не 8 дюймов на СЧ - это уже многовато, а размер 5...6,5 дюймов. В этом размере есть кое-что советское, но это не СЧ, а скорее НЧ динамики типа 10ГД-34 у которых и бас так себе, и СЧ - "спасибо, не надо". Понятно что я профан в этом деле раз не понимаю почему не видно хороших СЧ динамиков для трехполосок.
В размере 5" тоже не нашел из доступного. Есть варианты 2-3" у китайцев на пластике, относительно доступные. Но еще провожу исследования, измерения и прослушивание.
5" дюймов собирал на раме 10гд-34 с МС от 35гдн с легким диффузором из новодела на пене. Звук получился яркий, но из-за того что диффузор тонкий его ломает уже с 2,5-3 кГц. Сейчас эксплуатируется в составе 3х полоски в корпусах Романтики-121.
В тоже время, китайские 2 и 3" с пластиковым диффузором начинает ломать много выше, там где слух не такой разборчивый. Оттого звук мягкий и слитный.
 
Нашёл у себя ещё пару 5гдш-4-4. Но они не пара к 4гд-35?
Всёж таки хотите без ушей...
Ну как пара-непара. Они похожи, но разные, сомневаюсь что они вместе споются, не знаю, вдобавок у них отдача ниже.
Нескромный вопрос: а громкости одного 4ГД-35 недостаточно? У них отдача повышенная, поэтому труднее найти пару (пищалку).
Лучше всего ответят ваши уши. Поставить их временно через картонку в щит парой к 4ГД-35 и послушать. А вдруг...
В размере 5" тоже не нашел из доступного. Есть варианты 2-3" у китайцев на пластике, относительно доступные.
А вот не хочется 2 дюйма, ну 3 может, за неимением.
Хочется 4...6,5 дюймов. Вот почему то мне КАЖЕТСЯ что СЧ динамики лучше звучат когда не слишком мелкие.
Вероятно, 2-3 дюйма на СЧ пойдут если НЧ динамик 4-5 дюймов, тогда пищалка 1 дюйм. Но уже на НЧ 8 дюймов хочется СЧ 5-6 дюймов, может блажь.
Меня сейчас больше двухполоски занимают.
Но еще провожу исследования, измерения и прослушивание.
5" дюймов собирал на раме 10гд-34 с МС от 35гдн с легким диффузором из новодела на пене.
Как бы покультурнее. Это идти в гору, а проще, быстрее найти 15ГД-14. В самоделке получаем уникальные динамики параметров которых ни у кого нет, фильтров для них нет. А у 15ГД-14 всё это есть и при необходимости можно докупить. Понимаю их мало осталось, но даже советские галоши изнашиваются, он не бесконечны. Но тогда можно подыскать импорт.
Звук получился яркий, но из-за того что диффузор тонкий его ломает уже с 2,5-3 кГц. Сейчас эксплуатируется в составе 3х полоски в корпусах Романтики-121.
Микрофончик надоть. В случае самоделок без него - никак.
В тоже время, китайские 2 и 3" с пластиковым диффузором начинает ломать много выше, там где слух не такой разборчивый. Оттого звук мягкий и слитный.
Возможно, не знаю, а покупать ради пробы не хочется.
Почему-то думаю что СЧ от бумажных лопухов получше будут.
 
Камрады, ещё один вопрос, возможно глупый, не плюйтесь: возможно ли избавиться от родных крепёжных ушей и закрепить динамики с лицевой стороны щита? Как лучше это организовать?
На али сетки в пластиковой рамке есть. Рамка должна перекрыть уши, можно и без сетки использовать. Есть черные, серебро и золото цвета. Качество хорошее.
 
К примеру, как прямая АЧХ может радовать мой слуховой аппарат, когда у меня с 6 килогерц начинается небольшой завал до 8, потом ровная линия до 13 и далее сильный спад, с 1кГц до 4 присутствует подъём сверх нормы.
По НЧ с 40 тоже спад, чем ниже тем больше. Поэтому и накручиваю себе параболу и только тогда могу воспринимать звуковую информацию в полном объёме.
Пробовал 2 недели слушать ровную АЧХ, чуть адаптировался но до конца не смог привыкнуть.
К тому же кривые равной громкости имеют место быть.
Ровная мониторная АЧХ колонки заведомо некомфортная для слуха . На малых уровнях еще переносимо, но чуть громче - режет слух яркостью.
Вежливый провальчик в районе 2-3 кгц вам в помощь.
 
Пусть даже середина и ровная будет, без провальчиков, но пусть будут два небольших подъемчика.
С центрами на 100,ти на 10000 Гц.
Тогда не надо будет задирать общую громкость. Даже желания так делать не возникнет.
И будет почти ощущение полного диапазона.
 
В сторону от темы, но с моралью в назидание . Чтоб неповадно было.
Есть приятель один, увлекающийся колоночным самостроем . До этого накупал всякой лабуды , но попадалось и удачное. И недавно нарыл три бесподобных старинных японских динамика , басовики, с уникальной магнитной системой на куче стержневых кобальтовых магнитов .
Измерил их в просторном ящике- шикардос получился. Отдача аховская, с лету состыковались с рупорным JBL-ем в коробке , фильтры проще некуда, звук королевский. Крепко обрадованный результатом, уехал.
Недавно звонит, приезжай , оцени результат. Приехал, смотрю, слушаю.
Непонятный ужас на экране и в ушах. Торчащая средина и верха, ямища вместо басовой полки, непонятный горб вместо баса. Трындец полный.
Начинаю разбираться, как-то давить уровни избыточной средины и верха, странно все и дико. Ехал не сводить, а чисто глянуть, не накосячено ли чего, мало ли. А тут просто кошмар. Потом вспомнил, вытащил из архива стартовые замеры. Там все ровно и достойно, бас даже с избытком, СЧ без всяких гасилок, общее чутьё под 95 дБ.
А потом всматриваюсь в колонку , а там....... Вместо ящика ЗЯ приличного объема наш знакомый втулил басовик ... в его любимую ОРТу, неширокую и меньшего объёма. В итоге вместо баса куцый убогий огрызок от 50 до 100, дальше дырища до самых 500-800, а уже выше подхватывает рупорный драйвер .
До сих пор в шоке от такой отсебятины, ничем не объяснимой и неоправданной. А ведь уже товарищ пригласил к себе знакомых, включил им звук и важно рассказал, что это Саша настраивал. И кто я теперь после этого ? Ответ знаю. :sick:
 
с 6 килогерц начинается небольшой завал до 8, потом ровная линия до 13 и далее сильный спад, с 1кГц до 4 присутствует подъём сверх нормы.
По данным сонометрии у ЛОР-а или домашняя прикидка?
По НЧ с 40 тоже спад, чем ниже тем больше.
При каком уровне громкости? КРГ были исключены?
*****
Бывает, у людей серная пробка плавно закрывает слуховой проход, а чел парится: "старость" _da
 
Нашёл у себя ещё пару 5гдш-4-4. Но они не пара к 4гд-35?
Нет, не пара. При несложной доработке 5ГДШ-4 (3ГД-45) много лучше 4ГД-35.
В 5ГДШ-4 перевернув бумажный пз-колпаччёк впуклостью наружу, и чуток пропитав около него диф, – получите и неплохие верха. А прогерленив тангенц.подвес, плюс лёгкую ПАС на окна корзины – получите ровненький красивый мягкий звучёк.
А 4ГД-35 засуньте в... подобие НЧ, дополнительно подперев 5ГДШ-4 снизу (некоторые 4ГД-35 и от 60-ти могуть)
 
Последнее редактирование:
Добавлю в тему открыток одно чрезвычайно приятно звучащее решение. Увидел его в журнале Автозвук в статье Андрея Елютина , статья была про варианты акустического оформления. И самым последним в перечне разных было так называемое апериодическое открытое оформление. В виде плоского ящика с короткими бортиками, вся внутренность его равномерно заполнена поглотителем, убирающим летящую с тыла и отскакивающую от стен средину. Которая быстренько прекращает любую стереопанораму в мерзкую кашу. На досуге проверил. Звучит эта штука просто роскошно. Хотя и до этого много лет и много раз успокаивал всякие открытки матрасом из синтепона , накинутым на динамики. Работает идея и отменно.
 
Забавлялся с 5ГДШ-4 на картонке. 4 динамика по квадрату впритык друг к дружке (аки "четвёрка резвых"), по центру между ними маленький пищ БМВ.
...Буду делать в дереве плоский ящик оя-пас. А вот чуйки БМВ-пища не хватает, а хотелось бы прибить четыре интерференционных верха от 5ГДШ.
 
Забавлялся с 5ГДШ-4 на картонке. 4 динамика по квадрату впритык друг к дружке (аки "четвёрка резвых"), по центру между ними маленький пищ БМВ.
...Буду делать в дереве плоский ящик оя-пас. А вот чуйки БМВ-пища не хватает, а хотелось бы прибить четыре интерференционных верха от 5ГДШ.
Идея суперская. В центр можно поместить автозвуковой твитер с пулькой , там под сотку дБ на ватт отдача. И есть Пи-Аудио РНТ -407N на титане\неодиме, давление выше на 3 дб от прежнего пластикового купола и феррита обычной Пишки 407 й
Но есть простое решение, выровнять баланс " четверки оборзевших телепузиков" катушкой, в итоге на частоте стыка получится отдача на уровне обычного ВЧ купольника или конусника . Заодно от интерференции избавиться с гарантией.
 
И недавно нарыл три бесподобных старинных японских динамика , басовики, с уникальной магнитной системой на куче стержневых кобальтовых магнитов .
Что хоть за динамики? Из японских старых, с такой МС мне встречались только 15" НЧ от "Sony SS-G7".
 
Но есть простое решение, выровнять баланс " четверки оборзевших телепузиков" катушкой, в итоге на частоте стыка получится отдача на уровне обычного ВЧ купольника или конусника .
В любом случае, на 5ГДШ-4 нужна катуха 0.4-0.6мГн, иногда и до 1мГн, и параллельно ей небольшие RC, + шторки на окна.
В центр можно поместить автозвуковой твитер с пулькой... Заодно от интерференции избавиться с гарантией.
Только отсутствие нужного твитера тормозит поделие. Сам плоский оя-коробок и 8х5ГДШ-4 готовы.

Ящик от письменного стола. Когда-то забавлялся с ними и 4" ШП.
Гы-гы-гы...
Таки да – обечайки от подстолешницы (или магазинные витринки какие были???) – прямоугольники размером 70х50см, глубиной 10см.
 
Последнее редактирование:
Таки да, – обечайки от стола (или витринки какие были???)
P1140514.JPG P1140561.JPG P1140732.JPG P1140677.JPG
Но не понравились.
 
А вот чуйки БМВ-пища не хватает
Ойц, там токи рупорный ВЧ приживётся, ибо 4 штуки по 90дБ/Вт сопротивлением по 4 Ома параллельно-последовательно (?) дадут чувствительность 96дБ/Вт...
Токи снова: зачем в хате звуковой прожектор?
 
Последнее редактирование:
Оооо, за историей уделывания этого в те далёкие годы наблюдал. Год 10-й был. Это было после "столбиков" на 3ГДШ-8, или до.
 
Спрошу и тут тоже. Есть у кого график импеданса 100ГДН-3 _molitva Ожила тема 150 АС-001 «Корвет» – анализ фильтров . Там весёлая схема засветилась типа
АВсхема.png
Я-то вижу, что номинал катушки L3 рассчитан на нарнийском калькуляторе, но доказать не могу )))
P.S. Сергей KSV , не смотрите: поберегите нервы.
 
Последнее редактирование:
Нет, не пара. При несложной доработке 5ГДШ-4 (3ГД-45) много лучше 4ГД-35.
В 5ГДШ-4 перевернув бумажный пз-колпаччёк впуклостью наружу, и чуток пропитав около него диф, – получите и неплохие верха. А прогерленив тангенц.подвес, плюс лёгкую ПАС на окна корзины – получите ровненький красивый мягкий звучёк.
А 4ГД-35 засуньте в... подобие НЧ, дополнительно подперев 5ГДШ-4 снизу (некоторые 4ГД-35 и от 60-ти могуть)
Андрей, поправьте, если не правильно понял. Я использую в щите пару 5ГДШ-4 + 4ГД-35. 4ГД-35 обрезаю верх катушкой, 5ГДШ-4 отдаю и ВЧ. В таком случае пищаль вообще не нужна?
А прогерленив тангенц.подвес, плюс лёгкую ПАС на окна корзины
Расскажите подробнее, если можно.
Мдя, как рекомендует KSV, тут нужен микрофончик, без него, похоже, ничего особо не выслушаешь. Но к микрофону еще нужны и знания._dadel
На "халяву" проскочить не получается в этом деле._hm_

Подскажите, пожалуйста, по такому вопросу. На сколько я понял, Александр Лукин создал неплохие ОЯ на паре 4 ГД-35 + 4 ГДШ-3-8. Судя по графику, картина получилась довольно приятная.
Получается, он спас ситуацию использовав 4 ГДШ-3-8 вместо ВЧ динамика?
Именно эту конструкцию я пытаюсь повторить. Единственное, делаю вместо ОЯ - щит без боковин.
 
Я использую в щите пару 5ГДШ-4 + 4ГД-35. 4ГД-35 обрезаю верх катушкой, 5ГДШ-4 отдаю и ВЧ. В таком случае пищаль вообще не нужна?
Да.
5ГДШ-4 со штатным перевёрнутым выпуклостью к керну (впуклостью наружу) пз-колпачком. Вокруг него по дифу см 2-3 пропитать прополисом в спирте (добывается в аптеке без СМС и регистраций). Через часок-другой см 1-2 ещё разок. Мазать с фэйса и с тыла. Герленом, каучуком в бензине (разбавленный рез.клей), AkFix-100E в уксусе и пр. подобным зельем пропитать тангенциальный подвес дифа с двух сторон, с небольшим (пару мм) заходом на диф. Этим-же зельем погуще пролить с тыла стык-шов поклейки диф-корзина.
На окна корзины внатяг поклеить тонкую хозяйственную салфетку из нетканки (возможно вискозную, нужно пробовать "на продув"). Уберёт резонансный горб и внизу правильно сольётся с 4ГД-35.
4ГД-35 резать толстой катухой на 150-200 – это уже по-месту, на ух.

К 5ГДШ-4 можно последовательно добавить параллельную цепочку LCR. Это уже по желанию, дабы не затрагивая вч, присадить возможно для Вас крикливую серёдку.
5ГДШ-4 монтировать со смещением от геометрического центра мордопанели.

Для полного фарша 5ГДШ-4, на диф с тыла от горла почти до подвеса радиально приварить 7/9 полосок флизелина.

тут нужен микрофончик, без него, похоже, ничего особо не выслушаешь. Но к микрофону еще нужны и знания._dadel
На "халяву" проскочить не получается в этом деле._hm_
Попробуем "проскочить халявно" без мика.
Без картинок ув.KSV будет спокоен и безобиден;)
 
Последнее редактирование:
прополисом в спирте (добывается в аптеке без СМС и регистраций
С этим вообще проблем нет, у друга своя пасека, прополиса нашкребем.
А как быть с сопротивлением? Оба дина на 4 Ом. Или можно использовать пару последовательно соединенных 4 ГД-35 + 5ГДШ-4 с согласующим трансформатором? Александр Сергеевич мне давал схему намотки для 3 Ом пищики Блаупункт, все спелось отлично.
Тогда схема остается прежней, но вместо рыбки устанавливаю 5ГДШ-4?
Или же 2 дина 4 ГД-35 перекричат один 5ГДШ-4?

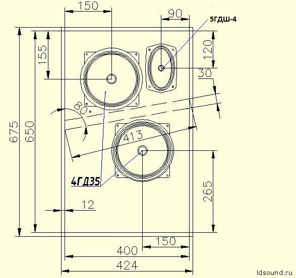
Чертежик.jpg
 
С этим вообще проблем нет, у друга своя пасека, прополиса нашкребем.
А как быть с сопротивлением? Оба дина на 4 Ом. Или можно использовать пару последовательно соединенных 4 ГД-35 + 5ГДШ-4 с согласующим трансформатором? Александр Сергеевич мне давал схему намотки для 3 Ом пищики Блаупункт, все спелось отлично.
Тогда схема остается прежней, но вместо рыбки устанавливаю 5ГДШ-4?
Или же 2 дина 4 ГД-35 перекричат один 5ГДШ-4?

Посмотреть вложение 150658
Простите, но искренне полагаю, что 400 мм ширины маловато будет. У меня такие панели для авто ШП Альфард. И то ширины мало, хотя оформление --ЗЯ. Надо 500 мин.
 
Последнее редактирование:
Простите, но искренне полагаю, что 400 мм ширины маловато будет. У меня такие панели для авто ШП Альфард. И то ширины мало, хотя оформление --ЗЯ. Надо 500 мин.
Я не знаю как делаются расчеты размеров ОЯ, понимаю, что тема спорная. Полагаюсь на советы опытных "щитоделов". В ОЯ боковины увеличивают площать панели, на сколько я понял.
 
Я не знаю как делаются расчеты размеров ОЯ, понимаю, что тема спорная.
 
Последнее редактирование:
Я не знаю как делаются расчеты размеров ОЯ, понимаю, что тема спорная. Полагаюсь на советы опытных "щитоделов". В ОЯ боковины увеличивают площать панели, на сколько я понял.
Собственно говоря, Вы на моë мнению не смотрите. Часто делают из того, что в наличии есть. Просто преимущества широкой панели заметны при прослушивании. Гири из дерева размером 600х670 тяжеловаты и для покупки (таскать по магазину) и для перемещения по комнате
 
боковины больше 10см не делайте будет ведерный звук а лучше 5,,,7см
 
Я не знаю как делаются расчеты размеров ОЯ, понимаю, что тема спорная. Полагаюсь на советы опытных "щитоделов". В ОЯ боковины увеличивают площать панели, на сколько я понял.
Самый полезный совет прочел на Веге , когда начинающему щитоводу рявкнули в ответ на его жалобу, мол, нет возможности щиты уширить, комната не позволяет . Ответ был такой: А нехера тогда щит городить, еслти комната не позволяет. И точнее не скажешь. К примеру, так выглядит достойная открытая акустика из соседнего города, на 6ГД-2 и Пишке 409, сделана с моей помощью, звук один из лучших , который знаю вообще.
На фото она справа.
 

Вложения

  • P1070097 (1).JPG
    P1070097 (1).JPG
    293 KB · Просмотры: 112
лучше сместить от вертикальной оси на пару тройку см
 

Статистика форума

Темы
3,314
Сообщения
264,514
Пользователи
2,550
Новый пользователь
Александр Н.
Назад
Сверху Снизу