ВЧ головки - ремонт / апгрейд / новый конструктив. EAS-5HH40S / EAS-5HH17G (ВЧ от Technics SB-660)

  • Автор темы Автор темы Meshin
  • Дата начала Дата начала
Да. Чинил такие и не один раз. Вы где находитесь?
 
г. Глазов Могу отправить почтой, если возьметесь отремонтировать.
 
Сделаю конечно.
Но может Вам в Питер Д.Рутковскому отправить. Ко мне на 1000 км дальше пересыл.
Кемеровская область.
 
Сколько будет стоить ремонт двух динамиков ?
 
Я не нашел где писать в личку, подскажите пожалуйста куда писать. Захожу в ваш профиль, выдает недостаточно прав.
 
Нежданно-негаданно вспомнились мне подобные же пищалки в рупорном исполнении от Техникс.
"EAS-5HH10".
IMG_20240131_084241.jpg IMG_20240131_084258.jpg
Когда-то давно, но уже позже описываемых выше, попали ко мне эти динамики в виде условного дарения. Был выбор. Или деньги, или эти динамики. Факт, как видим, на рыло....
У хорошего знакомого, маленький "пизд*к" уронил одну из фронтальных АС домашнего кинотеатра. Как итог - сломались пластиковые корзины с отрывом МС. Вот за восстановление работоспособности ДК и была предложена альтернатива в оплате.
По словам товарища, одна из пищалок имела дефект. А именно - не очень заметное потрескивание при работе, но травмирующее его удифильский слух и перфекционистский взгляд на мироустройство.
При нём проверил динамики на Re и по деревенскому батарейкой. Как бы и придраться не к чему. Товарищ был непреклонен.
На другой же день унёс их на работу и подключил к сигналу через конденсатор (уже не помню какой ёмкости). Опять всё абгемахтно. Нашёл в сети немного информации по ним и соорудил рекомендованный для них фильтр ну и всякое такое...
GrySBLaxtlWkszRYqhhWv3GntlEupbxX.jpg nbgdGbaxMVErrrNcKxPRu_66MVWhuDtT.jpg 5hh1.jpg 5hh2.jpg Filtre_5H_A.jpg
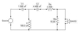
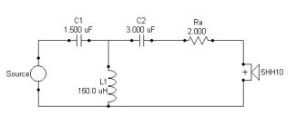
Этот фильтр и был собран для проверки. Всё гутенно.
Затем собрал такой
Filtre_5H_140503.jpg 5H_RAC_F140503_sm.jpg 5H_REC_F140503_sm.jpg
А так как я не в зуб ногой ни в жопу пальцем в этих графиках, то всё воспринимаю на веру. И в финале был собран вот этот
Filtre_5H_C.jpg 5H_FC_simul_sm.jpg 5H_FC_sm.jpg
И с ним пищалки проработали примерно месяц на работе, а затем унесены домой.
С тех пор, фильтр собранный на картонке, мотается из угла в угол в тумбочке, а динамики в той же тумбочке между небом и землей.
Как выглядят динамики с близкого расстояния:
IMG_20240131_084329.jpg IMG_20240131_084338.jpg IMG_20240131_084400.jpg
IMG_20240131_084403.jpg IMG_20240131_084408.jpg IMG_20240131_084630.jpg
Взглянем в глубину рупора
IMG_20240131_084549.jpg IMG_20240131_084613.jpg IMG_20240131_084620.jpg
и мало чего можем там увидеть.
Предположительно, да чего уж таммм... Всё там как на этих фото из сети
v753315870_mahimahi850_5.jpg v753315870_mahimahi850_6.jpg v753315870_mahimahi850_8.jpg v753315870_mahimahi850_9.jpg
Рупор, не мудрствуя лукаво, просто приклеен. Виден шов
IMG_20240131_084713.jpg
Динамики
IMG_20240131_084731.jpg
Подключены через К73-11 х 4,7 мФ
IMG_20240131_091649.jpg IMG_20240131_091658.jpg
Хочу погонять их через эту ёмкость. А вдруг... придётся разбирать. Чего-то восстанавливать.
Играют они конечно знатно. Детальность невероятная. Генератором не прогонял, но по ощущениям от 4000 Герц они выдают причём сохраняя все свои преимущества в верхнем диапазоне. Может и вылезет дефект. Так как в данный момент к ним нечего присовокупить что-то достойное по хорошему совпадению стыка, то в планах пустить его как СВЧ.
Рассказ про них думаю будет продолжен. Отдельную тему не стал создавать.
 
Последнее редактирование:
Плавно меняя частоту на генераторе, можно будет услышать дефект. На музыке - труднее.
Несколько раз было так, что клиент сообщал, на какой музыке, и на каком ее фрагменте слышно было призвук. Осмотр снятой подвижки ничего не давал. На вид и ощуп пинцетом все было ОК.
 
Нежданно-негаданно вспомнились мне подобные же пищалки в рупорном исполнении от Техникс.
"EAS-5HH10".
Посмотреть вложение 85140 Посмотреть вложение 85141
Когда-то давно, но уже позже описываемых выше, попали ко мне эти динамики в виде условного дарения. Был выбор. Или деньги, или эти динамики. Факт, как видим, на рыло....
У хорошего знакомого, маленький "пизд*к" уронил одну из фронтальных АС домашнего кинотеатра. Как итог - сломались пластиковые корзины с отрывом МС. Вот за восстановление работоспособности ДК и была предложена альтернатива в оплате.
По словам товарища, одна из пищалок имела дефект. А именно - не очень заметное потрескивание при работе, но травмирующее его удифильский слух и перфекционистский взгляд на мироустройство.
При нём проверил динамики на Re и по деревенскому батарейкой. Как бы и придраться не к чему. Товарищ был непреклонен.
На другой же день унёс их на работу и подключил к сигналу через конденсатор (уже не помню какой ёмкости). Опять всё абгемахтно. Нашёл в сети немного информации по ним и соорудил рекомендованный для них фильтр ну и всякое такое...
Посмотреть вложение 85142 Посмотреть вложение 85143 Посмотреть вложение 85144 Посмотреть вложение 85145 Посмотреть вложение 85146
Этот фильтр и был собран для проверки. Всё гутенно.
Затем собрал такой
Посмотреть вложение 85147 Посмотреть вложение 85149 Посмотреть вложение 85150
А так как я не в зуб ногой ни в жопу пальцем в этих графиках, то всё воспринимаю на веру. И в финале был собран вот этот
Посмотреть вложение 85151 Посмотреть вложение 85152 Посмотреть вложение 85153
И с ним пищалки проработали примерно месяц на работе, а затем унесены домой.
С тех пор, фильтр собранный на картонке, мотается из угла в угол в тумбочке, а динамики в той же тумбочке между небом и землей.
Как выглядят динамики с близкого расстояния:
Посмотреть вложение 85154 Посмотреть вложение 85155 Посмотреть вложение 85156
Посмотреть вложение 85157 Посмотреть вложение 85158 Посмотреть вложение 85159
Взглянем в глубину рупора
Посмотреть вложение 85160 Посмотреть вложение 85161 Посмотреть вложение 85162
и мало чего можем там увидеть.
Предположительно, да чего уж таммм... Всё там как на этих фото из сети
Посмотреть вложение 85163 Посмотреть вложение 85164 Посмотреть вложение 85165 Посмотреть вложение 85167
Рупор, не мудрствуя лукаво, просто приклеен. Виден шов
Посмотреть вложение 85168
Динамики
Посмотреть вложение 85169
Подключены через К73-11 х 4,7 мФ
Посмотреть вложение 85170 Посмотреть вложение 85171
Хочу погонять их через эту ёмкость. А вдруг... придётся разбирать. Чего-то восстанавливать.
Играют они конечно знатно. Детальность невероятная. Генератором не прогонял, но по ощущениям от 4000 Герц они выдают причём сохраняя все свои преимущества в верхнем диапазоне. Может и вылезет дефект. Так как в данный момент к ним нечего присовокупить что-то достойное по хорошему совпадению стыка, то в планах пустить его как СВЧ.
Рассказ про них думаю будет продолжен. Отдельную тему не стал создавать.
трещина в мембране или куполе, на некой частоте затрещит.
Были колонки , гулявшие по Ростову, Келли Трансдюсер КТ-3, там пластиковый диффузор треснул радиально. Его умельцы замазали мастикой, но дефект проявлялся на некоторых песнях. В лабораторию принесли их- сразу выявилась критическая частота, на сотне герц, а дальше все было "абгемахтно" Починкой верблюдОв моя фирма не занималась, колонки ушли к новому владельцу , потом был у него, всмотрелся- трещина на месте. Владелец слушает, хвалит звук.
 
Я уже думал про дефект подвижки. Но пока не выявлю - заниматься не стану. Пищалки ещё не вскрывались.

Последовательно к разделительными конденсаторами К73-11 на 4,7 мФ подключил ещё такие же. Условно теперь 2,2....2,4 мФ .
На первый ух всё осталось так же. Через пару минут стало различимо отсутствие, верней менее слышный хрусталь. На этом фоне естественно стало более аппетитней остальное. Пищалки зазвучали более мягче, но всё так же разборчиво и ясно.
Надо найти
фильтр собранный на картонке
И принести на работу.
С проверкой пищалок генератором так и не сложилось.
У нас идёт глобальная замена компьютерных сетей от и до. Перфораторы не умолкают всю смену. Скоро придут и ко мне...
 

Статистика форума

Темы
3,343
Сообщения
268,423
Пользователи
2,573
Новый пользователь
Layk
Назад
Сверху Снизу