Смотрите видео ниже, чтобы узнать, как установить наш сайт в качестве веб-приложения на домашнем экране.
Примечание: Эта возможность может быть недоступна в некоторых браузерах.
Потому что мало сообщении ещё.Я не нашел где писать в личку, подскажите пожалуйста куда писать. Захожу в ваш профиль, выдает недостаточно прав.
Я Вам написал.Я не нашел где писать в личку, подскажите пожалуйста куда писать.
Я не нашел где писать в личку,
Андрей. У Вас нее получается написать мне в личку? Или иная причина?Я Вам написал.











Попробую обязательно. Пока некогда.Плавно меняя частоту на генераторе, можно будет услышать дефект.
трещина в мембране или куполе, на некой частоте затрещит.Нежданно-негаданно вспомнились мне подобные же пищалки в рупорном исполнении от Техникс.
"EAS-5HH10".
Посмотреть вложение 85140 Посмотреть вложение 85141
Когда-то давно, но уже позже описываемых выше, попали ко мне эти динамики в виде условного дарения. Был выбор. Или деньги, или эти динамики. Факт, как видим, на рыло....
У хорошего знакомого, маленький "пизд*к" уронил одну из фронтальных АС домашнего кинотеатра. Как итог - сломались пластиковые корзины с отрывом МС. Вот за восстановление работоспособности ДК и была предложена альтернатива в оплате.
По словам товарища, одна из пищалок имела дефект. А именно - не очень заметное потрескивание при работе, но травмирующее его удифильский слух и перфекционистский взгляд на мироустройство.
При нём проверил динамики на Re и по деревенскому батарейкой. Как бы и придраться не к чему. Товарищ был непреклонен.
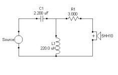
На другой же день унёс их на работу и подключил к сигналу через конденсатор (уже не помню какой ёмкости). Опять всё абгемахтно. Нашёл в сети немного информации по ним и соорудил рекомендованный для них фильтр ну и всякое такое...
Посмотреть вложение 85142 Посмотреть вложение 85143 Посмотреть вложение 85144 Посмотреть вложение 85145 Посмотреть вложение 85146
Этот фильтр и был собран для проверки. Всё гутенно.
Затем собрал такой
Посмотреть вложение 85147 Посмотреть вложение 85149 Посмотреть вложение 85150
А так как я не в зуб ногой ни в жопу пальцем в этих графиках, то всё воспринимаю на веру. И в финале был собран вот этот
Посмотреть вложение 85151 Посмотреть вложение 85152 Посмотреть вложение 85153
И с ним пищалки проработали примерно месяц на работе, а затем унесены домой.
С тех пор, фильтр собранный на картонке, мотается из угла в угол в тумбочке, а динамики в той же тумбочке между небом и землей.
Как выглядят динамики с близкого расстояния:
Посмотреть вложение 85154 Посмотреть вложение 85155 Посмотреть вложение 85156
Посмотреть вложение 85157 Посмотреть вложение 85158 Посмотреть вложение 85159
Взглянем в глубину рупора
Посмотреть вложение 85160 Посмотреть вложение 85161 Посмотреть вложение 85162
и мало чего можем там увидеть.
Предположительно, да чего уж таммм... Всё там как на этих фото из сети
Посмотреть вложение 85163 Посмотреть вложение 85164 Посмотреть вложение 85165 Посмотреть вложение 85167
Рупор, не мудрствуя лукаво, просто приклеен. Виден шов
Посмотреть вложение 85168
Динамики
Посмотреть вложение 85169
Подключены через К73-11 х 4,7 мФ
Посмотреть вложение 85170 Посмотреть вложение 85171
Хочу погонять их через эту ёмкость. А вдруг... придётся разбирать. Чего-то восстанавливать.
Играют они конечно знатно. Детальность невероятная. Генератором не прогонял, но по ощущениям от 4000 Герц они выдают причём сохраняя все свои преимущества в верхнем диапазоне. Может и вылезет дефект. Так как в данный момент к ним нечего присовокупить что-то достойное по хорошему совпадению стыка, то в планах пустить его как СВЧ.
Рассказ про них думаю будет продолжен. Отдельную тему не стал создавать.
И принести на работу.фильтр собранный на картонке