2-х полосная АС на Alphard ETP-1623-Z1

Буэнос ночес (сытного ужина в переводе с кит-го) всем добрым людям!
Примеров много и глаза разбегаются. Спасибо!
Касаемо плоского уплотнителя, то гнётся он хорошо по толщине, а вот по ширине его тяжело изогнуть будет без вспучивания, особенно для овалов (законы Кеплера не позволяют это сделать для эллиптической орбиты динамика "1623" -- в области малых радиусов). Но можно отрезать половину ширины уплотнителя.
С герметиком демонтаж сложнее, так как динамик утоплен в декоративной рамке.
А может быть подойдёт герлен на подложке, но здесь я такого не встречал.
Помню, как очень давно разбирал 25АС-033, так там НЧ и СЧ динамики были посажены на кольца из белой силиконовой резины -- до сих пор кольца очень гибкие и не потрескались.
P. S. Придётся выпить (за законы Кеплера), а то не могу​

Выдалось время и лицевую панель с двумя динамиками пристроил к ящику (без звукоутеплителя пока). Включал с CD разные композиции, в основном Rondò Veneziano, включал и такую композицию: https://www.youtube.com/watch?v=J_ZaywxIHAo, слушал другие жанры: https://www.youtube.com/watch?v=G1zkXdqcajk --- всё это при "нулевых" тембрах, однако пришлось даже после ФВЧ включить резистор R=2,2 Ома (пробовал 1.8 Ом, 2,2 Ома и 2,7 Ома). Выводы для себя сделал такие: чувствительности у Al-100 мне даже многовато, а данные АС (именно с Al-100) достаточно разножанровые. Слушал ещё женский вокал -- изъянов не нашёл. Послушал потом на CD итальянских Пухов: https://www.youtube.com/watch?v=2loew7Vt3Yo --- превосходно!
Voglio dire una cosa: Signore Bocarini, grazie di cuore!​
 
Выводы для себя сделал такие:​
1.GIF

Это последняя схема или нужны исправления?
 
Посмотреть вложение 95244
Это последняя схема или нужны исправления?
Приветствую Вас, signore Sergio!
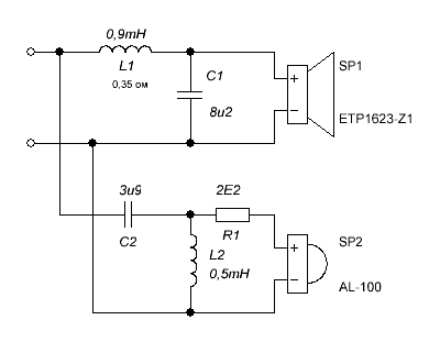
Всё именно так, но я не поленился и "на всякий случай" ранее добавил к 3,6 мкФ ещё один мааленький конденсатор 0,1 мкФ типа К73-15А, но это только для гурманоидов. Пробовал ещё 8,2 мкФ на ходу менять на 6,8 мкф -- что-то разницы не то что бы не заметил, но оставил 8,2 -- так как всё уже на клей посажено было. Я бы поставил в ФВЧ 3,9 мкф, чтобы изопланар пониже играл чуток -- так звук (для меня) лучше и катушку бы сделал 0,5 мГн -- готовой не было, а мотать не хотелось из-за отсутствия подходящего каркаса.
Добавлю, что катушка ФНЧ готовая с сердечником из напылённого (или напИленного?) железа, Rакт=0.35 Ом.
Предлагаю на схемах изображать широкополосные динамики с двойным диффузором, подрисовывая второй (маленький) диффузор в поле большого диффузора, а изопланарные динамики изображать, не показывая символический купол, а показывать плоский "купол" -- так как мембрана изодинамика плоская -- но это шутка.​
 
Последнее редактирование:
Только что послушал на CD диск Fausto Papetti (не включал тясячу световых лет!) --- звучит превосходно, особенно композиция Tristesse: https://www.youtube.com/watch?v=g92csmmjZI8
Посмотреть вложение 95252
Теперь верно или что-то надо подправить? Фаза верная?
Просто схема понятнее чем описание на словах. Думаю, так удобнее.
Раз есть тема, должна быть схема.
Всё отлично, спасибо! Такой ФВЧ почти один в один (там только R=2,7 Ом) включал в паре с Визатон BG20 -- результат отменный.​
 
Синьор Распони! Вернитесь , prego, в начало темы. пост 23 и 30 ! Там все выстраданное лично, с разоблачениями на фото.
 
Синьор Распони! Вернитесь , prego, в начало темы. пост 23 и 30 ! Там все выстраданное лично, с разоблачениями на фото.
Дядя Саша, всё читал и верю! Того набора ВЧ динамиков у меня не было и нет, были Al-100 и купольные Wavecor. Я ранее пристраивал наши 25ГДВ-1-8 к Визатонам BG20 на готовых деталях от фильтра колонок 25АС-033. По Вашему совету там для ФНЧ индуктивность была 2,2 -- 2,7 мГн (родная была 2,07 мГн -- ее и поставил) и "просветляющий" середину конденсатор 6,8 мкФ. А для ФВЧ пошла родная катушка на 0,5 мГн и конденсатор 3,9 мкФ из состава ФСЧ плюс резистор 2,7 Ома. Но 25ГДВ заменил на Al-100 -- у них с характеристикой направленности дела получше, хотя 25ГДВ потенциально играют ниже.
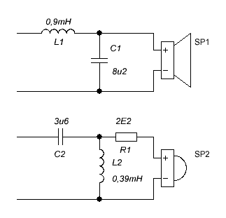
Касаемо этой темы, то у Вас тот ВЧ Vifa на 4 Ома (активное 3,2 будет) плюс резистор 2,2 Ома. У меня ВЧ динамики Rакт=7,3 Ома плюс резистор 2,2 Ома и катушка 0,39 мГн, а конденсатор 3,7 мкФ. ВЧ динамики сильно разные, но я ранее как-то говорил, что по собственному опыту для Al-100 видимо оптимальный набор для ФВЧ получается такой: 4.0 мкФ и 0,5 мГн. В своих 3АС-2 тоже применил Al-100 с ФВЧ: 3,9 мкФ и 0,245 мГн плюс гасилка. Не поймите меня правильно!
Вопрос тут такой: мне пришлось гасить уровень ВЧ для Al-100, а народ жаловался на малую чувствительность этих динамиков. Что здесь не так?
Кстати, ФНЧ секция для моих АС почти Ваша (0,9 мГн и 8,2 мкФ)​
 
Последнее редактирование:
Дядя Саша, всё читал и верю! Того набора ВЧ динамиков у меня не было и нет, были Al-100 и купольные Wavecor. Я ранее пристраивал наши 25ГДВ-1-8 к Визатонам BG20 на готовых деталях от фильтра колонок 25АС-033. По Вашему совету там для ФНЧ индуктивность была 2,2 -- 2,7 мГн (родная была 2,07 мГн -- ее и поставил) и "просветляющий" середину конденсатор 6,8 мкФ. А для ФВЧ пошла родная катушка на 0,5 мГн и конденсатор 3,9 мкФ из состава ФСЧ плюс резистор 2,7 Ома. Но 25ГДВ заменил на Al-100 -- у них с характеристикой направленности дела получше, хотя 25ГДВ потенциально играют ниже.
Касаемо этой темы, то у Вас тот ВЧ Vifa на 4 Ома (активное 3,2 будет) плюс резистор 2,2 Ома. У меня ВЧ динамики Rакт=7,3 Ома плюс резистор 2,2 Ома и катушка 0,39 мГн, а конденсатор 3,7 мкФ. ВЧ динамики сильно разные, но я ранее как-то говорил, что по собственному опыту для Al-100 видимо оптимальный набор для ФВЧ получается такой: 4.0 мкФ и 0,5 мГн. В своих 3АС-2 тоже применил Al-100 с ФВЧ: 3,9 мкФ и 0,245 мГн плюс гасилка. Не поймите меня правильно!
Вопрос тут такой: мне пришлось гасить уровень ВЧ для Al-100, а народ жаловался на малую чувствительность этих динамиков. Что здесь не так?
Кстати, ФНЧ секция для моих АС почти Ваша (0,9 мГн и 8,2 мкФ)​
Виноват, упустил тонкость момента, у вас изодинамики. не купольники.
Главное. чтобы каждый динамик в своей полосе звучал без лишней яркости и крика.
Тогда музыка будет в радость.
 
Виноват, упустил тонкость момента, у вас изодинамики. не купольники.
Главное. чтобы каждый динамик в своей полосе звучал без лишней яркости и крика.
Тогда музыка будет в радость.
Всё нормально! Вы всегда ратуете за хорошие ВЧ купольники, которые способны достойно воспроизвести середину, которая непосильна для изодинамиков. Я же на слух сравнивал купольники с изопланарами и пришёл к выводу, что по точности воспроизведения "высоких" СЧ и далее по диапазону вверх, изодинамикам (даже дешёвым) практически нет равных. Про "особенности" их диаграммы направленности (против купольных) я молчу. Каждый волен попробовать разные типы динамиков. Изодинамики хорошо согласовывать с хорошими шириками и не только: может кто-то попробует состыковать 25ГДН-3-4 и упомянутый Al-100 --- проблем я там не вижу.​
 
Всё нормально! Вы всегда ратуете за хорошие ВЧ купольники, которые способны достойно воспроизвести середину, которая непосильна для изодинамиков. Я же на слух сравнивал купольники с изопланарами и пришёл к выводу, что по точности воспроизведения "высоких" СЧ и далее по диапазону вверх, изодинамикам (даже дешёвым) практически нет равных. Про "особенности" их диаграммы направленности (против купольных) я молчу. Каждый волен попробовать разные типы динамиков. Изодинамики хорошо согласовывать с хорошими шириками и не только: может кто-то попробует состыковать 25ГДН-3-4 и упомянутый Al-100 --- проблем я там не вижу.​
Где-то не сработали тонкости и нюансы.
Я всегда хвалю изодинамики за их спокойную и низко протяженную средину. ругался лишь в сторону "не оправдавших высокого доверия " Хейлов разного калибра. Вот у них средина гадкая, шипилявая, бренчащая, визжащая, какая угодно, но не средина.
Зато наверху Хейлы на высоте, такой вот каламбур. Прекрасно сшиваются с мидами и шириками и тонально и направленностью.
AL100, к ним претензии лишь в плане направленности. АЧХ неплохая, звучат ровно.
 
Выдалась световая минутка и удалось снять на глаз АЧХ своих АС с изопланарным ВЧ динамиком в розовом шуме (в лаборатории фирмы Sica) с добавлением в сигнал дельта-функции Дирака. Примечание: дистанция чуть меньше двух метров (почти место прослушивания), в корпусе АС не было звукоутеплителя. Стыковка полос хорошая, крика на ВЧ нет.​
Принт-скрин-шот прилагаегся.
 

Вложения

  • _2024-04-29-480_org.intoorbit.spectrum.jpg
    _2024-04-29-480_org.intoorbit.spectrum.jpg
    156.3 KB · Просмотры: 156
Выдалась световая минутка и удалось снять на глаз АЧХ своих АС с изопланарным ВЧ динамиком в розовом шуме (в лаборатории фирмы Sica) с добавлением в сигнал дельта-функции Дирака. Примечание: дистанция чуть меньше двух метров (почти место прослушивания), в корпусе АС не было звукоутеплителя. Стыковка полос хорошая, крика на ВЧ нет.​
Принт-скрин-шот прилагаегся.
Привычка к плавным , не похожим на гусениц кривым мешает кричать браво.
 
Привычка к плавным , не похожим на гусениц кривым мешает кричать браво.
На слух замечательно получилось. И это даже без звукопоглотителя. Сам корпус гудит на 100 Гц даже с поглотителем -- проверял голосом ранее.
Ваш ФНЧ рулит!​
 
На слух замечательно получилось. И это даже без звукопоглотителя. Сам корпус гудит на 100 Гц даже с поглотителем -- проверял голосом ранее.​
Проверить корпус голосом даже я не догадался. Инструменто соноре вокале....Блеск!
 
Проверить корпус голосом даже я не догадался. Инструменто соноре вокале....Блеск!
Но это после того, как я махнул слегка. Включил на смарте анализатор спектра и выл в отверстие для НЧ динамика, а смартфон на ЗПМ положил и зырил на экран: назырил в районе 100 итальянских Герц. Герц оказывается был другом итальянцев Вольта и Гальвани.​
 
Хотелось бы вопросить у повторивших АС на основе динамика "1623": как и чем умельцы герметизируют прилегающие поверхности фланца "1623" и лицевой панели -- АС-то закрытого типа. Пластилин не лучший материал, если применить силиконовый герметик (обязательно НЕЙТРАЛЬНЫЙ), то динамик потом не снимешь. Тема простая, но мало освещается -- может её перенести в отдельную "ветку"?​
Больше всех предложенных вариантов (а почитал, почти всё использовал и с силиконами и герметиками) понравилась " шумка" Для проклеивания машин. Покупал лет 8-10 назад, 5 мм, серого цвета. Защитный полиэтилен убираешь, а всё ещё липнет хорошо. Покупал в автомобильном магазине...
 
Принт-скрин-шот прилагаегся.​
Лучше бы хоть с каким усреднением, за деревьями плохо виден лес.
И хамский вопрос. Где-то читал что в советские времена низшая частота безэховой камеры в Москве (МЭИС) была 70 Гц (не густо), наверное, в Риге была лучше, но не сильно. Стоимость камеры растёт по экспоненте при снижении частоты. Sica чем может похвастаться?
 
Лучше бы хоть с каким усреднением, за деревьями плохо виден лес.
И хамский вопрос. Где-то читал что в советские времена низшая частота безэховой камеры в Москве (МЭИС) была 70 Гц (не густо), наверное, в Риге была лучше, но не сильно. Стоимость камеры растёт по экспоненте при снижении частоты. Sica чем может похвастаться?
Рагаццы брави из Sica молодцы конечно, но камеру с отсутствующим эхо мне не предоставили -- я и не обиделся: в "чужой безэховый камера" со своим розовым шумом не ходят. Пришлось измерять на ходу в другом помещении, да ещё Sica'вским розовым шумом. А измерял по быстрому -- на свой специальный смартфон. Хотел наказать их и это ... позаимствовать (как говорил Гекльберри Финн) у них фирменный микрофон со стойкой или все кабели тройным морским узлом завязать, но как бы неудобно стало -- вдруг придётся ещё раз обратиться, а микрофончек ... того и кабели все в узлах. Но при случае попробую ещё раз.
График в шумах (для меня) достаточно легко читается: видим подъём в районе 100 итальянских Герц -- это гудит сам ящик. Попробуем потом ЗПМ пристроить -- только ватин, и вдруг ещё раз удастся снять АЧХ (с аудиополки). Резистор перед ВЧ изодинамиком сделал доброе дело -- понизил уровень ВЧ до аудионормы.
 
Последнее редактирование:
Это были корпуса от С-90, дядь Саш. По Вашему, готовому проекту.

Да - да! _da
Приветствую синьора Дмитрия!
Хотел уточнить чуток: каким материалом Вы корпус своих АС демпфировали? Я применил много хлопкового ватина, причём нижняя часть корпуса (практически половина объёма) была им заполнена. Напротив динамика (на тыльной стенке) закрепил два хлопковых коврика.​
 
Синьор Распони, моё почтение!
Все стенки АС, внутри оклеены нетолстым ватином. На дне, тоже, почти до половины положен распушёный синтепон. Гула или лишних призвуков не замечено.
 
Обить стенки колонки матрасиками из чего угодно точно не повредит звуку, поскольку у нас не басовик ,а широкополосник работает, переотражения в широкой полосе , глушить надо.
 
Синьор Распони, моё почтение!
Все стенки АС, внутри оклеены нетолстым ватином. На дне, тоже, почти до половины положен распушёный синтепон. Гула или лишних призвуков не замечено.
Grazie mille, синьор Дмитрий!
Прикупил банку черной туши, буду потом красить и сушить ватин, чтобы приблизить свойства звукопоглотителя к свойствам абсолютно чёрного тела с точки зрения акустики.
 
Рагаццы брави из Sica молодцы конечно, но камеру с отсутствующим эхо мне не предоставили -- я и не обиделся: в "чужой безэховый камера" со своим розовым шумом не ходят. Пришлось измерять на ходу в другом помещении, да ещё Sica'вским розовым шумом. А измерял по быстрому -- на свой специальный смартфон. Хотел наказать их и это ... позаимствовать (как говорил Гекльберри Финн) у них фирменный микрофон со стойкой или все кабели тройным морским узлом завязать, но как бы неудобно стало -- вдруг придётся ещё раз обратиться, а микрофончек ... того и кабели все в узлах. Но при случае попробую ещё раз.
График в шумах (для меня) достаточно легко читается: видим подъём в районе 100 итальянских Герц -- это гудит сам ящик. Попробуем потом ЗПМ пристроить -- только ватин, и вдруг ещё раз удастся снять АЧХ (с аудиополки). Резистор перед ВЧ изодинамиком сделал доброе дело -- понизил уровень ВЧ до аудионормы.
Синьор Распони, вечер добрый !!
В копилку добрых динамиков внесите изделия от Рагацци Брави , фирмы Sica, пищалочки дивного звука и ровной протяженной АЧХ. Звать их Sica LP82.25/92 TW , недавно применил их в трехполоске , получил прекрасный результат, звук благородный, наполненный, направленность широкая , спад отдачи вне оси мизерный. Динамик заслуживает внимания.

В линейке пищалок этой фирмы несомненная удача это LP66.25 , напоминает известную модель от Monacor DT-25N , цена невелика, малый размер позволяет приблизить пищалку максимально к центру соседнего по полосе мида , ширика или средника.
Сразу скажу, что защитную сетку над куполом лучше удалить , она порождает неравномерность и портит звучание.
 
Синьор Распони, вечер добрый !!
В копилку добрых динамиков внесите изделия от Рагацци Брави , фирмы Sica, пищалочки дивного звука и ровной протяженной АЧХ. Звать их Sica LP82.25/92 TW , недавно применил их в трехполоске , получил прекрасный результат, звук благородный, наполненный, направленность широкая , спад отдачи вне оси мизерный. Динамик заслуживает внимания.
Вот спасибо, хорошо! Буду в Sica -- украду, если разрешат (rubare -- воровать, ladro -- вор)!
А нет ли в них магнитоферрической жидкости? Придётся вытряхивать ёё... Так этот ВЧ скорее всего и в 2-х полоску можно пристроить (например с Визатон BG20)
 
Вот спасибо, хорошо! Буду в Sica -- украду, если разрешат (rubare -- воровать, ladro -- вор)!
А нет ли в них магнитоферрической жидкости? Придётся вытряхивать ёё... Так этот ВЧ скорее всего и в 2-х полоску можно пристроить (например с Визатон BG20)
Точниссимо! Именно в трехполоску со средником типа BG20 эта пищалка поселилась безоговорочно, слитность с Визатоном идеальная. осталось лишь отшлифовать стык СЧ-ВЧ по уровню и в нюансах, типа прозрачность, живость, разборчивость. Звук совершенно не привязан к колонке, направленность широченная. Результат крепко радует.
Вот эта колонка, туда взамен высоко работающего Фостекса FT17H , плохо стыкующегося с широкополосником по частоте и направленности, ставится LP82.25 на родное посадочное место , идеально и без доработки.
В замкнутый объем колонки прекрасно вписался красавец TAD TL1801 дал нижний срез 46 Герц, самое то. Бас превосходен, сам не ожидал.
ПС. Еще бы мне скинуть 20 годиков , чтоб как на фото , а не сейчас.
 

Вложения

  • 1 015.jpg
    1 015.jpg
    497.1 KB · Просмотры: 116
Последнее редактирование:
Буду в Sica -- украду
А нет ли в них магнитоферрической жидкости? Придётся вытряхивать ёё...
Sica наверное произносится как Сича? Знаю ещё два итальянских слова - Чипполино и Чиччолина его сестра. Но мы как-то привыкли к наглоязычному Сика, думаю, большого греха не будет.
Посмотрел что есть в Аудиомании, думаю, во ВСЕХ их пищалках есть магнитная жидкость, увы, это огорчает и очень не нравится "профессиональные", нам надо домашнее. Нравится что купол - шёлк (знаю, что другим это не нравится, им надо что-то звенчащее).
Хотел спросить Бокарёва про фильтр для Sica LP85.25/95TW (8 Ohm) он мне на глаз больше нравится чем Sica LP66.25/N14TW. Первый - на феррите, второй - на неодиме. Удивила скромность цифры отдачи в сравнением с графиком АЧХ, похоже они берут самую нижнюю точку, а дешевые китайцы - высшую. У динамика спад выше 13 кГц (на глаз по графику), но тоже волнует уже мало.
Привлёк внимание самый дешёвый динамик, руки чешутся его заказать и испробовать, это Sica LP38x50.18/N5TW (8 Ohm)
Что понравилось - высота фланца всего 38 мм то есть 2 см от нижнего среза фланца до центра, значит его можно подтянуть к другому динамику очень близко, ближе некуда. Можно на растяжках поставить в центр к большому ШП динамику и добавить ему верх.
Недостаток, УВЫ, резонанс 2200 Гц и частота раздела 4500 Гц :sick:
sica_lp38x50-18n5tw_8_ohm_02.png

АЧХ и особенно импеданс - у меня аж слюни текут. Думаю, для домашней мощности хватит фильтра первого порядка и рискнуть не 4.5 кГц а ниже.
Кто-нибудь слушал эту пищалку?
 
Фильтр для LP82 .25 сложился из двух деталей, емкости в 3.3+2.2 мкф и катухи в 0,4 мГн. Но можно и убавить емкость до 4.7мкф.
Насчет произношения слова Sica , в латыни сочетание С зависит от следующей за ней гласной. Если е, то читается как цэ , а если а. то ка. Кассандра , но Цезарь. Или Чезаре , имя такое итальянское.
Но и там всяко. Цезарь произносился и как кесарь, центурия - как кентурия. Черт ногу сломит.
 
Последнее редактирование:
Насчет произношения слова Sica , в латыни сочетание С зависит от следующей за ней гласной. Если е, то читается как цэ , а если а. то ка. Кассандра , но Цезарь. Или Чезаре , имя такое итальянское. Но и там всяко. Цезарь произносился и как кесарь, центурия - как кентурия. Черт ногу сломит.
Всё-таки, насколько я знаю, не Цезарь, а Чезаре Борджа и наше произношение итальянских слов отличается от итальянского (имеем полное право). Поэтому хочу получить ответ у главного нашего итальянца - графа Распони.
Фильтр для LP82 .25
Наверное, для LP85 ? Кстати, есть на А-мании такой отзыв:
У СИКА в звучание отдаёт пластмассой, плохая проработка разборчивости, если так можно сказать. Я резал их на 3,5Кгц 2 порядком, а надо наверное резать на 5Кгц, может тогда пластмассой меньше отдавать будет.
Лживый навет?
сложился из двух деталей, емкости в 3.3+2.2 мкф и катухи в 0,4 мГн. Но можно и убавить емкость до 4.7мкф.
СПАСИБО. 4,7 мкФ - большая емкостища, а вот катушка несколько огорчает - значит всё-таки второй порядок, первый - никак.
 
Всё-таки, насколько я знаю, не Цезарь, а Чезаре Борджа и наше произношение итальянских слов отличается от итальянского (имеем полное право). Поэтому хочу получить ответ у главного нашего итальянца - графа Распони.

Наверное, для LP85 ? Кстати, есть на А-мании такой отзыв:
У СИКА в звучание отдаёт пластмассой, плохая проработка разборчивости, если так можно сказать. Я резал их на 3,5Кгц 2 порядком, а надо наверное резать на 5Кгц, может тогда пластмассой меньше отдавать будет.
Лживый навет?

СПАСИБО. 4,7 мкФ - большая емкостища, а вот катушка несколько огорчает - значит всё-таки второй порядок, первый - никак.
Идут умники строем в задницу с проработкой разборчивости. Сперва смусолят идиотский шварчащий фильтр, потом гонят пургу про не тот звук.
Сравнить с титаном- наверное будет чем-то помягче отдавать, после скрежета .
Звук на равных со Сканом , АЧХ ровнее ровного. Очень похоже на звук Фостекса FT-48D , он тоже шелковый с покрытием прозрачным.
Фильтр от дяди Саши собран не от балды, а на микрофоне, по результату. И то, что такие емкости сложились, не первый случай. Уже было такое, со Сканами 2905-970000, емкости конские, катушки скромные, ачх ровная. Убавляем емкость-полка влево валится. вместо звука -Ж...
 
Последнее редактирование:

Статистика форума

Темы
3,295
Сообщения
262,016
Пользователи
2,545
Новый пользователь
vlad'mir
Назад
Сверху Снизу