20АС-2, 25АС-421, "Электроника Б1-01". Что внутри?

  • Автор темы Автор темы Meshin
  • Дата начала Дата начала
Я бы просверлил и перед установкой зажимов пропитал материал жидким суперклеем (не гель, а водичка). Тогда будет почти как текстолит.
Для макетов я просто картон пропитывал просто ПВА и делал дополнительные шайбы с резьбой под шуруп из картона пропитанного ПВА. Держалось.
 
С панельками терминалов закончил. Переменник примерил
IMG_20240912_081239.jpg IMG_20240912_081249.jpg IMG_20240912_095506.jpg IMG_20240912_095514.jpg
В нужном месте сделал метку под выступ фиксирующий от вращения корпус резистора
IMG_20240912_095519.jpg
Сделаю углубление
Панели покрасил. Сначала грунтом
IMG_20240912_100410.jpg IMG_20240912_100259.jpg
Затем эмалью
IMG_20240912_100358.jpg IMG_20240912_100349.jpg
Чуть подсохли - убрал на полку подальше от ног и пыли.
IMG_20240912_124803.jpg
Завтра унесу домой.
 
Осталось ручку крутилку подобрать на шкиф плоскую )
 
Кое что имеется.
Есть и круглые. Пластик и алюминий.
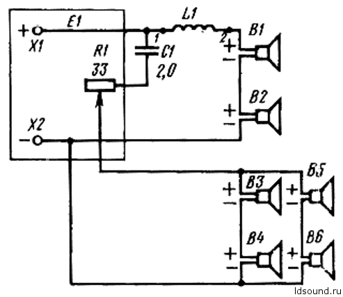
Есть и от галетных переключателей. Ими на ощупь удобно устанавливать положение. Всё же на задней стенке. Но думаю, что для конкретных комнаты и положения АС, будет достаточно одного положения раз и навсегда. Именно поэтому такое включение
Фильтр Sony SS-V750AV — копия.jpg

с шунтированием переменника постоянным резистором. Чтобы отсутствие контакта между ползунком и намоткой подковы в меньшей мере сказывалось на прохождении сигнала.
 
с шунтированием переменника постоянным резистором. Чтобы отсутствие контакта между ползунком и намоткой подковы в меньшей мере сказывалось на прохождении сигнала.
Тогда нужно запастись "звуковыми" резюками, а не кабы какими, белые кирпичики и ПЗВы в топку!
 
Те где есть константан, манганин в низкоомных в общем.
Да и ППЗ-ки до 3 ватт, может есть выше не встречал.
 
Совместил по отверстиям старую и новую пластины терминалов
IMG_20240915_103422.jpg
Прошёлся по окружности тонким шилом обозначив границы приклеивания уплотнителя
И прикрутил сами зажимы.
IMG_20240915_103917.jpg
Видно, что овальное отверстие стало более контрастней. Обе пластины готовы
IMG_20240915_110021.jpg IMG_20240915_110016.jpg IMG_20240915_110039.jpg IMG_20240915_110050.jpg
Осталось установить переменники. Но... Как водится у таких - потери контактов чуть ли не в каждом из положений движка. Один 1969 года, другой 1970! Их пришлось разобрать.
IMG_20240915_113039.jpg IMG_20240915_113054.jpg IMG_20240915_113113.jpg IMG_20240915_113151.jpg IMG_20240915_113205.jpg
Видно, что все посеребрённые поверхности покрыты окисью. С осей были удалены стопорные кольца
IMG_20240915_113629.jpg IMG_20240915_113720.jpg
и "вращалки" были вытащены на свет божий.
IMG_20240915_113740.jpg IMG_20240915_113754.jpg IMG_20240915_113807.jpg IMG_20240915_113906.jpg IMG_20240915_113920.jpg
Видно, что в местах стыков подвижных контактов окиси через чур.
И "вращалки", и сами "тела" резисторов были промыты зубной щёткой и зубной же пастой.
IMG_20240915_115609.jpg IMG_20240915_115622.jpg IMG_20240915_115719.jpg IMG_20240915_115745.jpg IMG_20240915_154240.jpg IMG_20240915_154301.jpg IMG_20240915_154308.jpg
Резисторы были собраны. Бегунок четко отслеживает свое положение. В крайних положениях относительно среднего всегда "0". Соответственно и сопротивление в зависимости от положения. Зависимость линейная.
Где-то были сопротивления МЛТ на 2 W и R=24 ома. Спаяю по три штуки в параллель и присондыбачу к переменникам.
 
Последнее редактирование:
Серебро отлично очищать в растворе лимонной кислоты, завёрнутой в алюминиевую фольгу на пол дня. В итоге как только родилось! ) Цепочки, кольца найдены металлодетектором на морском пляже все в чёрной патине выглядят.
 
Серебро отлично очищать в растворе лимонной кислоты, завёрнутой в алюминиевую фольгу на пол дня. В итоге как только родилось! ) Цепочки, кольца найдены металлодетектором на морском пляже все в чёрной патине выглядят.
буду знать, спасибо! Держал в аммиаке- без толку.
 
Дядь Саша, можно ещё немного соли поваренной добавить в раствор с чайную ложку, точно не помещает, очистка чутка быстрее происходит.
Все эти рецепты о которых я здесь выкладываю опробованные мной за многолетие, так как рядом море с пляжами и в свободное время чтобы отвлечься от дел выходим с приборами на поиски разных побрякушек, потеряшек. В лесополосе рядом есть жилища с 10 века акромя керамики присутствует и металлопластика в избытке, всё это увлекает не хуже выездов на рыбалку ))
 
Я глянул в сети - самый простой и быстрый, это зубная паста/порошок и щетка. 6 сек и всё! По крайней мере все точки контактов очищены.
Со всей остальной "химией" возиться не хотел. Время...
 
Я глянул в сети - самый простой и быстрый, это зубная паста/порошок и щетка. 6 сек и всё! По крайней мере все точки контактов очищены.
Со всей остальной "химией" возиться не хотел. Время...
Не катит очистить контакты в ламповых октальных панельках. А именно с ними проблема всегда.
 
Я, как лентяй октальные контакты полировал бормашинкой самой нежной резиночкой из магазина зубной техники, чтоб покрытие не стереть. А более грубая резинка сильно окисленные места под пайку чистит, потом без канифоли даже лудится.
 
Вчера вечером вытащил все "сусеки" с резисторами. Под требуемое подошли эти:
IMG_20240916_211832.jpg
22,0 ома и 1 ватт. В параллель три штуки - по сопротивлению подходят, по мощности нет. Отложил в сторону.
Решил эти:
IMG_20240916_211858.jpg
Но тоже отложил. Длинные, вывода короткие. Дополнительная пайка. Характеристики в сети искать н стал.
И выбрал эту пару
IMG_20240916_211906.jpg
Отторжения такие резисторы вообще не вызывают. Почти одинаковы по Re как и переменники. Поэтому использовал их. Сделал хорошую полуду на контактных площадках всех резисторов и спаял
IMG_20240917_082405.jpg IMG_20240917_082412.jpg IMG_20240917_092937.jpg IMG_20240917_092956.jpg IMG_20240917_093252.jpg IMG_20240917_093304.jpg
чтобы было всё по феншую и сопротивление резистора убывало при вращении в нужную сторону - впаял перемычки
IMG_20240917_093656.jpg IMG_20240917_094226.jpg
Если что, то данные резисторы, имею в виду ПЭВ, в звуковом диапазоне никакой индуктивной составляющей не обладают. Хоть гвоздь в них засовывай, хоть феррит.
Переменник ПП3-4 тоже.
 
Довёл до ума.
Установил переменники предварительно чуть высверлив в уготованном месте отверстие нужной глубины чуть меньшего диаметра чем фиксирующий выступ на теле резистора
IMG_20240925_103751.jpg
Тонким жалом отвёртки создал углубление в виде щели до самого дна углубления
IMG_20240925_103801.jpg
Резистор встал как вкопанный.
IMG_20240925_103824.jpg IMG_20240925_103844.jpg IMG_20240925_103927.jpg IMG_20240925_103948.jpg
Подрал более-менее приличные гайки с круглыми шайбами.

IMG_20240925_104023.jpg
Зубчатые применять не стал. Затянул
IMG_20240925_105229.jpg IMG_20240925_105235.jpg
И законтрил вторыми гайками.
IMG_20240925_105332.jpg IMG_20240925_105339.jpg
Есть алюминиевый чернёные ручки от Теславского усилителя. Вроде бы...
И есть от какого-то прибора примерно похожи на теславские. Как раз под шестимиллиметровые оси.
Катушек, кондеров как у дурака махорки. Где-то после середины октября начну пожалуй сборку акустики.
 
Есть алюминиевый чернёные ручки от Теславского усилителя.
Нашлась на работе пара крутилок со старинного прибора. Решил установить именно их. Они рифлёные и хваткие. Наощупь, легко понимается положение оси резистора если начинать вращение от какого-либо крайнего положения. Отмыл. Белым маркером нанёс на торец полоски в виде колец. Теперь осталась только установка.
IMG_20241007_062112.jpg IMG_20241007_062121.jpg IMG_20241007_062150.jpg
 
Нашлась на работе пара крутилок со старинного прибора. Решил установить именно их. Они рифлёные и хваткие. Наощупь, легко понимается положение оси резистора если начинать вращение от какого-либо крайнего положения. Отмыл. Белым маркером нанёс на торец полоски в виде колец. Теперь осталась только установка.
Посмотреть вложение 111177 Посмотреть вложение 111179 Посмотреть вложение 111180
Есть похожие с венгерского лампового прибора.
 
Там же изначально нет никаких крутилок. Задняя панель место приличной вибрации, а вдруг лишняя масса на потенциометре даст ему повышенный износ от расколбаса?
 

Вложения

  • 017.jpg
    017.jpg
    47.6 KB · Просмотры: 82
  • 016.jpg
    016.jpg
    46.1 KB · Просмотры: 72
  • 008.jpg
    008.jpg
    29.9 KB · Просмотры: 90
  • 006.jpg
    006.jpg
    60.3 KB · Просмотры: 85
Колхоз может какойто, у меня были с завода без излишеств
В 79 году не ставили, а на фото наверное более ранняя версия
Хотя были на кобальте, а на фото феррит, наверное динамики менялись
 
Последнее редактирование:
Там же изначально нет никаких крутилок.
Есть!

Колхоз может какойто, у меня были с завода без излишеств
В 79 году не ставили,
Смотрим пост #1 темы и #32. В том корпусе было только отверстие для провода! В этом корпусе всё как на фото из #381. И я рад этому.
 
Я про то что там никаких "пластиковых крутилок" не было. Мой ответ был конкретный
Был потенциометр без пластиковой "крутилки"

Сейчас погуглил и действительно там были ручки но..
Вот такая версия была без ручек как в обьявлении, с шильдиком по центру, с серым пластиком и на кобальте https://www.avito.ru/sankt-peterbur...ka_b1_01_4091804682?slocation=652100#extended
И у меня такая же есть! Никто их там не снимал, их просто не было с завода
Остальные значит с ручками
 
Позавчера собрал динамики.
Т.е 10,08,24.
И только вчера проверил измерителем иммитанса. На частоте измерения в 1000 Герц у НЧ с целым колпаком:
R=8.52 Ohm, L=479 uH, Q=0.351. Re=5.7 Ohm.

У НЧ с выправленным колпаком:
R=8.55 Ohm, L=488 uH, Q=0.358. Re=5.8 Ohm.
Ждут своего часа.
 
Вот крутилки.
 

Вложения

  • WhatsApp Image 2021-10-06 at 21.33.36-01.jpg
    WhatsApp Image 2021-10-06 at 21.33.36-01.jpg
    105.4 KB · Просмотры: 86
  • WhatsApp Image 2021-10-06 at 23.33.20.jpg
    WhatsApp Image 2021-10-06 at 23.33.20.jpg
    116 KB · Просмотры: 76
  • WhatsApp Image 2021-10-07 at 02.09.25.jpg
    WhatsApp Image 2021-10-07 at 02.09.25.jpg
    159.4 KB · Просмотры: 93
Сегодня, корпуса будущих АС привёз домой.
IMG_20250223_142044.jpg IMG_20250223_142106.jpg IMG_20250223_142113.jpg IMG_20250223_142121.jpg
Хотел до Нового Года, но случилось только сейчас.
Про эти корпуса, динамики, написано выше. Может и придётся переносить в новую тему.
 
Так как все сверления под отверстия динамиков НЧ / СЧ / ВЧ уже были и в них даже нарезана (пройдены сверления теми саморезами на которых будет крепёж динамиков) резьба, для крепления НЧ тоже. Всё же решил НЧ динамик крепить на болты Мх5 с такими же круглыми головками под шестигранник и врезными гайкам под упомянутые болты. Они были куплены. В один из выходных решил эти гайки установить. Подобрал сверло на одну десятку меньше чем диаметр гайки - 6,4 / 6,5 и для пробы произвёл посадку гайки в обычную деревяшку
IMG_20250308_144630.jpg IMG_20250308_144704.jpg
Болтом с соответствующей резьбой через шайбу под головкой болта, с разгона,
IMG_20250308_144732.jpg IMG_20250308_144930.jpg
гайка была впрессована
IMG_20250308_144924.jpg IMG_20250308_144955.jpg IMG_20250308_145006.jpg
Всё прошло удачно гайку подцепив отвёрткой вытащил. Особого труда это не составило. Простая древесина. Мягкая. Для такой нужно сверло диаметром на 2....3 десятки меньше чем тело гайки. Тогда гайка будет держаться более надёжно. Но так как в корпусе акустики фронтальная панель была из фанерованной ДСП, то и десятки в минусе отверстия вполне достаточно.
Один из корпусов вместе со всеми атрибутиками притащил на кухню
IMG_20250308_165648.jpg
В два захода рассверлил отверстия под гайку. Сначала сверлом на 5,2 (такое подвернулось)
IMG_20250308_165859.jpg
А затем нужным
IMG_20250308_170040.jpg
Так как первые отверстия под саморезы я сверлил установив дрель по угольнику, чтобы отверстие было строго вертикальным (надо подумать на конструкцией кондуктора), то последовательные сверления с увеличением диаметра позволило сохранить вертикальность сверления и не задрать край отверстия. Прошёлся пылесосом
IMG_20250308_170245.jpg IMG_20250308_170248.jpg
И чуть "намазав" гайку Моментом
IMG_20250308_170555.jpg
Так же, через шайбу, с разгона, на максимальном усилении редуктора, загнал все четыре гайки.
IMG_20250308_170812.jpg IMG_20250308_170819.jpg IMG_20250308_170828.jpg IMG_20250308_171202.jpg IMG_20250308_171212.jpg
Такой же процедуре подвергся корпус второй АС
IMG_20250308_171337.jpg
Со сменой болта конечно же и уже через две шайбы. Так как одной маловато было....
В этот выходной, вполне возможно, начну заниматься установкой динамиков!
 

Статистика форума

Темы
3,341
Сообщения
268,254
Пользователи
2,573
Новый пользователь
Layk
Назад
Сверху Снизу