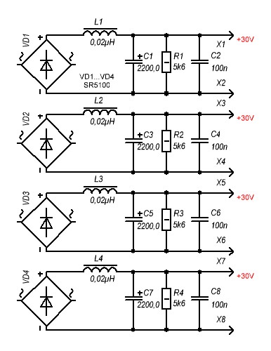
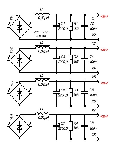
Измерение 14 штук КП801А, все новые, все выпуска мая 1984г, импульсным методом. Вертикальная линия - ток стока, мА, горизонтальная - напряжение смещения, V. Интересно, что 7 штук с граничным напряжением примерно -14,6V и 7 штук с граничным напряжением примерно -11,1V, хотя все из одной партии.
Также привожу замеры семейств тока стока от Vds хорошей и заметно похуже четверок, а также хорошей пары, номера транзисторов можно увидеть в таблице на картинке. Замеры сделаны для Vds = 20V и серии значений Vgs = от 0V до -15V с шагом 1V. Вертикальная линия - ток стока, мА, горизонтальная - напряжение стока, V.
Из таблицы видно что можно подбирать и по значениям Rds измеренному хорошим прибором при Ug=Us=0 или по значениям Ud при котором Id равно, как в моем примере, 3А.
Также привожу замеры семейств тока стока от Vds хорошей и заметно похуже четверок, а также хорошей пары, номера транзисторов можно увидеть в таблице на картинке. Замеры сделаны для Vds = 20V и серии значений Vgs = от 0V до -15V с шагом 1V. Вертикальная линия - ток стока, мА, горизонтальная - напряжение стока, V.
Из таблицы видно что можно подбирать и по значениям Rds измеренному хорошим прибором при Ug=Us=0 или по значениям Ud при котором Id равно, как в моем примере, 3А.







