Электронный фильтр и стабилизаторы

  • Автор темы Автор темы Aleph
  • Дата начала Дата начала

Aleph

1 ранг
Регистрация
31 Дек 2019
Сообщения
3,244
Реакции
3,061
Баллы
129
Возраст
40
Страна
ДНР
Город
Макеевка
Имя
Сергей
В интернете вроде бы завалено этими электронными дросселями, но при этом постоянно пишут что дескать что-то не так включили в выложенной схеме, забыли резистор, или ещё что-то и он не будет работать правильно. Поэтому прошу выложить отработанный в своих конструкциях вариант дросселя. Только пожалуйста с платой, а то я такой безголовый в каменных делах что без готовой разводки не рискну.

Заодно предлагаю тут выкладывать свои, в смысле которые сами используете, схемы и разводку стабилизаторов питания/второй сетки и накалов. Накалы не так часто стабилизируют а вот вторая сетка дело нужное.
 
Спасибо, Юрий. Жаль только печатки нет :rolleyes:
Я же правильно понимаю что если в делителе (4 рисунок) вместо нижнего резистора поставить стабилитрон, то получится стабилизатор годный для 2-й сетки?
 
У стабилитрона есть минимальный ток, который у мощных стабилитронов приличный. И этот ток нужно задать верхним резистором, при этом стабилитрон может греться и ему понадобится радиатор и так далее.
 
Стабилизатор только для второй сетки - это, как говорят, 3,14здец. Сеть гуляет(даже по ГОСТу), а сетка как вкопаннаая...
 
зато можно важно и таинственно убеждать других в прорывном звучании лампы с стабилизированной экранной сеткой. Ах, у вас сетка не стабилизирована? Ну что вы, вот поэтому у вас и не звучит, батенька!
Видимо, банки в пару сотен мкф в экрансетке сильно недостаточно для полета конструкторской мысли.
 
Aleph
Посмотрите у Карпова, там много чего есть, и по стабилизаторам.
 
Железный дроссель - правильный дросель. Но если правильно сделан ЭД, и в корректоре, и в мощнучем двухтакте, и в однотакте...
 
У железного дросселя одно преимущество, малое падение напряжения, всё.
У ЭД надо иметь запас напряжения, чтобы нормально работал, примерно 50в.
Зато можно сделать любую автоматику...
 
Карпов в статье про ЭД все очень подробно рассказал, добавить нечего.
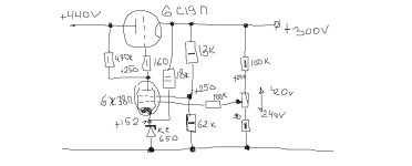
Единственное, что хочется сделать сегодня- заменить стабилизатор на полевике на ламповый. 6ж38п +6с19п, на коленке сочинил- пашет!
 

Вложения

  • Стаб    -с миру по нитке-.jpg
    Стаб -с миру по нитке-.jpg
    96.7 KB · Просмотры: 322
В интернете вроде бы завалено этими электронными дросселями, но при этом постоянно пишут что дескать что-то не так включили в выложенной схеме, забыли резистор, или ещё что-то и он не будет работать правильно. Поэтому прошу выложить отработанный в своих конструкциях вариант дросселя. Только пожалуйста с платой, а то я такой безголовый в каменных делах что без готовой разводки не рискну.

Заодно предлагаю тут выкладывать свои, в смысле которые сами используете, схемы и разводку стабилизаторов питания/второй сетки и накалов. Накалы не так часто стабилизируют а вот вторая сетка дело нужное.
тут есть готовый вариант с печатью http://tec.org.ru/board/prochee_oborudovanie/istochniki_pitanija_platy/pwr_e_filter/275-1-0-2909
 
если мощности биполярного транзистора в стабилизаторе не хватает , то добавляют нужное количество параллельно соединенных транзисторов , но они разные и нужно уровнять токи на них , для этого в эммитер (ну или коллектор - по ситуации) каждого регулирующего транзистора включают уравнивающий резистор маленького номинала .
вопрос вот в чем - эти резисторы ставят "от балды" примерно около Ома или есть для них расчет , в зависимости от тока ?
 
если мощности биполярного транзистора в стабилизаторе не хватает , то добавляют нужное количество параллельно соединенных транзисторов , но они разные и нужно уровнять токи на них , для этого в эммитер (ну или коллектор - по ситуации) каждого регулирующего транзистора включают уравнивающий резистор маленького номинала .
вопрос вот в чем - эти резисторы ставят "от балды" примерно около Ома или есть для них расчет , в зависимости от тока ?
Ты мне напомнил одного спеца, сперва спросит в телефон, потом продублирует на форуме.
Резисторы отжирают полезный ток, нельзя их делать очень большими, поэтому от силы тока и резтстор, от 0,1-0,2 Ома до Ома.
 
Эт точно, от балды" примерно 0,1-1 ома
 
Карпов в статье про ЭД все очень подробно рассказал, добавить нечего.
Единственное, что хочется сделать сегодня- заменить стабилизатор на полевике на ламповый. 6ж38п +6с19п, на коленке сочинил- пашет!
О, вы вернули меня в молодость, вспомнилось, когда-то и я такой делал на огромной дуре 6с33с, только у меня стабилитроны были ламповые, и при работе весело светились. А кенотрон тоже был такой формы, как 6с33с, не помню его названия. Конденсаторы бумажные кубики. Макет занимал пол-стола - ужосSOS Help
 
Я писАл, примерно 0,1-1 ома

Опять лажа, пишу 0,1 ома до 1 ома, посмотрим что

Опять шпиёнки с Бангладеш...(Владимир Семёнович, ес-нно Высоцкий
 
а вот и фигвам ....а не от балды
нашел таки формулу )))
R= (0.5*N )/I
где N количество транзисторов
I ток в А

или подбирать резисторы так , чтобы падение на них было в пределах 0.7 или 1В
 
Последнее редактирование:
"Выписал", скоро придет - вот такой...
Screenshot_2025-07-23-19-49-17-520_ru.yandex.searchplugin.jpg
 
"Выписал", скоро придет - вот такой...
Посмотреть вложение 144169
Два косяка сразу. Точнее три, один грубый. Транзистор полевой регулирующий с индексом ZFP означает, что внутри встроен защитный зенер, стабилитрон, довесок снаружи в виде стабилитрона -не нужен.
Дросселек на выходе в истоке может сработать подлую вещь, превратить фильтр в трехточку, с генерацией , неустранимой. Там резистор нужен, небольшой, развязка .
А на входе стаба нужен крохотный резистор Ом на 30-40 0,25 ватта, врезанный в сток. Чисто защита от кз по питанию.

вот моя схемка, тоже рабочая. https://ldsound.info/usilitel-ab4-dvuxtaktnik-na-lateralax-s-lampoj/
 
Последнее редактирование:
В затвор пленку, бумагу, но не электролит с его токами утечки.
 
превратить фильтр в трехточку, с генерацией
Применил єлектронньій фильтр один раз, увидел генерацию и больше не применяю
Увидел, потому что осциллографом, а так бьі имел проблемьі
Железньій Др5-0,08 решает все проблемьі (в моем случае)
Небольшой и надежньій
 
Железньій Др5-0,08 решает все проблемьі (в моем случае)
Небольшой и надежньій
_da
Как и железные балласты для ЛДС, которые сейчас добываются на мусорках или за денюху совсем малую на барахолках.
их на любой вкус/цвет/ток
Знімок екрана 2025-07-23 о 23.36.04.png
 
Последнее редактирование:
В затвор пленку, бумагу, но не электролит с его токами утечки.
Абсолютно верно! Намучился с непонятным поведением электролитов в затворе. давно ставлю туда пленку на 2-3 мкф и зарядный резистор на 5 мОм.

Применил єлектронньій фильтр один раз, увидел генерацию и больше не применяю
Увидел, потому что осциллографом, а так бьі имел проблемьі
Железньій Др5-0,08 решает все проблемьі (в моем случае)
Небольшой и надежньій
Железка не обеспечит плавного подъема анодного.
 
Последнее редактирование:

Последние сообщения

Статистика форума

Темы
3,316
Сообщения
264,971
Пользователи
2,552
Новый пользователь
Dmaren55
Назад
Сверху Снизу