Электронный фильтр и стабилизаторы

  • Автор темы Автор темы Aleph
  • Дата начала Дата начала
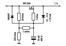
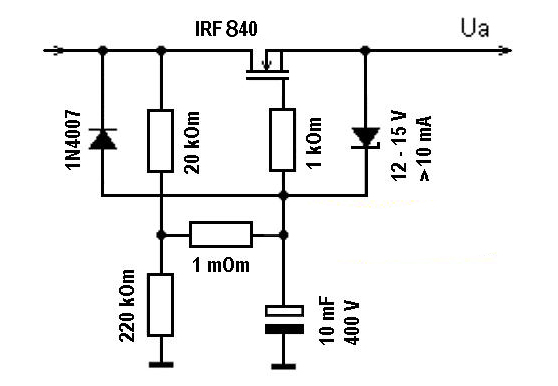
Электронный фильтр при помощи 2х стабилитронов на 150В ловко превращается в стабилизатор с достаточной для питания корректора стабилизацией, при наших сетях в которых +- 10В плавает за несколько секунд это крайне полезно и задержку делать тоже легко.
 
Электронный фильтр при помощи 2х стабилитронов на 150В ловко превращается в стабилизатор с достаточной для питания корректора стабилизацией, при наших сетях в которых +- 10В плавает за несколько секунд это крайне полезно и задержку делать тоже легко.
В том и фокус, что стабилитроны на 100вольт и малый ток- КС600А - есть, успешно применяются. А если мне надо 250 воль? 350 вольт?
Одно время пробовал ставить в роли стабилитронов сапрессоры Р6КЕ , но там положительный ТКН . И неустойчивый режим работы.
Вышел на диоды в состоянии пробоя, Д220, прелесть. Диапазон от 150 до 270 вольт, выбирай любой.
 
В том и фокус, что стабилитроны на 100вольт и малый ток- КС600А - есть, успешно применяются. А если мне надо 250 воль? 350 вольт?
Одно время пробовал ставить в роли стабилитронов сапрессоры Р6КЕ , но там положительный ТКН . И неустойчивый режим работы.
Вышел на диоды в состоянии пробоя, Д220, прелесть. Диапазон от 150 до 270 вольт, выбирай любой.
Много лет тому назад в Радио (год 1972-й или около этого) читал про такой режим работы Д220. Но не пригодилось
 
Пришел, набор...
- все норм, схема, плата, ЭРИ
- был единственный вопрос по цветовой маркировке номиналов резисторов..., и неопознанному изделию на фото - оказался дроссель...
IMG_20250725_124250.jpg
 
Сначала, меня пристыдили- что не знаю таблицу цветовой маркировки номиналов резисторов...( это оказывается просто, как таблица умножения...)
- тестер расставил все на свои места, без таблиц...
 

Вложения

  • маркировка резисторов.png
    маркировка резисторов.png
    1.1 MB · Просмотры: 99
Сначала, меня пристыдили- что не знаю таблицу цветовой маркировки номиналов резисторов...( это оказывается просто, как таблица умножения...)
- тестер расставил все на свои места, без таблиц...
Вы не одиноки во Вселенной. Я тоже не знаю НА ПАМЯТЬ таблицу цветовой маркировки, разве что кроме 2 это красный. И что? А ничего.
Ищу вместо этой полосатой сволочи нормальные резисторы с нормальными обозначениями.И как-то живу с этим.
 
А если мне надо 250 воль?
Ну, да. Надо ж точно, до вольта, а других же стабов вообще нету. 531-х, телевизионных, например. Или слепить стабилизатор с опорой в 31 В, а на второй вход подать делителем напряжение с выхода - никак невозможно. Утопия.

Прям стена вокруг, как у Эдгара Алана По. И сжимается.
 
Не розумієшся ти, Вікторе, на ковбасних обрізках. То ж потрібно принципами поступитись. Замість параметричного компенсаційний стабілізатор напруги виготовити. Це ж загальний зворотній зв'язок потрібно використати, прости Господи. А непохитна віра дядька бокарьова того не припускає.
 
Последнее редактирование:
ХЗ, чего там учить, в цветовой маркировке резисторов. Я лет 15 их в руки не брал, но 3к9 =
оранжевый, белый, два чёрных (нули) + разброс, золотой или серебряный.

2к4 = красный, жёлтый, два чёрных, допуск.

1 - коричневый,
2 - красный,
3 - оранж,
4 - жёлтый
5 - зелень
6 - голубой
7 - фиолет,
8 - серый
9 - белый
0 - чёрный
Вот пятикольцовых не помню, не юзал.
 
Приветствую всех , хочу использовать данную схему для напряжения 550 вольт на выходе , какой полевик можно использовать вместо irf840 (он на 500 вольт) , есть в наличии 10N60C подойдет ? Ток потребления небольшой -2 балона 6э5п в српп .
 

Вложения

  • 6.jpg
    6.jpg
    47.5 KB · Просмотры: 62
Приветствую всех , хочу использовать данную схему для напряжения 550 вольт на выходе , какой полевик можно использовать вместо irf840 (он на 500 вольт) , есть в наличии 10N60C подойдет ? Ток потребления небольшой -2 балона 6э5п в српп .
Ламповый стаб на 6с19п снимет все проблемы.
 
Александр спасибо за отзывчивость. Алаверды, на добрую память, и для пользы дела. Делал стабилизатор для лампового входа Линсли Худа АБ-4, защита на 3-х деталях, выручала несколько раз. Номинал измерительного резистора на выходе рассчитывается просто, напряжение насыщения у ВС546 0,6 В, делим его на желаемый ток к.з., получаем нужный номинал. В качестве нагрузки использовался мощный потенциометр, на котором для получения 16 мА предварительно выставлено 17,2 кОм, накальная обмотка нагружена 6Н8С, ток накала 0,6 А. Напряжение в сети 231 В, на эквиваленте нагрузки 280 В, накал 6,24 В. Более точно расчетное напряжение 275 В можно получить подбором стабилитронов, у них технологический разброс до 7 вольт. Таким образом, стабилизатор получился то, что надо.
 

Вложения

  • Стабилизатор 275 В схема.GIF
    Стабилизатор 275 В схема.GIF
    27.1 KB · Просмотры: 133
  • Стаб 275 В Линсли Худа.png
    Стаб 275 В Линсли Худа.png
    93.7 KB · Просмотры: 118
  • Стаб 275 В внешний вид.JPG
    Стаб 275 В внешний вид.JPG
    363.2 KB · Просмотры: 100
  • DSC00576.JPG
    DSC00576.JPG
    276.8 KB · Просмотры: 94
Александр спасибо за отзывчивость. Алаверды, на добрую память, и для пользы дела. Делал стабилизатор для лампового входа Линсли Худа АБ-4, защита на 3-х деталях, выручала несколько раз. Номинал измерительного резистора на выходе рассчитывается просто, напряжение насыщения у ВС546 0,6 В, делим его на желаемый ток к.з., получаем нужный номинал. В качестве нагрузки использовался мощный потенциометр, на котором для получения 16 мА предварительно выставлено 17,2 кОм, накальная обмотка нагружена 6Н8С, ток накала 0,6 А. Напряжение в сети 231 В, на эквиваленте нагрузки 280 В, накал 6,24 В. Более точно расчетное напряжение 275 В можно получить подбором стабилитронов, у них технологический разброс до 7 вольт. Таким образом, стабилизатор получился то, что надо.
За плату низкопоклонный респект Вам на добром слове!
Я иногда ставил параллельно первичной обмотке гаситель переходных процессов из резистора 100 Ом (2 Вт) и конденсатора 0,1 мкФ на 630 вольт (на 1000 вольт даже лучше). А выключатель ставил "двухразрывный"
 
Последнее редактирование:
ставил параллельно первичной обмотке гаситель переходных процессов из резистора 100 Ом (2 Вт) и конденсатора 0,1 мкФ
Для того, чтобы такой "гаситель" работал, как положено, его надо рассчитывать индивидуально под каждый трансформатор. Или собрать quasimodo: https://www.diyaudio.com/community/...rmer-snubber-using-quasimodo-test-jig.243100/
А можно и не заморачиваться. )))
 
Для того, чтобы такой "гаситель" работал, как положено, его надо рассчитывать индивидуально под каждый трансформатор. Или собрать quasimodo: https://www.diyaudio.com/community/...rmer-snubber-using-quasimodo-test-jig.243100/
А можно и не заморачиваться. )))
Вообще эти номиналы приведены из книги, на тему что-то про помехи в сети.
 
Вообще эти номиналы приведены из книги, на тему что-то про помехи в сети.
Ви ж читаєте англійською, сеньоре Распоні?
Настійливо раджу сходити за наведеним вище посиланням і прочитати. Номінали елементів, що входять до снабберу, не вибирають
за заповітом казкового Балди, а ретельно обчислюють, або налаштовують на натурі.
 
О люди, буду стоять на своём месте: тока што ради интереса набрал в гугловике "гаситель переходных процессов". Интеллектуальный интеллект первым вызвался ответить, хотя его и не спрашивал. Сказал ИИ, что это цепь из 100 Ом 2 Вт и конденсатор 0,1 мкФ 630 вольт. Проще варистор запузырить и открыть пузырёк потом
 
А откуда ИИ берет информацию? - чаще всего из википедии. А туда это попало из учебника времен царя гороха. _hm_
 

Вложения

Статистика форума

Темы
3,301
Сообщения
262,706
Пользователи
2,544
Новый пользователь
vlad'mir
Назад
Сверху Снизу