Юрий Робертович
1 ранг
- Регистрация
- 13 Окт 2019
- Сообщения
- 4,961
- Реакции
- 1,585
- Баллы
- 107
- Возраст
- 69
- Страна
- Россия
- Город
- Свердловкая обл.
- Предупреждений
- 5
Смотрите видео ниже, чтобы узнать, как установить наш сайт в качестве веб-приложения на домашнем экране.
Примечание: Эта возможность может быть недоступна в некоторых браузерах.
И не нужно туда ГТ806 совать - в ОК и П215 пойдуттурист у него есть так что трансы есть

Кинап 6у34 без смещения, поэтому хрустит. Нужно добавлять смещение и термостабилизацию.Такой Кинап у него уже есть![]()
Там монтаж выходного каскада на гребёнке на радиаторе и трансформаторе - добавляй-не хочу (если знать и уметь))). Очень тяжёлое массивное шасси и корпус, большие радиаторы. Можно выдрать трансформатор, плату, радиаторы и собрать на дощечкеНужно добавлять смещение и термостабилизацию.

Владимр, может хватит начинать показывать очередное своё высокомерие.Ваш готовый усилитель ну он не совсем тот, который нужен для гитарного звука. Нужно повышенное выходное сопротивление и круглый клип. У вас же типичный ООСный усилитель с низким Rвых и довольно жестким клипом. Для канала чистого звука в общем то пойдет, для тяжелых стилей непригоден.
Покупать ГТ806 по цене как за пару 5200 1943 это просто выброшенные деньги. П605 я вам могу бесплатно отправить, только доставку оплатите. Много, более 200 шт.


ГТ806 в таком месте противопоказаны. Гореть будут. А обратный диод БЭ будет жрать мощность от драйвера.Там монтаж выходного каскада на гребёнке на радиаторе и трансформаторе - добавляй-не хочу (если знать и уметь))). Очень тяжёлое массивное шасси и корпус, большие радиаторы. Можно выдрать трансформатор, плату, радиаторы и собрать на дощечке
В Питере низкоомные терморезисторы попадались...можно МП25 с соединёнными К-Б поставить.
Если использовать ГТ806- только с обратным диодом Б-Э. И защитным Э-К. - по механике легко встанут вместо П210.
Была мысль использовать П605 с эмиттерным резистором 1 ом и КТ837 (параллельно). За начальный участок ответит германиевый транзистор, а за мощность - кремниевый (попробуйте в своём усилителе))).


Маскирующее действие постороннего шума или музыки проявляется выше всего на низких частотах, поэтому первым делом убираете бумкающие звуки . Без басовой составляющей баланс музыки улетает вверх, значит , нужно подвалить верха вежливо, оставив достаточную средину . Вариант кухонной радиоточки. И уровень накрутить по уму. чтобы речь не забивало. Пара шириков вместо эстрадных бумцыков будет куда полезнее в таком варианте.Я работаю вот на таком аппарате
Artec PMD3 э, динамик гитарный по низам слабоват, но мне больше не надо
В оконечнике какой-то 18 ватный д класс который работает только на восемь ом для любых хамбакерных гитар нужен делитель на входе там практически смд монтаж в преампах - делать делитель некому
Комбик удобный в работе, но процессор + d-class не то чтобы утомляет.
Просто такой сбалансированный рафинированный звук.
У него есть родной блок на 15 в, но я беру двенадцативольтовый.
В этом Заведении главное правило - выстроить громкость так, чтобы не мешать людям разговаривать и это очень сложный момент - без пищалки вообще ничего не получится.
То есть громкость такая невысокая и при этом надо более-менее вырулить все частоты.
Минусовки у меня не нормализованные
То есть разные по громкости.
Кинап меня всем устраивает кроме веса и того что это не является готовым продуктом во-первых радиаторы на п210 надо снимать они очень большие и тяжёлые
Всё смонтировано на алюминиевой крашеной раме рама выполняет функцию только рамы. Рама не токопроводящая.
Короче я со своим уровнем знаний не справляюсь
Посмотреть вложение 99977Посмотреть вложение 99978
Меня в нём абсолютно всё устраивает кроме того что нет схемы на моего на мой вариант в сетиКинап 6у34 без смещения, поэтому хрустит. Нужно добавлять смещение и термостабилизацию.
На маленькой громкости отлично работает двухполосная система широкополосники дают просто провалМаскирующее действие постороннего шума или музыки проявляется выше всего на низких частотах, поэтому первым делом убираете бумкающие звуки . Без басовой составляющей баланс музыки улетает вверх, значит , нужно подвалить верха вежливо, оставив достаточную средину . Вариант кухонной радиоточки. И уровень накрутить по уму. чтобы речь не забивало. Пара шириков вместо эстрадных бумцыков будет куда полезнее в таком варианте.
чего провал? Где Остап Ибрагимович билеты продавал?На маленькой громкости отлично работает двухполосная система широкополосники дают просто провал
О музыке в шумном кафе которое звучит очень тихо не слышно вообще ничего нету ни середины ничегочего провал? Где Остап Ибрагимович билеты продавал?
У вас по итогу АЧХ в виде купола, какой нахрен провал, вы о чем ваще?
в туристе три транзистора всего ,где много деталей????
мостовую схему можно попробовать. на крайний случай пару вентиляторов для обдува воткнуть.Создал отдельную тему, так все переехали сюда свои срачи устраивать,
Вот есть аккорд 201 стерео и Вега 101 стерео у аккорда номинал вроде 4 Вт
Мостовая схема для аккорда вполне же подойдёт? я вряд ли когда его включу громче чем на 7-10 Вт или в мостовой схеме нужно огромное охлаждение ВК?
зачем этот огород когда можно от Астры получить 10вт? при 27в питаниимостовую схему можно попробовать. на крайний случай пару вентиляторов для обдува воткнуть.
Я от астры в стоке не смог получить 5 Вт питание те которые прописаны у неё в паспорте 5 ВТ номинал 10 Вт максимальное Я получил от силы 2 Втзачем этот огород когда можно от Астры получить 10вт? при 27в питании
Может только мне кто-нибудь на русский язык переведёт что куда втыкать на схеме, я эти треугольнички воспринимаю как операционники и ничего не понимаюмостовую схему можно попробовать. на крайний случай пару вентиляторов для обдува воткнуть.
переделай как на схеме и получишь 10 вт от 28в точно а если 4ом подключать то и большеЯ от астры в стоке не смог получить 5 Вт питание те которые прописаны у неё в паспорте 5 ВТ номинал 10 Вт максимальное Я получил от силы 2 Вт
Без преампа
да просто правый канал к одному выходу инвертора левый к другому. динамик между выходами и не заземляется. чего там сложного то?Может только мне кто-нибудь на русский язык переведёт что куда втыкать на схеме, я эти треугольнички воспринимаю как операционники и ничего не понимаю
А нюансы питание куда подавать?да просто правый канал к одному выходу инвертора левый к другому. динамик между выходами и не заземляется. чего там сложного то?
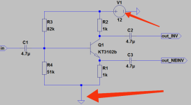
нюансы простые- схема инвертора на одном транзисторе,если взять pnp транзисте кт3107 или кт361 то питание можно перевернуть и питать оттуда же откуда усилки. правда ему надо стабилизированное иначе фонить будетА нюансы питание куда подавать?
СВЧкакой-то 3127А
Мне вот тут ничего непонятно номиналы не написаныА что сложного то? Как мост строится? Для того чтобы получить один канал моста нужно два усилителя, один входом на прямой выход инвертора другой на инверсный, динамик включается между выходами усилков. А вход фазоинвертора становится входом этой чудесной конструкции, внимательно, надо смотреть хватит ли выходникам тока- ибо он удваивается в нагрузке.
Посмотреть вложение 99874
ты собственную тему не читал? Или что? какие ещё номиналы нужны то?Мне вот тут ничего непонятно номиналы не написаны