Готовый модуль предусилителя на AD828

  • Автор темы Автор темы KSV
  • Дата начала Дата начала

KSV

1 ранг
Регистрация
10 Июн 2020
Сообщения
6,986
Реакции
7,337
Баллы
257
Страна
Россия
Город
Москва
Имя
Сергей
На Али и у перепродавцов (раньше их называли спекулянтами) продают красные красивые модули. Стоимость - полдоллара.
AD828.jpg

Вот так он выглядит. Хорошо видны все номиналы, почти все соединения.
Есть точно такие же модули, но с другими названиями, например, "микрофонный усилитель", бывает что ставят микросхемы с другой надписью (скорее всего те же).
Даже альтернативно одарённые должны понимать, что микросхема AD828 стоит в десятки раз дороже.
Зачем я тогда купил несколько таких модулей и советую купить другим?
Вот об этом и хочу написать.
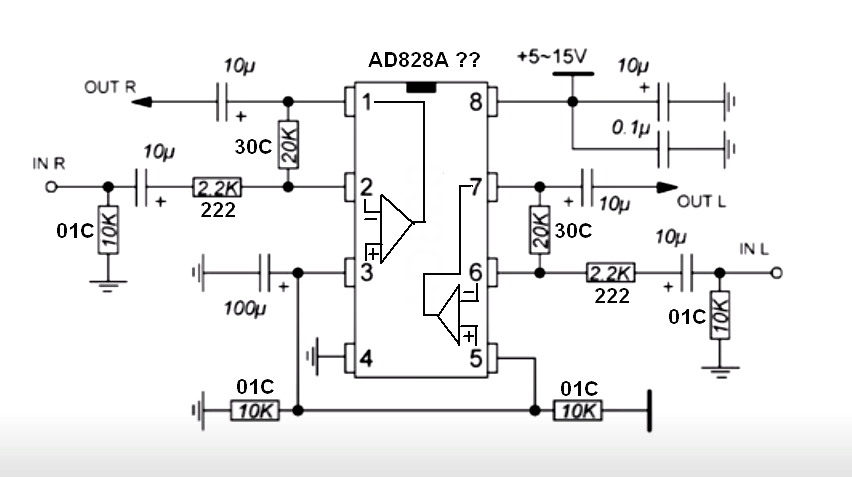
Рассмотрим схему взятую из интернета чтобы не рисовать с нуля. Я её немножко подправил.
AD828_.png

Здесь неточность. По питанию конденсатор 100 мкФ. Я добавил надписи на деталях, догадаться что 30С = 20 кОм не так просто.
Видно что перед нами схема сдвоенного инвертирующего усилителя с однополярным питанием. Штатно питание ограничено напряжением конденсатора питания 16 В, я подавал при испытаниях на микросхему 24 В она не сгорела. Поэтому вряд ли ошибусь что можно питать этот модуль от 30 В заменив конденсатор питания на напряжение от 35 В. Усиление при штатных номиналах 9 раз, но его легко менять в широких пределах. Об этом позаботились оставив отверстия для впаивания резисторов R5 и R7 нужного номинала. Резисторы обычные, с выводами - дополнительное удобство.
Я был уверен на 100%, что китайцы поставили универсальную 358 микросхему и... ошибся.
Для начала я подавал синусоиду 20...20000 Гц от генератора с разной амплитудой до ограничения а осциллографом контролировал форму. К моему удивлению, всё было нормально, ограничение при 15 В питания начиналось при 4 В т. е. микросхема ожидаемо не rail-to-rail. Неприятно что ограничение было несимметричное, низ ограничивался немного раньше. Контроль постоянного напряжения на входах + показал точно полпитания. Можно при желании подстроить, но выигрыш будет невелик.
Итак, мы за полдоллара имеем инвертирующий усилитель с однополярным питанием в котором можем легко менять усиление. Его можно использовать и как микрофонный усилитель и как предварительный. Проверил работу при питании 12 - 9 - 5 Вольт. Всё нормально, но размах сигнала на выходе драматически падает, это для любителей питать от 5 В. Вместо вольт получат милливольты.
Испытал самодельным ГПИ (прямоугольниками), кстати, очень удачная платка, много лет пользуюсь. Всё нормально, никаких выбросов или дрожаний нет абсолютно!! Это очень хорошо.
Дальше по плану - выпаял микросхему для дальнейших испытаний, на её место можно впаять более качественную в таком же корпусе SO-8. Плата как всегда сделана прекрасно, дома я такую не сделаю.
Микросхему испытал на быстродействие в своей приставочке про которую писал.
Быстродействие оказалось 1,5 В/мкс. Это ещё подтверждение что не 358, а главное - нет жуткой ступеньки. Сколько там в паспорте AD828? 450 В/мкс. Ну разница всего 300 раз - пустяки.
Итак, кто не хочет заниматься травлей, рисованием и сверлением, может купить этот модуль. Он легко дорабатывается. Качество оказалось выше ожидаемого.
В хозяйстве пригодится, особенно при изготовлении макетов. Не для Hi-Fi, конечно.
Сделал заметку здесь потому что те что существуют, мне не нравятся, особенно видеоролики с мычанием и пыхтением на полчаса.
 
Даже альтернативно одарённые должны понимать, что микросхема AD828 стоит в десятки раз дороже.
DigiKey кажет от 13 до 16 CAD в зависимости от исполнения и количества.
Есть смысл чикнуть с платы непонятно что и заменить. Просто потому, что тупо заказать плату будет дороже. А тут универсальная, с обвеской и даром.
 
На Али и у перепродавцов (раньше их называли спекулянтами) продают красные красивые модули. Стоимость - полдоллара.
Посмотреть вложение 74694
Вот так он выглядит. Хорошо видны все номиналы, почти все соединения.
Есть точно такие же модули, но с другими названиями, например, "микрофонный усилитель", бывает что ставят микросхемы с другой надписью (скорее всего те же).
Даже альтернативно одарённые должны понимать, что микросхема AD828 стоит в десятки раз дороже.
Зачем я тогда купил несколько таких модулей и советую купить другим?
Вот об этом и хочу написать.
Рассмотрим схему взятую из интернета чтобы не рисовать с нуля. Я её немножко подправил.
Посмотреть вложение 74695
Здесь неточность. По питанию конденсатор 100 мкФ. Я добавил надписи на деталях, догадаться что 30С = 20 кОм не так просто.
Видно что перед нами схема сдвоенного инвертирующего усилителя с однополярным питанием. Штатно питание ограничено напряжением конденсатора питания 16 В, я подавал при испытаниях на микросхему 24 В она не сгорела. Поэтому вряд ли ошибусь что можно питать этот модуль от 30 В заменив конденсатор питания на напряжение от 35 В. Усиление при штатных номиналах 9 раз, но его легко менять в широких пределах. Об этом позаботились оставив отверстия для впаивания резисторов R5 и R7 нужного номинала. Резисторы обычные, с выводами - дополнительное удобство.
Я был уверен на 100%, что китайцы поставили универсальную 358 микросхему и... ошибся.
Для начала я подавал синусоиду 20...20000 Гц от генератора с разной амплитудой до ограничения а осциллографом контролировал форму. К моему удивлению, всё было нормально, ограничение при 15 В питания начиналось при 4 В т. е. микросхема ожидаемо не rail-to-rail. Неприятно что ограничение было несимметричное, низ ограничивался немного раньше. Контроль постоянного напряжения на входах + показал точно полпитания. Можно при желании подстроить, но выигрыш будет невелик.
Итак, мы за полдоллара имеем инвертирующий усилитель с однополярным питанием в котором можем легко менять усиление. Его можно использовать и как микрофонный усилитель и как предварительный. Проверил работу при питании 12 - 9 - 5 Вольт. Всё нормально, но размах сигнала на выходе драматически падает, это для любителей питать от 5 В. Вместо вольт получат милливольты.
Испытал самодельным ГПИ (прямоугольниками), кстати, очень удачная платка, много лет пользуюсь. Всё нормально, никаких выбросов или дрожаний нет абсолютно!! Это очень хорошо.
Дальше по плану - выпаял микросхему для дальнейших испытаний, на её место можно впаять более качественную в таком же корпусе SO-8. Плата как всегда сделана прекрасно, дома я такую не сделаю.
Микросхему испытал на быстродействие в своей приставочке про которую писал.
Быстродействие оказалось 1,5 В/мкс. Это ещё подтверждение что не 358, а главное - нет жуткой ступеньки. Сколько там в паспорте AD828? 450 В/мкс. Ну разница всего 300 раз - пустяки.
Итак, кто не хочет заниматься травлей, рисованием и сверлением, может купить этот модуль. Он легко дорабатывается. Качество оказалось выше ожидаемого.
В хозяйстве пригодится, особенно при изготовлении макетов. Не для Hi-Fi, конечно.
Сделал заметку здесь потому что те что существуют, мне не нравятся, особенно видеоролики с мычанием и пыхтением на полчаса.
Вводит в ступор формирование средней точки на входах схемы. искал, не нашел
 
Вводит в ступор формирование средней точки на входах схемы. искал, не нашел
Саша, ты глянь как эти "китайские каллиграфы" питающий контакт обозначили, и поймёшь, что всё нормально. Трудности перевода с китайского. ;)
 
Последнее редактирование:
Да Китай выручает постоянно.. чего только не находил не дорого)
image.jpg
 
Да Китай выручает постоянно.. чего только не находил не дорого)Посмотреть вложение 74720
Да, извлечь пользу можно. Готовые платы пусть они не всегда хорошо разведены, но сделаны весьма качественно: чаще всего двухсторонние, одна сторона "земля", сквозные переходы металлизированы, защитное покрытие и т. д.
Микросхемы очень часто подделываются, надо понимать что вся плата с деталями не может стоить в несколько раз дешевле одной детали.
Конденсаторы, которые многие принимают за твердотельные, на самом деле обычные, но малогабаритные и обычно их ёмкость в допуске. ESR обычно посредственный, поэтому для импульсных устройств лучше ставить доп. ёмкости. Кстати, их трудно выпаять, а еще труднее впаять обратно.
Как правило, всё-таки эти платы работают, а наше дело, при необходимости довести их до кондиции, исправить ошибки.
К сожалению, альтернативы Али с учетом привлекательной цены, фактически нет. Никто не делает, только перепродают.
***
Я не считаю зазорным описание готовых плат, особенно когда их гораздо проще и дешевле купить, чем сделать.
Разрозненные обзоры в интернете, как правило, это переписывание друг у друга и только. Видеоролики редко бывают хорошо сделаны. Обычно пустая говорильня в стиле "ой, сейчас попробую сделать" и долго тянутся сцены разупаковки или привинчивания. Полное ощущение что надо просто заполнить 20...30 минут видео, и неважно чем.
Вводит в ступор формирование средней точки на входах схемы. искал, не нашел
Ну так рисуют. Я писал что не стал заморачиваться перерисовкой по ГОСТу - схема очень простая и почти всё можно проследить по фото. Мне тоже не по душе рисование схем в автомобильном стиле. А "полочка" или чёрточка нередко применяется.
Я и так продублировал номиналы и надписи на резисторах.
Интересно что за микросхема - удивила идеальная форма меандра, ни намёка на колебательный процесс или выброс. Конечно, наклон фронтов есть. Интересно взглянуть на то же при единичном усилении. Судя по всему, коррекция сильная, стабильность в ущерб широкополосности. Для звуковых частот скорее хорошо.
Размеры платы 32х25 мм высота 7 мм, имеются отверстия под крепёж. Поэтому место для неё можно найти практически всегда.
 
Да, извлечь пользу можно. Готовые платы пусть они не всегда хорошо разведены, но сделаны весьма качественно: чаще всего двухсторонние, одна сторона "земля", сквозные переходы металлизированы, защитное покрытие и т. д.
Микросхемы очень часто подделываются, надо понимать что вся плата с деталями не может стоить в несколько раз дешевле одной детали.
Конденсаторы, которые многие принимают за твердотельные, на самом деле обычные, но малогабаритные и обычно их ёмкость в допуске. ESR обычно посредственный, поэтому для импульсных устройств лучше ставить доп. ёмкости. Кстати, их трудно выпаять, а еще труднее впаять обратно.
Как правило, всё-таки эти платы работают, а наше дело, при необходимости довести их до кондиции, исправить ошибки.
К сожалению, альтернативы Али с учетом привлекательной цены, фактически нет. Никто не делает, только перепродают.
***
Я не считаю зазорным описание готовых плат, особенно когда их гораздо проще и дешевле купить, чем сделать.
Разрозненные обзоры в интернете, как правило, это переписывание друг у друга и только. Видеоролики редко бывают хорошо сделаны. Обычно пустая говорильня в стиле "ой, сейчас попробую сделать" и долго тянутся сцены разупаковки или привинчивания. Полное ощущение что надо просто заполнить 20...30 минут видео, и неважно чем.

Ну так рисуют. Я писал что не стал заморачиваться перерисовкой по ГОСТу - схема очень простая и почти всё можно проследить по фото. Мне тоже не по душе рисование схем в автомобильном стиле. А "полочка" или чёрточка нередко применяется.
Я и так продублировал номиналы и надписи на резисторах.
Интересно что за микросхема - удивила идеальная форма меандра, ни намёка на колебательный процесс или выброс. Конечно, наклон фронтов есть. Интересно взглянуть на то же при единичном усилении. Судя по всему, коррекция сильная, стабильность в ущерб широкополосности. Для звуковых частот скорее хорошо.
Размеры платы 32х25 мм высота 7 мм, имеются отверстия под крепёж. Поэтому место для неё можно найти практически всегда.
Александр интересный вопрос задал - питание однополярное, а цепей формирования смещения на входе нет. Видимо, чип там хитрый. Не пробовали туда другой, нормальный ОУ запаять?
 
Александр интересный вопрос задал - питание однополярное, а цепей формирования смещения на входе нет.
Два резистора 10к один об землю, другой в питание, центром в прямые входы ОУ это по вашему что? Читайте внимательно написанное ранее. Всё что нужно на плате есть, просто на схеме коряво, "по-китайски", нарисовано.
 
Последнее редактирование:
Одинаковые платы продают, на одной TDA1308 на другой AD828. По быстродействию TDA1308 5В/мкс, у меня на AD828 тоже плата есть, быстродействие тоже низкое, скорее всего тоже TDA1308 стоит. Фото с Али
S6dc75399c0fd4cc99d1995e1519a48d7D.jpg
 
Микросхемы очень часто подделываются, надо понимать что вся плата с деталями не может стоить в несколько раз дешевле одной детали.
Не в оправдание "дедушкки Ляо", но истины ради, - есть такая фирма, "Blackmagic", выпускает оборудование для нужд ТВ- и радиовещания.
Весь мир - и это буквально весь мир! - не понимает, как им удаётся не разориться, назначая цену, меньшую стоимости комплектующих.
На всех выставках конкурирующие друг с другом специалисты сразу находят согласие, как только речь заходит о Blackmagic'е...
:)
 
Весь мир - и это буквально весь мир! - не понимает, как им удаётся не разориться, назначая цену, меньшую стоимости комплектующих.
Наверняка броскую фразу придумал журнаглист-гаманитарий.
Он действительно не понимает, считает что он и есть весь мир.
Он не знает даже что цены разные бывают. И за счёт этого жирует легион паразитов.
Раньше писали, что стоимость динамиков составляет 10% стоимости колонки. Вот только смотря кто, где и в каких количествах покупает. Нам эти динамики по цене 10% не продадут.
Розничная цена может (обычно так и есть) многократно, а то и на порядки превышает себестоимость.
Но я же написал - изначально там другая микросхема и самые дешёвые комплектующие. Никто и никогда в убыток себе на продаёт (не рассматриваем случаи временного понижения цен для удаления конкурентов).
828.jpg

Не будет эта микросхема стоять в плате за 50 р.
Все эти "чудеса" низких цен из-за
1) Невероятной жадности продавцов.
2) Использования дешевых рабочих рук и дешевого сырья.
Если копнуть эту "чёрнуюмагию", чудеса исчезнут.
Но тех кто пытается продавать готовую продукцию дешевле чем у конкурентов, частенько бьют.
Генри Форд Первый, тот самый. Его неоднократно судили конкуренты за то что он продает свои машины дешевле чем делают они.
 
Разная цена от количества это нормальное дело.
Азбука крупносерийного производства.
Дело в том что Blackmagic влез в компанию не каких-нибудь гаражных мануфактурщиков, а крупнейших фирм, почти монополистов. Riedel, Sony, Panasonic, Snell и прочих грандов.
В их (Blackmagic'а) оборудовании применяются совершенно те же комплектующие, что и у остальных: ПЛИСы, обвязка и т.д. А цена ниже суммы стоимости деталей.
Уж Riedel-то наверняка детали не в "маузере" покупает, а по длинным и толстым контрактам с заводами. И цены для него ниже, чем можно найти для среднего опта.
На выставках мне лично доводилось беседовать представителями этих фирм, никто из них не может объяснить как ведёт дела Blackmagic.
Blackmagic давит всех ценой, хотя и надёжность (низкая), и качество подстать цене. Дешевле и проще купить новый сервер/энкодер/пульт, чем обслуживать по гарантии, которой тоже нет...
И это длится уже ~десяток лет.
Загадка.
 
Никакой загадки нет. Вы сами написали:
давит всех ценой, хотя и надёжность (низкая), и качество подстать цене. Дешевле и проще купить новый сервер/энкодер/пульт, чем обслуживать по гарантии, которой тоже нет...
Можно было бы удивляться, если бы все детали и элементы у этих чОрных и остальных были бы одинаковы, но Вы сами пишете: надёжность и качество ниже. Другими словами - халтура, поэтому и дешевле.
Те от кого зависит что купить, как правило, далеки от технических подробностей, для них главное - цена, а инженеров которые взывают к качеству, они просто не слушают. Вот и весь "секрет".
Поэтому НИКАКОГО ПРОДАЮТ НИЖЕ СЕБЕСТОИМОСТИ просто нет. Как и "вечного двигателя".
Сейчас вообще тенденция выпускать одноразовую продукцию которую просто невыгодно или практически невозможно ремонтировать. Много примеров могут привести те кто занимается ремонтом. Помню, приносили мне "по знакомству" разные миксеры и т. п. Так шестерёнки и вал делались так, что быстро ломаются, а заменить - проблема.
Например, разновидностей этих шестеренок десятки, чуть не сотни. Ещё пример - пластик который со временем становится хрупким и не отремонтируешь, первыми ломаются защелки...
На домашнем фене пришлось клеить...
Еще помню, какую-то кофемолку не смог отремонтировать, вернее сделал кое-как потому что не смог её вскрыть. Пролистал весь интернет. Пишут, но это не подходит. Я давил всем своим весом под 100 кГ в нужные места, хрустит, но не открывается.
Всё это тоже удешевление продукции - хреновые детали, хреновый пластик и т. п.
Так что "дешевле деталей" - МИФ. Любая фирма попытавшаяся так делать, просто разорится без подпитки со стороны.
 
Надеюсь на этой платке хоть не LM358 под видом AD828 стоит? Уж больно любят китаезы из перемаркировывать под всё что угодно, аля NE5532 т.п.
 
Или JRC4560 . В свое время музыканты привозили свои пульты звукорежиссерские, они все на этих операх собраны. Причем, с такими собачьими индексами, которых в наших лавках не было . Брал наудачу, все работало как положено.
 
Можем только гадать, но главное - точно не 358 у которого ступенька и быстродействие 0,3 В /мкс.
Удивляюсь что китайцы поставили не самые плохие микросхемы.
Не хотел, но заказал на Озоне панельку-переходник SO-8 на minidip. Получу - смогу проверять ОУ в блошином корпусе.
Только так можно просто и быстро определить настоящие, точнее - выявить грубые подделки и неисправные.
Кстати, на готовой китайской плате оценил с помощью самодельного ГПИ быстродействие в 1,5 В / мкс, точно такое же показала самоделка испытывающая ОУ. Но в самоделке испытывать проще, не надо впаивать в плату, не нужен генератор.
Представляет немалый интерес форма меандра при единичном усилении ОУ (повторитель). Не все ОУ без дополнительной коррекции способны устойчиво работать, у некоторых особо указано, что усиление может быть от 5 и выше.
 
Тестировал эту платку
https://ldsound.club/threads/usilitel-dlja-naushnikov-na-tpa6120.2042/post-208584
полоса 2,3 МГц, быстродействие 1,3 V/uS
Значит наши цифры почти совпадают. Я тоже убедился что именно эта платка не так плоха. Оценивать slew rate в каскаде с усилением = -9 тоже не очень правильно, но результат совпал слюни = 1, 5 В/мкс. Собираюсь проверить выпаянные отовсюду ОУ в корпусе SO-8 сначала своим приборчиком в панельке, а затем впаять одну микросхему в эту плату и сравнить, надо убедиться что таким измерениям в готовой схеме можно доверять.
Блин, теперь надо попробовать измерить быстродействие модуля на TPA6120... Руки до всего не доходят. Хотя там могут возникнуть проблемы с возбуждением именно из-за высокого быстродействия.
Но самое смешное - это отзывы (не на этом сайте) когда покупают перемаркированные 358 и пишут что "звучит хорошо".
Оказывается, извращенцы есть не только среди сексуально озабоченных.
 
Продолжу сразу несколько тем.
Для своего приборчика измерения быстродействия микросхем (проверка на подлинность) я хотел сделать простой переходник для микросхем в корпусе SO-8 поскольку микросхем в данных корпусах немало и у меня есть предположение что хорошие, но непопулярные микросхемы в таких корпусах реже подделывают. Что, похоже, подтвердилось. Но не хотелось возиться и я купил переходник (будет чуть виден на фото).
Важно: размер 150 mil. Он не идеален, но неплох. Измерил все свои микросхемы в SO-8 (соик и др. названия).
Купил на Али десяток микросхем TDA1308 "для наушников" в корпусе SO-8.
У китайцев есть и платы "микрофонных усилителей" на этих микросхемах, но я впаял микросхему в плату на "AD828". Они есть и они мне больше нравятся.
Я был на 100% уверен, что прислали подделки. Но уверенность улетучилась когда я проверил их на своём приборчике. По паспорту типовое быстродействие 5 В/мкс, так и оказалось, кстати, это не рядовое быстродействие. Хлам и подделки медленнее на порядок.
Далее - проверка на то что эти TDA1308 собраны на полевых транзисторах. В справочном листке указана куча "защитных", точнее - паразитных или технологическх диодов. Да, всё верно. У микросхем на биполярных транзисторов этого нет, значит точно не 358 и подобные.
Не нашел в справочном листке, но без нагрузки на осциллографе Rail-to-Rail, размах напряжения на выходе равен напряжению питания.
У хлама так не бывает, а с учетом "низковольтности" микросхем, это крайне важно.
Кому интересно, без труда найдёт справочный листок. Максимальное напряжение питания 7 В. Предельно допустимое 8 В. То есть они для малогабаритной переносной техники. Выходной ток зависит от питания и может быть более 60 мА. Это много.
Я испытал на прочность подавая 9 В питания, без нагрузки синус безупречный.
Цель - проверить что будет если запитать от двух элементов Li-Ion или Li-Po, с ними будет максимум 8,4 В.
Не гарантирую безопасность, но можно по питанию добавить диод или два и получить 7 В питания с гарантией.
Для наушников плата требует небольших доработок, в частности для наушников 32 ом надо заменить выходные конденсаторы 10 мкФ на 470-1000 мкФ. Но это потом, по настроению.
Вот вам и маленький почти готовый усилитель для наушников с автономным питанием способный раскачать любые наушники до 250 ом (экзотику не учитываем).
На соплях собрал стенд, проверил. На экране видно, что питание 7 В и размах на выходе те же 7 В. Причем быстродействие значительно растет с ростом напряжения питания.
Подал 3,5 В (разряженный элемент на литии) амплитуда почти 3,5 В, ограничение во всём диапазоне симметричное без артефактов. Но два элемента будут явно лучше - это запас и по напряжению, по току, по мощности. Ток покоя мал, поэтому можно использовать готовую "Крону" на двух литиевых элементах с втроенной зарядкой от USB.
Вот вам и миниатюрный усилитель для наушников вне дома.
Дёшево и сердито, надо только руки приложить.
Для подтверждения того что я это придумал, вот фото макета проверки на столе.
P2157688.JPG
При увеличении фото всё неплохо видно. Напряжение на входе примерно 0,2 В.
Чувствительность избыточна, но паять регулятор громкости и подстраивать резистором ООС усиление, подключать наушники - это потом, по настроению.
Судя по всему, здесь практические работы никому не интересны, остались одни тэорэтики. Кстати, в интернете информации по этой микросхеме мало и она часто мутная.
 
Неправда. все ваши лабораторки читаю как захватывающий детектив. Все очень, даже слишком, подробно, как говорил наш кап-три Кирюхин- с поправкой на пехоту.
Сегодня размышлял про методику настройки операционника на максимальную полосу при одновременно максимальной амплитуде , речь конкретно о 544УД2а. Они , как оказалось, имеют конский разброс по этим показателям.и в одной и той же работающей схеме куча микросхем ведет себя от нормально работающих через скручивающие меандр в дулю или с мазней на полке до люто генерящих. И каждой конкретно микре нужна своя обвеска, а это неправильно. В то же время мешок AD711 выдал совершенно одинаковую картину.
 
544УД2а. Они имеют конский разброс И каждой конкретно микре нужна своя обвеска, а это неправильно. В то же время мешок AD711 выдал совершенно одинаковую картину.
Спасибо. Ну так у советских разброс, у импортных вместо разброса подделки, и то, и то проверять надо.
Невероятно, чтобы TDA могли у китайцев столько стоить (покупал здесь).
1308.jpg

Значит подделки, вернее - копии.
Переходники SO8 - DIP8 я тоже не случайно упомянул.
so8.jpg

Удобно проверять. Если норма, запаять микросхему в копеечную платку-переходник под DIP8, а её в рабочую плату. В переходник можно ставить для проверки и выпаянные микросхемы. Осциллограф и меандр покажут работоспособность и скорость. Плоская платка-переходник удобна и тем, что к каждому выводу можно спокойно подключить и тестер и осциллограф без опасения закоротить соседние выводы у SO8.
 

Вложения

  • so8.jpg
    so8.jpg
    38.8 KB · Просмотры: 171
Шикарная колодка-переходник. И если что-то не так, микросхему можно вернуть непаяную. Блеск.
У наших микросхем, как оказалось, сильно важно, какой завод их выпускал. И те, которые с блестящей спинкой и лаконичным УД2А , самые классные.
 
Последнее редактирование:
Колодка хорошо, но это больше для программатора цифровых ппзу

Я пользуюсь дешевыми платками.. снять воздухом микросхему секундное дело и не нагорожено и можно с выводами под панельку
IMG_2438.jpeg

IMG_2439.jpeg


имея эти переходники могу любые моно и стерео тестить опера
 

Вложения

  • image.jpg
    image.jpg
    298.6 KB · Просмотры: 184
На последней фотографии - способ "сдваивания" одиночных ОУ для установки в плату вместо одного сдвоенного?
 
На последней фотографии - способ "сдваивания" одиночных ОУ для установки в плату вместо одного сдвоенного?
На последнем МОЁМ фото - переходник. Это зажим для ОУ в корпусе SMD.
Без пайки т. е. без повреждения и для проверки (изначально - программирования МК). Корпус SO8 с одним или двумя ОУ можно вставить в обычную панельку miniDIP 8 контактов. Просто так подключиться к выводам SO8 и провести измерения или опробовать в работе - нереально.
Я хотел для целей измерения сделать прищепку чтобы прислонить микросхему к платке "слепышу", но поленился - проще купить готовое, оно и ужобнее.
 
мой опыт использования ad828 микры спаянной с точно такой же платы, напаянной на переходник ))) и установленной в ушник перед выходником на TPA6120.
обвязка у ней 1ком+1ком тоесть усиление 2
на входе у ней 100мв, если поддать поболее то верх и низ (ну скажем так синуса) начинает заворачиваться
и это типа синус )))
чудеса говорите на алиэкспрессе ? ну кому как )))

"дорогая" такая же микра купленная (за дорого - 400р) у "барыги" на радиорынке бежит за 7 мгц с красивой картинкой и не парится если ей на вход дунуть 6в р-р

просто ТПАшка вгоняется в ограничение при 8в на входе и бежит до 7 мгц без каких либо проблем , дальше у меня нет возможностей поглядеть , (проверял отдельно , чтобы на нее не грешить)

1714220336961.jpeg

1714220598270.jpeg

1714220619598.jpeg
 

Статистика форума

Темы
3,301
Сообщения
262,926
Пользователи
2,544
Новый пользователь
vlad'mir
Назад
Сверху Снизу