Катушка Тесла-Мишина. Работающая схема от АБ

В инете охмурение мульками прогрессирует, хотя интересующиеся в основном школу закончили до ЕГЭ..Э..изма. Вера или внушение, конечно, существенны, но нужны критерии оценки полезности воздействия, а то как бы ответственным экспериментаторам не направить апологетов в сусанинские болота.
 
Добрый день. Имеет ли принципиальное значение направление тока в катушке (одно- или двунаправленный)?
 
Доброго дня! А как понять "одно или двунаправленный ток", что имеется в виду?
 
Доброго дня! А как понять "одно или двунаправленный ток", что имеется в виду?
При однополярное питании (xr2206 и усилитель) ток в катушке не меняет направление, а при двуполярном (LC-генератор на ОУ) меняет.
 
Не врубаюсь. В так называемой катушке добиваемся максимума тока синусоидальной формы, т.е. обеспечиваем последовательный резонанс в распределенном резонаторе. Ток с частотой резонанса меняет направление. Причем здесь различие в схемах и способах организации питания генераторов?
 
Не врубаюсь. В так называемой катушке добиваемся максимума тока синусоидальной формы, т.е. обеспечиваем последовательный резонанс в распределенном резонаторе. Ток с частотой резонанса меняет направление. Причем здесь различие в схемах и способах организации питания генераторов?
Мишин толкует про электростатическое поле. Поэтому и спросил.
 
Мне неудобно спрашивать, видимо Вы ошиблись в фамилии. Ранее электромагнитные поля определялись уравнениями от Максвелла и прочих.. "экспериментаторов". До названного Вами деятеля
действовало следующее определение "Электрическое поле неподвижных и не изменяющихся во времени зарядов называют электростатическим полем".
 
Мне неудобно спрашивать, видимо Вы ошиблись в фамилии. Ранее электромагнитные поля определялись уравнениями от Максвелла и прочих.. "экспериментаторов". До названного Вами деятеля
действовало следующее определение "Электрическое поле неподвижных и не изменяющихся во времени зарядов называют электростатическим полем".
А если потенциал одной обкладки конденсатора не изменяется, а потенциал другой промодулирован гармоническим сигналом, и разность потенциалов не меняет знак, как назвать такое поле?
 
Ещё бы подсказали, какую обкладку в катушке Мишина считать неподвижной.
Которая соединена с общим проводом в схеме с однополярным питанием.

Может я не прав, но в динамике, прибитом к земляной шине бежит ток, который не меняет направление. Таким образом используется половина хода диффузора.

Ладно. Последний глупый вопрос: как ток меняет направление, если разность потенциалов не меняет знак?
 
А кто сказал, что не меняет? Щуп осциллографа, поднесенный к катушке как бы заявляет обратное.
А ежели открыть школьный учебник физики с картинками про колебательный контур, там увидим изменение магнитного поля в паре с электрическим за период. А катушка от контура ничем не отличается, разве что контур последовательный, а не параллельный.
 
Последнее редактирование:
Чтобы усилить действие катушки не увеличивая при этом подводимую к ней мощность (увеличить её КПД) в два и более раза ,нужно применить вторую такую-же катушку(или две),только в пассивном режиме,расположив её (их) напротив активной.Опишу на примере лечения коленных суставов: сидя зажимаем двумя коленями малую активную катушку Мишина,и для усиления эффекта слева и справа к коленям приставляем такие-же катушки ,но в пассивном режиме (для этого вместо подключения катушек к генератору их разъём накоротко ПЕРЕМЫКАЕМ).Катушка активная создаёт поле в виде восьмёрки,которое проникает через левый и правый суставы,а добавленные пассивные катушки значительно усиливают резонанс.При этом пассивные катушки также нагреваются как и активная,а датчик поля (катушка со светодиодами),покажет ,что поле удлинилось в два раза,и если датчик положить на пассивную катушку,то она зажжёт диоды,несмотря на то,что активная катушка относительно далека и датчик поля на этом расстоянии зажечься уже не в силах.Катушки пассивные и активные при лечении желательно располагать на одной оси.
 
Есть решение запитки катушки со стороны высоковольтных концов, упрятанных в толщу основы катушки, чтобы не жалили пациента высоким напряжением. Там по концам в зависимости от добротности -от 500 до 1000 вольт высокочастотного напряжения. И ежели в закороченную катушку дать высокое от другой катушки, встроенной в прибор, то якобы этим снижается вклад магнитной составляющей в пользу электростатики. Хотя, по мне- те же в профиль, запитка антенны со стороны высокоомной по высоковольтному кабелю. Уверен, что такое решение есть.
 
Катушка Мишина, по сути высокочастотная терапия, что-то среднее между ультратонтерапией и индуктотермией по частоте, но со схожим действием. Мишин скорее всего нашел "золотую серединку".
Ультратонотерапия - физиотерапевтический метод, основанный на применении высокочастотного (22 кГц) переменного синусоидального тока высокого напряжения (3-5 кВ) мощностью от 1 до 10 Вт. Суть метода заключается в воздействии на ограниченные участки тела больного переменным синусоидальным током, подводимым с помощью специальных стеклянных электродов. По многим параметрам метод близок к местной дарсонвализации. Основными действующими факторами метода являются высокочастотный синусоидальный ток, образующийся между телом и электродом тихий электрический разряд, а также эндогенное тепло и озон. За счет непосредственного и рефлекторного действия ультратонотерапия вызывает вегетососудистую реакцию, проявляющуюся расширением капилляров и артериол, повышением тонуса вен, незначительным увеличением местной температуры, улучшением крово- и лимфообращения. Вазотропный эффект ультратонотерапии носит преимущественно местный характер. Токи надтональной частоты стимулируют функцию ретикулоэндотелиальной системы и повышают эпителиальную и сосудистую проницаемость, что также благоприятно влияет на обмен веществ, улучшает трофику кожи, усиливает процессы регенерации. Ультратонотерапии присуще антиспастическое действие как в отношении спазмированных сосудов и мышц, так и гипертонуса сфинктеров. Вместе с улучшением микроциркуляции и понижением чувствительности рецепторов указанный эффект предопределяет обезболивающее действие фактора. Применяемые токи способствуют устранению застойных и воспалительных явлений в тканях и уменьшают их отечность, ускоряют рассасывание инфильтратов, а образующийся озон оказывает местный бактериостатический эффект - задерживает развитие микроорганизмов на поверхности кожи. При внутриорганных воздействиях стимулируется деятельность половых органов, нормализуется гемодинамика в сосудистом бассейне малого таза, улучшается функциональное состояние мочевых путей и уродинамика. Несмотря на значительное сходство в механизме действия местной дарсонвализации и ультратонотерапии, последней присущи существенные особенности во влиянии на организм. По сравнению с дарсонвализацией ультратонотерапия обладает более выраженным противовоспалительным, теплообразующим и болеутоляющим действием, вызывает более активную и продолжительную гиперемию, но сопровождается меньшим антиспастическим и раздражающим действием. Именно в связи с последним обстоятельством ультратонотерапия шире применяется в детской и геронтологической практике. Ультратонотерапию применяют при лечении хирургических (инфицированные раны, трофические язвы, инфильтраты, облитерирующие заболевания сосудов, спаечные процессы, простатиты, воспалительные заболевания мочевыводящих путей и др.), кожных (экзема, нейродермит, угревая сыпь, фурункулез, гнездная алопеция), женских (хронические воспалительные процессы, нарушения менструальной функции, эрозия шейки матки), нервных (невралгии и нейропатии, последствия черепно-мозговой травмы, нейроциркуляторная дистония и др.), стоматологических (периостит, альвеолит, тризм, гингивит, артрит, парадонтоз) заболеваниях. Противопоказаниями к ультратонотерапии служат новообразования, декомпенсация сердечно-сосудистой деятельности, болезни крови, кровотечение, активный туберкулез, индивидуальная непереносимость тока.

Индуктотермия (inductio - возбуждение; therme - жар, теплота), или высокочастотная магнитотерапия, - метод электролечения, в основе которого лежит воздействие на организм магнитным полем (точнее, преимущественно магнитной составляющей электромагнитного поля) высокой частоты. Суть метода заключается в том, что по расположенному на теле больного кабелю или специальной спирали, называемыми индуктором, протекает высокочастотный ток, в результате чего вокруг них образуется действующее на организм переменное магнитное поле высокой частоты. В нашей стране при индуктотермии на организм воздействуют переменным магнитным полем частотой 13,56 МГц, что соответствует длине волны 22,12 м. В теле человека при действии высокочастотных магнитных полей возникают хаотические вихревые токи (токи Фуко). Одним из наиболее характерных свойств их является высокое теплообразование. Больше тепла образуется в тканях с хорошей электропроводностью, т. е. в жидких средах (кровь, лимфа) и хорошо кровоснабжающихся тканях (мышцы, печень и др.). Под влиянием индуктотермии в зависимости от параметров воздействия температура тканей может повышается на 2 - 5 °С на глубину до 8 - 12 см, а температура тела пациента на 0,3 - 0,9 °С. Неотъемлемым от теплового является осцилляторный компонент действия индуктотермии, который проявляется физико-химическими изменениями в клетках и тканях, субклеточных структурах. Максимальные магнитоиндуцированные механические эффекты возникают в жидкокристаллических фосфолипидных структурах мембран, в надмолекулярных белковых комплексах. Повышение температуры тканей и физико-химические сдвиги в них, происходящие при индуктотермии, сопровождаются прежде всего раздражением нервной системы. При интенсивных воздействиях повышается возбудимость нервов, скорость проведения по ним возбуждения. При более продолжительных воздействиях отмечается усиление тормозных процессов в ЦНС, вследствие чего при индуктотермии наблюдается седативное и болеутоляющее действие, она вызывает сонливость и вялость. В результате образования внутритканевого тепла и повышения температуры тканей происходит расширение кровеносных сосудов, усиление кровообращения и лимфооттока, увеличение числа функционирующих капилляров, улучшение кровоснабжения внутренних органов в зоне воздействия, ускоряется формирование артериальных коллатералей и анастомозов в микроциркуляторном русле. Под влиянием индуктотермии повышается проницаемость гистогематических барьеров и клеточных мембран, повышается скорость метаболизма, что благоприятно сказывается на течении обменно-трофических процессов, приводит к обратному развитию дегенеративно-дистрофических нарушений, определяет ее рассасывающее и противовоспалительное действие. При индуктотермии повышается синтез антител, увеличивается содержание в крови компонентов гуморального иммунитета, усиливается фагоцитарная способность лейкоцитов, активность фибробластов и макрофагов. Индуктотермия нормализует деятельность внутренних органов, включая и их секреторную активность. Особенно благоприятно она влияет на 57 вентиляционно-дренажную функцию бронхов, улучшает отделение мокроты, снижает ее вязкость, снимает бронхоспазм и ликвидирует воспалительные изменения в бронхолегочной системе. Индуктотермия стимулирует фильтрационную функцию почек, способствует выведению продуктов азотистого распада и увеличению диуреза. Она повышает желчеобразование и желчевыделение. Применение индуктотермии на область надпочечников сопровождается усилением синтеза глюкокортикоидов. Она также стимулирует гормонсинтетические процессы в поджелудочной и щитовидной железах. Таким образом, для лечебного применения индуктотермии наибольшее значение имеет ее противовоспалительное, сосудорасширяющее, болеутоляющее, антиспастическое, трофическое и миорелаксирующее действие. Основными показаниями для индуктотермии являются подострые и хронические воспалительные процессы в различных органах и тканях, посттравматические состояния и заболевания опорно-двигательного аппарата, заболевания сердечно-сосудистой системы, травмы и воспалительные заболевания периферическо нервной системы, спастические состояния, бронхиальная астма, язвенная болезнь, мочекаменная болезнь, зудящие дерматозы, склеродермия, хроническая экзема и др. Противопоказания для индуктотермии: лихорадочные состояния, острые гнойно-воспалительные заболевания, кровотечение или наклонность к нему, активный туберкулез, выраженная гипотензия, декомпенсация сердечно-сосудистой деятельности, нарушения температурной чувствительности, злокачественные и доброкачественные опухоли, беременность, наличие металлических предметов (осколки, штифты) и кардиостимуляторов в зоне воздействия.
 
Для снижения магнитной составляющей электромагнитного поля катушек появился вариант включения через повышающий трансформатор.

1623648946603.png


В приведенной схеме напряжение на катушках увеличено с учетом Ктр, ток пропорционально снижен, следовательно, в результирующем электромагнитном поле должна снизится напряженность составляющей магнитного поля.
 
Для снижения магнитной составляющей электромагнитного поля катушек появился вариант включения через повышающий трансформатор.

Посмотреть вложение 16882

В приведенной схеме напряжение на катушках увеличено с учетом Ктр, ток пропорционально снижен, следовательно, в результирующем электромагнитном поле должна снизится напряженность составляющей магнитного поля.
С разомкнутыми концами катушки Мишина получим обычный конденсатор . Замкнем концы катушки- побежит ток , максимальный у замкнутых концов, появится магнитная составляющая....Нет в мире совершенства...
 
Не понял, в обычной схеме обмотки катушек также разомкнуты, здесь все то же самое только после трансформатора..
 
Усилитель , качающий ток в катушку со стороны низкоомных выводов-не КЗ ли этих самых выводов? Замкните противоположные концы, ток в катушке исчезнет. И потечет, если дать от усилителя 500-1000вольт
 
КЗ для катушки со стороны выхода усилителя понимаю, в подачу кучи вольт пока не вьезжаю.
Пришли датчики Холла. Если занимались, есть ли на примете простая схема датчика напряженности магнитного поля?
 
Есть, например, для ДХК-0,5.
 

Вложения

  • 1620-1.jpg
    1620-1.jpg
    39.9 KB · Просмотры: 367
Такую видел. Вопрос по как калибровать. Катушка с отношением длина/диаметр больше 10, в каких попугаях получается?
 
Вопрос по как калибровать.
Чем хорош ДХК-0,5, это тем, что датчик калиброванный. С ним все просто.
А с некалиброванными датчиками придется повозиться. Надо измерить величину индукции другим способом, затем откалибровать свой датчик. В помощь книжка Шифмана, "Громкоговорители", 65г, в сети есть, там описан способ измерения индукции.
 
На основании чего утверждаете, что "ДХК-0,5 калиброванный", неужели верите техническим данным?
 
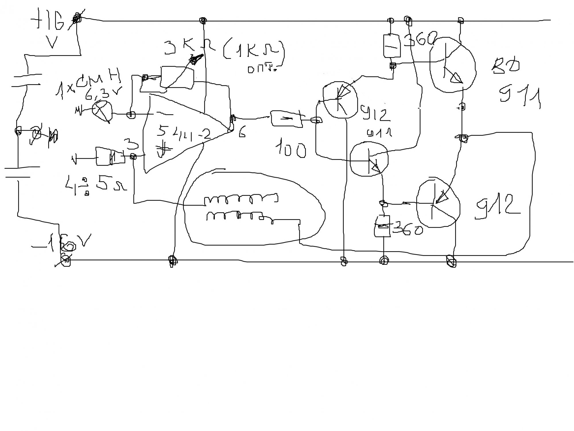
Вам что, поспорить? Когда не помню, купил по Сашиной наводке две катушки тор и плоскую, остальное сам, почти так, транз. кт814-815 и кт818-819. Помогает...
 

Вложения

  • ГЕНЕРАТОР для Мишина.jpg
    ГЕНЕРАТОР для Мишина.jpg
    185.6 KB · Просмотры: 581
Не понял, о чем спорить. Обсуждение идет о природе поля и об измерении отношения составляющих электрического и магнитного полей в эл./магнитном поле катушки.
 
Я по специальности Радиотехника, 0701, это значит все знаю обо всем, и о болячках...
ПС: курс Электродинамика и РРВ и пр. по теме.
 
Я тоже 701 и что-то об электродинамике вроде знаю, но далеко не все. Лет 35 занимаюсь АФАР и прочей ерундой. На знания о болячках не претендую, далеко не медик, тут учиться надо. Вот суставы начали подавать нехорошие сигналы, поэтому и возник интерес в этим катушкам.
 
неужели верите техническим данным?
Дадада, справочники все врут! smile_9
Ну дак откалибруйте любой, подходящий по диапазону измерений (у каждого есть свой паспортный диапазон линейности), в системе катушек Гельгольца, делов-то...
 
Не врут, а приводят усредненную характеристику, для относительных проверок в попугаях можно применить. Катушки Гельмгольца хороши, но не так просты, поэтому "делов" много.
 

Статистика форума

Темы
3,302
Сообщения
262,881
Пользователи
2,544
Новый пользователь
vlad'mir
Назад
Сверху Снизу