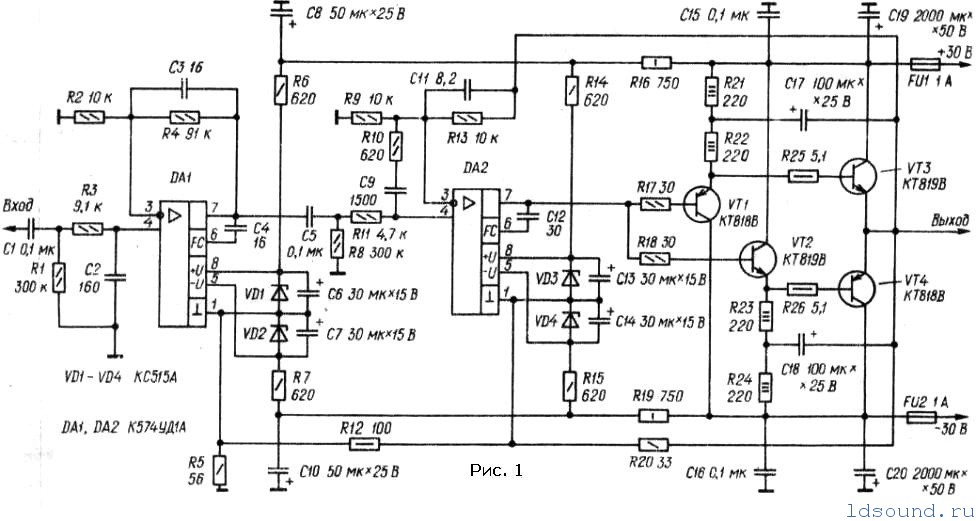
Микромощный высококачественный УМЗЧ для портативного/стационарного использования

Кстати, в продолжение поста #273, части, где обсуждал интермодуляцию. Фигура 8 паспорта производителя - о том же. Из рисунка, в частности, следует, что для обеспечения 0,2 % при питании от 9 В и нагрузке 8 Ом выходная мощность не должна превышать 730 mW, а при 6 V - 133 mW. Но у меня 12 В.
Выходной электролит увеличил до 2000 мкФ, по памяти (тоже без расчётов).
 
Ясен пень, что при эксплуатации готовой схемы я не стану обвешивать ее стрелочными тестерами и осциллографами.
Тогда толку от такого просмотра мало.
Мне милее светодиодная линейка с логарифмической шкалой и правильным временем интеграции и обратного хода.
Вопрос в том: а какое время интеграции правильное?
Поскольку вопрос, скорее всего риторический, я это вижу так, повторюсь:
1 среднее (большое) время 50...150 мс для стрелочного индикатора , оно примерно соответствует слышимой громкости и мощности, причём, повторю, лучше показывать до РГ
2 самое интересное светоды - сколько мс? Обычно светодиодные индикаторы, особенно в линейке делают медленные, а время надо в несколько мс, ну скажем до 5...10 мс, понятно что вспышка слишком короткая, поэтому надо большое время обратного хода.
Такая двойная индикация на мой взгляд, наиболее универсальна и позволяет видеть уровень при котором ещё нет ограничения вообще.
А этот уровень окажется мал даже для мощных усилителей.
Пусть пик-фактор = 3. Тогда "рабочая" мощность в 10 раз ниже номинальной (до ограничения), а на деле очень короткие и редкие пики вполне бывают в 10 раз выше среднего уровня, разница 100 раз.
На мой взгляд именно этим объясняется эффект большей громкости ламповых усилителей. Просто в силу "округлого" ограничения, ламповые могут работать при среднем уровне около ограничения, пик фактор будет чуть более 1 а отсюда субъективная мощность больше до 10 раз.
Допускать короткий перегруз или нет - дело хозяйское, при записи на магнитную ленту кратковременные превышения стрелочного индикатора - норма. Скорее всего - придётся. Вот можно будет на слух оценивать - связаны пики с ухудшением качества или слух за ними не успевает.
Относительно светодиодных линеек - дело вкуса, но для меня "стрелки" предпочтительнее, они красивы, а не просто утилитарны.
Кроме того, при стрелке+диодах вспыхивания диодов перегрузки гораздо заметнее, чем на фоне светодиодных линеек.
 
Тогда толку от такого просмотра мало.

Вопрос в том: а какое время интеграции правильное?
Поскольку вопрос, скорее всего риторический, я это вижу так, повторюсь:
1 среднее (большое) время 50...150 мс для стрелочного индикатора , оно примерно соответствует слышимой громкости и мощности, причём, повторю, лучше показывать до РГ
2 самое интересное светоды - сколько мс? Обычно светодиодные индикаторы, особенно в линейке делают медленные, а время надо в несколько мс, ну скажем до 5...10 мс, понятно что вспышка слишком короткая, поэтому надо большое время обратного хода.
Такая двойная индикация на мой взгляд, наиболее универсальна и позволяет видеть уровень при котором ещё нет ограничения вообще.
А этот уровень окажется мал даже для мощных усилителей.
Пусть пик-фактор = 3. Тогда "рабочая" мощность в 10 раз ниже номинальной (до ограничения), а на деле очень короткие и редкие пики вполне бывают в 10 раз выше среднего уровня, разница 100 раз.
На мой взгляд именно этим объясняется эффект большей громкости ламповых усилителей. Просто в силу "округлого" ограничения, ламповые могут работать при среднем уровне около ограничения, пик фактор будет чуть более 1 а отсюда субъективная мощность больше до 10 раз.
Допускать короткий перегруз или нет - дело хозяйское, при записи на магнитную ленту кратковременные превышения стрелочного индикатора - норма. Скорее всего - придётся. Вот можно будет на слух оценивать - связаны пики с ухудшением качества или слух за ними не успевает.
Относительно светодиодных линеек - дело вкуса, но для меня "стрелки" предпочтительнее, они красивы, а не просто утилитарны.
Кроме того, при стрелке+диодах вспыхивания диодов перегрузки гораздо заметнее, чем на фоне светодиодных линеек.
Банально, риторично, але щось в цьому є. Тільки цифри краще запозичити в професіоналів мастеринга овдіоконсервів, що споживаються. А то, якось незручно виходить. Пікфактор 3 то для мовлення, для музики від 5..6 до 10, якщо що. А піки також бажано підсилювати, а не обмежувати.
Щодо сталих часу інтеграції індикаторів, аналогічно. Вони не зі стелі мають бути взяті.
 
Последнее редактирование:
Тогда толку от такого просмотра мало.

Вопрос в том: а какое время интеграции правильное?
Поскольку вопрос, скорее всего риторический, я это вижу так, повторюсь:
1 среднее (большое) время 50...150 мс для стрелочного индикатора , оно примерно соответствует слышимой громкости и мощности, причём, повторю, лучше показывать до РГ
2 самое интересное светоды - сколько мс? Обычно светодиодные индикаторы, особенно в линейке делают медленные, а время надо в несколько мс, ну скажем до 5...10 мс, понятно что вспышка слишком короткая, поэтому надо большое время обратного хода.
Такая двойная индикация на мой взгляд, наиболее универсальна и позволяет видеть уровень при котором ещё нет ограничения вообще.
А этот уровень окажется мал даже для мощных усилителей.
Пусть пик-фактор = 3. Тогда "рабочая" мощность в 10 раз ниже номинальной (до ограничения), а на деле очень короткие и редкие пики вполне бывают в 10 раз выше среднего уровня, разница 100 раз.
На мой взгляд именно этим объясняется эффект большей громкости ламповых усилителей. Просто в силу "округлого" ограничения, ламповые могут работать при среднем уровне около ограничения, пик фактор будет чуть более 1 а отсюда субъективная мощность больше до 10 раз.
Допускать короткий перегруз или нет - дело хозяйское, при записи на магнитную ленту кратковременные превышения стрелочного индикатора - норма. Скорее всего - придётся. Вот можно будет на слух оценивать - связаны пики с ухудшением качества или слух за ними не успевает.
Относительно светодиодных линеек - дело вкуса, но для меня "стрелки" предпочтительнее, они красивы, а не просто утилитарны.
Кроме того, при стрелке+диодах вспыхивания диодов перегрузки гораздо заметнее, чем на фоне светодиодных линеек.
цифры есть, в той же Радиве. 10мсек время интеграции для пиковых, время обратного хода 1, 5 сек . Для стрелочных что-то там 150-250мсек интеграция.
Настроить просто. В Спектре задать импульс длительностью сколько надо, скажем, 5 мсек, пауза 2сек. И крутим обвеску. чтобы импульс добивал показометра до нуля дБ(так думаю, может оно чуток не так) . И крутим время обр хода, чтобы откат на исходную был за 1, 5 сек.
 
Последнее редактирование:
цифры есть, в той же Радиве. 10мсек время интеграции для пиковых, время обратного хода 1, 5 сек . Для стрелочных что-то там 150-250мсек интеграция.
Настроить просто. В Спектре задать импульс длительностью сколько надо, скажем, 5 мсек, пауза 2сек. И крутим обвеску. чтобы импульс добивал показометра до нуля дБ(так думаю, может оно чуток не так) . И крутим время обр хода, чтобы откат на исходную был за 1, 5 сек.
Всё это я уже делал (и несколько раз писал об этом), пришёл к определённым выводам. Нигде не читал что кто-то делал подобное с одновременным использованием индикаторов разных типов, оценкой мощности комфортной для прослушивания (все уверения о микроваттах взятых с потолка, меня только веселят), частоте появления и амплитуде коротких импульсов и много чего ещё.
Вот в результате и пишу, что чувствительность УНЧ от современных источников сигнала, должна быть 0,25...0,5 В.
А многие консрукторы, особенно ламповых усилителей, упрямо пишут про 2 В и много чего, надоело повторять.
И разные вещи - прочитать где-то или попробовать это на вкус.
 
Всё это я уже делал (и несколько раз писал об этом), пришёл к определённым выводам. Нигде не читал что кто-то делал подобное с одновременным использованием индикаторов разных типов, оценкой мощности комфортной для прослушивания (все уверения о микроваттах взятых с потолка, меня только веселят), частоте появления и амплитуде коротких импульсов и много чего ещё.
Вот в результате и пишу, что чувствительность УНЧ от современных источников сигнала, должна быть 0,25...0,5 В.
А многие консрукторы, особенно ламповых усилителей, упрямо пишут про 2 В и много чего, надоело повторять.
И разные вещи - прочитать где-то или попробовать это на вкус.
про 2 вольта дурь, и думать не нужно. 250 -500мв самое то.
Тестер стрелочный показывает честное напряжение на выходе, появление срача в звуке -сигнал- все, потолок твоего усилка, выше не задираем. И там на тестере все скучно и без пафоса. Измеренный тестером синус - умножаем, делим, получаем. Потом делим смело на 10 . Получаем реальную мощность в звуке.
Остальное срач на пиках. Пик-фак , тудыть его в качель.
 
Вот в результате и пишу, что чувствительность УНЧ от современных источников сигнала, должна быть 0,25...0,5 В.
А многие консрукторы, особенно ламповых усилителей, упрямо пишут про 2 В и много чего, надоело повторять.
И разные вещи - прочитать где-то или попробовать это на вкус.
На чутливість підсилювача, між іншим, також стандарти є. Правда, дурням закон не писаний.
 
Последнее редактирование:
Вот в результате и пишу, что чувствительность УНЧ от современных источников сигнала, должна быть 0,25...0,5 В.
А многие консрукторы, особенно ламповых усилителей, упрямо пишут про 2 В и много чего, надоело повторять.
Ну как сказать...например в ООСниках,чем больше глубина ООС, тем выше линейность/качество.
Раньше стандартный Ку был 15-18, сейчас примерно Ку = 10, а можно догнать и до Ку = 3. Ниже не желательно,потому что как повторитель,он может быть склонен к самовозбуду.
Ну пусть будет Ку=3, тогда даже 2 В входного, дадут только 6 В выхода. Это мало, очень мало
Поэтому сейчас идёт четкая тенденция, разгонять сигнал в преампе по напряжению, а УМ работает почти как повторитель по току, только очень качественный и линейный повторитель ( почти повторитель)
Например в проф.студиях, сейчас гонят сигнал до мощников, порядка 10 В. И все это ради линейности, ради качества.
Думаю подобный расклад придет со временем и в домашний звук.
Я так пробовал делать, Ку=3 мощника, и Ку =8, преампа. Звук мне понравился.
Так буду делать и дальше.
 
Последнее редактирование:
Ну как сказать...например в ООСниках,чем больше глубина ООС, тем выше линейность/качество.
Раньше стандартный Ку был 15-18, сейчас примерно Ку = 10, а можно догнать и до Ку = 3. Ниже не желательно,потому что как повторитель,он может быть склонен к самовозбуду.
Ну пусть будет Ку=3, тогда даже 2 В входного, дадут только 6 В выхода. Это мало, очень мало
Поэтому сейчас идёт четкая тенденция, разгонять сигнал в преампе по напряжению, а УМ работает почти как повторитель по току, только очень качественный и линейный повторитель ( почти повторитель)
Например в проф.студиях, сейчас гонят сигнал до мощников, порядка 10 В. И все это ради линейности, ради качества.
Думаю подобный расклад придет со временем и в домашний звук.
Я так пробовал делать, Ку=3 мощника, и Ку =8, преампа. Звук мне понравился.
Так буду делать и дальше.
Угу. Макинтош получица. У них тоже так, 3 у мощника, 10 у предмощника.
 
Не знал этого, но по - хорошему удивлен.
Законы физики едины.
Просто кто-то находит оптимум раньше,кто-то позже.
Да. С маленьким уточнением. Не звучит этот Макинтош ни в трындец.
 
Да. С маленьким уточнением. Не звучит этот Макинтош ни в трындец.
Если бы так было,их бы не делали.
Вы просто слышите как то по-другому.
Мне например, звук линейников нравится,своей нейтральностью и спокойствием
Если надо поддать жару, можно просто прибавить громкости,накрутить эквалайзер,поставить "гармонизатор" в преампе,или экспандер, но мощник, пусть лучше будет ровным и нейтральным по звуку.
Опыт работы с ФМ 50-2 утверждает меня в этом.
Линейники очень корректно работают с эквализацией и всем остальным.
Что ждёшь,то и получаешь.
 
Ну как сказать...например в ООСниках,чем больше глубина ООС, тем выше линейность/качество.
Раньше стандартный Ку был 15-18, сейчас примерно Ку = 10, а можно догнать и до Ку = 3. Ниже не желательно,потому что как повторитель,он может быть склонен к самовозбуду.
Ну пусть будет Ку=3, тогда даже 2 В входного, дадут только 6 В выхода. Это мало, очень мало
Поэтому сейчас идёт четкая тенденция, разгонять сигнал в преампе по напряжению, а УМ работает почти как повторитель по току, только очень качественный и линейный повторитель ( почти повторитель)
Например в проф.студиях, сейчас гонят сигнал до мощников, порядка 10 В. И все это ради линейности, ради качества.
Думаю подобный расклад придет со временем и в домашний звук.
Я так пробовал делать, Ку=3 мощника, и Ку =8, преампа. Звук мне понравился.
Так буду делать и дальше.
А как же второй каскад усилителя Агеева Ку=2?
Первый каскад есмЪ УН или он же преам. Как раз с раскачкой до "нужного" напряжения.
Я вчера слушал музыку с флешки_цапа только через оконечный каскад-громкости вполне хватило, правда цапа перегрелась минут через 30 и убавило автоматом громкость. Собственно планируется балансный выход - у которого 4 канала а не два, так что если такие вот "свистки" будут чуть больше амплитуды давать-то линейный УМ с Ку=2...3- самое то.
КА3.jpg
 
А как же второй каскад усилителя Агеева Ку=2?
Первый каскад есмЪ УН или он же преам. Как раз с раскачкой до "нужного" напряжения.
Я вчера слушал музыку с флешки_цапа только через оконечный каскад-громкости вполне хватило, правда цапа перегрелась минут через 30 и убавило автоматом громкость. Собственно планируется балансный выход - у которого 4 канала а не два, так что если такие вот "свистки" будут чуть больше амплитуды давать-то линейный УМ с Ку=2...3- самое то.
Посмотреть вложение 85357
Ну вот кстати да!
um-ageeva-ldsound_ru-1.jpg
Агеев понимал эту фишку уже тогда!
Поэтому он и звучит( читал об этом) даже при таком кривоватом УМ, который сделан как почти чистый ООСный усилитель тока с Ку = 2
А перед ним, чистый преамп напряжения с Ку=10
Гениально!
Спасибо что выложили эту схему.
 
МС 60, МС 75 очень даже звучат
А я икс его знает, какие два моноблока этих Макинтошей чинил, транзисторные, 80-ваттные. Плата мощника- одна. Плата предмощника рядом. По замерам все неплохо. на слух вообще ни о чем. Безликое нечто. Кроме прочего, там предыдущий владелец, чудак на букву М, впаял на входе разделительную емкость вместо 2.2 мкф-0,1 мкф. И низа напрочь не было, новый хозяин понять не мог, чего усилитель верещит.
 
В перечисленных мною платы отсутствовали вовсе. Образец инженерной мысли. Поскольку лампы в угоду любящим мощу американам работали практически на пределе, то и менять их приходилось часто. Так вот ни подбора ламп, ни подстройки режимов не требовалось. 5 с плюсом за решение задачи!
 
Ну вот кстати да!
Посмотреть вложение 85359
Агеев понимал эту фишку уже тогда!
Поэтому он и звучит( читал об этом) даже при таком кривоватом УМ, который сделан как почти чистый ООСный усилитель тока с Ку = 2
А перед ним, чистый преамп напряжения с Ку=10
Гениально!
Спасибо что выложили эту схему.
Где он звучит? По этому усилителю только ленивый не оттоптался. И где последователи? Много усилителей по такой топологии сделали? А я тебе скажу- нисколько. Потому что пришел Сухов, пришел Агеев_мл., а потом ещё и Жуковский с Васильевым и все изгадили. Оказалось что два каскада в таком виде не имеют смысла, если уж делать- то под общей ООС композит. Но композит- это совсем не то.
 
Где он звучит? По этому усилителю только ленивый не оттоптался. И где последователи? Много усилителей по такой топологии сделали? А я тебе скажу- нисколько. Потому что пришел Сухов, пришел Агеев_мл., а потом ещё и Жуковский с Васильевым и все изгадили. Оказалось что два каскада в таком виде не имеют смысла, если уж делать- то под общей ООС композит. Но композит- это совсем не то.
В Агеевской схеме - кривой УМ, и Ку =2, нужно минимум Ку=3 ( это важно, кмк )
А если изначально кривой УМ ( слабый ВК) , то никакая ООС не спасет
Я собственно восхищён не конкретно этой схемой, а вектором его мысли....мыслил он правильно, но реализация немного не доделана, не оптимальна
То что его хвалят за звук, это не я, я его не делал, но схему видел, и как то прошел мимо,не заметил тогда главной фишки, не был готов понять её правильно
 
Где он звучит? По этому усилителю только ленивый не оттоптался. И где последователи? Много усилителей по такой топологии сделали? А я тебе скажу- нисколько. Потому что пришел Сухов, пришел Агеев_мл., а потом ещё и Жуковский с Васильевым и все изгадили. Оказалось что два каскада в таком виде не имеют смысла, если уж делать- то под общей ООС композит. Но композит- это совсем не то.
Справедливости ради лавры Янга с последователями никто не оспаривает.
 
В Агеевской схеме - кривой УМ, и Ку =2, нужно минимум Ку=3 ( это важно, кмк )
А если изначально кривой УМ ( слабый ВК) , то никакая ООС не спасет
Я собственно восхищён не конкретно этой схемой, а вектором его мысли....мыслил он правильно, но реализация немного не доделана, не оптимальна
То что его хвалят за звук, это не я, я его не делал, но схему видел, и как то прошел мимо,не заметил тогда главной фишки, не был готов понять её правильно
Я правильно понимаю-вы бы заменили выходной каскад (сам УМ) на другой?
 
Я правильно понимаю-вы бы заменили выходной каскад (сам УМ) на другой?
Да,правильно
Схем более линейных УМ - оч. .много,но конкретную, рекомендовать не могу, это на вкус и цвет, но сама идея у него очень верная- использовать УМ в качестве усилителя только тока ( почти "только тока" )
 
LT1122- 2 40руб или OPA827 -2 000 руб. Всё таки дорого для 4-х канального усилителя
 
Да ладно! Нормально смотрятся и никаких помех. У АБ профессиональное выгорание_medsestra
 

Вложения

  • 1.jpg
    1.jpg
    209.8 KB · Просмотры: 146

Статистика форума

Темы
3,312
Сообщения
264,455
Пользователи
2,551
Новый пользователь
Александр Н.
Назад
Сверху Снизу