Нельсон Пасс – Пионерский усилитель

  • Автор темы Автор темы KSV
  • Дата начала Дата начала
Продолжение этой https://ldsound.club/threads/nelson-pass-usilitel-ampcamp.3508/ статьи.
Технические параметры с качественными деталями там же.

Переведу авторское название усилителя «AmpCamp» как «Пионер». Считаю это достаточно точным смысловым переводом. Некоторые куражились в комментариях, а зря. Усилитель весьма прост в сборке и настройке, у него хорошее качество звука, умеренная мощность чтобы меньше мешать окружающим, раньше и пионеры могли бы его делать, если бы тогда были доступны соответствующие детали. Кроме того, Пасс в целях безопасности специально использовал готовые блоки питания на 19 В (позже на 24 В) от ноутбуков. В комментариях он писал, что конечно можно ставить обычные трансформаторные блоки питания, но всем это он рекомендовать не может.

Смешно, раньше в журнале «Радио» был раздел «Для начинающих» и тогдашние пионеры запросто паяли ламповые схемы с питанием 300 В и не жужжали. Итак, напомню схему и даже не хочу её перерисовывать т. к мои изменения минимальны.

Правда, терзают сильные сомнения. Современные радиолюбители измельчали и в своём абсолютном большинстве могут только решать «мировые проблемы» в виде абсолютно идеальных усилителей и других устройств, гонять симуляции и обсуждать вопросы к радиолюбительству вообще отношения не имеющие.

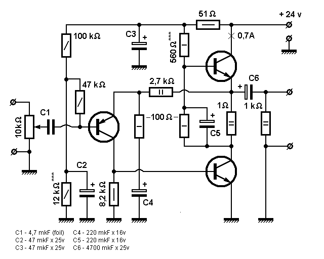
Детали и схема
ampcamp1_sch.png
Напомню что схема инвертирующая что ценится аудиофилами, поэтому выход усилителя «-OUT » подключается к «плюсу» АС. Читатели должны понимать особенности подключения такой схемы по входу.

Транзистор ZTX450 можно не искать, я взял 2N5551, годится много подобных транзисторов.

Выходных мощных MOSFET перепробовал несколько типов, в том числе и IRFP240, работают любые подходящие по току и рассеиваемой мощности, но я остановился на IRF640N - выбрал с умеренной входной ёмкостью, хочу попробовать "маломощные", но нужен переходник для крепления к радиатору хорошо проводящий тепло. Странно получается – рабочий ток 2 А а предлагают ставить чуть не на 100 А. И это плохо т. к. сильноточные транзисторы имеют большую входную ёмкость, IRF150 искажали ВЧ. Ключевые свойства, сопротивление в открытом состоянии, здесь особой роли не играют. Но нужен хороший отвод тепла от транзистора. В обсуждении было подчёркнуто, что Q1 может быть и горизонтальным транзистором, надо только резистором P1 уменьшить напряжение смещения, я не пробовал, хотя есть протравленная плата для одного канала, сомневаюсь что будет лучше.

Подбора требует только входной 2SK170, нужен с индексом BL и надо убедиться, что начальный ток стока 8…12 мА.

Конденсаторы С3 и С1 должны быть высокого качества.

Пасс ставит высококачественные низкоомные резисторы типа «МОКС», я переделал плату под китайские керамические белые «кирпичи» потому что они у меня были. Вместо пар 0,47 и 0,68 ом поставил по одному 0,22 и 0,33 ом на 5 китайских Вт, греются градусов до 80, но работают. Место на плате позволяет ставить по два резистора.

Светодиод ставить не стал. А вместо него поставил каскодный каскад для входного транзистора, для питания 19 В и 2SK170 он излишен, но я хотел испытать такое включение для питания 36 В. Испытания прошли успешно, но эта добавка при питании 19 и 24 В совсем лишняя. Можно перемычкой подключить сток прямо к шине питания.

Настройка

Резистор P1 в среднем положении, далее с его помощью устанавливаем постоянное напряжение на +С1 равным примерно половине питания.
Важный момент. При питании 19 В и нагрузке 8 ом, ток выходного каскада должен быть около 1 А. Мощность до ограничения будет примерно 4 Вт.
Для нагрузки 4 ом нужно впаять резистор между Б и Э транзистора Q3 ориентировочно 2 кОм, уточнить номинал с помощью переменного резистора. Надо получить примерно 1,7…1,8 А при этом выходная мощность будет около 8 Вт.

Дальнейшая настройка уже с нагрузочным резистором с помощью осциллографа и/или программы Спектралаб. С помощью P1 добиться максимальной мощности при минимуме искажений.
Искажения будут большими – несколько процентов, важно добиться спектра когда основной будет 2-ая гармоника, а 3-я будет ниже примерно на 20 дБ, остальные на столько же ниже третьей. Предполагается что усилитель будет эксплуатироваться на средней мощности 2 Вт что при отдаче АС около 88 дБ обеспечивает достаточный для комнаты уровень громкости при надлежащем качестве.
Тысячи благодарных отзывов на сайте самодельщиков подтверждают это.

Усилитель является прямым конкурентом усилителю Худа 1969 года, не буду писать свою точку зрения кто лучше, а кто хуже. Благодаря классу А и полевым транзисторам, данный усилитель лучше сравнивать с хорошим ламповым однотактом, да и параметры у них схожи. Но здесь вообще нет трансформаторов – ни силового, ни выходного (считаем закрытый чёрный импульсный БП чёрным ящиком без трансформатора). При желании можно в цепь питания поставить фильтр. Примерно такой.
SMPS_filter_schematic_revA.png
Дроссели на ток 6 А есть в Чипе и на Али.

Дополнение

Даже не назову недостатком, это скорее особенность – при номиналах как на схеме, чувствительность по входу 0,9 В при пороге ограничения на выходе. Если источник CD плеер, а записи относительно тихие, мощность на выходе будет сильно меньше максимальной. От других источников сигнала типа телефончега будет много хуже.
Поэтому я чуть-чуть переделал ещё один проект Нельсона Пасса – «Bride of Zen» уменьшив питание «Невесте Жени» с 60 В до 19 В и уменьшив усиление до 10 дБ. Для источника сигнала от CD плеера это вызвало даже неудобство – при нормальных и громких записях, приходится ставить ручку не более «9 часов» но при тихих записях, которых меньшинство, самый раз. Появилась даже мысль сделать коммутацию «с предусилителем и без него». Уменьшив напряжение питания и ток покоя, я несколько ухудшил параметры предусилителя и они составляют 0,2% второй гармоники на уровне ограничения УМЗЧ и 0,1% второй гармоники при средней мощности на которой и слушаю.

На слух разница между данным предусилителем и намного более сложным с меньшими искажениями, незаметна. Вот фото рабочего макета "просто добавь корпус".
Можно выводы транзисторов вставлять прямо в плату, но с короткими проводами удобнее подключать любые транзисторы.

P7157747.JPG

Усилитель Пионер, как и усилитель Худа 1969 года не могу рекомендовать в качестве единственного, но в качестве дополнительного и «на каждый день» он вполне подходит. Не могу утверждать, но есть мнение, что по звуку он ближе к ламповому или хорошему германиевому, чем к классическому на микросхемах с дифкаскадами и глубочайшей обратной связью. Снова не буду утверждать, но есть ощущение что звук «быстрый», сужу по голосам музыкальных инструментов. Боюсь что на акустике с 15ГД-11 и подобных утюгах, это не услышать.

Нельсон Пасс писал что это «усилитель выходного дня». Соглашусь, что имея все детали и готовую печатную плату, свободно можно собрать, настроить, подключить, послушать. Но если нет такого корпуса как в наборах Пасса, с корпусом придётся повозиться. Вернее можно будет понять – надо ли Вам упаковывать данный Пионер в корпус или нет. Даже если не понравится, вы не так много потеряете.

Данную статью написал в надежде на то что есть ещё люди способные работать руками и головой.
 
Последнее редактирование модератором:
Написал уже что не путаю, а взял первый справочный листок что подвернулся на чипе, тратить лишнее время на скрупулёзный ответ в данном случае просто не хотелось. Я пришёл к выводу что любые IRF150 здесь нежелательны, не для усилителей они, с ними возникают дополнительные сложности - надо резко увеличивать ток управления, а зачем? Их токи от 100 А здесь не нужны, лучше взять более "шустрые" и менее "токовые" с входной ёмкостью пониже. Я так и сделал: посмотрел-купил-поставил-проверил-написал.
Поэтому МНЕ без разницы в каких они корпусах.

Спасибо за ссылку. Проще, лучше, дешевле, быстрее, эффективнее поставить более подходящий транзистр без плясок с бубнами.
Я мог бы и не писать про 150-ый, но хотел показать что есть проблемные транзисторы из мощных чтобы кто-то не "испортил кашу избытком масла (максимальным током по паспорту)".
Я почти уверен что пойдут и совсем дохленькие. Китайцы (давно) прислали мне кучу биполярных мощных транзисторов которые и врагу не пожелаешь, хочу их молотком, а подложку, если медная, хочу зачистить и припаять к ней мелкие транзисторы которые не предназначены для крепления на радиаторы, интересно что получится.
Если не пойдут сюда и кристалл мал для рассеивания 15 Вт тепла, то могут пригодится в других случаях. Приходится заниматься такой ерундой поскольку массово делают неплохие кристаллы, но ставят их в сиротские корпуса. Расчёт явно на то что они будут работать только в ключевом режиме и при обещанном сопротивлении канала в открытом состоянии сотые-тысячные доли Ома они не греются. А в удобных больших корпусах под винт ставят слишком мощные транзисторы с большой входной ёмкостью.
По поводу Чуфолли - я даже плату свою нарисовал, всё закупил, но руки так и не дошли, а теперь делать не буду. Разговаривал (не вчера) с моим товарищем и личным Гуру (Золотое Ухо + Золотые руки), звук этого Чуфолли ему не понравился. Его слово для меня почти закон.
IRF150Р220 здесь точно нежелательны, с ихними 12000пф, а IRFP150 пойдут, там 1900пф (фото), у IRFP240 1300пф.
В любом случае нужен большой ток драйвера и низкое выходное сопротивление, иначе завал на вч обеспечен.
Размер кристалла влияет на звук, больше лучше, имхо.
За ссылку пожалуйста.
Лучше своими ушами послушать, а не мнения гуру с "золотыми" ушами.
Я все темы в интернете прочитал, по поводу Чуффоли и Пасса, из тех кто собирал унч Пасса и Чуфолли, пишут, что пасс хуже по звуку, а в повторителе чуффоли есть схемотехнические плюсы, там сигнальный ток отвязан от цепи питания, так пишут.
Ну а так то по желанию :)
 

Вложения

  • 2025-10-10_22-01-33.png
    2025-10-10_22-01-33.png
    91.1 KB · Просмотры: 82
IRF150Р220 здесь точно нежелательны, с ихними 12000пф, а IRFP150 пойдут
Так вот не каждый разберётся с этими префиксами и индексами, вообще не надо в них лезть. Или хочется создать себе трудности на ровном месте, а потом пытаться их преодолеть? Я давно выжил из этого возраста.
Был у меня один знакомый и купил он какой-то супер-пупер внедорожник, ну и чесалось у него искать проблемы вместо того чтобы их обходить. Все мелкие ямы и лужи он преодолел, но удовлетворения не получил. И ура, в мухосранской тьмутаракани нашёл он такую глубокую лужу и с чувством глубокого удовлетворения влез в неё... А вылезти не смог и так и этак. А это глухомань, можно сутки кого-то прождать, а можно неделю. Повезло что было лето. Посидел он денёк, поумнел и пошёл солнцем гонимый вдоль дороги (давненько это было, сотовая связь не везде была, как и телефончеги) которая непременно должна была его привести к какой-нибудь деревне. Ему повезло, добрёл, он остался жив, нашли ему тракториста...
Вот я уже тогда скептически смотрел на таких героев.
, там 1900пф (фото), у IRFP240 1300пф.
Ещё раз и русским языком. У тех-самых IRFP150N или как их там, не вижу смысл доставать коробки, находить и прочее, синус на 15 кГц уже был безобразный. Явные искажения и на 10 кГц и ниже. Убедился в этом на практике, а не на основе рассуждений. Кто не верит, может гордо найти ту самуюглубокую лужу, а потом пытаться из неё вылезти. Я просто возьму более подходящий в данном случае транзистор и спокойно поеду дальше.
Написал я всё это чтобы другие не вляпались. Но если кому-то хочется, пожму плечами, лишь бы он не заявлял на всех перекрёстках, что схема - говно ИМЕННО ПО ЭТОЙ ПРИЧИНЕ.
Получить гуано собрав эту схему, при желании можно, поэтому я многократно уже писал на что надо обратить внимание, что рекомендую, а что - нет. Разумеется, моей табличкой "Осторожно-окрашено" можно пренебречь. Многие слышат только себя и ютуп.
В любом случае нужен большой ток драйвера и низкое выходное сопротивление, иначе завал на вч обеспечен.
В любом - это каком? В моём случае всё нормально. Что будет у других - сильно зависит от них, от желания влезть в лужу.
а КАК вы получите "большой" и большой - это сколько?
Я уже много-много раз написал что нужны не просто 2SK170 а 2SK170-BL. Притом то сегодня продаётся с такой маркировкой подделки - оригиналы давно не выпускаются. Другое дело что нам не нужна их малошумность, нам нужны их ВАХ, а здесь можно купить что-то приличное. И я не просто так много-много раз писал, что усилители собранные мной по схемам Пасса имеют заметно худшие переметры чем у него. Объясняю это И тем, что мои детали хуже чем его детали, а мы помним что чем проще кажется схема, тем более линейные и качественные детали в ней должны быть. Сверхглубокая обратная связь нивелирует эти нюансы, всё уравнивает, но зачастую уравнивает и ребёнка отрезав ему голову.
Ну и я же написал про ток стока который уже я рекомендую на основе небольшого опыта, конкретные цифры.
Но могут найтись люди которые поставят транзисторы с начальным током стока 3 мА а потом будут возмущаться как плохо всё работает.
Я повторяю по десятому разу, пора заканчивать. Раз никто не слушает, всё пытаются делать иначе, а мне это неинтересно.
Размер кристалла влияет на звук, больше лучше, имхо.
Ну ставьте больше, раз у вас такое имхо. А я ЗНАЮ что эти вертикальные транзисторы на большой ток фактически состоят из множества параллельно включенных и поэтому обладают намного большей входной ёмкстью которой надо управлять и расчитаны они на прямоугольные импульсы большой амплитуды.
И при токе 1,7 А ставить транзисторы на 150 А - это...
При такой логике больше-лучше соберите какой-нибудь приёмник или усилитель в котором вместо П416Б и КТ3102Д везде будут кристаллы и корпус П210. Кстати, я разочаровался и в наших КТ3102Д и КТ3102Е несмотря на золотые корпуса и хорошее усилению по току, оказалось что пластиковая дрянь и дешёвка купленная на базаре Али BC547C делает звук усилителей лучше. Меня это огорчило, не скажу что наши плохие, но что сними терерь делать? Ставить в автоматику, запускать реле?
За ссылку пожалуйста.
Ещё раз спасибо.
Лучше своими ушами послушать, а не мнения гуру с "золотыми" ушами.
Безусловно. Но ЭТОТ конкретный МОЙ личный гуру мне известен уже лет 40. Это не кто-то где-то и я многократно и неизменно убеждался что он с первых секунд слышит то на что мне нужно минут 5 а может и 10. Пустяк? Для дома - да, а если мы ходим по выставке где несчетное количество этой техники?
Поэтому я в нём уверен, а его мнение другим не навязываю.
Помню как он ко мне пришёл домой и я демонстрировал ему настоящие "кубики Салтыкова" сделанные точно по всем журнальным рекомендациям.
Через 5 секунд его скривило и он сказал: "где ты взял это говно?" и точно описал недостатки которые я выслушивал до того довольно долго. Поэтому другие могут этим говном восторгаться - они этого достойны.
Я все темы в интернете прочитал, по поводу Чуффоли и Пасса, из тех кто собирал унч Пасса и Чуфолли, пишут, что пасс хуже по звуку, а в повторителе чуффоли есть схемотехнические плюсы, там сигнальный ток отвязан от цепи питания, так пишут.
Не читайте всё что пишут на заборах, действует стадный инстинкт, один написал - вс повторяют, и именно потому что изначально написано про эти "схемотехнические плюсы" которые заключаются в том что "звук" через один лишний конденсатор не проходит.
Начнём с того что Чуфолли - не усилитель в привычном смысле этого слова. Его собиратели даже не понимают что такое follover - это повторитель. Ну и положим надо получить всего-навсего 8 Вт на 8 ом чтобы его "оценить". Для этого обязателен отдельный внешний предусилитель способный идеально выдать эти 8 В, а с этим мало кто может справиться. Без предусилителя он вообще будет работать с громкостью радиоточки. Не верите? При обычном выходе источника самого высокого уровня - CD плеера с его 2 вольтами, средний уровень будет в самом лучшем случае и на "громких" записях 0,5 В. По известной формуле на 4 ом получим 62 мВт, на 8 ом 31 мВт...
Так вот тем людям, которые пишут, можете верить Вы, верить можно вообще во что угодно, для меня их мнение не стоит ничего, как не стоит мнение легиона глухих восхваливающие "кубики Салтыкова", повторяю, именно их, а не любые двухполоски которым некоторые пытаются навесить ярлык кубиков.
Сергей, вы будете смеяться но я как раз недавно сделал и испытал схему Пасса рекомендованную на Вегалабе (давно уже) как предусилитель для повторителя Чуфолли.
 
большой - это сколько?
50-100ма, чтобы быстрее (в наносекундах) зарядить ёмкость пн-перехода полевика с ёмкостью 1100пф при низком выходном.
В вых. каскаде на биполярах, сколько по времени заряжается ёмкость входная?

Такой калькулятор подходит для замеров времени заряда пн-перехода?

 
50-100ма, чтобы быстрее (в наносекундах) зарядить ёмкость пн-перехода полевика с ёмкостью 1100пф при низком выходном.
Не хочу говорить ничего обидного, но я уже написал и не раз реальные токи лучших полевых маломощных транзисторов с PN переходом. Похоже, вы не читаете. тогда глупо что я сейчас пишу.
Цифры которые вы предлагаете в данной конфигурации нереалистичны. Реалистична цифра тока транзисторов 3-4 мА и еще раз (который?) повторяю что нужны не просто 2SK170 а 2SK170-BL и даже из них лучше выбрать более 10 мА что я и сделал по советам того же Пасса.
Впрочем, и Вы правы. Вот начальные токи десятка J112 купленных в Чипе и Дипе "3,8 - 3,9 - 3,9 - 3,7 - 3,6 - 3,6 - 3,7 - 3,6 - 38 - 41" встречаются и такие экземпляры, но с ними надо бы ещё разобраться поближе. Вот только боюсь что поиски Грааля транзисторов с огромным начальным током могут кончиться неудачей (надо бы проверить, может это брак или ошибка измерительного прибора). Могу подсказать и советские полевые транзисторы с которыми изредка случаются такие аномалии. Будем опыть действовать по принципу "покупаем ведро советских и ищем в них жемчужное зерно?" Посмотрел сколько такие сейчас стоят в Чипе: точно таких как у меня нет, но в другом корпусе, похуже 400-1000 руб. за штуку. Меня снова можно обвинить в подтасовке цифр, но порядок цен понятен? Можно найти жечужное зерно на блошином рынке если повезёт, но одного мало. Не буду мешать в таких поисках.
Договорились - я делаю вариант Пасса с 2SK170-BL,
Вы - делаете на полевых транзисторах с PN переходом у которых начальный ток стока 50...100 мА, лучше, конечно 100 мА.
Предвижу вопрос - а почему именно на входе полевой маломощный транзистор? Хорошо, возьмём усилитель Шушурина 1978 года и поставим на выход мощные полевые транзисторы. Делать будете или это просто тэория?
А Пасс уже сделал, около 40 лет назад задолго до серии Zen.
Поворот citation_014.png

Это переделка одного из популярных тогда усилителей. Но если посмотреть, и тут ток транзистора раскачки 5...10 мА, а выходная тройка-двойка превращена в единичку. Так он накапливал свой опыт в результате которого отдал предпочтение полевым транзисторам.
Думаете это всё? Нет, вот схема этого года, свежак.
Бабель-фиш, бабская рыбка, русалка по нашему.
Babelfish F8b schm 2025.png

Интересно? Так помогайте делом, а не рассуждениями, меня на всё не хватает или вы только "а поговорить" - бабель-бабель-бабель?
Но посмотрим подключение верхнего по схеме выходного транзистора. Питание 25 В резистор в затворе 5 кОм = 5 мА.
Обошлись без 100 мА? Но как???
Есть ещё схемы и примеры. Но надо ли?
ТЁЗКА! Рад буду если Вы подключитесь к теме и соберёте НА ПРАКТИКЕ хотя бы схему Babelfish, если усилитель Пионер слишком прост. Если же Вы один из симулянтов, так и напишите, я не буду больше отвечать Вам так подробно. Занимайтесь куркуляторами, желаю творческих успехов. _ty1
P.S. А я ещё собираюсь вторгнуться в вотчину лампадников и попробовать собрать лампово-полевой предусилитель по мотивам схемы того же Пасса. Причём не редчайшую лампу как у него, а самую простую, которую можно купить по цене трамвайного билета и с низковольтным питанием.
Предвижу массовые акции протеста лампадников если что-то получится и я опубликую материалы. Предвижу что мне будут давать ценные указания, тыкать носом в оплошности, говорить что это слишком просто и потому делать такое никто не будет.
 
Обязательно повторю эту конструкцию если подвернутся 2sk170. _pechatka.
Обещал повторить, повторяю, тем более что 2sk170 уже стали покрываться пылью. Сергей ушел в подполье. Теперь он только читает. По этому попробую пробудить в нем опять писателя. Скажу его же словами.
Критику заказывали? Нет? Поздно! Получите распишитесь. _hm_
Если честно то я на перед предвидел результат но хотелось проверить так ли это.
Усилитель сделан на печатке по образу и подобию Пасса только у него двухсторонняя плата не знаю зачем он сделал smile_15у меня односторонняя топология довольно простая все силовые дорожки сделаны широкими. Транзисторы на выходе IRFP240 радиаторы от процессоров, питание обычный транс с двумя RC звеньями по 10тыс.+1Ом.

1764917725785.jpeg
1764917747332.jpeg


Ниже привожу спектр на 8Ом нагрузки 1Вт выходной мощности. THD= 0.66%

1764918236359.jpeg

Если смотреть по уровню -100дб (фото ниже) как многие здесь показывают то вроде как нечего, даже красиво. Вторая , третья и совсем маленькая четвертая. Ну это всего лишь 1Вт.

1764918306876.jpeg


Ниже спектр на при мощности 3Вт при тоже нагрузке 8Ом питании 20В. Больше моя звуковая карта по выходу не сдюжила. Здесь уже THD=1.5% и если смотреть по уровню 100дб то по вылазили гармоники вплоть до 9.

1764918592725.jpeg


АЧХ + Фаза

1764918818451.jpeg


Выше Сергей не раз вспоминал Худа и его усилитель 1969г.
Усилитель является прямым конкурентом усилителю Худа 1969 года, не буду писать свою точку зрения кто лучше, а кто хуже. Благодаря классу А и полевым транзисторам, данный усилитель лучше сравнивать с хорошим ламповым однотактом
Выскажу своё мнение. Усилитель Пасса проще в нем нет дефицитных деталей, делается если всё подготовлено за пару часов, настройка простая. Пасс даёт простор действий типа пробуйте экспериментируйте результат зависит только от вас . Усилитель Худа посложней его надо делать строго следуя рекомендациям особенно нужно уделить внимание подбору транзисторов и это важный момент если хотите получить результат. Ниже для сравнения приведу спектр своего Худа 1969г. По характеристикам Пасс явно не дотягивает до Худа (6 вольт в нагрузке 8Ом 4,5Вт THD=0,062% 2 и 3 гармоники и все (фото ниже)

1764919746080.jpeg


Для сравнения приведу спектр Чуффоли. Для тех кто не в теме, повторитель Чуффоли сделан на мощных полевых транзисторах аналогично Пассу фото ниже выходное 3В нагрузка 8Ом. Спектр схож с Пассом только в данной случаи THD=0,14% в отличии от Пасса THD=0,66% и это связано с током у Чуффоли 2А у Пасса 1А.

1764920070033.jpeg


Спектр Чуффоли. 6,6В нагрузка 8Ом. THD=0,23% и длинный хвост по уровню 100дб. вплоть до 10гр.

1764920117268.jpeg

Поэтому я выше писал что =>
Если честно то я на перед предвидел результат но хотелось проверить так ли это.
Дело в том было время я интересовался ВК на мощных полевых транзисторах. И повторил около четырех конструкций разных авторов и везде было всё одинаково плюс минус.

Заключение.
Усилитель Пасса описанный и предложенный к обсуждению Сергеем имеет право на жизнь. Что бы улучшить параметры, Пасс ведь призывает и экспериментам, я бы увеличил напряжение питания хотя бы до 30В и ток 1.5....2 А возможно получится получше. Тем кому мощность не важна как на пример мне можно использовать в стоковом варианте вполне себе причные характеристики лампового усилителя (1вт 0,66% искажений в спектре 2 и 3 гр.) очень похожи на мой на 6ф3п.
По звуку. Звучит хорошо, отвращений не вызывает. В отличии от Чуффоли на низах не бубнит сказывается не глубокая ООС что ведет снижению выходного сопротивления. Для полного анализа надо послушать недельку другу. Касательно Худа. По характеристикам Пассу до Худа далеко хотя и в одном и другом по четыре транзистора и ток покоя 1А. По звуку это разные усилители и звучат каждый по своему.
У меня всё!
 
Добавлю отсебятины, но в рамках темы.
Не так давно сложилась прекраснозвучная и мощная схема АВшника на паре латералов с мощной лампой в раскачке. Питание два по 30 в, ток покоя 250-300ма. Выход 17 вольт на 8 ом. На 4 Ома чуток меньше, по памяти, 15 вольт.
Туповатые Сканы впервые выдали такой марш, что стало страшно за динамики, при этом звук необычайно красивый и прозрачный. Но точила мысль про волшебный А класс и все прелести, с ним связанные.
Решился, перепахал питание на два по 15 вольт, ток покоя сделал 1 Ампер. Радиаторы сделали удивленные навыкат глаза, но стерпели издевательство.
Итог переделки ужасен. Привычный громовой рокочущий звук от вваленной в динамики мощи сменился жалким сипением в динамиках , стоило чуть накрутить уровень. Хватило терпения на этот позорный звук ненадолго, понял, что потерял, не получив взамен ничего. Вернул питание обратно, выставил прежний режим, радостно услышал вернувшуюся благодать в колонках.
Отсюда мораль. Для тихого домашнего прослушивания Ашник годится, с поправкой на горячие железяки. Звучит Ашник и правда необычно на самых малых уровнях . И вполне хватает пары ватт , а то и менее, чтобы в тишине слушать райские звуки. Но если мощность переваливает за десяток ватт на выходе. то камин в комнате уже под вопросом. И разумнее видимо АВшник с приличным током покоя.
 
Пасс ставит высококачественные низкоомные резисторы типа «МОКС», я переделал плату под китайские керамические белые «кирпичи» потому что они у меня были. Вместо пар 0,47 и 0,68 ом поставил по одному 0,22 и 0,33 ом на 5 китайских Вт, греются градусов до 80, но работают. Место на плате позволяет ставить по два резистора.
Вот моя спецификация для этого усилителя. Добавлю для тех кто захочет повторить этот усилитель плата в формате lay. И спецификация для покупки мелочевки в чипе. Размеры на плате соответствуют элементам в заказе.

DOC000174638.jpg
SQP 5Вт 0.47 Ом, 5%, Резистор проволочный мощный (цементный)
Тайвань
4×12.00 руб.=48.00 руб.
DOC005294158.jpg
CF-50 (С1-4) 0.5Вт, 68 кОм, 5%, Резистор углеродистый
Тайвань
5×4.00 руб.=20.00 руб.
DOC005294158.jpg
CF-50 (С1-4) 0.5Вт, 330 кОм, 5%, Резистор углеродистый
Тайвань
5×4.00 руб.=20.00 руб.
DOC005294158.jpg
CF-50 (С1-4) 0.5Вт, 1 кОм, 5%, Резистор углеродистый
Тайвань
10×5.00 руб.=50.00 руб.
DOC005294158.jpg
CF-50 (С1-4) 0.5Вт, 10 кОм, 5%, Резистор углеродистый
Тайвань
10×5.00 руб.=50.00 руб.
DOC000174662.jpg
SQP 5Вт 0.68 Ом, 5%, Резистор проволочный мощный (цементный)
Тайвань
4×12.00 руб.=48.00 руб.
DOC005294158.jpg
CF-50 (С1-4) 0.5Вт, 100 Ом, 5%, Резистор углеродистый
Тайвань
5×5.00 руб.=25.00 руб.
DOC004469843.jpg
B41858C4108M (16V 1000uF /10*20/ +105°C), Конденсатор
EPCOS
Этого товара больше нет в наличии, но есть похожий
2×80.00 руб.=160.00 руб.
DOC000176210.jpg
ECAP (К50-35 мини), 10мкФ, 25В, 85°, 4X5мм, Конденсатор электролитический алюминиевый миниатюрный
Тайвань
5×8.00 руб.=40.00 руб.
DOC005299916.jpg
2N5551, Транзистор NPN 160В 0.6А 0.625Вт [TO-92]
Diotec
4×5.00 руб.=20.00 руб.
DOC059675766.jpg
JBR-3266W-502-R, 5 кОм, Резистор подстроечный
JB Capacitors
2×35.00 руб.=70.00 руб.
DOC058756106.jpg
3300 UF 35V 105*C 22*25 Liron, LHS1V332MP025K63B, конденсатор электролитический с жесткими выводами (Snap In) радиальный , 3300 мкФ, 35 В, 2
Liron
 

Вложения

Итог переделки ужасен. Привычный громовой рокочущий звук от вваленной в динамики мощи сменился жалким сипением в динамиках , стоило чуть накрутить уровень. Хватило терпения на этот позорный звук ненадолго
Это можно было видеть в симуляторе буквально через 5 минут после начала набивки схемы. Класс А не звучит.

Но мы ж не ищем лёгких путей. Мы играем по-крупному и дым идёт жирный.

Вот, для примера, из стааарых моделей:

1765786173026.png

Идея в том, что для устранения искажений каскада ООС создаёт перед ним некое количество анти-искажений, обратных начальным. По этому количеству АНТИ-искажений можно видеть количество искажений начальных.

Смотрим на вход ВК:
класс А - 0,2%
класс АВ - 0,003%.
Ну, и на выходе тоже разница имеется - не в пользу А-класса.

А чо оно так?
А то, что ток транзистора в классе А мотается от 0 до максимума, а в классе АВ - максимум в половине этого диапазона. Тогда как каждому значению тока соответствует, образно говоря, уже иной тип транзистора и иные его свойства. Свойства транзистора в классе А меняются шире - а с ними и искажения больше.

Достаточно знать это теоретически, чтобы не тупить практически - но дегенератам разве докажешь?
 
Свойства транзистора в классе А меняются шире - а с ними и искажения больше.
Какие свойства транзистора в классе А меняются, если ток питания через него и температура стабильны?
 
Пока Ашники макетил, ни один мощный германец не вылетел. А сраные куриные схемки на квазикомплементарах пожгли весь запас германия. Сквозной ток и дым.
 
Вот, для примера, из стааарых моделей:

Посмотреть вложение 163342
Смотрим на вход ВК:
класс А - 0,2%
класс АВ - 0,003%.
Ну, и на выходе тоже разница имеется - не в пользу А-класса.
У тебя какой то странный класс А на схеме, при чем тут микросхема lt122?
Чтобы сравнивать со своей схемой, нужно хотя бы выбрать нормальную схему в классе А, а лучше несколько.
На какой мощности ты их сравнивал, вживую или на симуляторе слушал?
Большинство людей слушают музыку в квартире не больше 1 ватта и уже при такой мощности соседи в стену начинают стучать, а у тебя выход 20в, это вообще прикол, после такой прослушки могут нормальный штраф выписать люди в погонах.
Интересная нагрузка 32 ома, это для каких колонок, которые на голову одеваются?
Поставь нагрузку 8ом.
Какие модели унч А класса есть в твоём тетрисе на данный момент?

Вот таблица JLH-1969 на кремнии тех годов, там последняя графа, 0,06% искажений при 9 ваттах и одинаковом коэффициенте усиления выходных транзисторов.
А на одном ватте будет ещё меньше, 3-4 нуля после запятой, так что не надо причёсывать за все унч в классе А, что у них искажения 0.2%
Собрать JLH-1969 проще, чем твой унч.

Пока Ашники макетил, ни один мощный германец не вылетел. А сраные куриные схемки на квазикомплементарах пожгли весь запас германия. Сквозной ток и дым.
Всё так и есть, класс А спаял и сразу всё заработало.
А кому нужна эта суета с пайкой 30ти транзисторов на канал, пусть паяют.
Короче тракт, лучше звук, по субъективным ощущениям.
 

Вложения

  • JLH_tr_matching.GIF.0a4b3ba9746086675fce536bb8e78cde.gif
    JLH_tr_matching.GIF.0a4b3ba9746086675fce536bb8e78cde.gif
    125.9 KB · Просмотры: 60
вот схема этого года, свежак.
Худ:)
Точнее, Делапиано на полевиках вместо дарлингтонов (забыл,как он назывался у А.Петрова))).
Он же "Тотемный столб", он же Сагден...
 

Вложения

  • 224506kfeopfeu18h8l1h4.png
    224506kfeopfeu18h8l1h4.png
    23.9 KB · Просмотры: 75
  • клА.JPG
    клА.JPG
    34.8 KB · Просмотры: 68
  • 1-17.jpg
    1-17.jpg
    35 KB · Просмотры: 73
  • Dellepiane.GIF
    Dellepiane.GIF
    9.8 KB · Просмотры: 88
Последнее редактирование:
А так.
 

Вложения

  • b.1984-11.037.jpg
    b.1984-11.037.jpg
    677.4 KB · Просмотры: 93
То есть, ты думаешь, что я дурил сам себя, и, не имея вообще никаких данных, лезешь со мной в пустые препирательства по надуманным доковыркам. Бесполезняк.
Я вообще не думаю, что ты там думаешь, у меня есть дела поважнее.
Я тебе привёл факты, на твои типо аргументы о классе А.
Вот у тебя похоже и произошел регресс естественного интеллекта и на замену ему пришел симулятор.
Новых отзывов не добавилось или ты эту чью то писанину ещё 20 лет будешь приводить в аргумент?!
Этих искажений нет, о которых ты так трясёшься, за то есть живой звук в классе А.
Собери JLH-1969 с лампой на входе и послушай и ты выкинешь свою поделку на квазитранзисторах с -160дб сразу без раздумий.
 
А на одном ватте будет ещё меньше, 3-4 нуля после запятой
А на одном милливатте это будет такой же сверхлинейник, как у меня - от 1 мВт до 200 Вт.

на замену ему пришел симулятор
Паазвольте! Не только там у меня регресс. Я вот пальцем никогда не подтираюсь, а по-твоему, это явный регресс. Ведь бумага - это ненатурально!

Новых отзывов не добавилось
А зачем тебе новизна? Чо ты там хотел нового вычитать?
 
Последнее редактирование модератором:
А на одном милливатте это будет такой же сверхлинейник, как у меня - от 1 мВт до 200 Вт.

Только одно ты забыл: это уси, спроектированные по интеллектуальной немощи для интеллектуально немощных. Ни проектанты, ни сборщики не понимают ничего, особенно - главного:

если в погоне за линейностью вы снижаете выходную мощность уменьшением напряжения входного сигнала при неизменном шумовом напряжении на входе усилителя,

то сразу же вместо искажений слышите шум.

Тут у вас небогатый выбор, собсно: или искажуху топтать, или шумами наслаждаться. Потом рассказывайте, как вы слушали лучший в мире усилитель. Не забудьте про интересный шум звук ввернуть.
Ты про какие шумы говоришь, по питанию, тепловые или от переключений транзисторов в классе А? _hm_
По питанию в классе А надо ставить стабилизатор, остаются только тепловые шумы, на которые можно не обращать внимания, если не дымитsmile_1
 
1765801362189.png1765801600807.png
Этих искажений нет
Каких именно нету? Вот этих, из модели, взятой на дий-аудио?
Или других нету, каких ты не слышишь, привыкнув в течении жизни к говняному звуку?

Симулятор до тысячной процента не ошибается: говно есть говно. Ты никогда не слышал нижние 40 дБ динамического диапазона.

если в погоне за линейностью вы снижаете выходную мощность уменьшением напряжения входного сигнала при неизменном шумовом напряжении на входе усилителя,

то сразу же вместо искажений слышите шум.
Ты про какие шумы говоришь
С чтением и пониманием у тебя явные траблы. Но идея проверить проникание помех в звука жлх - бохатая:

1765801808390.png

Как видишь, подавление не более 300 раз, и из 1 В пульсаций на питалове ты слышишь 3 мВ в динамиках. А уж про ИНЧ и говорить нечего: всякие броски питающего сетевого усилитель выдаёт колебаниями диффузора.
 
Последнее редактирование модератором:
Ты про какие шумы говоришь, по питанию, тепловые или от переключений транзисторов в классе А? _hm_
По питанию в классе А надо ставить стабилизатор, остаются только тепловые шумы, на которые можно не обращать внимания, если не дымитsmile_1
Страшное скажу. Ашник и без стабилизатора тоже работает.
 
1765803190895.png
Страшное скажу. Ашник и без стабилизатора тоже работает.
Да, это реально страшное он сказал. Только он не понимает, почему оно страшное. Он-то, по несознанке, думает - весёлое схохмачил:

1765803110592.png

В самую пору с жлх все стабилизаторы поснимать. Пусть ноги дышат.
 
Последнее редактирование модератором:
Посмотреть вложение 163399
Посмотреть вложение 163400

Каких именно нету? Вот этих, из модели, взятой на дий-аудио?
Или других нету, каких ты не слышишь, привыкнув в течении жизни к говняному звуку?

Симулятор до тысячной процента не ошибается: говно есть говно. Ты никогда не слышал нижние 40 дБ динамического диапазона.
Схема кривая, ты явно по Худу дилетант.
На выходе 10000мкф ставь, а лучше 22000мкф.
Откуда там 20вольт на выходе что это за вольты вообще 20v? Я не в теме.
Не ошибается это хорошо, хотелось бы верить, но религия не позволяет, а 27 вольт симуляторного питания, оно идеальное?
Может это шумы через блок питание твоего компа залезли в программу и гадят smile_1
Схему бы дорисовать, поставить туда стабилизатор, сможешь?
Шумы эти от чего?
У тебя есть класс А с минус 100-120дб на выходе по искажениям? Не делал?

Страшное скажу. Ашник и без стабилизатора тоже работает.
Знаю, но стабильные вольты лучше не стабильных, звук на выходе не плавает.

Посмотреть вложение 163411

В самую пору с жлх все стабилизаторы поснимать. Пусть ноги дышат.
Ты открыл нам тайну века, 10 миллигерц инфраниза, это вообще - Ужась, теперь можно усилитель продаватьsmile_1
Обрезать это никак не получится и на что влияют эти 10 миллигерц?

Кинулся бы тоже ленточники строгать ,да только что с готовыми делать....
Надо их слушать или не интересен их звук?

Существуют колебания напряжения сети. Сосед включил чайник или стирмашину - у тебя диффузоры с динамиков повыпрыгивали.
После стабилизатора их нет, у меня сделан так стаб, на входе срс, ёмкость 20000мкф и входное напряжение в стаб 48в, на выходе ёмкость 6800мкф и выходное напряжение 36в, так что мне без разницы, кто там что ключил, запас 12в на все скачки 220в. Напряжение для плат унч стабильное и вообще не дрыгается от гуляния сети.
 
У тебя есть класс А с минус 100-120дб на выходе по искажениям? Не делал?
Смысла нет, энергетического. По искажениям он в тысячи раз хуже, зато по размерам радиатора - в десятки раз больше. Хорошо, хоть выходная мощность при этом - милливатты.
 
Работает без стабилизаторов, КОНИП: -140...-170 дБ:
А есть какая модель стабилизатора для унч?
Сколько там на выходе помех?
Осциллограф у меня просто линию нарисовал без пульсаций на самом минимуме.
Так что я не пойму где ты помехи от сети находишь, если питание идеальное.

По искажениям он в тысячи раз хуже,
Откуда эти искажения взялись, питание идеальное, переключений транзисторов нет, как в АВ.
Модуляции летают от детали к детали?
 
где ты помехи от сети находишь, если питание идеальное
Если питание идеальное, я их делаю сам. Это - стандартная часть проверки усилителя при разработке его схемотехники.

Стаб, как говорилось, ничего не даёт в плане звука: это просто прекрасный лакированный полированный костыль с никелированным набалдашником для изначально провальной схемы.
 
Телефонник Пасса за $4000
 
А что уважаемые коллеги скажут по поводу Amp Camp Amp mini?
 
Вот хотя бы так, ведь можно же и совсем не страшно и не трудно. Вот сколько тут искажений? Что за усилитель? Давайте сравним с этим моим роликом? Особенно интересно послушать с искажениями 0,000002% насколько будет звучать лучше. Ведь должно же звучать лучше как нас тут некоторые уверяют. Попробуем?
 
Последнее редактирование:
Может, потому, что мы - техники, а не лабухи? Допускаешь вероятность?
Виктор, а каким образом пишется звук в роликах с тюбика? Видимо какая либо мутация .mp3?
И аудиофилы, на голубом глазу, предлагают послушать звучание системы записанной в хрен знает какой обстановке на хрен знает какой микрофон сохраненой в формате мп3. Меня это всегда умиляло.
 
На кого это рассчитано?Вы же все равно не услышите то ,что слышу я при своем "сетапе"и в своем помещении..
Конечно. Я услышу РАЗНИЦУ в звучании двух роликов на моей системе моими ушами. Примерно одинаково записанных и прошедших примерно одинаковый путь до меня. Если разница та будет. Или не услышу разницы, если ее не будет. Всего делов то. Конечно не так ярко, если бы вы слушали два усилителя у себя в системе, но тоже кое что смогу услышать и при сравнении 2-х роликов, если разница между ними все же будет. И ничего больше. Оценивать КАЧЕСТВО ЗВУЧАНИЯ системы по ролику - это профанация, как по мне, а вот оценить РАЗНИЦУ в звучании 2-х РОЛИКОВ( чувствуете разницу в терминологии?), если она есть, - это вполне реально при некотором опыте прослушивания роликов. И он, например, у меня есть.
И уверен практически почти на 100%. что при сравнении моего ролика и какого другого( на примерно одинаковом звуковом материале) разницу в звучании у себя в системе вы услышите. Именно РАЗНИЦУ. а не как звучит, это понимать надо.
 
Последнее редактирование:
На кого это рассчитано?Вы же все равно не услышите то ,что слышу я при своем "сетапе"и в своем помещении..
всё равно, что-то , но слышно, если слух натренированный
Сам характер усилителя например
Резкий, мягкий, бубнящий ( хотя здесь и АС тоже может влиять и помещение ), или нет, и прочее
Вообщем., иногда это интересно.
Но по сути, люди ведь могли бы выкладывать сам выход усилителя (под реальной нагрузкой), записанный через делитель прямо в комп или куда ещё
Но почему то так не делают
 

Статистика форума

Темы
3,350
Сообщения
269,226
Пользователи
2,576
Новый пользователь
grushar
Назад
Сверху Снизу