Однотактный германиевый бестрансформаторный

wilhelm

3 ранг
Регистрация
5 Авг 2025
Сообщения
94
Реакции
37
Репутация
2
Возраст
61
Страна
Германия
Город
Wehingen
Имя
Вильгельм
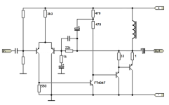
Наплясался со схемами Ge-Ашников , уже заранее плохо, когда такое вижу.
А самое печальное- схема с ОЭ без ООС, лажа лажовая. Дитё упрощения, печаль сплошная.
Пост 14 совсем другое дело.
Местных ос достаточно. Тут зависит от подключения нагрузки. Кому нравиться подсушить звук, повысить кпд, можно включить так:
 

Вложения

  • 217-D3.png
    217-D3.png
    7.3 KB · Просмотры: 29
Регистрация
14 Янв 2021
Сообщения
536
Реакции
142
Репутация
28
Страна
Россия
Город
Ковров
Имя
Сергей
Предупреждений
1
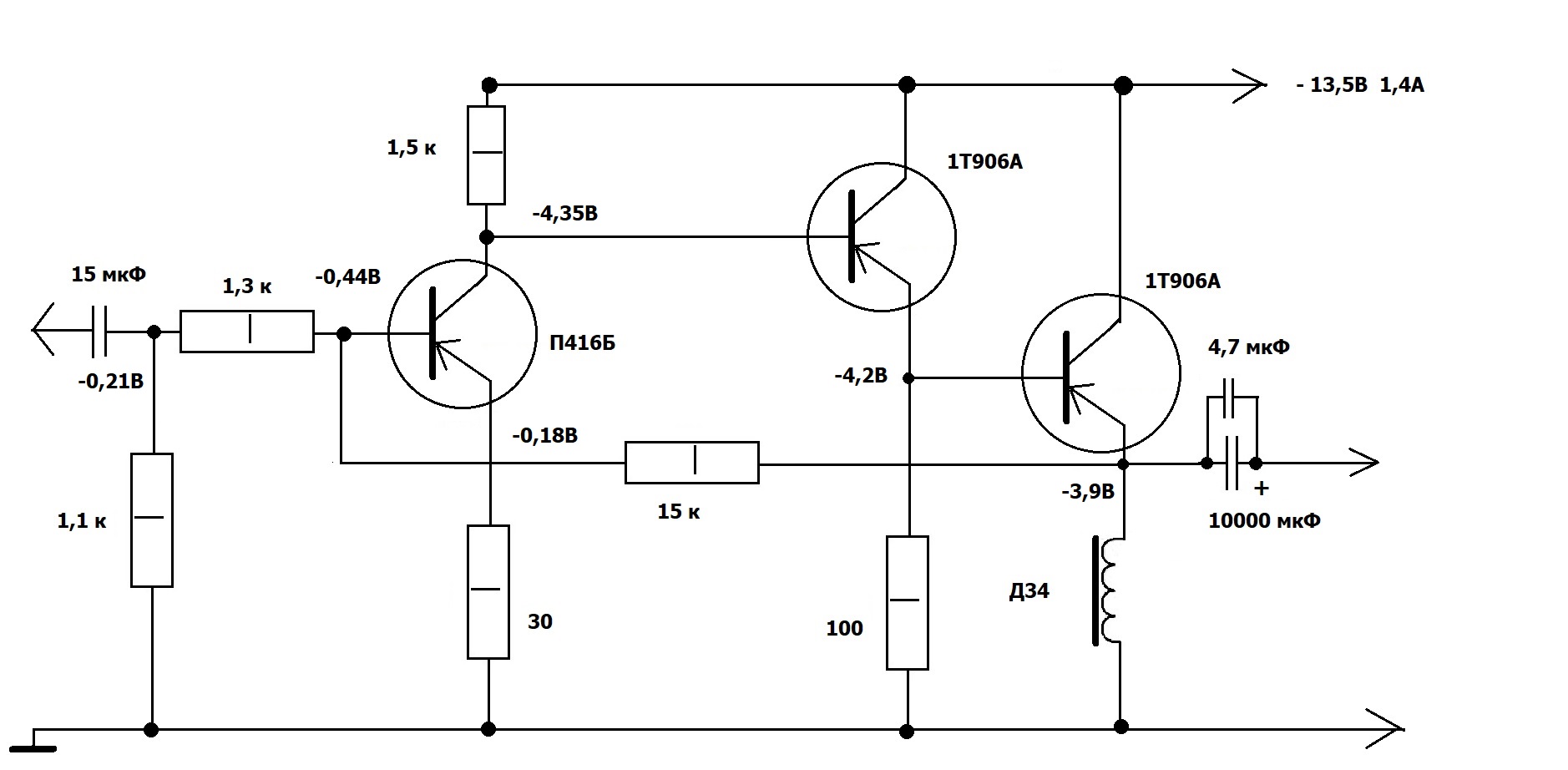
Нет, его пришлось покупать. Без него слишком сильно нагревался выходной транзистор и я подумала, что для германия это плохо. Усилитель с кт825 у меня без активного охлаждения, и там нагревается до 100 градусов.
А радиатора нет нормального, а лучше просто пластину алюминиевую толщиной от 12мм, примерно 20х15 хотя бы на один транзистор.
Радиатор размером с вентилятор и толщиной подошвы 3-4мм это ни о чём и вентиль наверно на всю крутит, должна быть полная тишина и ни каких вентиляторов.
Если на крышке 45 градусов, то кристалл ближе к 60 подбирается.

1т906-15вт, при 13,5в и 1,4а уже 18.9вт, не понятно, чем вы думали, загоняя транзистор в такой режим.
Я бы даже на гт806 не стал 20 ватт рассеивать, хотя он 30вт.

Структура кристалла при 100 градусах быстро деградирует и транзистору привет и не важно, что он 125-150 выдерживает, на кремний 70 уже лишку, оптимально 45-55.
 

Katharina Richter

3 ранг
Регистрация
25 Апр 2025
Сообщения
125
Реакции
25
Репутация
3
Страна
Россия
Имя
Katharina Richter
Как в моей схеме сделать дифференциальный каскад, по одной из этих схем?
Ведь у меня между каскадами непосредственная связь. И с помощью хитрых цепей организовано общее смещение. Нарисуйте хотя-бы примерно. Заранее большое спасибо
 

Вложения

  • Screenshot_20251008_233713 (1).jpg
    Screenshot_20251008_233713 (1).jpg
    106.7 KB · Просмотры: 33
  • 3tuqsskp4t (1).jpg
    3tuqsskp4t (1).jpg
    133.5 KB · Просмотры: 32

Katharina Richter

3 ранг
Регистрация
25 Апр 2025
Сообщения
125
Реакции
25
Репутация
3
Страна
Россия
Имя
Katharina Richter
Так мне бы проще, без источника тока, только с резисторами. И тем же однополярным питанием
 

Katharina Richter

3 ранг
Регистрация
25 Апр 2025
Сообщения
125
Реакции
25
Репутация
3
Страна
Россия
Имя
Katharina Richter
А если его на вход поставить, как дополнительный каскад?
 

wilhelm

3 ранг
Регистрация
5 Авг 2025
Сообщения
94
Реакции
37
Репутация
2
Возраст
61
Страна
Германия
Город
Wehingen
Имя
Вильгельм
Как в моей схеме сделать дифференциальный каскад, по одной из этих схем?
Ведь у меня между каскадами непосредственная связь. И с помощью хитрых цепей организовано общее смещение. Нарисуйте хотя-бы примерно. Заранее большое спасибо
Если хотите помучаться:
 

Вложения

  • XX.png
    XX.png
    55.2 KB · Просмотры: 48
Регистрация
12 Ноя 2019
Сообщения
28,303
Реакции
13,620
Репутация
395
Если хотите помучаться:
Как думаете, герр Вильгельм, не лучше ли питание предусилителя сделать двойной величины по сравнению с выходным каскадом? Тяжко приходится выходному транзистору с общим питанием, а с его низким питанием- неважно чувствует себя раскачка?
 
Последнее редактирование:

wilhelm

3 ранг
Регистрация
5 Авг 2025
Сообщения
94
Реакции
37
Репутация
2
Возраст
61
Страна
Германия
Город
Wehingen
Имя
Вильгельм
Как думаете, герр Вильгельм, не лучше ли питание предусилителя сделать двойной величины по сравнению с выходным каскадом? Тяжко приходится выходному транзистору с общим питанием, а с его низким питанием- неважно чувствует себя раскачка?
делел так в Ашнике на германии, применил без пользы валяющийся двухполярный импульсник от убитого Д-шника, там два по 23 вольта . Идея спокойно сработала.
Тут вся засада с дросселем(КПД 40%), выходной каскад усиливает по напряжению почти в два раза,раскачки должно хватать и это напряжение он берёт от источника питания. Лучше бы избавиться от железяки заменив её источником тока(КПД 20%) или просто резистором или лампочкой(КПД 10%), как дедушка Пасс, чтобы дурачить народ. Но если человек не ищет лёгких путей всегда можно показать трудную дорогу.
 
Последнее редактирование:
Регистрация
12 Ноя 2019
Сообщения
28,303
Реакции
13,620
Репутация
395
В нулевые были схемы на полевиках с дроссельной нагрузкой, с током в амперы , дроссели привязаны к земле, динамики сидели тупо в параллель дросселям, а в двухтакте разница по постоянному току вообще отсутствовала. Спрашивал у занимающегося в те годы подобной темой, он очень скептически относился к такому решению. там клубок противоречий между током, падением на обмотке, индуктивностью и полосой вниз.
Разумеется, габариты нецензурные.
 

wilhelm

3 ранг
Регистрация
5 Авг 2025
Сообщения
94
Реакции
37
Репутация
2
Возраст
61
Страна
Германия
Город
Wehingen
Имя
Вильгельм
В нулевые были схемы на полевиках с дроссельной нагрузкой, с током в амперы , дроссели привязаны к земле, динамики сидели тупо в параллель дросселям, а в двухтакте разница по постоянному току вообще отсутствовала. Спрашивал у занимающегося в те годы подобной темой, он очень скептически относился к такому решению. там клубок противоречий между током, падением на обмотке, индуктивностью и полосой вниз.
Разумеется, габариты нецензурные.
Ещё и дроссель заливался эпоксидкой смешанной с железным порошком :) . Видел я это, динамик всегда был либо выпуклым, либо впуклым в однотакте. А виноваты были старые журналы.
 

юан8

1 ранг
Регистрация
9 Мар 2024
Сообщения
3,136
Реакции
758
Репутация
51
Страна
РФ
Город
Санкт-Петербург
Имя
Юрий
Предупреждений
2
дифф каскаду в хвост ИТ поставьте,синфазную помеху снизите
гт404 заменить на каскод гт311и+кп303
 

Вложения

  • замена кремния на каскод германиевый.png
    замена кремния на каскод германиевый.png
    15.7 KB · Просмотры: 22

wilhelm

3 ранг
Регистрация
5 Авг 2025
Сообщения
94
Реакции
37
Репутация
2
Возраст
61
Страна
Германия
Город
Wehingen
Имя
Вильгельм

NEULO

1 ранг
Регистрация
14 Июл 2019
Сообщения
3,793
Реакции
1,931
Репутация
93
Возраст
52
Страна
Россия
Город
Одинцово
Предупреждений
4
В общем симульнул вчера эту схему на кремнии.. да... то ещё..
дифкаскад туда ставить бессмысленно, не заработал у меня. Предлагаю. В коллектор первого транзистора поставить ГСТ.
 

wilhelm

3 ранг
Регистрация
5 Авг 2025
Сообщения
94
Реакции
37
Репутация
2
Возраст
61
Страна
Германия
Город
Wehingen
Имя
Вильгельм
В общем симульнул вчера эту схему на кремнии.. да... то ещё..
дифкаскад туда ставить бессмысленно, не заработал у меня. Предлагаю. В коллектор первого транзистора поставить ГСТ.
Я вчера тоже побаловался. Взял ТДА2030, включил на 12В однополярки, с перекосом, чтобы в нижнем плече было около 3В и запараллелил его четырьмя дросселями на 0.68А 16ом, включил играет чисто, выключил - микросхем умер. Забыл электролит припаять, чтобы всплеска напряжения небыло, позор мне, с дросселями завязал.
 

Последние сообщения

Статистика форума

Темы
3,068
Сообщения
234,613
Пользователи
2,375
Новый пользователь
Sergovlad
Сверху Снизу