Открытый ящик (ОЯ) - акустическое оформление

4ГД-35 не Визатоны, кстати Гайдар как раз сравнивал с Визатонами и далеко не в пользу 4ГД-35.
Я не против использования 4ГД-35, раз они есть и тем более нравятся, просто результат неизвестен и действие LR цепи в данном конкретном случае - тоже.
Мы знаем, что цепь используется для расширения диапазона вверх при умеренном подавлении СЧ. Как здесь получится, мне тоже было бы интересно.
Посмотреть вложение 86676
Это первый устаревший вариант Урал-114. Ну хоть что-то
Посмотреть вложение 86677
Сергей, как Вы считаете, в более старой схеме в фильтре у L1 какая индуктивность? Не могу найти информацию.
 
вот так сделайте
 

Вложения

  • кроссовер.png
    кроссовер.png
    8.7 KB · Просмотры: 78
  • 341368902__._1_.png.916c532a4829ed5bc7c6d43bdf0545a4.png
    341368902__._1_.png.916c532a4829ed5bc7c6d43bdf0545a4.png
    157.3 KB · Просмотры: 83
Сергей, как Вы считаете, в более старой схеме в фильтре у L1 какая индуктивность? Не могу найти информацию.
Иван! Интересный вы человек. Даёте мизерную вырезку непонятно чего и хотите ответа Я не ясновидящий, но судя по составу динамиков, делали из того что было под руками.
И по примеру мудрецов, когда не знаю что ответить, отвечу вопросом на вопрос: вы будете ставить один 4ГД-35 и 1Гд-39?
В противном случае параметры катушки изменятся, да и сомневаюсь что там она выбрана правильно.
Фильтры подбираются под конкретные динамики и лучше даже конкретные экземпляры. Учтите что для двух последовательных динамиков индуктивность надо удвоить относительно одного.
И что-то не нашёл какая точно будет пищалка, а индуктивность для 4ГД-35 и от этого зависит.
Все калькуляторы - плюс-минус лапоть, или микрофон или выслушивать если уши золотые. Сможете сделать КПИ катушку с переменной индуктивностью? Есть чем идуктивность измерить?
Тогда делайте начиная от 0,5...1 мГн и, вводя понемногу сердечник, слушайте.
Чтобы сказать точнее, мне надо (не хочу, не надо) взять два 4ГД-35, посадить на большой картон (всё выкинуто) и пробовать на свой вкус (не совпадающий с Вашим). Если без этого дам с потолка цифру - совру, не люблю лишний раз врать. Пусть это делают другие.
 
уже не помню, там формулы для расчета R и C ,смотрите последовательные фильтры,но их делать лучше не выше первого порядка,при первом порядке сшиваются не плохо,чем интересны-при понижении частоты выходное сопротивление катушки снижается и шунтирует сч головку,а в параллельном наоборот и нет резонанса кондера с катушкой счвч головки,как в параллельном
 
уже не помню, там формулы для расчета R и C ,смотрите последовательные фильтры,но их делать лучше не выше первого порядка,при первом порядке сшиваются не плохо,чем интересны-при понижении частоты выходное сопротивление катушки снижается и шунтирует сч головку,а в параллельном наоборот и нет резонанса кондера с катушкой счвч головки,как в параллельном
Юрий, спасибо!

Иван! Интересный вы человек. Даёте мизерную вырезку непонятно чего и хотите ответа Я не ясновидящий, но судя по составу динамиков, делали из того что было под руками.
И по примеру мудрецов, когда не знаю что ответить, отвечу вопросом на вопрос: вы будете ставить один 4ГД-35 и 1Гд-39?
В противном случае параметры катушки изменятся, да и сомневаюсь что там она выбрана правильно.
Фильтры подбираются под конкретные динамики и лучше даже конкретные экземпляры. Учтите что для двух последовательных динамиков индуктивность надо удвоить относительно одного.
И что-то не нашёл какая точно будет пищалка, а индуктивность для 4ГД-35 и от этого зависит.
Все калькуляторы - плюс-минус лапоть, или микрофон или выслушивать если уши золотые. Сможете сделать КПИ катушку с переменной индуктивностью? Есть чем идуктивность измерить?
Тогда делайте начиная от 0,5...1 мГн и, вводя понемногу сердечник, слушайте.
Чтобы сказать точнее, мне надо (не хочу, не надо) взять два 4ГД-35, посадить на большой картон (всё выкинуто) и пробовать на свой вкус (не совпадающий с Вашим). Если без этого дам с потолка цифру - совру, не люблю лишний раз врать. Пусть это делают другие.
Сергей, это кусок схемы от Урал-114 первых годов выпуска, В1 - 4ГД-35, В2 - 2ГД-36, В3 - 1ГД-39Е. Рассматриваю разные варианты, в т.ч. и один 4ГД-35, также вариант родной схемы АС Урала на щите.
Купил супруге огроменный шкаф, чтобы иметь полные права на стену для аудиотехники, после сборки оного заимею приличные запасы картона больщого размера, отличный материал для экспериментов. Сейчас пытаюсь систематизировать всю полученную информацию по изготовлению щитов.

уже не помню, там формулы для расчета R и C ,смотрите последовательные фильтры,но их делать лучше не выше первого порядка,при первом порядке сшиваются не плохо,чем интересны-при понижении частоты выходное сопротивление катушки снижается и шунтирует сч головку,а в параллельном наоборот и нет резонанса кондера с катушкой счвч головки,как в параллельном
Подскажите, как правильно считается импеданс АС, с учетом фильтров. Может есть готовые калькуляторы?
 
Последнее редактирование:
он не постоянен,а меняется с частотой,нужны модели динамиков,спросите Николая Маркова он выкладывал много моделей
при низком разделе можно не заморачиваться и считать примерно как сопротивление динамика по паспорту,на высоком разделе комплексное сопротивление динамиков растет и уже надо учитывать индуктивность динамика
ЗЫ я бы не заморачивался,лучше купить микрофон и отстроить по ачх,на нч до 5кгц можно даже на слух отстроить прогоняя генератором искать пики и провалы ,хорошие АС звучат как наушники ,без резких перепадов громкости при прогоне частоты
 
где В1 - 4ГД-35 на 4 Ом, а В2 - 2ГД-36 на 8 Ом с конденсатором на 1 мкФ, общий импеданс АС - 8 Ом. Как это правильно расчитывается?
общий импеданс этой ас меняется по частоте на нч(кроме резонанса) он примерно равен омическому,а начиная с нескольких килогерц растет
и у этой ас надо принимать 4ом а не 8ом при сложных фильтрах высоких порядков импеданс может проседать из за резонансов
а вам для чего? если транс считать то берите сопротивление нч динамика
 
общий импеданс АС - 8 Ом
Не импеданс, а сопротивление на постоянке.
Импеданс (комплексное сопр., зависит в т.ч. от частоты) может изменяться в широких пределах (к примеру, от 4-х до 20-ти ом, в плохо спроектированных фильтрах восьмиомных кАлонок).
Как это правильно расчитывается?
делим на 3кГц
Знімок екрана 2025-10-01 о 15.14.13.jpg
Для вэчэшки, ежели не измеряете зэтку, то в общем случае можно отталкиваться от R катухи + 1-2Ω

*) Желательно, конечно, замерять зэтку динамика на конкретной частоте (генератор, мультиметр, резистор, динаимк).
 
Последнее редактирование:
Получается, что УНЧ Урала-114 расчитан на нагрузку 4 Ом?
Это кусок его схемы (В1 - 4 Ом):
Untitled.png
 
а вам для чего? если транс считать то берите сопротивление нч динамика
Хочу понять, какое сопротивление АС в этой схеме. У меня УНЧ родные рабочие, динамики с него же, собираю щиты под эти же УНЧ.
 
да,по крайней мере АС -4ом если там 4гд-35
измерьте Кт трансформаторов и сразу поймете какая нагрузка им нужна
 
да,по крайней мере АС -4ом если там 4гд-35
измерьте Кт трансформаторов и сразу поймете какая нагрузка им нужна
Точно 4ГД-35. А если УНЧ расчитан на 4 Ом, тогда заморочка с двумя 4ГД-35 вообще не нужна. Я все время считал, что нужна нагрузка именно 8 Ом. _shok_ Пилять...
Если так, то из 7 шт. выберу лучших два, допилякаю их по технологии Андрея Палыча, срощу с пищиками Блаупункт и буду счастлив. smile_18
 
Последнее редактирование:
вопрос вот в чем. Например, это кусок схемы УНЧ от Урал-114
Ага. Схему оптимизировали и цыфролизировали, в чём я был заранее уверен. Не помню ни одного случая чтобы улучшили, добавили нужный динамик, везде одна оптимизация.
, где В1 - 4ГД-35 на 4 Ом, а В2 - 2ГД-36 на 8 Ом с конденсатором на 1 мкФ, общий импеданс АС - 8 Ом. Как это правильно расчитывается?
Хотите ответ? Никак! Нет, куркуляторы есть и могут расчитать хоть до десятого знака, но по факту это всё дерьмо собачье.
Небольшоя эмпирический опыт и измерения, потом - оценка на слух. Вот правильное решение.
Вы думаете что расчёт показал 1,0034506 мкФ? Нетушки, что было - то и поставили. 0 мкФ - мало, а 2мкФ -много. Никто никогда не поставит 1,3 мкФ даже если расчитано-посчитано. И сколько там мкФ на самом деле, одному измерителю ёмкости известно.
Заметьте что первое что сэкономили - катушку, её мотать надо, это дэньги. Неужели не понимаете что все эти схемы только примеры коекакерности. Вы в них образец видите.
А мы, если уж делаем, должны делать лучше, иначе - какой смысл?
А чтобы сделать лучше, ох, и писать уже боюсь, надо увидеть что получается, увидеть график АЧХ. А снять АЧХ может только... дальне запретное слово.
Иначе - создание скульптуры вслепую. В принципе можно, так и стали сейчас лепить. Пример - шыдевр "Большая глина", которую невежественные москвичи называют "большая куча говна". И только что прочитал - не случайно эту кучу не стали ломать когда убрали, а тщательно демонтировали за большие деньги и перевезли в другое место Москвы уже НАВСЕГДА. Спасибо нашему мэру очередной раз.
 
Хочу понять, какое сопротивление АС в этой схеме. У меня УНЧ родные рабочие, динамики с него же, собираю щиты под эти же УНЧ.
Если хотите понимать, то надо книжки читать. И не всякие книжки.
Тогда узнаете что есть сопротивление динамика постоянному току, оно всегда ниже паспортного, в данном случае, вероятно что-то около 3,5 ом.
А есть импеданс - сопротивление динамика переменному току. Импеданс непрерывно меняется и на каждой частоте имеет своё значение. ПРИБЛИЗИТЕЛЬНОЕ и усреднённое сопротивление на средних (для этого динамика) частотах и есть сопротивление в паспорте.
Обратите внимание, в паспорте никогда не пишут 3,6 ом, 5,4 ом, 9,1 ом а всегда только или 4 или 8 ом и всё!!! Это условные назначенные цифры, раньше ещё было 6,5 ом, потом приказом убрали.
Ну и что вы хотите в таком случае узнать?
Думаете транзисторы или лампы выйдут на забастовку если узнают что на самом деле там не закрытый перелом, а... 4 ом, а 4,3 ом?
 
судя по этим данным ,то расчитаны на 4ом,но трансы не айс ,всего 0,5мм вторичка да и витков маловато,я бы со временем сменил на хорошие трансы
 

Вложения

  • транс урал 114.PNG
    транс урал 114.PNG
    92.5 KB · Просмотры: 34
судя по этим данным ,то расчитаны на 4ом,но трансы не айс ,всего 0,5мм вторичка да и витков маловато,я бы со временем сменил на хорошие трансы
Там хитрые выходники, двухтакт, в схему лезть не буду точно. А раз они на 4 Ом, то головняк с двумя последовательно включенными 4ГД-35 отпадает. _pechatka
 
Последнее редактирование:
Там хитрые выходники,
классика ,но очень хлипкие обмотки и железо
со временем закажите нормальные а пока так послушаете
на этих трансах не будет баса ,лучше обрежьте полосу на входе от 70гц а на нч отдельный канал
 
вот так еще можно,сделать несколько отводов и переключатель
 

Вложения

  • кроссовер2.png
    кроссовер2.png
    5.6 KB · Просмотры: 32
мой совет- намотайте новые ,сами,это не так сложно как пугают
можно пищик через резистор 1...2ом должно чуйки хватить и резонанс пищика уменьшите ,он с кондером резонанс образует обычно на не приятной частоте 10....12кгц
Совет дельный, согласен, опыт намотки тоже есть, но лезть в рабочие не хочу, они намотаны довольно качественно. А насчет пищика попробую, но и без резистора криминала с 3 Ом нет?
 
А примерные номиналы подскажите.
ну думаю раздел где то 6..7 кгц вот и посчитайте индуктивность и конденсатор для 4ом по формулам выше я фото выкладывал ,ну и пару-тройку отводов через 5% сделать
 
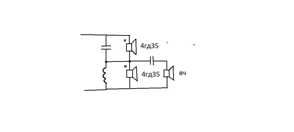
Тогда вопрос вот такой, если УНЧ расчитан на нагрузку 4 Ом, 4ГД-35 тоже 4 Ом, а пищик - 3 Ом, по идее его можно подключить по данной схеме без лишних танцев (подобрав C1)?
Да.
[упрощённо] сопротивление 4ГД-35 с повышением частоты растёт, но с некоторой частоты к нему параллельно подключается изменчивое комплексное сопротивление пищика. Вот и смотрите сумму этих параллельных сопротивлений [зависмость от частоты].
 
Последнее редактирование:
341368902__._1_.png.916c532a4829ed5bc7c6d43bdf0545a4.png
Кстати фильтр первого порядка и считается проще чем по указанным формулам в которых Фаррады, Генри.
С=160000/R*F и L=160*R/F где C - микрофаррады, R= омы, L=миллиГенри, F=Герцы.
 
ну думаю раздел где то 6..7 кгц вот и посчитайте индуктивность и конденсатор для 4ом по формулам выше я фото выкладывал ,ну и пару отводов через 5% сделать
Если срез взять на 6 кГц, то L=R(НЧ)/(6,28*6000). Если сопротивление ВЧ дина 3 Ом, в формулу вместо R(НЧ) подставляем значение 4 Ом или 3 Ом?
 
Вот и смотрите сумму этих параллельных сопротивлений [зависит от частоты].
при параллельном фильтре кондер и катушка пищика образуют резонанс на нем будет провал до 3ом поэтому лучше добавить резистор и провал будет меньше и добротность ниже (плавнее всплеск)
в последовательном
ставьте 4ом везде ,этот фильтр не критичен ,исправляет ошибки,даже если не точные будут номиналы,просто частота раздела чуть уедет вправо влево
подгоните под 6мкф а катушку уже подгоните под эту частоту раздела
 
Если срез взять на 6 кГц, то L=R(НЧ)/(6,28*6000).
L=160*(R паспортное)/ 6000 Герц = 160*3/6000=0,08 мГ. 160*4/6000=0,1 мГ. 160*6/6000=0,16 мГ
Чем больше сопротивление головки - выше индуктивность и меньше ёмкость.
Если сопротивление ВЧ дина 3 Ом, в формулу вместо R(НЧ) подставляем значение 4 Ом или 3 Ом?
Фильтр для любой головки. Хоть СВЧ, хоть ВЧ, хоть СЧ, хоть НЧ.
Только у СЧ полосовой фильтр - L и C последовательно.
 
при параллельном фильтре кондер и катушка пищика образуют резонанс на нем будет провал до 3ом поэтому лучше добавить резистор и провал будет меньше и добротность ниже (плавнее всплеск)
Мои выкладки упрощены до предела для облегчённого восприятия Иваном.
А ежели более вдумчиво, то в послед.фильтре офи*генно важно какой спад справа на сч и выход на полку вч. Бывает, что нужно или разносить частоты, или наоборот – сужать зону (что редко) совместного ля-ля.
 
выходит раздел 6666гц )))))))))))))))))))))))))))))))))))))))))))))))))
для 6мкф катуха 0,096мгн
катуху мотайте 1,5мм проводом,метров 6,5...7 надо
 

Последние сообщения

Статистика форума

Темы
3,196
Сообщения
248,065
Пользователи
2,455
Новый пользователь
Станислав В..
Назад
Сверху Снизу