Постройка басовой секции

  • Автор темы Автор темы Пётр
  • Дата начала Дата начала
....,,.....

А Бейма 15" - пока у меня. Расставаться не планирую. Будет возможность ещё и с ней поработать, потом. Пока - она в ЗЯ - для меня лучший вариант.

И правильно. Я свою Бейму сдуру продал. Теперь жалею. Она в ЗЯ работала с 42 Гц.
Правда объем ящика был кошмарным.

Я вот сейчас думаю, что если с фильтрами для 3-х полос проблемы будут, всегда можно на НЧ полосу свой усилитель добавить. А то Саша рассказал про страшный и заведомо неудачный вариант. Я теперь боюсь!...
 
Меня сейчас более всего интересует полосовой фильтр для СЧ динамика.
Проведи, пожалуйста, ликбез.
Автозамена в телефоне просто замечательная - заменяет "полосовой" на "половой". Наверное большой трах впереди.
Лишь бы не промах!))
 
Ну что поделать - зацепила меня чем-то идея о том, что можно из различных деталей советских динамиков собрать достойно звучащий вариант.
Здравствуйте, Петр. Внимательно слежу за Вашей темой с первого сообщения, но из за колоссальной разницы в знаниях по ламповой теме (я только начал разбираться), я не вмешивался в обсуждение.

Я конечно понимаю, что этот вариант Вам не подойдёт даже по размерам, но сама концепция сборки на основе деталей от совковых динамиков очень интересна. По законам физики вроде и не к чему придраться, но как на самом деле я лично не слышал. интересно было бы услышишьать мнение Сергеича
 
буквально в этот час донастроил трехполоску JBL под свои фильтры. И в очередной раз пожалел, что связался с тремя полосами. Кабы не забота о владельце колонок в плане сделать всё для отката на исходную , на случай продажи, то можно было крутилки родные впаять и настраивай себе до посинения. А когда нужно угадать баланс, да так, чтобы и джаз и классика и рок и фолк звучали достоверно- да чокнуться можно или нахрен все выбросить. дверь забить и телефон разбить.
В итоге получил ачх , на слух выведенную, без оглядки на микрофон, потом понял, что повторил в принципе Танноевскую частотку. Зато звучит комфортно прозрачно и ничего не орёт .
А средина почти вровень с басовиком дала прикрик на разной музыке, особенно рояль стрелял или голос на некоторых нотах подкрикивал. Убавил уровень средника давилкой- звук выровнялся. Рассказывать про все эти мучения бесполезно. это каждый ищущий сам должен пережить. И не факт, что моя выстраданная схема всех устроит без фырканья. Всегда кому-то чего-то да не хватает. А ты угадай заранее и сделай наперёд.
 

Вложения

  • АЧХ  Джибиэлей 4312 выведенная  на слух ..JPG
    АЧХ Джибиэлей 4312 выведенная на слух ..JPG
    127.9 KB · Просмотры: 157
  • АЧХ Джибиэлей4312 выведенной на слух   по полосам.JPG
    АЧХ Джибиэлей4312 выведенной на слух по полосам.JPG
    116.3 KB · Просмотры: 147
  • Импеданс  JBL 4312B на фоне  4 ом  розовым цветом.JPG
    Импеданс JBL 4312B на фоне 4 ом розовым цветом.JPG
    138.6 KB · Просмотры: 149
  • Фильтры  для JBL4312B доводка  от 14 04 2020.png
    Фильтры для JBL4312B доводка от 14 04 2020.png
    18.1 KB · Просмотры: 167
Последнее редактирование:
Александр, а что это за горизонталь такая идёт, малиновая?
1.JPG

АЧХ на "полку" выходит не ранее 60 Гц, я правильно понимаю? Спад слева от 60 Гц выглядит крутым. Ну а то, что звучит сбалансированно - вполне себе представляю. Надеюсь, хозяин будет рад звучанию.
 
буквально в этот час донастроил трехполоску JBL под свои фильтры. .
ну Вы хоть полезное дело сделали, а мне ввиду ухудшения погоды в виде снега, пришлось отложить свои планы по звуку по причине болей в старых переломах конечностей и довольствоваться увлекательным юмористическим чтением комментариев некоторых пользователей в стиле "болтание ерундой" на нашем форуме
 
Александр, а что это за горизонталь такая идёт, малиновая?
Посмотреть вложение 2947
АЧХ на "полку" выходит не ранее 60 Гц, я правильно понимаю? Спад слева от 60 Гц выглядит крутым. Ну а то, что звучит сбалансированно - вполне себе представляю. Надеюсь, хозяин будет рад звучанию.
малиновка это калибровочный резистор, образец импеданса 4 ома. колонка выше него минимум на 1, 5 дБ, значит. ом 5 , ниже не проваливается.
 
АЧХ от 60 Гц, порт настроен так низко, что в шкалу не попал. Так задумано, я не лезу в настройки ящика
Яма от 100 до 300гц- результат совмещения лопуха в 12 " и узкого ящика. Компакт, так сказать.
 
А ведь в первом варианте СЧ был в фазе, и я даже успел проверить - действительно, по фазам токов хорошая синфазность от 500 до 3кГц, всего 10...60 градусов разницы. Сейчас закину окончательный вариант в комп.
 
Александр, а как Вам показался на слух басовик из этих АС
1.JPG

размер 12" довольно большой, матерчатый пилообразный подвес - не показался ли он на слух каким-то "эстрадным"? Или, вполне себе домашний.
У меня давняя проблема - хочу иметь басовик как концернтный - с малым ходом, большим диаметром корзины, пилообразный матерчатый подвес, с быстрым откликом... но чтобы при этом, звучал бы вполне по домашнему, без истерик... Может, у этих JBL как раз что-то подобное получилось?
Жаль, дорогИ подобные динамики JBL...
 
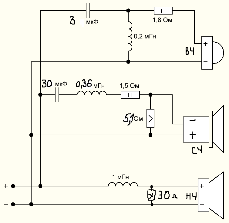
Вот АЧХи фильтров. Суммарную нет смысла лепить. Чуйки наугад, простите.
1.png
 
А вот разность фаз, без учёта смещения центров.
3.png

От 300 до 700 Гц больше 120 градусов, в противофазе. На 1 кГц уже 90 градусов, и дальше - в фазе, но НЧ умер по отдаче и всё ОК. Красота межзвёздных полётов.
 
А ведь в первом варианте СЧ был в фазе, и я даже успел проверить - действительно, по фазам токов хорошая синфазность от 500 до 3кГц, всего 10...60 градусов разницы. Сейчас закину окончательный вариант в комп.
обе колонки выдают фейерверк непоняток. Как вам басовики, один из которых плюсом батарейки на плюсовую клемму- втягивает диффузор? А средник на стыке с басовиком выдает дыру на ачх.
Уже ничему не удивляюсь, полярность отмечаю только под контролем микрофона.
 
Александр, а как Вам показался на слух басовик из этих АС
Посмотреть вложение 2951
размер 12" довольно большой, матерчатый пилообразный подвес - не показался ли он на слух каким-то "эстрадным"? Или, вполне себе домашний.
У меня давняя проблема - хочу иметь басовик как концернтный - с малым ходом, большим диаметром корзины, пилообразный матерчатый подвес, с быстрым откликом... но чтобы при этом, звучал бы вполне по домашнему, без истерик... Может, у этих JBL как раз что-то подобное получилось?
Жаль, дорогИ подобные динамики JBL...
басовик хороший, отклик быстрый, есть правда пикообразный выброс на 5 кгц, но он не мешает особо, шипит себе тихонько.
АЧХ басовика с родным фильтром снята близко, потому такая роскошно ровная.
Двухполоска получилась бы неплохая, но заморочились тремя. Джаз шикарно, рок прикрикивает
 

Вложения

  • JBL3412B  НЧ с фильтром.JPG
    JBL3412B НЧ с фильтром.JPG
    120.3 KB · Просмотры: 127
  • JBL  2213  c родным нч фильтром.JPG
    JBL 2213 c родным нч фильтром.JPG
    130.1 KB · Просмотры: 146
  • 4312  басовик  напрямую и с фильтром.JPG
    4312 басовик напрямую и с фильтром.JPG
    123.5 KB · Просмотры: 131
Последнее редактирование:
буквально в этот час донастроил трехполоску JBL под свои фильтры. И в очередной раз пожалел, что связался с тремя полосами. Кабы не забота о владельце колонок в плане сделать всё для отката на исходную , на случай продажи, то можно было крутилки родные впаять и настраивай себе до посинения. А когда нужно угадать баланс, да так, чтобы и джаз и классика и рок и фолк звучали достоверно- да чокнуться можно или нахрен все выбросить. дверь забить и телефон разбить.
В итоге получил ачх , на слух выведенную, без оглядки на микрофон, потом понял, что повторил в принципе Танноевскую частотку. Зато звучит комфортно прозрачно и ничего не орёт .
А средина почти вровень с басовиком дала прикрик на разной музыке, особенно рояль стрелял или голос на некоторых нотах подкрикивал. Убавил уровень средника давилкой- звук выровнялся. Рассказывать про все эти мучения бесполезно. это каждый ищущий сам должен пережить. И не факт, что моя выстраданная схема всех устроит без фырканья. Всегда кому-то чего-то да не хватает. А ты угадай заранее и сделай наперёд.
Так схема меняется?
 
Чуть позже приведу полосные ачх каждого динамика этой колонки, заводские, чтобы понять степень безобразия. Сами гляньте , постом выше, средняя картинка это басовик С ФИЛЬТРОМ.
6 кГц на оси этта как? И где талию будем делать для средника? На 8кгц?
 
Здравствуйте.
Вчера получил авторские динамики, которые ждал и сильно надеялся на чудо.
Померил резонансную частоту и стало ясно, что в качестве басовиков в трёхполоску такие динамики мне не подойдут.
Но изделие внушительное. Большой магнит. Музыку немного послушал. В чём-то увлекательно.
Посмотреть вложение 2933Посмотреть вложение 2934Посмотреть вложение 2935
На данный момент - связался с мастером, который их изготовил. Он предложил мне собрать другой вариант динамиков, с более низкой резонансной частотой. Я с радостью воспринял эту идею. Гораздо приятнее вновь надеяться на чудо, чем думать - что же теперь делать с имеющимися.
Дядь, Петь, ты для начала определись тебе нужен быстрый бас до 60-40 Гц - используй всеми проверенные динамики типа 10гдш-2 или 25гдш-12д по смехотворным ценам или их зарубежные аналоги, с лучшими параметрами, но примерно раз в 10-20 дороже))).

Тут главное понять простую ВЕСТЧЬ - нельзя сделать идеальную АС во всей полосе частот простыми способами и без искажений на одном - двух - трех динамиках.

И тут дело не в индивидуальных способностях мастера или тупости инженеров совковых или зарубежных инженеров промышленных компаний, производящих динамики для реальных АС.

Мой тебе совет - делай АС по кускам - полосам (кубикам) под свой конкретный проект.

Кстати - проще размещать в реальной комнате или зале.

Если тебе не хватает баса ниже 30-40 Гц - купи в любом авто магазине сабвуфер не дешевле 100 бакинских. Они практически все работают до 20-25 Гц без очень сильных искажений при подводимой мощности 50-100 Вт. И могут пережить в импульсе до 500 Вт (если дискотека)))

Если есть большой кусок ДСП - прикрути к ней шарниры от дверцы шкафа с одеждой - вставь динамик, на который ты смотришь сейчас косо - вместо штатной двери, скотчем заклей щели и послушай, или измерь АЧХ со скочем и с приоткрытой дверцей)))

И будет тебе счастье, дядя, Петь.

Про автоматический эквалайзер молчу - ты сам себе эквалайзер, как мне каца.

Удачи, дядя Петя - была бы конфетка дал бы - но уже все их сам слопал перед сном вместо антивирусных таблеток.)))

Может в следующий раз...не теряй надежды и оптимизма - верь в силу науки, хотя бы в этой области.))
 
Последнее редактирование модератором:
Александр, есть какие то специфические признаки того, что динамик можно отнести, к тому или иному классу? Геометрия, пропорции? Или чтобы это понимать, нужно съесть не один десяток акустических собак?под классом подразумеваю НЧ, МИД, СЧ...
Для ЛЮБОГО динамика нужно акустическое оформление - СООТВЕТСВУЮЩЕЕ. Самодельный или улучшенный динамик за 10-15 бакинских может оказаться лучше аналога в той же полосе за 300-500 бакинских. А может оказаться - полное говно в этой полосе частот. Но в определенной полосе - на уровне работы динамиков за 1000 бакинских - динамики как люди - есть гении дзюдо, есть так себе, а есть самое конченное говно и фашисты)))
 
Последнее редактирование модератором:
Дядь, Петь, ты для начала определись тебе нужен быстрый бас до 60-40 Гц - используй всеми проверенные динамики типа 10гдш-2 или 25гдш-12д по смехотворным ценам или их зарубежные аналоги, с лучшими параметрами, но примерно раз в 10-20 дороже))).

Тут главное понять простую ВЕСТЧЬ - нельзя сделать идеальную АС во всей полосе частот простыми способами и без искажений на одном - двух - трех динамиках.

И тут дело не в индивидуальных способностях мастера или тупости инженеров совковых или зарубежных инженеров промышленных компаний, производящих динамики для реальных АС.

Мой тебе совет - делай АС по кускам - полосам (кубикам) под свой конкретный проект.

Кстати - проще размещать в реальной комнате или зале.

Если тебе не хватает баса ниже 30-40 Гц - купи в любом авто магазине сабвуфер не дешевле 100 бакинских. Они практически все работают до 20-25 Гц без очень сильных искажений при подводимой мощности 50-100 Вт. И могут пережить в импульсе до 500 Вт (если дискотека)))

Если есть большой кусок ДСП - прикрути к ней шарниры от дверцы шкафа с одеждой - вставь динамик, на который ты смотришь сейчас косо - вместо штатной двери, скотчем заклей щели и послушай, или измерь АЧХ со скочем и с приоткрытой дверцей)))

И будет тебе счастье, дядя, Петь.

Про автоматический эквалайзер молчу - ты сам себе эквалайзер, как мне каца.

Удачи, дядя Петя - была бы конфетка дал бы - но уже все их сам слопал перед сном вместо антивирусных таблеток.)))

Может в следующий раз...не теряй надежды и оптимизма - верь в силу науки, хотя бы в этой области.))
Тема по измерениям динамиков для басового ящика начата Петром ещё на форуме дуйсаунда у Горнова Дмитрия, оттуда переместилась сюда. Все необходимые замеры выложены в достаточном количестве и с выводами. Поэтому нет смысла начинать с куска ДСП и шарниров от шкафа с одеждой. Да и задача была сделать то, что нужно из того. что есть в наличии.
И звучит это дело вполне достойно, лично принимал участие в настройке и помощи советом.
 

Вложения

  • АЧХ  басовика  Бейма  с разным выходным.jpg
    АЧХ басовика Бейма с разным выходным.jpg
    21.5 KB · Просмотры: 146
  • ачх  внизу от выходного сопротивления.png
    ачх внизу от выходного сопротивления.png
    35 KB · Просмотры: 150
  • АЧХ  ящика  Петр Сочи. Поглотитель  доп резистор 5 Ом..jpg
    АЧХ ящика Петр Сочи. Поглотитель доп резистор 5 Ом..jpg
    15.9 KB · Просмотры: 119
  • ачх  ящика  Петра  Сочи  сад, открытое пространство..png
    ачх ящика Петра Сочи сад, открытое пространство..png
    26.2 KB · Просмотры: 137
Да, работа проводилась мною ранее. Обсуждение (а правильнее сказать - помощь мне) велось на форуме ULF ( http://ulfdiysound.ucoz.ru/forum ). Главным образом - помогал Александр Бокарёв. Задача была - найти наиболее подходящее оформление для басовика 15". Опробовано было много - рупор, ФИ, ЗЯ, в разных объёмах, разное заполнение. Делались выводы.
Тот форум - закрытый. Вряд ли кто-то станет регистрироваться ради просмотра моих экспериментов, поэтому, вкратце в виде фотографий:
1.JPG
2.jpg
3.jpg
4.jpg
5.jpg

Главные выводы, которые были сделаны - ФИ не понравился по звуку ни при каких вариантах (ни при каких объёмах, ни при каких-либо настройках ФИ). А понравилось больше всего - звучание в ЗЯ.
На том тогда и остановились.
Сейчас - ищу варианты, что может быть лучше. Биампинг с коррекцией на басу - лучше не показался.
И самое главное - Александр приезжал ко мне в гости. Слушал и настраивал фильтр. И после его манипуляций - звучание стало слитным, приятным, без выкриков и направленности. Ухом ведёшь от СЧ секции к басовой - и не слышно стыковки по высоте, между осями динамиков даже вблизи. Розовый шум как бы сливается воедино и ухом не различить - какая часть диапазона каким динамиком излучается. Это, видимо, и есть "слитность". Хороший получился результат. Лучше - пока не удаётся.
6.jpg
 
Последнее редактирование:
Да, работа проводилась мною ранее. Обсуждение (а правильнее сказать - помощь мне) велось на форуме ULF ( http://ulfdiysound.ucoz.ru/forum ). Главным образом - помогал Александр Бокарёв. Задача была - найти наиболее подходящее оформление для басовика 15". Опробовано было много - рупор, ФИ, ЗЯ, в разных объёмах, разное заполнение. Делались выводы.
Тот форум - закрытый. Вряд ли кто-то станет регистрироваться ради просмотра моих экспериментов, поэтому, вкратце в виде фотографий:
Посмотреть вложение 3005Посмотреть вложение 3006Посмотреть вложение 3007Посмотреть вложение 3008Посмотреть вложение 3009
Главные выводы, которые были сделаны - ФИ не понравился по звуку ни при каких вариантах (ни при каких объёмах, ни при каких-либо настройках ФИ). А понравилось больше всего - звучание в ЗЯ.
На том тогда и остановились.
Сейчас - ищу варианты, что может быть лучше. Биампинг с коррекцией на басу - лучше не показался.
Динамик на верхней картинке, похож на рефлекторный обогреватель))
 
Игрушки на полках не дребезжат? И зачем динамики развернули в разные стороны - хотя бы в одной плоскости пусть стояли, а между ними лучше комод сделать с тряпками.:)
 
Нет, звучания дребезжания игрушек не замечал.
О басовых ящиках этих. Задача была - получить максимальную ширину передней панели и треугольное сечение (избавиться от задней стенки, параллельной передней). Планировалось размещать такие треугольные ящики в углах комнаты. Но после обсуждения с супругой - был выставлен ультиматум - что такие большие ящики появятся в комнате только, если будет придумано, как из них одновременно сделать шкаф для игрушек.
С понижением воспроизводимой частоты - не так сильно влияет направление излучения динамика. Поэтому, на мой взгляд - в данном случае не принципиально, что ось басовика не направлена на слушателя.
 
Нет, звучания дребезжания игрушек не замечал.
О басовых ящиках этих. Задача была - получить максимальную ширину передней панели и треугольное сечение (избавиться от задней стенки, параллельной передней). Планировалось размещать такие треугольные ящики в углах комнаты. Но после обсуждения с супругой - был выставлен ультиматум - что такие большие ящики появятся в комнате только, если будет придумано, как из них одновременно сделать шкаф для игрушек.
С понижением воспроизводимой частоты - не так сильно влияет направление излучения динамика. Поэтому, на мой взгляд - в данном случае не принципиально, что ось басовика не направлена на слушателя.
А где СЧ-ВЧ динамики?
 
Нет, звучания дребезжания игрушек не замечал.
О басовых ящиках этих. Задача была - получить максимальную ширину передней панели и треугольное сечение (избавиться от задней стенки, параллельной передней). Планировалось размещать такие треугольные ящики в углах комнаты. Но после обсуждения с супругой - был выставлен ультиматум - что такие большие ящики появятся в комнате только, если будет придумано, как из них одновременно сделать шкаф для игрушек.
С понижением воспроизводимой частоты - не так сильно влияет направление излучения динамика. Поэтому, на мой взгляд - в данном случае не принципиально, что ось басовика не направлена на слушателя.
То есть, было выполнено тех. задание сверх просто желаемого.А компромисс с близкими и родными это всегда хорошо!
 
на частоте стыка со средником ачх круговая, пофигу куда смотрят басовые динамики .
Их можно без ущерба для звука развернуть в противоположную сторону.
Хотя, это выше понимания наших впечатлительных эхспертов.
 

Последние сообщения

Статистика форума

Темы
3,301
Сообщения
262,788
Пользователи
2,544
Новый пользователь
vlad'mir
Назад
Сверху Снизу