Самодельный усилитель на гибридном модуле Pioneer PAC014A

  • Автор темы Автор темы fvvn
  • Дата начала Дата начала

fvvn

1 ранг
Регистрация
4 Окт 2021
Сообщения
1,041
Реакции
1,250
Баллы
65
Страна
Россия
Имя
Вячеслав
Предупреждений
1
Четыре года валялся ресивер Pioneer 418; попало 380В, горе спец поставил перемычку на кренку питающую проц..и приехали. Морда и шина не работает… i2c тоже, а с ними и декодеры с управлением.. только усилитель не затронуло ..
9CA0D0BE-F6D8-4A60-A6F2-17DBE87EBACB.jpeg

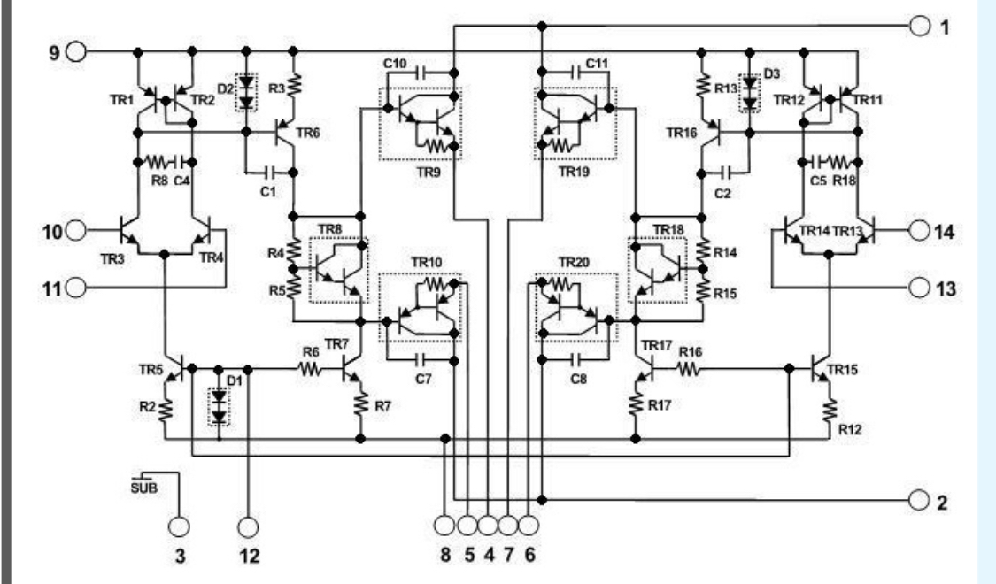
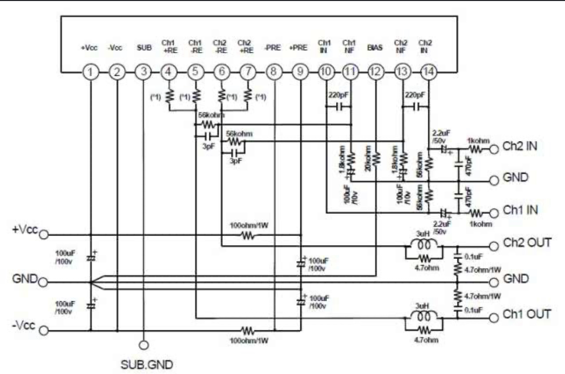
На борту два гибридных модуля, двухканальный и трехканальный ..
по 140 Вт каждое плечо.. чего пропадать..
Дернул, собрал макет, испытал.. осталось собрать всё в кучу.. с защитой, плавным пуском, новым блоком питания и естественно .. в корпусе..
Большая часть уже в действующих блоках, по мере сборки буду добавлять в тему процесс
A19F5CFB-CB7F-4442-BA5A-8D392C314261.jpeg
0EC5D4A8-4722-4A0B-890F-72D2DDCB58A3.jpeg
4CF3DDD0-9E4E-4A53-BC1B-2D603C6965C6.jpeg

Плату коммутация
акустики купил на али за 300 руб.

Блок питания будет импульсный 600 Вт +/-55В
Автоматику то де заказал на али, пульт и плата включения с регулировкой моторизованной громкости…1000 руб
FC002ED9-19BE-4820-9E96-7FBB6FB209F2.jpeg
11A3E550-BA67-4118-8283-192BF81BF310.jpeg
 
Последнее редактирование:
Посмотри даташиты на реле. На всякий пожарный. То что на реле написано одно, а в даташите.... не совсем то что надо.
 
Четыре года валялся ресивер Pioneer 418; попало 380В, горе спец поставил перемычку на кренку питающую проц..и приехали. Морда и шина не работает… i2c тоже, а с ними и декодеры с управлением.. только усилитель не затронуло ..Посмотреть вложение 50552
На борту два гибридных модуля, двухканальный и трехканальный ..
по 140 Вт каждое плечо.. чего пропадать..
Дернул, собрал макет, испытал.. осталось собрать всё в кучу.. с защитой, плавным пуском, новым блоком питания и естественно .. в корпусе..
Большая часть уже в действующих блоках, по мере сборки буду добавлять в тему процесс
Посмотреть вложение 50554Посмотреть вложение 50555Посмотреть вложение 50558
Плату коммутация
акустики купил на али за 300 руб.

Блок питания будет импульсный 600 Вт +/-55В
Автоматику то де заказал на али, пульт и плата включения с регулировкой моторизованной громкости…1000 рубПосмотреть вложение 50562Посмотреть вложение 50563
Схемка, хоть бери и делай на рассыпухе. Сильно симпатичнее дурных наворотов непонятно ради чего.
 
Посмотри даташиты на реле. На всякий пожарный. То что на реле написано одно, а в даташите.... не совсем то что надо.
37510F31-A538-412D-98C1-0F8C2CBD4F9E.jpeg
Регулятор громкости будет электронный., при каждом включении он
возвращает регулятор на 5%.. ток коммутации акустики будет не большим..
Я собрал подобное на к174ун12 .. испытал в усилителе класса А
Не понравился чип.. шумит …. Какие-то щелчки, два дня бился .. убрал …. Поставил обычный переменник.. с хрустом (((((.. пока «японский не приехал»
Но в этом усилителе я решил использовать готовый модуль
738EE0ED-0BF7-4FBA-A6D9-74E974C5F79B.png62893289-0818-46F4-904F-B2CB890B19E8.png3240F0BA-6E6B-461A-9642-483AE1F1C9EF.png162EA6B7-9DA7-47A1-AE6C-0B5C15BCF378.png
 
ХР1075 это улучшайзер вроде бы, там все хитрее, сам не использовал. С регуляторами моторизированными имел некоторый контакт, хорошие, с годами трещат, моторчики живучие. У самого остался такой один, на шесть резисторов. Можно в ручку регулятора вклеить светодиод и на гибких проводах подвести питание под ручкой, смотрится здорово, мотор крутит, огонек движется по кругу.
 

Вложения

  • alps.jpg
    alps.jpg
    104.1 KB · Просмотры: 144
ток коммутации акустики будет не большим..
по 140 Вт каждое плечо
Безымянный.jpg
Подумай, посчитай ток.
У меня когда стали клинить и плакать пластиком подобные манюньки, понял, что размер имеет значение. А когда новое расколол, понял что таки да.
 
Не боитесь, что однажды вечером блок управления мотором сглючит, и соседям придётся послушать громкую музыку?
(только это опасение и останавливает меня от механизации регулятора громкости)
Так питание +\- 55 вольт и есть мечта соседей или дискотеки.Если не секрет - какая аккустика?
 
Если не секрет - какая аккустика?
Не понял кому вопрос…?!
У меня акустика разная и много

Сегодня сопряг с фильтром и блоком защиты..
31501E06-BBBA-4F7E-94AB-4E62BA6BDB48.jpeg

Собрал таймер плавного пуска.. для разгрузки импульсника при включении..
Электролиты по питанию поставлю 6800мкФ *100В

Параллельно собираю худа на КТ8101А
Ток покоя 1,2А 24В
image.jpg
 
Собрал таймер плавного пуска.. для разгрузки импульсника при включении
Обычно в ИИП эта опция в автомате получается и предусмотрена. Поцикловая. Иначе ему кирдык сходу. Обычно, но не всегда.....
 
Такой надыбал .
 

Вложения

  • чSTK402.JPG
    чSTK402.JPG
    337.3 KB · Просмотры: 213
Такой надыбал .
Ага из той же оперы… два по 50W ваш

image.jpg

У меня трехканальный ещё остался.. то же можно соорудить чаго😉
 

Вложения

С утрица закончил собирать второй канал Худа на КТ8101А…
Сегодня весь день гоняю с вентилятором…. Радиатор от Pioneer 418 как раз понадобился.. и кулер от туда ж..
Слухаю The Beloved lossless дискографию…
B9ED7FAC-7AF0-4839-BDF8-544C47EB8262.jpeg
image.jpg
 

Вложения

  • A8F712D8-94EC-4942-A07E-A1757D1FD768.jpeg
    A8F712D8-94EC-4942-A07E-A1757D1FD768.jpeg
    295.2 KB · Просмотры: 245
Нагрузка 6ом 180вт, сурьёзно!
 
Пока корпус под УМ PAC014A в пути... что б не заснуть от скуки...
закончил своего JLH1969 на мосфетах..
поставил японский переменник и установил термореле на 45 градусов и кулер внутри корпуса...
весь день гоняю ... но ваше 42.8 не поднимается..
в общем думаю так оставляю.. болты затянуты ...переходим к АВ на pioneer pac014a.
думаю через неделю смогу начать сборку...
image.jpg
 
image.jpg

Приехал моторизированный потенциометр, доработал автоматику, теперь с пульта включается реле БП запускаю с пульта…
Дело стало за корпусом…
 
Наконец приехал корпус…. Собрал, испытываю..
блок питания китайцы пытались с базовых +/-75В опустить до 55В, и получили пульсации …. Я смог доказать на али что это косяк продавца и половину денег вернули.. в итоге я переделал блок на +/-63В .. при этом напряжении пропала помеха.. но боюсь электролиты оказались на грани.. они в схеме 63 вольтовые , в блоке питания 89 ти..
B090F754-818D-495C-969B-6184BF19494E.jpeg

жду кнопку питания с встроенным светодиодом..
с пульта управление громкостью и питанием..
ABCC7ED1-D875-4FF4-B765-82952B368264.jpeg

Ток покоя гибридной микросхемы 400 мА , отработав 30 минут на малой громкости радиатор 37 градусов.. поглядим дальше..
Порты брал покрасивше
90A52CAD-6938-4D8E-8263-0BA16C20B950.jpeg
E7758E51-9A9F-451E-800B-AC72C0E04CF6.jpeg


image.jpg

Вот как-то такой вид будет.. есть ножки резиновые.. примерю какие подойдут больше…
image.jpg
 
Сегодня, как говорится, вкрутил последний болт, устройство готово к эксплуатации.
Поставил триггерное реле, собранное на минимальном количестве элементов, им запускаю стендбай трансик 5 Вт.. которое питает схему ДУ и реле коммутации БП.. звуком доволен, добавил BBE предусилитель с коррекцией ачх в области нч и вч .. что решило вопрос с ТК , такмкак в моторизированном потенциометре на 100 кОм отвод 1/2 , чтотни есть хорошо и прям таки портило всю малину, цепь ТК удалена …. Корректор, он же предусилитель (3дБ) решил двух зайцев…
Установлена китайская кнопка с индикацией.. которая при работе кнопок ДУ ещё и мигает…. Из белого, синего и зеленого цветов выбран последний, так как глазу самый приятный оказался)
32CAEE4E-0FE9-4335-B74F-41638E2450C4.jpeg
9CD43C79-017D-4C90-9EE4-2215DC6B7FFE.jpeg
351097B4-2BF7-447F-9CEB-3155DA04E6A3.jpeg
1B5E5850-FE76-42C3-AF6C-895A636B781C.jpeg
B85FA462-94B8-4132-835A-0F4741968B98.jpeg
image.jpg
 
Была идея добавить цап с блютус.. 300 руб модуль.. но места нет.. реально корпус оказался маловат для идей)

 

Вложения

  • image.jpg
    image.jpg
    406.1 KB · Просмотры: 131
Схема тригерного включения Standby
931CB098-7F42-4AAA-B788-2EA981EA2EE3.jpeg
4400E1E0-4CDA-421A-9238-C0778E510110.jpeg
 
Черная кнопка не подходит совершенно. Только серебро. Лучше серенькую, как надписи, но наверное такого цвета нет в продаже.
.........................................
Не предусмотрел заранее побочные функции, сейчас будешь набивать корпус мелкими платами.
Глянь мою тему о автоматике для усилителе

Плата БП с защитой АС.

Там всё что надо на одной плате. Плавный пуск, защита, таймеры. И главное, в чем эксклюзивная фишка, в выкл. состоянии нет ни одного элемента под сетевым напряжением.

 
Черная кнопка не подходит совершенно. Только серебро. Лучше серенькую, как надписи, но наверное такого цвета нет в продаже.
.........................................
Не предусмотрел заранее побочные функции, сейчас будешь набивать корпус мелкими платами.
Глянь мою тему о автоматике для усилителе

Плата БП с защитой АС.

Там всё что надо на одной плате. Плавный пуск, защита, таймеры. И главное, в чем эксклюзивная фишка, в выкл. состоянии нет ни одного элемента под сетевым напряжением.

Игорь, тему надо твою освежать, вложения не доступны (

да, кнопки были только такие...те что в метале больше диаметром и цвет индикатора синий были только.. но в первую очередь проблема с размерами...но дело поправимое...у меня теперь есть станок сверлильный и шаговое сверло, алюминий аккуратно рассверлить смогу под любую кнопку... и поменять можно будет в любой момент.
автоматика в принципе работает стабильно и гальванически со схемой развязана... так что... в следующем усилителе пойду другим путём... 40, а свою темку освежИ)
 
Дело не в лишних платах даже когда кусочками делаешь.
Размеры, нет лохматости проводов, гибкость в применении. Я скину ссылку на программу, в которой сам рисую программы. Именно рисую! Нашего талантливого автора Громова. Ты ахнешь, почему до сих пор этого не делал.
 

Вложения

  • image.jpg
    image.jpg
    356.8 KB · Просмотры: 145
Я вообще не пойму зачем ты родную убрал. Очень кнопочка хорошая была. Только что бы светилась?
 
Я вообще не пойму зачем ты родную убрал. Очень кнопочка хорошая была. Только что бы светилась?
родная была П2К.. без индикации...я в щель сведотиодом подсвечивал...кнопка люфтила, да и сама хлипкая.. на малую жизнь расчитана.
 

Статистика форума

Темы
3,316
Сообщения
264,960
Пользователи
2,552
Новый пользователь
Dmaren55
Назад
Сверху Снизу