Транзисторные винил-корректоры

Анатоль

3 ранг
Регистрация
7 Апр 2020
Сообщения
33
Реакции
9
Репутация
17
Страна
Россия

Вложения

  • $_200.JPG
    $_200.JPG
    346.2 KB · Просмотры: 47
  • $_300.JPG
    $_300.JPG
    386.1 KB · Просмотры: 45

NEULO

1 ранг
Регистрация
14 Июл 2019
Сообщения
3,792
Реакции
1,925
Репутация
93
Возраст
52
Страна
Россия
Город
Одинцово
Предупреждений
4
Там все детали решают определенные функции и задачи. Просто так я не тыкаю в УНЧ детали.

А фильтрация по входу УНЧ будет на фазолинейном полосовом фильтре. Но это уже отдельная тема.
А не мог бы ты ещё разик свою схемку выложить, а то Дима случайно стёр.
 

Vik

2 ранг
Регистрация
21 Авг 2020
Сообщения
741
Реакции
415
Репутация
36
Имя
Виктор
Анатоль, некошерный MC12 пользуешь. В нем уже заблокирован режим измерения КНИ за 1 проход. Нужен антиквариат. Иначе престидижитация петрапятьдесятпервого не работает.
 

Сталкер001

2 ранг
Регистрация
23 Мар 2025
Сообщения
544
Реакции
126
Репутация
11
Страна
Россия
Город
Москва
Имя
1000Гц
Предупреждений
10
А не мог бы ты ещё разик свою схемку выложить, а то Дима случайно стёр.

УНЧ с плавающим питанием на мосфетах и пред. усил..jpg

Схема с элементами термостабилизации на стабилитронах, с которыми напряжение смещения на затворах полевиков будет уменьшаться и снижать ток покоя полевиков при нагреве стабилитронов. На большом по площади радиаторе их можно исключить. Вся конструкция прогреется за 10-15 мин и ток покоя уже практически не будет меняться даже при относительно большой мощности прослушивания музыки, поскольку этот УНЧ работает в классе АВ близком к классу А - для реальных уровней мощности прослушивания, при которых нельзя повредить слуховые органы человека в типовой КП и бесить соседей громкой музыкой._da
Измерения делались на нестабилизированном БП (трансформатор 60 Вт, 2х10 000 мкФ) и без оптимизации параметров настройки карты с целью измерения предельно достижимых, минимальных искажений УНЧ на зв. карте E-MU 02-02. При использовании боле мощного БП с хорошей фильтрацией по питанию, и с более совершенной зв. картой, искажения могут снизиться примерно на 6-10 дБ при указанных мощностях. Грубо говоря, это УНЧ, по искажениям, уровня 0,001 -0,003% при рабочих мощностях выходного сигнала на нагрузке 4 Ом от 1 до 50Вт. При 8 Омной нагрузке искажения будут, примерно, в два раза меньше. И они будут сильно зависеть от второго ОУ. Лучшие результаты можно получить, используя в качестве второго ОУ микросхемы 1875, 7293(4) или 3886. Коэффициент усиления этого каскада не должен быть ниже 5-7, чтобы исключить самовозбуждение усилителя.
 

Вложения

  • УНЧ с плавающим питанием на мосфетах и пред. усил. схема с темостабилизаторами на стабилитронах.jpg
    УНЧ с плавающим питанием на мосфетах и пред. усил. схема с темостабилизаторами на стабилитронах.jpg
    363.7 KB · Просмотры: 80
Последнее редактирование:

Petr-51

2 ранг
Регистрация
29 Дек 2023
Сообщения
625
Реакции
-67
Репутация
11
Страна
Беларусь
Город
Могилев
Имя
Александр
Предупреждений
1
Посмотреть вложение 143977

Как могут 5 В размаха входного напряжение не перегрузить чувствительный усилитель?
устал повторять: перед подачей сигнала на вход модели обрабатываю его ФНЧ первого порядка с частотой среза 100 кГц (как в DIM-100). Обработай и будет тебе счастье.
 

СМЕРШ

2 ранг
Регистрация
30 Янв 2024
Сообщения
1,355
Реакции
1,291
Репутация
53
Страна
Poland
Город
Stargard
Предупреждений
13
Да сколько ты можешь врать про вполне очевидные вещи?
перед подачей сигнала на вход модели обрабатываю его ФНЧ первого порядка с частотой среза 100 кГц
1753193294152.png


Где тут ФНЧ 100 кГц? Пальцем покажи.

1753193507974.png


Где тут ФНЧ 100 кГц?

1753193667631.png


1753193750347.png

Где на этих графиках видно, что ты сглаживал меандр фильтрами?

Как у тебя выходит, что ты подал на вход сглаженный меандр, а хвастаешься восстановленным чистым меандром? Откуда на выходе взялись лишние гармоники выше 100 кГц, которые ты на входе срезал ФНЧ 100 кГц, и как это коррелирует с тем, что ФНЧ 100 кГц на схемах нету, хотя ты говоришь - есть?

Где бородатый спектр бусрта? Давай, выкладывай.
По твоим словам, это, всего лишь, спектр синусоиды.

Спектр по установкам Пертова.png


устал повторять
Врать ты устал.
Фильтров нет - ты говоришь: есть. Врёшь.
Гармоник в бусрте 1 ГГц полоса - ты говоришь, их там нет. Опять врёшь.
1753194516723.png

Транзисторы в отсечке, ты говоришь: нет, не в отсечке. Снова врёшь.
Если график тока пересекает нулевую ось или касается её - это отсечка.

А чо бы ей не быть, если тут любой человек понимает: нельзя 3 В сигналы на вход транзисторного /ОУ винил-корректора подавать.

Так безбожно врать любой притомится.

Где спектры бустра? Выкладывай.

Ошибка!
Врать-то он НЕ устал.
Я не понимаю, как можно быть настолько лживым в таких простых, очевидных, вещах. Спектр не хочет давать, говорит: я уже ответил тебе.
Врёт на ровном месте, и совести хватает: достал глаза из морозильника и снова врёт.

Спектр давай, Петров. Слов там не надо. Словами про отсечку соврать просто:

1753162722828-png.143977


а графиком - нет:

1753194516723-png.144061
 
Последнее редактирование:

Petr-51

2 ранг
Регистрация
29 Дек 2023
Сообщения
625
Реакции
-67
Репутация
11
Страна
Беларусь
Город
Могилев
Имя
Александр
Предупреждений
1
Да сколько ты можешь врать про вполне очевидные вещи?
Где тут ФНЧ 100 кГц? Пальцем покажи.
повторяю для особо непонятливых :)
Выложил модель с генератором меандра - все равно не понимает!
 

Вложения

  • Square_SCH.png
    Square_SCH.png
    78.3 KB · Просмотры: 52

Хуан Пабло

2 ранг
Регистрация
20 Янв 2024
Сообщения
335
Реакции
854
Репутация
34
При замере компенсационным методом,бурста и синуса,уровень искажений одинаковый.Где БУРСТОВЫЕ последствия в виде спектра радиосигнала на замере бурста?
Бурстовые последствия в виде сглаженных хвостиков при переходе от пачки синуса к ровной линии и обратно. Но чтобы увидеть спектры, вам придется перейти в другой режим и там запихнуть нарезанный бурст в окно анализа Фурье. Однако применимость разложения Фурье накладывает свои требования, поэтому спектры и получаются дикие.
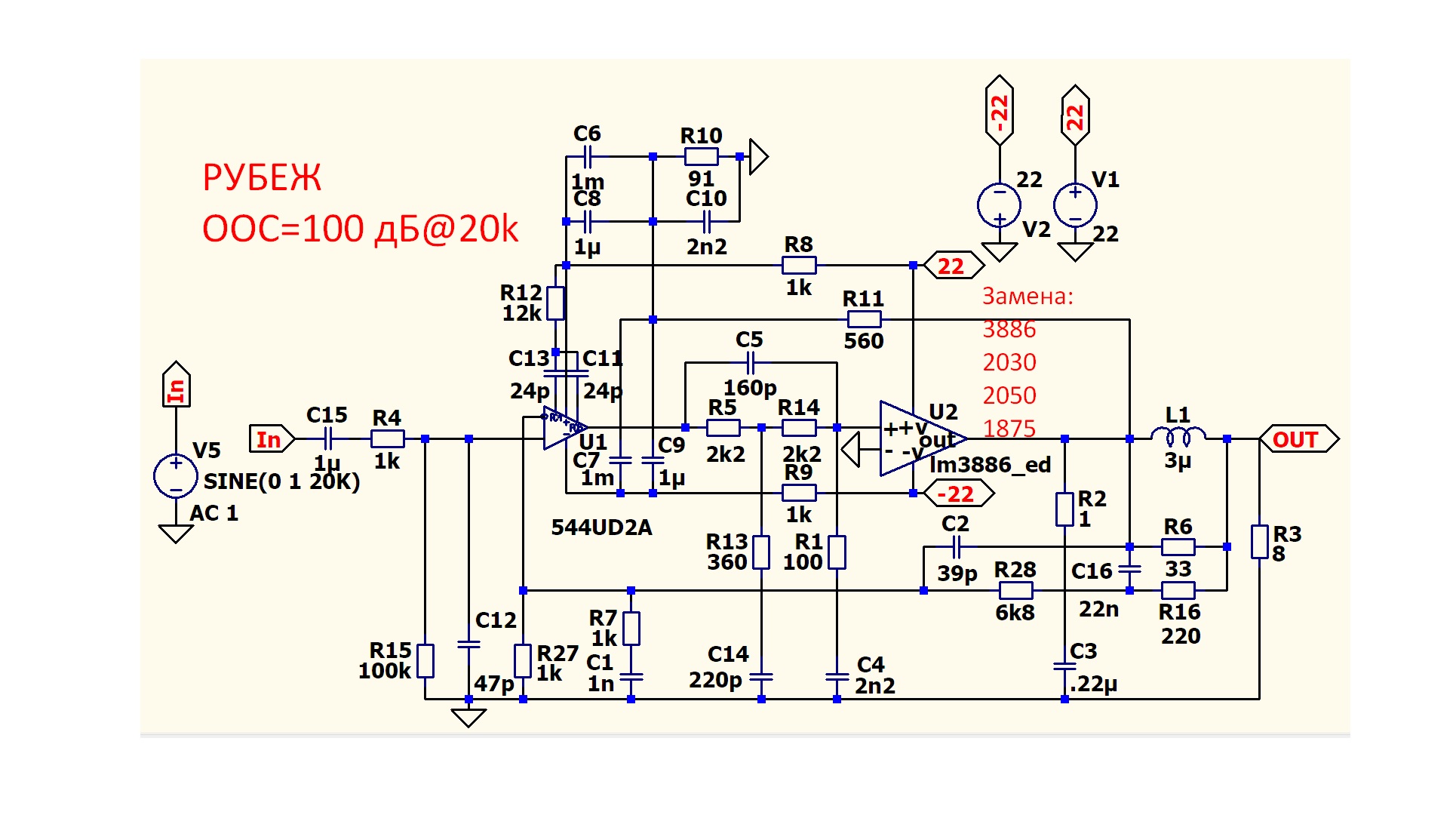
А смершу мой особый вопрос почему во входном ФНЧ УНЧ Рубеж, стоит конденсатор С12 на 47 пФ, а не на 470 или 1000 пФ, как это делают все вменяемые разработчики? :unsure:
Там стоит 470 пик, насколько я знаю. Покажите где вы взяли схему с 47 пик. Такое возможно только в какой-то промежуточной модели, где люди прощупывали какие-то свои вопросы, я полагаю.
 

Сталкер001

2 ранг
Регистрация
23 Мар 2025
Сообщения
544
Реакции
126
Репутация
11
Страна
Россия
Город
Москва
Имя
1000Гц
Предупреждений
10
Там стоит 470 пик, насколько я знаю. Покажите где вы взяли схему с 47 пик. Такое возможно только в какой-то промежуточной модели, где люди прощупывали какие-то свои вопросы, я полагаю.
 

Вложения

  • Рубеж.jpg
    Рубеж.jpg
    286.8 KB · Просмотры: 120

Хуан Пабло

2 ранг
Регистрация
20 Янв 2024
Сообщения
335
Реакции
854
Репутация
34
Это чья-то вариация. Вероятно, самого Жуковского, судя по охвату катушки и переносу коррекции в делитель ООС. Подождем его комментария.
 

Yurik

3 ранг
Регистрация
15 Май 2020
Сообщения
70
Реакции
94
Репутация
18
Страна
Україна
Имя
Юрий
Предупреждений
1
Kora M3 Никитина. Собран в основном из того, что было в "тумбочке". Резисторы в основном Vishay, Wima отобраны из 5%.
 

Вложения

  • IMG_20250729_120559.jpg
    IMG_20250729_120559.jpg
    363.3 KB · Просмотры: 154
  • Kora 3T.jpg
    Kora 3T.jpg
    110 KB · Просмотры: 153

jpatay

2 ранг
Регистрация
7 Янв 2024
Сообщения
424
Реакции
392
Репутация
21
Страна
Україна
Город
Нововолинськ
Регистрация
3 Июл 2023
Сообщения
129
Реакции
57
Репутация
10
Страна
Украина
Город
Киев
Предупреждений
1

Вложения

  • PinkFloyd_Money.jpg
    PinkFloyd_Money.jpg
    379.6 KB · Просмотры: 63
  • -5449842186549068355_121.jpg
    -5449842186549068355_121.jpg
    147.1 KB · Просмотры: 62
  • -5449842186549068338_121.jpg
    -5449842186549068338_121.jpg
    230.4 KB · Просмотры: 65
Регистрация
23 Июл 2019
Сообщения
6,675
Реакции
5,247
Репутация
203
Страна
Украина
Имя
Николай
Последнее редактирование:
Регистрация
11 Окт 2019
Сообщения
1,220
Реакции
1,129
Репутация
65
Страна
Россия
Предупреждений
1
надо попробовать симулятором посмотреть, что оно отфильтровывает...не лень будет, так вечером загоню. В ямахе а1000 (мало чем от а750 отличается...спараллелили сборки на полевых. да подстройка на несколько типов голов) тоже такое:
у А1000.JPG

можно и без этой гирлянды:
фильтр.PNGтак точнее.PNG
 
Последнее редактирование модератором:
Регистрация
23 Июл 2019
Сообщения
6,675
Реакции
5,247
Репутация
203
Страна
Украина
Имя
Николай
Регистрация
17 Июл 2022
Сообщения
3,160
Реакции
605
Репутация
59
Страна
Россия
Город
Санкт-Петербург
Регистрация
11 Окт 2019
Сообщения
1,220
Реакции
1,129
Репутация
65
Страна
Россия
Предупреждений
1
по факту может этой цепочки и нет....там много несостыковок (несоответствия схеме) присутствовало

Вы попробуйте выход взять с левого вывода R153, как у них на схеме.
:)
я честно говоря с вертушкой его даже не пробовал...так в гараже и стоит
То в ямаху пою, то в китайский ланзар. Когда синусоида в сети не обрезанная, то ИМХО ланзар лучше звучит :), а когда синусоида клипирована, то кажется, что ямаха :)
 

Вложения

  • ямаха.zip
    5.3 MB · Просмотры: 10

Последние сообщения

Статистика форума

Темы
3,068
Сообщения
234,475
Пользователи
2,375
Новый пользователь
Sergovlad
Сверху Снизу