Транзисторные винил-корректоры

ALSS

2 ранг
Регистрация
20 Окт 2021
Сообщения
473
Реакции
473
Репутация
33
Возраст
77
Страна
Украина
Город
Черновцы
Имя
Александр
Александр Сергеевич, Вы как практический специалист нашли простую реализацию сигнала, позволяющую получить лучшие результаты вследствие большей близости к реальности. Речь идет о закруглениях переходов от фронта к вершине, где в отличие от идеализированного сигнала с "острыми" углами производные не разрываются.
Я же ставлю схему в экстремальные условия.
Вообще-то на слух при симметричности восстановленного сигнала результат должен быть одинаков - динамика и ясность.
 
Регистрация
12 Ноя 2019
Сообщения
28,303
Реакции
13,620
Репутация
395
Александр Сергеевич, Вы как практический специалист нашли простую реализацию сигнала, позволяющую получить лучшие результаты вследствие большей близости к реальности. Речь идет о закруглениях переходов от фронта к вершине, где в отличие от идеализированного сигнала с "острыми" углами производные не разрываются.
Я же ставлю схему в экстремальные условия.
Вообще-то на слух при симметричности восстановленного сигнала результат должен быть одинаков - динамика и ясность.
Александр Степанович, я считаю вашу установку по измерению ПХ винил-корректора образцовой, но в силу крайней редкости измерений по этому параметру пришлось сочинить что-то попроще, тем не менее, достаточное для любительского применения.
 

Petr-51

2 ранг
Регистрация
29 Дек 2023
Сообщения
625
Реакции
-67
Репутация
11
Страна
Беларусь
Город
Могилев
Имя
Александр
Предупреждений
1
Не один раз уже писали и я и другие, что фронт и срез подаваемого на цепь антиRIAA меандра надо ограничивать величинами, соответствующими способу записи, для винила и сиди это 16 мкс по уровням 0,1-0,9 или 20 мкс от 0 до 1.
И на входе корректора размах сигнала должен быть не более ±50 мВ, наблюдаемых в реальности с головки ММ на нагрузке 47 кОм (кстати, увеличение нагрузки до 1 МОм практически не увеличивает сигнал). Частота же меандра значения не имеет в рабочей полосе частот, но удобнее смотреть на 5 кГц (черная линия - вход антиRIAA, красная - вход корректора).

Посмотреть вложение 142734
если меандр восстанавливается нормально, то трапеция восстановится и подавно

p.s.

Вместо параметра SR лучше пользоваться нормализованной скоростью нарастания (SR приходящаяся на 1 В выходного напряжения — приведенная скорость нарастания ПСН)).

Шкритек пишет что нормализованная скорость нарастания должна быть не менее 0,25...1,0 1/мкс.

Какую ПСН имеет трапецеидальный сигнал с фронтом от пика до пика 2 В и временем нарастания 10 мкс. ПСН такого сигнала равна 0,2 1/мкс, т. е. ниже минимально необходимого.
 

Вложения

  • Parasound_5kHz-трапеция.png
    Parasound_5kHz-трапеция.png
    70.3 KB · Просмотры: 51
  • SR_Шкритек_с41.png
    SR_Шкритек_с41.png
    34.8 KB · Просмотры: 37
Последнее редактирование:

Юджин Кинг

2 ранг
Регистрация
30 Сен 2023
Сообщения
322
Реакции
62
Репутация
12
Страна
UA
Город
Odessa
Друг купил винил измерительный Ортофон, в списке треков есть меандр для проверки ПХ.
Про этот сигнал рассказывал профессор Гурский, у него был такой диск. Особенность в том, что для измерения ПХ не нужен корректор, достаточно усиления самого осциллографа, на экране видим именно меандр. Жара спадет, организую замеры с картинками.
На выходе ММ около 5 мВ, что вы увидите на осциллографе? Очень зашумленный сигнал. У меня есть такой диск, и я смотрел П образный сигнал уже с выхода УК. Если стоит МС головка то тем более надо смотреть на выходе УК.
Пластинка Ortofon Stereo Test Record рассчитана на воспроизведение через стандартный RIAA-корректор, при установке регулятора громкости усилителя в среднее положение. На каждой стороне пластинки Test Record находится по 15 треков, разделенных между 1-4 и 5-15.
Сигнал колебания левого канала в диапазоне 800 Гц – 50 кГц,
логарифмическая характеристика, 28 секунд, линейный срез (800 – 20 000 Гц +/-1,5 дБ).
Сигнал колеблющейся частоты правого канала в диапазоне 800 Гц - 50 кГц,
логарифмическая характеристика, 28 секунд, линейный срез (800 – 20 000 Гц +/-1,5 дБ).
Сигнал колебания левого канала в диапазоне 800 Гц – 50 кГц,
логарифмическая характеристика, 28 секунд, линейный срез (800 – 20 000 Гц +/-1,5 дБ).
Сигнал колеблющейся частоты правого канала в диапазоне 800 Гц - 50 кГц,
логарифмическая характеристика, 28 секунд, линейный срез (800 – 20 000 Гц +/-1,5 дБ).
Референсный сигнал: 1000 Гц, 5см/с. RMS (правый канал).
Референсный сигнал: 1000 Гц, 5см/с. RMS (правый канал).
Референсный сигнал: 1000 Гц, 5см/с. RMS (левый канал).
Референсный сигнал: 1000 Гц, 5см/с. RMS (правый канал).
Точность трекинга, сбоку 50 мкм (пик.).
Точность трекинга, сбоку, 60 мкм (пик.).
Точность трекинга, сбоку, 70 мкм (пик.).
Точность трекинга, сбоку 80 мкм (пик.).
Точность трекинга, сбоку 90 мкм (пик.).
Точность треккинга, сбоку 100 мкм (пик.).
Прямоугольный сигнал 27 мс, цикл 3:7.
 
Последнее редактирование модератором:

Russ

1 ранг
Регистрация
3 Фев 2023
Сообщения
1,575
Реакции
814
Репутация
47
Страна
Россия
Город
Pskov
На выходе ММ около 5 мВ, что вы увидите на осциллографе? Очень зашумленный сигнал.
Увидим приличный сигнал при наличии балансного усилителя в приборе. На картинке желтый луч это сигнал прямо с МС головы с усилением 500, зеленый с выхода корректора. Исследовал царапки и необходимой перегрузочной способности корректора.
dso_08_17_12_15_28.png
 
Регистрация
12 Ноя 2019
Сообщения
28,303
Реакции
13,620
Репутация
395
Увидим приличный сигнал при наличии балансного усилителя в приборе. На картинке желтый луч это сигнал прямо с МС головы с усилением 500, зеленый с выхода корректора. Исследовал царапки и необходимой перегрузочной способности корректора.
Посмотреть вложение 142951
Помнится, пытался увидеть на экране сигнал с Мелодиевского измервинила на начале трека, с 20 000Гц. Там ужас полный, сигнал тонет в шуме и треске, зато спектра равнодушно чертит линию АЧХ, ей пофигу на трески.
 

Юджин Кинг

2 ранг
Регистрация
30 Сен 2023
Сообщения
322
Реакции
62
Репутация
12
Страна
UA
Город
Odessa

Russ

1 ранг
Регистрация
3 Фев 2023
Сообщения
1,575
Реакции
814
Репутация
47
Страна
Россия
Город
Pskov

Petr-51

2 ранг
Регистрация
29 Дек 2023
Сообщения
625
Реакции
-67
Репутация
11
Страна
Беларусь
Город
Могилев
Имя
Александр
Предупреждений
1
Собрал простенький корректор, на микросхемах. Включил - поёт, выключать не хочется. Может когда-нибудь и измерю, но сейчас лень.
Похожая схема есть у Ренардсона, ГВЗ ниже, ниже и спектр первого периода
 

Вложения

  • Renardson_Bode.png
    Renardson_Bode.png
    70.1 KB · Просмотры: 63
  • Renardson_10kHz-spectr.png
    Renardson_10kHz-spectr.png
    67.1 KB · Просмотры: 56
  • Renardson_10kHz-FCD.png
    Renardson_10kHz-FCD.png
    68.3 KB · Просмотры: 48
  • Renardson_2kHz-square.png
    Renardson_2kHz-square.png
    65.2 KB · Просмотры: 48
  • Parasound_10kHz-FCD.png
    Parasound_10kHz-FCD.png
    68 KB · Просмотры: 54
  • Akai_am-59_2kHz-square_.png
    Akai_am-59_2kHz-square_.png
    73.8 KB · Просмотры: 31
Последнее редактирование:

fvvn

1 ранг
Регистрация
4 Окт 2021
Сообщения
1,210
Реакции
1,220
Репутация
65
Страна
Россия
Имя
Вячеслав
Предупреждений
1
может всё таки на транзисторах ФК начнём обсуждать? на ОУ есть возможность свою тему!
prostoj_fono-predusilitel-7.jpg
 
Регистрация
12 Ноя 2019
Сообщения
28,303
Реакции
13,620
Репутация
395
может всё таки на транзисторах ФК начнём обсуждать? на ОУ есть возможность свою тему!Посмотреть вложение 143291
Вот нет желания эти одиночки повторять, неохваченные. Изначально кривые. Запал на полевики- делай спарку на джифете+ Р биполяре. И тебе шум, и тебе линейность и тебе искажения и тебе полоса и тебе выхсопр. Всех делов по копеечному транзистору докинуть и все поменяется.
 
Регистрация
23 Май 2020
Сообщения
2,384
Реакции
1,045
Репутация
70
Предупреждений
1

fvvn

1 ранг
Регистрация
4 Окт 2021
Сообщения
1,210
Реакции
1,220
Репутация
65
Страна
Россия
Имя
Вячеслав
Предупреждений
1
Вот нет желания эти одиночки повторять, неохваченные. Изначально кривые. Запал на полевики- делай спарку на джифете+ Р биполяре. И тебе шум, и тебе линейность и тебе искажения и тебе полоса и тебе выхсопр. Всех делов по копеечному транзистору докинуть и все поменяется.
Я акцентировал ...что ушли от темы(Петрову в первую очередь), тут не там... ТРАНЗИСТОРНЫЕ
а схемку я так приклеил...для непонятливых... по теме)
 

NEULO

1 ранг
Регистрация
14 Июл 2019
Сообщения
3,792
Реакции
1,926
Репутация
93
Возраст
52
Страна
Россия
Город
Одинцово
Предупреждений
4
Регистрация
23 Май 2020
Сообщения
2,384
Реакции
1,045
Репутация
70
Предупреждений
1

fvvn

1 ранг
Регистрация
4 Окт 2021
Сообщения
1,210
Реакции
1,220
Репутация
65
Страна
Россия
Имя
Вячеслав
Предупреждений
1
А оу оно на чём вообще унутре? На конденсаторах или на диодах? Можт на тиристорах?)
концепция другая...
вот тут на чём?

Akai.jpg

я кстати его повторил, работает очень хорошо, без симуляций обошлось, потому как японцы умели делать в своё время.
 
Последнее редактирование:

Profi

2 ранг
Регистрация
3 Дек 2021
Сообщения
270
Реакции
470
Репутация
27
Страна
Родина
Город
Тюмень
Имя
Евгений
Неплохо бы биполярный повторитель на выход приделать
Не, повторителя там мало. В этой схеме усиления не хватает. В реале около 100-200мВ на выходе. Я собирал ее несколько раз. А вот звучит она отлично.
У буржуев она называется Пасифик.
 
Регистрация
12 Ноя 2019
Сообщения
28,303
Реакции
13,620
Репутация
395
концепция другая...
вот тут на чём?

Посмотреть вложение 143295
я кстати его повторил, работает очень хорошо, без симуляций обошлось, потому как японцы умели делать в своё время.
А что, классная схемка. МС-ММ, корректируется входная цепь по нагрузке и глубина ООС. Вход один для всех. Супер. Утащу в аудиоберлогу.
 

fvvn

1 ранг
Регистрация
4 Окт 2021
Сообщения
1,210
Реакции
1,220
Репутация
65
Страна
Россия
Имя
Вячеслав
Предупреждений
1

СМЕРШ

2 ранг
Регистрация
30 Янв 2024
Сообщения
1,355
Реакции
1,294
Репутация
53
Страна
Poland
Город
Stargard
Предупреждений
13
кто понимает о чем речь
спектр первого периода
Ув.александр. Вот вы таки сказали эти заветные словечки: спектр первого периода.

Все мы знаем, что такое первый период: это - радиоимпульс, несущая 20 кГц, промодулированная меандром:

htmlconvd-U4RYOx_html_1193fd591d692d58.gif

Периодическая последовательность.jpeg

Вот она, несущая, а вот модулирующий меандр.
И спектр мы видели:

Спектр бусра от Зигфрида Линквитца.png
Гигагерц (1).png


Ширина полосы его гармоник достигает гигагерца. Как вы додумались подать 1 ГГц полосы гармоник на вход низкочастотного устройства? Чтобы что?

Теперь смотрите на преимущество продольной электроники над поперечной: я задаю вам вопрос, и вы сливаетесь на него ответить:


Александр, покажите нам спектр бустра на входе в усилитель?
1752841454116.png

Вот тут.
Такими буквами вам хорошо видно неисполнимую вами мою просьбу?


Люди тут уже снимали этот спектр. Им было страшно. Они назвали его бардаком. Но "бардак" - это не техническое описание. Нам нужен спектр

1954.png


и ваша его трактовка: чо в нём 1954% искажений?

Давайте сюда ваш спектр и мотайте на ус, что вы этого сделать не сможете никогда, да и раньше вы на этом месте постоянно сливались.

Это - преимущество продольной электроники над пьяной, накуренной грибами и обколотой кокаином вашей, поперечной. Мотайте на ус, если вам его ещё не отстригли.

Чем сложнее - тем хуже параметры
Патефон прост. У него - самые лучшие параметры: меж иглой и динамиком нет никаких усилителей.
 

Petr-51

2 ранг
Регистрация
29 Дек 2023
Сообщения
625
Реакции
-67
Репутация
11
Страна
Беларусь
Город
Могилев
Имя
Александр
Предупреждений
1

Вложения

  • безымянный_10kHz-spectr.png
    безымянный_10kHz-spectr.png
    71.1 KB · Просмотры: 368
  • безымянный_Bode.png
    безымянный_Bode.png
    77.4 KB · Просмотры: 52
  • безымянный_Loop-Gain.png
    безымянный_Loop-Gain.png
    127.3 KB · Просмотры: 44
  • Akai_am-59_10kHz-spectr.png
    Akai_am-59_10kHz-spectr.png
    68.4 KB · Просмотры: 43
  • Akai_am-59_Loop-Gain.png
    Akai_am-59_Loop-Gain.png
    126.4 KB · Просмотры: 57

fvvn

1 ранг
Регистрация
4 Окт 2021
Сообщения
1,210
Реакции
1,220
Репутация
65
Страна
Россия
Имя
Вячеслав
Предупреждений
1
И где косяк?

Вторая схема это Sony
 

СМЕРШ

2 ранг
Регистрация
30 Янв 2024
Сообщения
1,355
Реакции
1,294
Репутация
53
Страна
Poland
Город
Stargard
Предупреждений
13
htmlconvd-U4RYOx_html_1193fd591d692d58.gif
slide-35.jpg
Гигагерц (1).png

но по спектру на частоте 10 кГц
Петров, а покажите нам спектр перед усилителем. А то мы, тут, не уверены, что вы не засунули туда гигагерц и 1954% своих любимых гармоник.

Давайте сравним: вот был спектр ДО усилителя, а вот - стал ПОСЛЕ, и мы сами посмотрим, насколько этот спектр исказил усилитель.
А то интересно выходит:

1752928181494.png


Слишком страшный спектр для таких схемотехники и выходного напряжения. Тем более, что для съёма спектра гармоник пользуетесь вы математической моделью ОУ, в которой нет транзисторов, которая для расчёта искажений не предназначена, а только для моделирования АЧХ.

Давайте спектр входного сигнала, плиз. Без референсного образца спектра ваши данные ценности не имеют.

Покажите спектр. Ну, что вам стоит?

Спектр бусра от Зигфрида Линквитца.png

Да вот где. Как всегда, Петров засунул на вход сигнал, спектр которого показать не в силах. Это только Линквитц может. А потом Петров выудил на выходе сигнал с гармониками.

Откуда они там? А со входа пришли. А усилитель так исказил. Но спектра на входе мы вам не покажем.

Чем это подозрение нащот перманентной петровской брехни можно подтвердить?
Моделированием, конечно.

bezymjannyj_10khz-spectr-png.143574


1752932383245.png

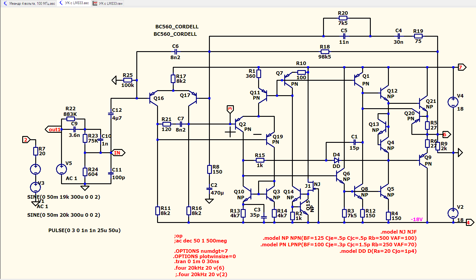
Тут имеем полную иерархическую модель ОУ ЛМ833, собранную согласно даташита.
Это простой ОУ, не лучше и не хуже других. Середнячок. Даже чуть похуже К157УД2.
Входной каскад - на ВС560, модели Корделла.

На входе - генераторы 19 и 20к по 50 мВ амплитуды каждый - то есть, обеспечивающие перегрузку УК на 20 дБ от наиболее вероятного, нормального, уровня.

Такой способ покажет одновременно и спектр гармоник выходного сигнала, как для монохроматического сигнала, и спектр интермодов меж сигналами разных частот.
Два по цене одного, да.

Лишние для расчёта искажений цепиь анти-РИАА-коррекции сняты и выброшены.

1752932672145.png

Амплитуда сигнала на выходе - 700 мВ на фоне смещения 200 мВ: всё-таки, усилитель не сверхточный, за счёт падения напряжения на резисторах цепи ООС от протекания базового тока дифа аддитивы имеет. Даже при всём при том спектр красноречивый:

1752933126116.png

Как и положено, уровни интермод взяты от уровней сигнала. Как видим, даже с перегрузкой по входу 20 дБ никаких страшных 2,5 тысячных от уровня сигнала нет и близко. Выше мизерного кустика интермод 38-40к вообще ничего нет. А что у Петрова?

1752933505216.png

Вопрос: а откуда эти искажения взял Петров - аж до 100к? Да ещё с таким высоким уровнем.

Петров, а откуда ты их взял, аж до 100к? Да ещё с таким высоким уровнем.
А повтори тот же фокус с тестом ССИФ 19+20к?

Спойлер: будет ему трудно, так как бустры он научился делать только одной частоты, а вот с двумя получится у него ад кромешный, если получится вообще.

Дело в том, что временные рамки модулирующего меандра бусрта удобно задавать целочисленными. Для одной частоты их выбор прост и понятен: длительность одного-двух периодов.

Но вот для двух частот придётся дату окончания бусра выбрать по самому длительному периоду - частоты 19к. А тогда временное окно захватит хвост периода 20к:

1752934373708.png

что симулятор трактует как резкое увеличение гармоник и интермод даже сравнительно со спектром бурста: в понятных Петрову терминах - ад кромешный, со спектром гармоник и интермод шириной 100 МГц:

1752934494632.png

Вы прослушали краткий курс "Как обговнять любой усилитель и заставить людей кушать примитивное нелинейное говно совершенно добровольно и с радостью". Можете дурить людей так же, как некоторые тут.
 

Вложения

  • УК с LM833.asc
    9.1 KB · Просмотры: 23
Последнее редактирование модератором:

Petr-51

2 ранг
Регистрация
29 Дек 2023
Сообщения
625
Реакции
-67
Репутация
11
Страна
Беларусь
Город
Могилев
Имя
Александр
Предупреждений
1
И где косяк?

Вторая схема это Sony
Вот тоже схема Sony, но фаза петлевого в звуковой полосе крутится меньше
СМЕРШ, с тобой бесполезно что либо обсуждать, твой один и тот же бред достает всех в любой ветке, где бы ты не появился.
 

Вложения

  • Sony_TA-F670ES_10kHz-spectr.png
    Sony_TA-F670ES_10kHz-spectr.png
    80.1 KB · Просмотры: 54
  • Sony_TA-F670ES_Loop-Gain.png
    Sony_TA-F670ES_Loop-Gain.png
    135.3 KB · Просмотры: 50
  • Sony_TA-F670ES_2kHz-square.png
    Sony_TA-F670ES_2kHz-square.png
    76.6 KB · Просмотры: 395
  • Sony_TA-F670ES_2kHz-square.png
    Sony_TA-F670ES_2kHz-square.png
    69.7 KB · Просмотры: 32

СМЕРШ

2 ранг
Регистрация
30 Янв 2024
Сообщения
1,355
Реакции
1,294
Репутация
53
Страна
Poland
Город
Stargard
Предупреждений
13
img-QQwuNZ.png
Периодическая последовательность-1.jpg


Гигагерц.png
Бурст_10к.jpg


Снятый в железе спектр бустра.
СМЕРШ, с тобой бесполезно что либо обсуждать
Человек пришёл, принёс схему корректора, собранную и отслушанную с оценкой "отлично".
Я тебе ставлю вполне понятный вопрос: покажи спектр на входе корректора.
1752952565547.png

Вот тут.

Покажи: вот, спектр состоит из одной частоты.
Конечно, пользы показывать спектры бустров для тебя нет никакой.
Все сразу поймут, что ты им лгал годами.
Где ты пытался это со мной обсудить? Ты сразу убегаешь в слезах, соплях и претензиях, как вот сейчас, на вопросы не отвечаешь или сразу переходишь к обвинениям в бреде.
один и тот же мой бред достанет вас всех
Правильно. Вот, смотри:
1752954120880.png

И мы симульнём такой УК:
1752954963833.png

В точке IN ты показываешь сигнал типа меандр амплитудой 1500 мВ.
1752954849200.png

И мы подадим такой же, с размахом 3 В. Но на входе корректора размах уже ШЕСТЬ ВОЛЬТ:
1752955587042.png

При этом транзисторы входного дифа заскакивают в отсечку:
1752956050297.png

Как один, так и второй:
1752956097386.png

Из-за этого на выходе УК имеем вот такое уродище:
1752956155294.png 1752956557449.png

И видно, что к искажениям формы меандра приводят заскоки транзисторов в отсечку. Вопрос: ув. Александр, какой умственно недоразвитый, ещё и свихнувшийся затем, джентельмен научил вас проверять АЧХ, малосигнальный параметр, шестивольтовым входным меандром, загоняя транзисторы в режим большого сигнала с отсечкой? То есть, априори за пределами всякой линейности и проверок АЧХ.
 
Последнее редактирование модератором:

Sergei_S

3 ранг
Регистрация
4 Мар 2024
Сообщения
220
Реакции
88
Репутация
7
Страна
Россия
Город
г.Клин

СМЕРШ

2 ранг
Регистрация
30 Янв 2024
Сообщения
1,355
Реакции
1,294
Репутация
53
Страна
Poland
Город
Stargard
Предупреждений
13
С нулевыми фронтами так оно наверное и будет.
sony_ta-f670es_2khz-square-png.143629


Тогда сильно интересно: а чо там за модель ОУ и что за симулятор такой, что всего этого:

1752956155294-png.143650


не видит?
Получается, какую дрянь туда не засунь, на выходе - благодать?
Грош цена такой симуляции.
должна показывать врага:
искажения,
шумы,
возбуды,
перегрузки,
а не помогать ему маскироваться до момента сборки в железе, когда это всё вылезет - а мы и не знали, что оно там есть, сколько его там и что теперь делать, если плата заказана, оплачена, собрана и

начинается свистопляс,

который можно было предупредить ещё на стадии симулирования.
 
Последнее редактирование:

Petr-51

2 ранг
Регистрация
29 Дек 2023
Сообщения
625
Реакции
-67
Репутация
11
Страна
Беларусь
Город
Могилев
Имя
Александр
Предупреждений
1
Грош цена такой симуляции.
должна показывать врага:
искажения,
шумы,
возбуды,
перегрузки,
а не помогать ему маскироваться до момента сборки в железе, когда это всё вылезет - а мы и не знали, что оно там есть, сколько его там и что теперь делать, если плата заказана, оплачена, собрана и

начинается свистопляс,

который можно было предупредить ещё на стадии симулирования.
золотые слова, только вот ты не умеешь пользоваться симулятором так как до сих пор так и не научился находить те искажения от которых зависит качество звука. Я показывал неоднократно как модели выдают ничтожно малые искажения в установившемся режиме, но не могут точно усиливать постоянно изменяющийся сигнал. Простейший тест который применял для этой цели Грэм Мэйнард - тест первого периода. На первом периоде нет "хвостика" от предыдущего периода напрямую связанного с ГВЗ (это выражение глубоко уважаемого мной Александра Гурского - светлая ему память!). Следующий тест который ты так и не освоил - измерение искажений возникающих в микродинамике. Для этого подходит тест бурста с участками нарастания и спада где независимо от амплитуды сигнала вылазят искажения которые не показывают другие виды тестирования. Но для этого необходимо освоить компенсационный метод тестирования, но ты до сих пор топчешься на месте. А то что твои методы тестирование ни о чем написал 70 лет назад Раковский, на этом заостряла внимание неоднократно и Алдошина указывая на то что их недостаточно. Твои методы используются на выпускном участке для проверки исправности усилителя, не более того! Для этого садят за прибор первого попавшегося монтажника (электронщик или инженер там ни к чему), показывают какую кнопочку нажать на Audioprecision и что посмотреть на экране компьютера и все что требуется, графики укладываются в трафарет - годно, марш в упаковку!
 
Последнее редактирование:

СМЕРШ

2 ранг
Регистрация
30 Янв 2024
Сообщения
1,355
Реакции
1,294
Репутация
53
Страна
Poland
Город
Stargard
Предупреждений
13
ты не умеешь пользоваться симулятором так как до сих пор так и не научился находить те искажения
Поумерь пафос.
Мне твоё мнение побоку, с 80 В меандра на входе корректора ты - не профессионал. Где оправдания по поводу проверенного корректора?
Спектры принёс? Не? А чо? Какие причины?
 

Последние сообщения

Статистика форума

Темы
3,068
Сообщения
234,497
Пользователи
2,375
Новый пользователь
Sergovlad
Сверху Снизу