Усилитель Арасланова (50 Вт/4 Ом)

  • Автор темы Автор темы LDS
  • Дата начала Дата начала

Рейтинг схемы усилителя по 5-ти бальной шкале

  • 1

    Голосов: 1 14.3%
  • 2

    Голосов: 1 14.3%
  • 3

    Голосов: 2 28.6%
  • 4

    Голосов: 1 14.3%
  • 5

    Голосов: 2 28.6%

  • Всего проголосовало
    7
Ну делал работают и без возбудов,так что проверено без симулятора.
 
Там для термостабилизации один диод смещения установить на радиатор выходного транзистора,проходили в 90х собирал штук шесть,да первый собранный на плате спалил выходные транзисторы пока не сделал термостабилизацию.
термостабилизацию лучше сделать на транзисторе с большой бэтой,по схеме Ube сплиттера,четыре диода это чтобы сильно не усложнять
но у Локанти и 5 диодов справлялись

Ну делал работают и без возбудов,так что проверено без симулятора.
с повторителем получишь более глубокую оос на вч,какое у тебя петлевое на 20 кгц????можно конечно конским миллером первый полюс завалить и радоваться))))) работает и ладно)))))))))))))))
 

Вложения

  • Locanthi-1967.png
    Locanthi-1967.png
    1.6 MB · Просмотры: 74
Последнее редактирование:
Ну так это было очень давно у меня все давно распродал,а сейчас не делаю так перебираю,а вот кто задал вопрос ему может и надо.
 
а вот кто задал вопрос ему может и надо.
а зачем оставлять ,там переделать за полчаса все можно,транзисторы теже,резисторы чуть подправить,даже проще схема,зато устойчивее на много
 
а зачем оставлять ,там переделать за полчаса все можно,транзисторы теже,резисторы чуть подправить,даже проще схема,зато устойчивее на много
И что?
Ваши предложения -давно известная классика. Уже. Всем.
А тема называется

Усилитель Арасланова​

 
А тема называется
значит в топку эту схему,зачем палить транзисторы,новичкам,или Вы по принципу ага я спалил,пусть еще и другие спалят)))
даже двойка на шиклаях не стабильна, а тут тройка,нах оно нужно,срочно расстрелять,до обеда,а обед сдать в детдом))))
 
Схемы есть - разные.
И это интересно.
А навязывать всем "свою" схему,
как истину в последней инстанции - зачем?
Вот имею личное мнение - ОУ в УНЧах - неправильно.
И что с того?
Каждый с ума по своему сходит.
 
значит нужно поставить знак-ОСТОРОЖНО! схема не стабильна!!!
 
значит нужно поставить знак-ОСТОРОЖНО! схема не стабильна!!!
Весьма возможно._da
"Информация для начинающих".
Кто "в теме", обычно просто пролистает страницу.
 
значит нужно поставить знак-ОСТОРОЖНО! схема не стабильна
Хотя бы его статью по настройке прочитать,уметь это делать правильно,а не тыкать куда не надо.
 
ОУ в УНЧах - неправильно.
И то - усилитель, и то. Усилитель в усилителе - неправильно?

Тоді паліть вихідні транзистори, придурки.
Ця схема працює доти, доки драйверний каскад залишається в режимі класу А.
Як тільки, під впливом навантаження. вн виходить за межі класу А, назад вже не повертається через збудження, що закінчується виходом з транзисторів Білого Диму..
Видишь ВК с Шиклаей - сразу беги, ничего хорошего там не получится.
 
И то - усилитель, и то. Усилитель в усилителе - неправильно?
Как то работал я в приличной фирме.
С хорошими Заказчиками.
Можно было заказать изготовление любой микросхемы
по своей схемотехнике.
Ну, думаю, а что не воспользоваться "халявой"?
Давайте, говорю, начнём....
Прислали они мне бумагу:
какие элементы на кристалле могут слепить,
ограничения по параметрам на них, включая нелинейности разные нехорошие.
Посмотрел на эту убогость, и продолжил делать усилители
на рассыпухе. Электрометрические.
Рабочие фоновые токи сигнала 10-20 pA, сигнала полезного - 20-50 fA.
 
Первый транзистор Сиклая умирает при половинной мощности на синусе.

АРАСЛАНОВ 2.png
При т.п.120ма комутационные искажения более 0.1%
АРАСЛАНОВ комутация.png
 
Последнее редактирование:

Sergei_S

Нормально не первый сделанный по это схеме,,все работают,ничего не умирало.
 
Первый транзистор Сиклая умирает при половинной мощности на синусе.

Посмотреть вложение 157811
При т.п.120ма комутационные искажения более 0.1%
Посмотреть вложение 157817
1762541585809.png

ВК Локанти УМ ВВС-2011.
Ток базы второго каскада ВК - драйвера (выходников):

1762541656527.png

1762542388691.png


ВК не помню, чего, шиклайный, но скопирован со схемы:

1762541703775.png

Это довольно грамотный ВК, навороченный.

1762541749441.png
1762542134385.png


То же самое: ток базы драйвера на фоне выходного напряжения. Искажения резкие, не в пример плавным ВК Локанти.
Вот эти срезы отсечки тока в трёхкаскадном ВК могут быть безобидными, но в двухкаскадном они говорят о резкой модуляции входного сопротивления ВК в течении периода синала. УН нагружен на ВК, входное сопротивление которого задаёт его усиление. Отсечка и сама по себе - искажение, а в паре с модуляцией ещё и усиления УН - чистый термояд, так как усилитель теряет способность исправить эти искажения.

Плоского звука точно не будет.
Была на ремонте какая-то "Романтика" с двухкаскадным шиклаем на выходе. Более мерзкого, суицидально-инициирующего шумового звука я в жизни не слышал.
 
Посмотрел на эту убогость
Одиночный ОУ - да, уже отжил своё. В составе композита или ОУ-транзисторного / транзистор-ОУшного гибрида - извини, подвинься. Глубина ООС может лапоть выровнять.

ВВС-2011.jpg

ОУ-транзисторный гибрид.
Рубец.jpg

Транзистор-ОУшный гибрид: Лихорадка )), РУБЕЦ - композит на 544УД2-ТДА2030, ЕМНИП..
 
Когда выходной транзистор выключается у транзисторов Сиклая FT падает до нуля.А что происходит в этот момент с петлевым АЧХ и ФЧХ просто жуть.УМЗЧ Батя и Середы будет лучше.

FT Арасланов.png
А у Локанти всё на мази.

FT Арасланов Локанти.png
 
Последнее редактирование:
Транзистор-ОУшный гибрид: Лихорадка )), РУБЕЦ - композит на 544УД2-ТДА2030, ЕМНИП..
Должен сознаться, когда начали работать с "америкосами", в нашем КБ-хх можно было любые комплектующие заказать "оттуда".
И я быстро перешёл на AD549.
 
1 МГц фед - это крайне печально. Это печальнее прям некуда. Ку = 50 раз на 20 кГц, когда транзисторный каскад даёт 10.000.
 
1 МГц фед - это крайне печально. Это печальнее прям некуда. Ку = 50 раз на 20 кГц, когда транзисторный каскад даёт 10.000.
Газовая хроматография.
Полезный сигнал по времени вылазит на 20-й секунде,
фильтры делал на 10-20 Гц.
Полезный сигнал(пик) "шёл" примерно 1-2 секунды.
Это ещё у нас был быстродействующий вариант прибора...
Основная засада - входной ток, шумы, дрейф + разводка земли + экранирование.
Там конструкторской работы было - половина работы.
.
 
Полезный сигнал(пик) "шёл" примерно 1-2 секунды.
Я так и понял, что оптика, входные токи - фемтоамперы, и скорость невысокая. Для аудиоприменений нужен 544УД2, у него Ку20к=1000...3000, мерили его и говорили даже за 94 дБ/20к. Или подобные, насколько карман широкий. Критерий - полоса, фед повыше.

Любой ценой необходимо набрать усиления на 20к: именно интермодуляция ВЧ-гармоник сбрасывает в НЧ-СЧ кашу разностных интермод.
 
544-ая серия почти вся неплохая.
Сейчас они до УД19 добрались.
Вроде аналог AD825 делают.
Но тут я не уверен, что техпроцесс "вылизали".
Тяжело заставить девок руки мыть и не краситься..:)
Разговаривал с разработчиком, он тогда ещё жив
был.
Узнавал, можно ли входные токи удавить поболее.
Он сказал - реальные токи гораздо меньше - у самого кристалла, а корпус всё портит.
 
Сейчас они до УД19 добрались.
Нас интересует только Ку20к. Остальные ОУ этой серии - лицензия США, там ничего хорошего нет. Поверь двухсотлетнему опыту: уж я бы нашёл.

Чем технически прекрасен 544УД2, так это схемой:
1762770414598.png

Я удалил технические, сервисные цепи, для ясности.

0. Продвинутый каскодный генератор тока,шесть транзисторов.
1 и 2. Два самых линейных каскада аудиотехники: дифференциальных.
3. Точнейшее токовое зеркало в нагрузке второго дифа.
4. Работает второй диф на высочайший входной импеданс ПТ.
5. Трёхкаскадный ВК: однотактные ПТ и БТ-повторитель, двухтактный выходной отлично позволяют второму диф-зеркалу сохранить высокое усиление.
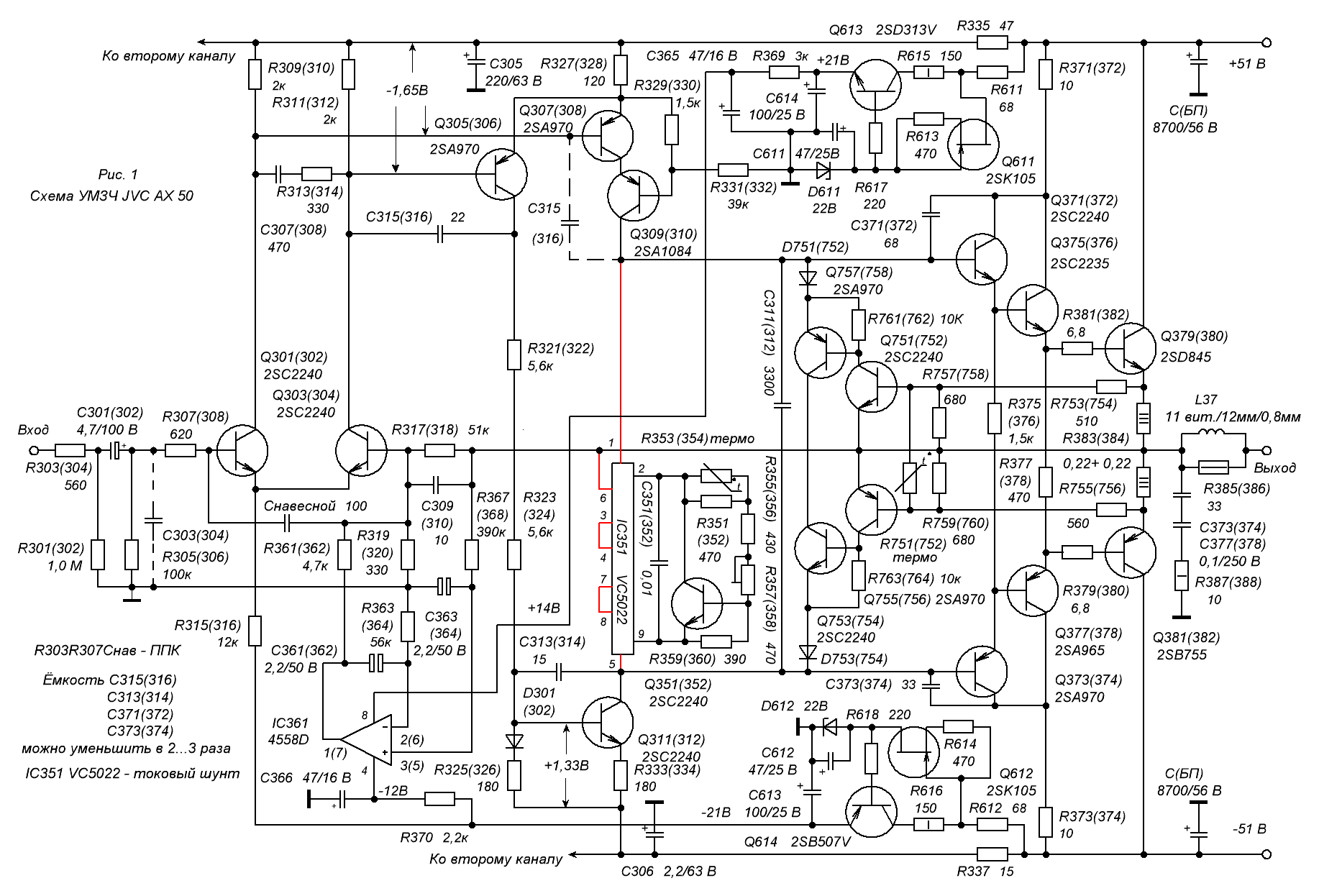
* Я экспериментировал с подобной схемотехникой:
JVC AX-50 испр.GIF

параметры - моё почтение.
5. Гибкая вынесенная частотная коррекция позволяет применением Т-конфигурации снять побольше вожделенного Ку20к:

изображение_2024-01-19_194128887.png

К544УД2+-15в2в вых 2,4кОмнагр 1кОмвходИМД.png

К544УД2+-15в
2в вых на 2,4кОм нагр
1кОм последовательно со входом
ИМД
К544УД2+-15в2в вых 2,4кОмнагр 30кОмвходИМД.png

К544УД2+-15в
2в вых на 2,4кОм нагр
30кОм последовательно со входом
ИМД
Железяные замеры двух разных экземпляров по схеме выше с Т-коррекцией. Приведены подписи автора к скринам.
Искажения на уровне - 110 дБ, в одиночку, с нагрузкой 2к4 - это дорогого стоит.

6. Не показанные узлы ИОН и токораздачи - также великолепны.

544УД2-.png

Вне всяких сомнений: этот ОУ проектировал гений. Здоровья ему - или Царствия Небесного, всех благ, в этом мире и в следующем.
 

Статистика форума

Темы
3,350
Сообщения
269,226
Пользователи
2,576
Новый пользователь
grushar
Назад
Сверху Снизу