У меня не одна пара наушников и для них я делал усилители на транзисторах, микросхемах, лампах.
Могу написать зачем они нужны и когда они нужны. Так и сделаю, если будет такая необходимость, а сейчас не хочу даром тратить время.
Итак. Есть задача - сделать усилитель для наушников 250 ом. В силу высокого сопротивления, именно они нуждаются в усилителе. Для них сделан ламповый усилитель и он хорошо работает, но от громоздкий и неудобный, поэтому я решил попробовать готовую плату с Али на микросхеме TPA6120А2.
Не буду долго рассуждать, что это отбраковка, третий сорт и прочее, это лирика.
Вот фото усилителя.
Обратите внимание на логотоп TI, у подделок он выглядит иначе.
Это самая дешёвая плата и, на мой взгляд, она лучше других т. к. её проще всего доработать.
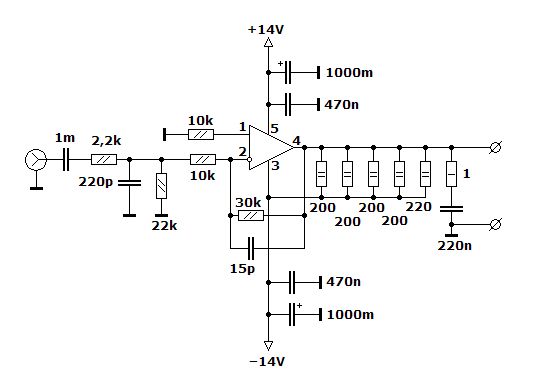
Вот почти точная схема.
Разница в том, что на схеме нет регуляторов громкости, разъёмов, светодиода и одной детали (об этом ниже) и это хорошо т. к. данные детали мешают доработке.
Нужны следующие доработки.
1. На всех таких платах у всех продавцов неправильно установлен один конденсатор. Полярность надо изменить на обратную. Сделать это не так просто. Лучше всего нагреть плату снизу, снять конденсатор и повернуть его. Это конденсатор по питанию в плече минуса.
2. На выходе стоят резисторы по 10 ом. Почитайте справочный листок. Я считаю, что лучше поставить резисторы 39 ом. Измерил ёмкость тонкого кабеля наушников длиной 1,2 метра и нормального толстого кабеля длиной 3,5 метра. Забавно, что в обоих случаях ёмкость одинакова - 270 пФ. Это довольно много для столь быстродействующего усилителя.
3. Считаю, что для наушников 250 ом должно быть усиление 5...7. Для меня проще всего было вместо резисторов 1 кОм поставить резисторы 270 ом.
Я хотел заменить оба резистора обратной связи, вместо 1+1 кОм поставить 2 кОм + 390 ом, но не нашёл SMD резисторов нужного размера и номинала, поэтому для пробы заменил только один резистор и получил усиление около 5.
4. Стрелкой указан резистор отсутствующий на схеме, это 4 кОм.
Так решили уменьшить входное сопротивление и уменьшить чувствительность к наводкам. Но оказалось, что этого недостаточно даже для регулятора громкости 10 кОм - при установке на максимум, усилитель возбуждался что приводило к дикому нагреву микросхемы.
Неудивительно для усилителя работающему по паспорту до 100 Мгц.
Пришлось на вход поставить обычный фильтр из резистора 1 кОм и конденсатора 1000 пФ. Частота среза примерно 150 кГц. Это помогло.
Усилитель испытан с разными наушниками от 32 до 250 ом и показал хорошее качество. Думаю, это самый-самый простой вариант и весьма дешёвый. Доработки простые. При отсутствии возбуждения на ВЧ нагрев умеренный. Поэтому если микросхема очень горячая - ловите возбуждение на ВЧ которое не обязательно слышно.
Данный усилитель может быть использован как сверхбыстродействующий нормирующий для УМЗЧ. Усиление может быть 2...10.
Работает в широком диапазоне напряжений питания (подробности в справочном листке). Я специально взял маломощный стабилизированный блок питания +-12 В. Вместе с увеличенным номиналом резистора на выходе это ограничивает выходной ток через нагрузку при аварии.
Поскольку есть запас по усилению, есть намерение применить дополнительные фильтры для улучшения баланса недорогих наушников.
Поскольку результат оказался удовлетворительным, я заказал ещё один экземпляр для опытов.
На слух звук "быстрый". Может это самовнушение т. к. известно что по паспорту быстродействие микросхемы 1300 В/мкс но уж точно не тормоз. Разделительные конденсаторы отсутствуют и с басом всё нормально.
После опытов собираюсь заточить усилитель в корпус.
Могу написать зачем они нужны и когда они нужны. Так и сделаю, если будет такая необходимость, а сейчас не хочу даром тратить время.
Итак. Есть задача - сделать усилитель для наушников 250 ом. В силу высокого сопротивления, именно они нуждаются в усилителе. Для них сделан ламповый усилитель и он хорошо работает, но от громоздкий и неудобный, поэтому я решил попробовать готовую плату с Али на микросхеме TPA6120А2.
Не буду долго рассуждать, что это отбраковка, третий сорт и прочее, это лирика.
Вот фото усилителя.
Это самая дешёвая плата и, на мой взгляд, она лучше других т. к. её проще всего доработать.
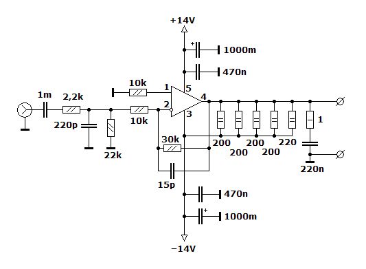
Вот почти точная схема.
Разница в том, что на схеме нет регуляторов громкости, разъёмов, светодиода и одной детали (об этом ниже) и это хорошо т. к. данные детали мешают доработке.
Нужны следующие доработки.
1. На всех таких платах у всех продавцов неправильно установлен один конденсатор. Полярность надо изменить на обратную. Сделать это не так просто. Лучше всего нагреть плату снизу, снять конденсатор и повернуть его. Это конденсатор по питанию в плече минуса.
2. На выходе стоят резисторы по 10 ом. Почитайте справочный листок. Я считаю, что лучше поставить резисторы 39 ом. Измерил ёмкость тонкого кабеля наушников длиной 1,2 метра и нормального толстого кабеля длиной 3,5 метра. Забавно, что в обоих случаях ёмкость одинакова - 270 пФ. Это довольно много для столь быстродействующего усилителя.
3. Считаю, что для наушников 250 ом должно быть усиление 5...7. Для меня проще всего было вместо резисторов 1 кОм поставить резисторы 270 ом.
Я хотел заменить оба резистора обратной связи, вместо 1+1 кОм поставить 2 кОм + 390 ом, но не нашёл SMD резисторов нужного размера и номинала, поэтому для пробы заменил только один резистор и получил усиление около 5.
4. Стрелкой указан резистор отсутствующий на схеме, это 4 кОм.
Так решили уменьшить входное сопротивление и уменьшить чувствительность к наводкам. Но оказалось, что этого недостаточно даже для регулятора громкости 10 кОм - при установке на максимум, усилитель возбуждался что приводило к дикому нагреву микросхемы.
Неудивительно для усилителя работающему по паспорту до 100 Мгц.
Пришлось на вход поставить обычный фильтр из резистора 1 кОм и конденсатора 1000 пФ. Частота среза примерно 150 кГц. Это помогло.
Усилитель испытан с разными наушниками от 32 до 250 ом и показал хорошее качество. Думаю, это самый-самый простой вариант и весьма дешёвый. Доработки простые. При отсутствии возбуждения на ВЧ нагрев умеренный. Поэтому если микросхема очень горячая - ловите возбуждение на ВЧ которое не обязательно слышно.
Данный усилитель может быть использован как сверхбыстродействующий нормирующий для УМЗЧ. Усиление может быть 2...10.
Работает в широком диапазоне напряжений питания (подробности в справочном листке). Я специально взял маломощный стабилизированный блок питания +-12 В. Вместе с увеличенным номиналом резистора на выходе это ограничивает выходной ток через нагрузку при аварии.
Поскольку есть запас по усилению, есть намерение применить дополнительные фильтры для улучшения баланса недорогих наушников.
Поскольку результат оказался удовлетворительным, я заказал ещё один экземпляр для опытов.
На слух звук "быстрый". Может это самовнушение т. к. известно что по паспорту быстродействие микросхемы 1300 В/мкс но уж точно не тормоз. Разделительные конденсаторы отсутствуют и с басом всё нормально.
После опытов собираюсь заточить усилитель в корпус.


вторая ламповая гармоника аж в 0,02% при мощности 100 мВт (здравствуй глухота и замена усилителя с наушниками на слуховой аппарат).
