Звуковая схемотехника 2024

  • Автор темы Автор темы NEULO
  • Дата начала Дата начала
Не бывает одного хорошего усилителя.
Нужны разные
Да у меня их 10шт по разной схеме и промышленно и самодельные ,вот сейчас подключен самодел к акустике амфитон-027 уже больше чм полгода слушаю через него нравится схема простоя я в своей теме проводил но сказали что ерунда.
 
Не бывает одного хорошего усилителя.
Нужны разные
Это для меня они могут быть разными. Тебе нужен усилитель для постановки на путь истинный, как эталон. По простоте - это ВВ. Ясен пень, если начнёшь с квода, то людвигом аристарховичем закончишь.
 
Я и не лезу никуда, сижу в своей нише, и попискиваю тихонько
Шоб тебе лучше попискивалось, добавил в твою сверчку термоелемент. Теперь если выставить ток покоя 40-45мА он должен держаться на одном уровне при прогреве.
Настоятельно рекомендую добавить. Приворачивается на радиатор через прокладку.
 

Вложения

прочёл твои идеи. предлагаю тебе записаться и посетить врача-нарколога и психиатра. здоровый говоришь? а главная мыслительная деталь- сломана. ну да , в зеркале видна конечно и есть в неё - норм, да? значит здоров, по крайней мере недообследован.
кстати. в роли термоэлемента для прогрева радиаторов предлагаю тебе использовать твою же жопу. мажешь термопастой, скотчем приматываешь и вуаля- радиаторы всегда тёплые.
На этих радиаторах что сейчас (0.4х 6Х12 см ) , при ТП 100 -120 ма на транзистор, они чуть тёплые. Саморазогрева нет. Ток держится стабильно
Саморазогрева нет и на 150 ма на один транзистор. Но радиаторы теплеют.
При ТП 200 ма на транзистор, радиаторы двольно горячие, и ТП начинает понемногу расти.
Поэтому, если делать ТП меньше 100ма на транзюк, терморегулятор не нужен.
 
2 СМЕРШ

Вот здесь активный ГСТ ( под ООС ) Как у меня.
1721065267130.png

А вот здесь обычный ( классический, без управления под ООС ), только опора у него не сильно фиксирована, ( через резисторный делитель ) но достаточно что бы норм. работать.
1721065466727.png
Теперь понимаете разницу ?
У меня в схеме, при не симметрии, одно плечо включено как активный ГСТ и график спектра лучше, чем с обычным
 
А что тогда?
Ведь он не запитан со входа
Низкое выходное сопротивление вместо высокого. Да и Ку нижнего каскада с ОЭ, из-за этого, ниже:

Ку = RвыхГСТ / Rэ
- и искажений должно быть больше.

Вообще, не чуди ты с этими тупиковыми путями. На одном каскаде усиления напряжения ничего путнего не выйдет, испытано.
 
2 СМЕРШ

Вот здесь активный ГСТ ( под ООС ) Как у меня.
Посмотреть вложение 104338

А вот здесь обычный ( классический, без управления под ООС ), только опора у него не сильно фиксирована, ( через резисторный делитель ) но достаточно что бы норм. работать.
Посмотреть вложение 104339
Теперь понимаете разницу ?
У меня в схеме, при не симметрии, одно плечо включено как активный ГСТ и график спектра лучше, чем с обычным
Сравни ун у ЛТ1210 и свой
 

Вложения

  • лт1210.png
    лт1210.png
    60 KB · Просмотры: 91
На этих радиаторах что сейчас (0.4х 6Х12 см ) , при ТП 100 -120 ма на транзистор, они чуть тёплые. Саморазогрева нет. Ток держится стабильно
Саморазогрева нет и на 150 ма на один транзистор. Но радиаторы теплеют.
При ТП 200 ма на транзистор, радиаторы двольно горячие, и ТП начинает понемногу расти.
Поэтому, если делать ТП меньше 100ма на транзюк, терморегулятор не нужен.
Режимний струм вихідної пари вибирають за заповітом дідуся Олівера, а не казкового Балди. А також, з огляду на потрібну fT
 
Сравни ун у ЛТ1210 и свой
Понятно что у опера круче, да и структура совсем другая.
Правда не понял почему один вход идет с баз а другой с эмиттеров, но видимо он не в балансном включении работает.
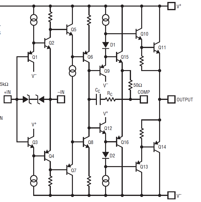
И что за точка "COMP" ? Что делает ?
 
Я только из отпуска, несколько раз переплыл Волгу и прыгнул с парашютом, дабы взбодриться,
в отпусках все бывали, када работали...
Волгу, да, переплыть можно, ежели где-нибудь у истоков.
Вот я, бывало, Атлантический океан перешагивал, неоднократно, немного апосредовано...
Это родник, из которого Идолга вытекает потом в Медведицу впадает, потом в Хопёр, потом в Дон, потом в Азовское море, потом в Чёрное, потом в Средиземное, потом в Атлантику.
И я этот родник ПЕРЕШАГИВАЛ.
Вот я какой !
Да и с парашютом доводилосмь прыгать по молодости....
Да - взбадривает, особо основной купол что то 25 кило и запасной 12, и кто все носить надо, до аэросредства....
 
Низкое выходное сопротивление вместо высокого. Да и Ку нижнего каскада с ОЭ, из-за этого, ниже:

Ку = RвыхГСТ / Rэ
- и искажений должно быть больше.

Вообще, не чуди ты с этими тупиковыми путями. На одном каскаде усиления напряжения ничего путнего не выйдет, испытано.
А можно еще так включить, зеркально.
Тоже работает.
1721069377758.png
 
А можно еще так включить, зеркально.
Тоже работает.
Посмотреть вложение 104344
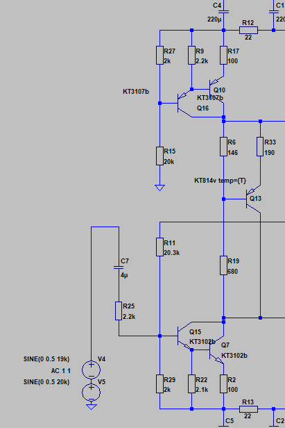
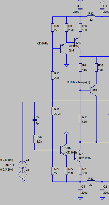
У тебя меж шин питание включена дифференцирующая цепочка R27R29C3C7:

1721071722385.png

И через неё все помехи лезут в сигнал. Не стоит надеяться на ФНЧ по питанию: они давят помехи на определённую величину, а Т7Т10 их усиливают.

Потому УН должен быть УПТ, и на базы Т15Т16 должны работать только коллекторы входного дифа.
 
Значит сильнее всего это должно работать в выходном каскаде? И даже вроде работает - раз в 5 меньше искажений и вдвое больше петлевое. Почему не строить выходной как пару шиклаи с каскодом?
Загальновідомо, що пара Шиклаї була вигадана для роботи в режимі класу А.
Для роботи в двотакті в режимі класу АВ вона профнепридатна через те, що вихідний транзистор закривається раніше, а відкривається пізніше драйверного. Тому відбуваються різкі зміни вхідного опору пари, що призводить до додаткових нелінійних спотворень сигналу. Також, пара Шиклаї схильна до збудження на частоті fT вихідного транзистору. Свого часу, це розбирали на вегалабі.
Тим більше, з ніби то керуванням вихідним транзистором за допомогою струму бази. Це зовсім нікуди не годиться в каскаді підсилення струму.
Хоча, років зо двадцять тому, я грішив подібною схемою для підсилювача для навушників у квазидвотакті в класі А за Шуцьким.
Грало добре ;)
 
Последнее редактирование:
Хоча, років зо двадцять тому, я грішив подібною схемою для підсилювача для навушників у квазидвотакті в класі А за Шуцьким.
Грало добре ;)
Недавно такую сделал, играет нормально, без вопросов. И симулятор не показывает ничего подозрительного.
 

Вложения

  • Буфер обмена02.jpg
    Буфер обмена02.jpg
    28.8 KB · Просмотры: 109
У тебя меж шин питание включена дифференцирующая цепочка R27R29C3C7:

Посмотреть вложение 104345
И через неё все помехи лезут в сигнал. Не стоит надеяться на ФНЧ по питанию: они давят помехи на определённую величину, а Т7Т10 их усиливают.

Потому УН должен быть УПТ, и на базы Т15Т16 должны работать только коллекторы входного дифа.
Что только не делают, лишь бы не делать глубокую ООС. А помехи ерунда, они только звук украшают. Это по аудиофильски, чем волосатее сигнал, тем лучше звук.
 
а у меня разве он не разгружен максимально?
У меня тройка ВК с быстрым буфером и драйвером
А подумать почему разработчики ЛТ1210 разгрузили ОЭ желания нет?
 
как там могут быть помехи
Поверь мне. В питалове задай синус + постоянку, а вход можешь посадить на землю, и сними проникание на выход. Много думай, кури, если трясущиеся руки пощволят чиркнуть спичку.
 
вступают трубы...всё, магия исчезла, ибо трубы своей резкостью только все портят.
Трубы дают сигнал со многими гармониками, обертонами, и твоя безлинейная дрянь усердно это всё меж собой перемножает. Чем больше разных частот в сигнале, тем гавённее звук.

В 30-х годах, во времена расцвета безООСья, это знали, и певец, оркестр и разные инстоументы в оркестре работали по очереди.
 
подавление по питанию слаботочной части:
1721113788402.png
сильноточной:

1721113865527.png
такие дела.
 
Вот к примеру.
Включаю в мелкоосник тестовый трек.
Идёт инструментальный проигрыш, барабаны, бас,гитара ещё что-то, всё звучит отлично, бас, гитара, барабаны рельефные, прямо рукой потрогать можно, идёт хороший позитив,звук прямо лечит и даёт заряд, и здесь вступают трубы...всё, магия исчезла, ибо трубы своей резкостью только все портят.
Кто виноват?...усилок или звукорежиссёр сводивший запись? Ведь без труб всё звучало идеально
Да хз. И так и этак.
Может когда он сводил, у него трубы так резко не звучали в его тракт, или он слышал по другому.
Ну да, может если бы я слушал в СЛ, там трубы так резко бы не звучали, я не знаю, у меня пока его нет что бы сравнить.
Но просто хочу сказать что и мелкоосники тоже звучат, только не везде и не всегда.
Это очень жанровые усилки, не универсальные.
На правильной домашке трубы не режут слух, не торчат из общего звучания, включая самый сложный случай в виде всяких огненных балканских трубачей типа Бреговича-Кустурицы-Фанфаре Чокарлиа-Кочани Оркестар. И пока не сделал достойно звучащуюю технику, дудки пилили по ушам. И считал, что это звукорежоперы промазали.
 
У меня по питанию сейчас двухзвенный фильтр, это работает.
Планирую сделать трехзвенный, вообще будет хорошо
Ты читать то умеешь? График с двухзвенным фильтром на картинке есть. Как то работает. Но лучше конечно семизвенный заухячить, а ещё лучше фильтр Чебышева в питание, вообще будет супер. Ну и что что он сложнее усилка выйдет?
Что я могу тебе ответить?
Тотентанц без фильтров вообще, я их - закоротил нахрен. Подавление:
1721117315730.png
Он же в железе, смотри на 50 и 100герц:
1k.jpg
питание нестабилизированное, выпрямитель и по 18000мкф в плечо. -140дБ фон пульсаций 100Гц. Такие дела.
 
А хто у нас тут усилитель?
Это усилитель тока. По напряжению - повторитель. Усиливать по напряжению не надо. Хватает выхода звуковой карты.
Собственно сделано не столько для наушников, а для "коробочек" audiotester'а и zmeter2. Чтобы измерять без перегруза звуковухи маленьке катушки и большие конденсаторы, а также снимать Т-С динамиков.
На рсунке - что представляет из себя линейный выход звуковух по результатам измерений 4-х матерей. Asrok N68, какие-то ASUS и MSI.
 

Вложения

  • звуковуха выход.jpg
    звуковуха выход.jpg
    20.5 KB · Просмотры: 81
вот так сделай
 

Вложения

  • Буфер обмена02мод.jpg
    Буфер обмена02мод.jpg
    41.1 KB · Просмотры: 95

Статистика форума

Темы
3,302
Сообщения
262,870
Пользователи
2,544
Новый пользователь
vlad'mir
Назад
Сверху Снизу