Звуковые трансформаторы

  • Автор темы Автор темы DIM
  • Дата начала Дата начала
Мотал такие силовые, когда мода была на плоские усилители. Почти тор, и место хорошо используется.
 
Точно? Не получалось качественного реза, да и как пластины между собой не сварить?
Сам там не был - производство закрытое, возраст не тот. Но от старших, там работавших, не раз слышал об этом. Кроме сендаста для голов резали ещё что-то для ламп ЛБВ - основная продукция.
 
Для ламп всякое точное резали раньше электроискровым (электроэррозионным) способом.
Ещё этим же способом резали магниты.
Работал на таком производстве после института. Магниты зверские были. Как-то над серединой стола держал кусок такого магнита, с дальнего края стола притянулись и прыгнули несколько магнитных обрезков с такой силой что разбили мне руку. Есть в нашей стране очень хорошие магниты. Или были при СССР..
 
Последнее редактирование:
Как они зазор делают для SE я не в курсе.
Василий (Карта) мне кажется уже десятилетие такие делает... (а может делал, я так и не понял есть еще производство у него в Ростове или нет..)
Можно у него поинтересоваться по технологию пропиливания. (коснись меня, я бы наверное затолкал деревянный цилиндр в тор, и просто болгаркой (лягухой) диском на 0,8 мм пропилил, потом прокладка с нужной толщиной, потом деревяшку вытащил, стянул тор..так предполагаю)
 
Хит сезона (Бриллиантовая рука)
И библиотека превратилась в слесарную мастерскую.
 
Последнее редактирование:
И библиотека превратилась в слесарную мастерскую.
Кролик - это не только ценный мех.....
Сколько времени надо спаять плату? А сделать готовую конструкцию и придать ей приличный вид?
Раньше Ш железо нужного размера достать, как два пальца, сегодня не применяют и не делают. Его уже нет, а скоро совсем не будет. ПЛ сердечники не разрезные в производстве пошли.
Без напильника т.что никуда, если конечно ты не диванный симулянт.
 
Не спорю что все это полезно, я и сам с удовольствием вникаю и читаю эту тему, просто будет жаль если всё удалят по причине что тема обсуждения не совпадает с названием самой темы. Раздел называется-библиотека.
 
Изучайте.
Это правильная классика. Без прочтения и усвоения этой книги ни как и ни где.
Г.С.Цыкин
"Трансформаторы низкой частоты"
 

Вложения

Последнее редактирование:
добавлю сюда
 

Вложения

  • 1c8d2c91dac5bff77f3696c42fbad9ed.jpg
    1c8d2c91dac5bff77f3696c42fbad9ed.jpg
    87.7 KB · Просмотры: 333
  • 44bdd023664072ec225c2771f6bd4bdd.jpg
    44bdd023664072ec225c2771f6bd4bdd.jpg
    74.7 KB · Просмотры: 353
Вот измерил парочку.
 

Вложения

Друзья, подскажите или покажите пожалуйста, какая индуктивность считается нормой. Например, есть пара твз 1-1. у одной индуктивность 7,95, у другого 7.88
есть еще пара твз 1-9 . 1 трансформатор с индуктивностью 5,08, а другой 4.11

насколько они живые и какие из этих пар можно взять или обе пары можно использовать? Спасибо за помощь зеленому!!!
 
ТВЗ-1-1 с таким разбросом - идеальная пара! Да и по значению индуктивности в норме. Однако для более точного анализа нужна схема измерения, приложенное напряжение (надеюсь, не в сеть вставлены), например, ТВ-2Ш регламентируются при переменном напряжении 2 В на частоте 50 Гц при токе подмагничивания 30 мА (д. б. не меньше 7 Гн).
ТВЗ-1-9 соответствуют их уровню изготовления и массовости.
ТВЗ-1-1 вообще-то лучше всех из этой мелочи УШ16х24 за счет секционирования вторички (46+46).
Их копии по первичке ТВ2-АШ имеют одну вторичку (92), но более толстым проводом.
 
Некоторое время назад закупил несколько ТВЗ-1-1, собирался сделать выездного задохлика на 6П14П. Разобрал их для выравнивая количества Ш- пластин и перемычек, качество удивило. Пластины рублены вкривь и вкось, немагнитный зазор без прокладки, и её туда при столь безобразном сердечнике просто не засунуть.
В общем, качество изготовления ужасное.
 
Например, есть пара твз 1-1. у одной индуктивность 7,95, у другого 7.88
есть еще пара твз 1-9 . 1 трансформатор с индуктивностью 5,08, а другой 4.11
имхо индуктивность малая,5гн имеет на частоте 50гц всего 1570ом поэтому рельно использовать только с низкоомной лампой 6э5п или 6п18п
еще вариант взять 4шт и собрать из двух трансов один встык,без I -пластин индуктивность вырастет в 4 раза,обмотки соединить последовательно с соблюдением направления намотки
 
Однотактные выходные т-ры от Ригонд 8омные:
Первичка: 325om-19.7Н Вторичка: 1,1om-20mH.
Имеют разброс до
Первичка: 357om-16.0H Вторичка: 1,2om-23mH.
Отобрал очень близкие данные почти ровня для китайского уся.
 
Однотактные выходные т-ры от Ригонд 8омные:
Первичка: 325om-19.7Н Вторичка: 1,1om-20mH.
Имеют разброс до
Первичка: 357om-16.0H Вторичка: 1,2om-23mH.
Отобрал очень близкие данные почти ровня для китайского уся.
Ктр по индуктивности 20 Гн к 20 мГн =1000 к 1, Ктр по напряжению- в 32 раза.
Ежли динамик 8 Ом, то пересчет его импеданса в первичку дает по концам ее 8 килоом. По 4 кила на рыло 6п14п .
 
если что можно вторичку сверху домотать,тремя проводами 0,4мм меньше по толщине места займет
 
Немножко добавлю..
07_1.jpg
 
Лучший в списке - Ленинград, при условии работы на 8 Ом.
 
Ленинград и некоторые другие редкость их выпустили не так много в то время.
А был ещё Пионер на 6L6, CCCP выпускал, тоже фиг найдёшь.
Завалено Ригондами да Уралами та же Беларусь на 6П3С ещё попадается.

Сейчас глянул 6н7с драйвер+6ф6с двухтактник, но был с одним динамиком.
+320в на аноде на сетке +240в.
 
Беларусь-53 тоже неплохо.

А вот совершенно честный для 6L6 10Вт, беразлично, триод или пентод.
 

Вложения

  • Выходники.JPG
    Выходники.JPG
    399.6 KB · Просмотры: 222
Есть такой трансформатор.
Утверждается, что производитель Владимир Рыжков ( Tommy).
Сомневаюсь.
 

Вложения

  • Screenshot_20250511_125456.jpg
    Screenshot_20250511_125456.jpg
    170.1 KB · Просмотры: 122
Однотактные выходные т-ры от Ригонд 8омные:
Первичка: 325om-19.7Н Вторичка: 1,1om-20mH.
Имеют разброс до
Первичка: 357om-16.0H Вторичка: 1,2om-23mH.
Отобрал очень близкие данные почти ровня для китайского уся.
Можно (нужно)перетасовать железо, хотя, разница по индуктивности скорее всего определяется зазором(сборкой).
Скажите, а зеленью кто нибудь пользуется? ТАН, ТН, ТПП?
 
Последнее редактирование:
Можно (нужно)перетасовать железо, хотя, разница по индуктивности скорее всего определяется зазором(сборкой).
Скажите, а зеленью кто нибудь пользуется? ТАН, ТН, ТПП?
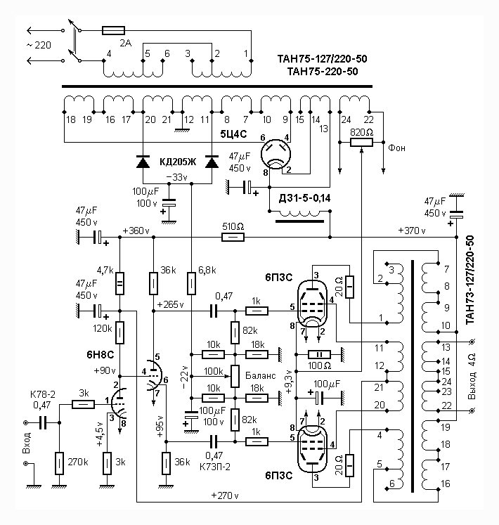
Если для гитарного уся то вполне сгодятся ТАНы.
У Комарова много схем под разные лампы, в качестве выходных и силовых использованы как раз ТАНы.

1.jpg
2.jpg
3.gif

Подговил себе на пробу в качестве гитарника:

4.png
 
Спасибо. Я именно про ,зелень, в питании
 
Если для гитарного уся то вполне сгодятся ТАНы.
У Комарова много схем под разные лампы, в качестве выходных и силовых использованы как раз ТАНы.
ТС -180 работает гитарным пушпулом , в плече по спараллеленной 6н7с.
 
ТС -180 работает гитарным пушпулом , в плече по спараллеленной 6н7с.
Я от своих ТС-180 избавился, гудели как в анекдоте )

У Вовочки учительница спрашивает:
- А кем твой папа работает?
- Трансформатором.
- А это как?
- Получает 380, домой приносит 220, а на остальные гудит.


ТАНы зелёные, бардовые вещь!
 

Статистика форума

Темы
3,334
Сообщения
268,146
Пользователи
2,564
Новый пользователь
HOlg
Назад
Сверху Снизу