apalych
1 ранг
- Регистрация
- 7 Июн 2021
- Сообщения
- 2,825
- Реакции
- 2,782
- Репутация
- 113
- Страна
- UA
- Город
- Кам'янець-Подільський
- Имя
- Андрій
В моей паре 1.728/1.792кГцСкажите, а резонанс той пищалы не знает кто?
В моей паре 1.728/1.792кГцСкажите, а резонанс той пищалы не знает кто?
Спасибо! Значит с 3,5 кГц можно через второй порядок включить.В моей паре 1.728/1.792кГц
Второй с 2.5-3 зайдёт. Нужно смотреть конкретные а-че-хи экземпляров.Спасибо! Значит с 3,5 кГц можно через второй порядок включить.
ИнтересноВ эту субботу закончил этот проект. Всё поставил точку. Вот что получилось.
Сетка может фильтровать звук. Есть гребëнчатые (сетчатые) фильтры (для сеток – фильтрá)Второй с 2.5-3 зайдёт. Нужно смотреть конкретные а-че-хи экземпляров.
Хороши для посл.кросса первого. Но попадаются с небольшим горбыльком на fs, то такие в посл.кросс не зайдут.
*) Неплохие шептуны из дешёвеньких. Там-же прикупил "сеточки" под них (бо кое кто лапами/носом тыкается в кумпол) аж за 0.68шша-дол за пару
Посмотреть вложение 143860
Пофиг, мой ух уже не тотСетка может фильтровать звук.
Есть и такие, но те "сеточки" зашли.Есть гребëнчатые (сетчатые) фильтры (для сеток – фильтрá)
Нормально! Сферические сетки имеют бóльшую полезную площадь и создают (гонят) сферическую волнуПофиг, мой ух уже не тот
Есть и такие, но те "сеточки" зашли.
Ну и классика – чайные "ситечка" на разный вкус/цвет/ух/фильтр
Посмотреть вложение 143861
Точно. Пучности там запутываются и не вылетают.Нормально! Сферические сетки имеют бóльшую полезную площадь и создают (гонят) сферическую волну
При случае гляну , что у этой пищалы с добротностью, отчего такие конские номиналы конденсаторов на фильтре. И вниз она неохотно стягивается, полка наклонена вверх. с 3 килогерц все суперски.В моей паре 1.728/1.792кГц
На коленке, в антисанитарных условиях, без компенсации мика:При случае гляну , что у этой пищалы с добротностью, отчего такие конские номиналы конденсаторов на фильтре. И вниз она неохотно стягивается, полка наклонена вверх. с 3 килогерц все суперски.
Угу, гдет-так палучаэцца-с.1, 72 кгц.....от полки по минус 3 дБ ПРИМЕРНО, значит, 0,7 и будет добротность та

Ну таки так!Точно. Пучности там запутываются и не вылетают.
Ага, тому на плоские дифы притуляю плоские сеточки, а на кумпола – кумпольновыгнутые. От так не путаеЦЦаСферические волны только способны дуршлаг преодолеть.
Чëт вспомнились не к месту 90-е: тогда мода была на чëрные очки с множеством пробитых отверстий. Сетки можно спутать с такими очками.Второй с 2.5-3 зайдёт. Нужно смотреть конкретные а-че-хи экземпляров.
Хороши для посл.кросса первого. Но попадаются с небольшим горбыльком на fs, то такие в посл.кросс не зайдут.
*) Неплохие шептуны из дешёвеньких. Там-же прикупил "сеточки" под них (бо кое кто лапами/носом тыкается в кумпол) аж за 0.68шша-дол за пару
Посмотреть вложение 143860
Интереснодыркупорт глянуть микрофончиком. А?
*) Шикардос! Утащил в "заґашник".
Ещё бы маслецом их... Ващще лялька будет.
Александр!.. Но ведь пищалка вкалывает на частоте резонанса!
Показывал уже, где то в начале темы. Правда эти измерения были на макете год назад не думаю что то изменилось в окончательной версии.Интереснодыркупорт глянуть микрофончиком. А?
Что то я не совсем понимаю, а как она может работать на частоте резонанса если перед ней стоит LC фильтр на 3500 Гц. Могу только предположить, что попутал графики измерений которых не счётное количество. Буду разбираться. Но колонки разбирать как то не очень хочется разве что осенью или зимой сейчас такая жара я даже думать об этом не хочу.Но ведь пищалка вкалывает на частоте резонанса!
Приподнята на +5дбпочему АЧХ не сходится на НЧ, да и по уровню.
Колонки нормуль сделали Вы! У меня Буратино-столярные работы занимают три четверти всей работы, даже больше. Касаемо резонанса: может быть так, что спад АЧХ фильтра ВЧ на резонансной частоте не очень большой, поэтому остатки сигнала (допустим) ещё тревожат диафрагму ВЧ динамика на резонансе.Что то я не совсем понимаю, а как она может работать на частоте резонанса если перед ней стоит LC фильтр на 3500 Гц. Могу только предположить, что попутал графики измерений которых не счётное количество. Буду разбираться. Но колонки разбирать как то не очень хочется разве что осенью или зимой сейчас такая жара я даже думать об этом не хочу.
Есть смысл переднюю стенку ящика, где дымоход, оклеить чем-то длинноворсным (соболЯ/шиншилЫ/мексиканские тушканЫПоказывал уже, где то в начале темы. Правда эти измерения были на макете год назад не думаю что то изменилось в окончательной версии.
Столярные работы у меня тоже занимают уйму времени. В этом деле главное не спешить. Нет времени или желания лучше не начинать, я доски только больше полгода выдерживал. Что касается ачх нч вч наверное что то напутал.Колонки нормуль сделали Вы! У меня Буратино-столярные работы занимают три четверти всей работы, даже больше. Касаемо резонанса: может быть так, что спад АЧХ фильтра ВЧ на резонансной частоте не очень большой, поэтому остатки сигнала (допустим) ещё тревожат диафрагму ВЧ динамика на резонансе.
Так и делал на макете. Вот они сверху на ящиках лежат.По такому случаю надо коробку с фильтрами отдельно делать и соединять с АС двумя парами проводов (к ВЧ динамику коаксиалом делать 😆) . Тогда можно ваять фильтры, как Лег0-го
На ближнем виде хорошо заметна гравитационная деформация круглого ВЧ динамика из-за временного простоя.Столярные работы у меня тоже занимают уйму времени. В этом деле главное не спешить. Нет времени или желания лучше не начинать, я доски только больше полгода выдерживал. Что касается ачх нч вч наверное что то напутал.
Так и делал на макете. Вот они сверху на ящиках лежат.
Посмотреть вложение 143950
Це не мода, а очки тренажеры.Чëт вспомнились не к месту 90-е: тогда мода была на чëрные очки с множеством пробитых отверстий. Сетки можно спутать с такими очками.
Может!Что то я не совсем понимаю, а как она может работать на частоте резонанса если перед ней стоит LC фильтр на 3500 Гц.






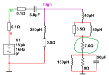
Ужос @уди0фила просто! Срочно надо городить параллельную CL фильтр-пр0бку на F рез перед собственно ФВЧ. 🤣Может!
Активное сопротивление ЗК 7,8 Ома; резонанс 1950 Гц; максимум импеданса 16 Ом:
Посмотреть вложение 143980
Посмотреть вложение 143982
Посмотреть вложение 143981
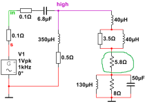
Активное сопротивление ЗК 5,8 Ома, 14 Ом на максимуме импеданса:
Посмотреть вложение 143985
Посмотреть вложение 143983
Посмотреть вложение 143984
Ну и какая частота раздела? 2 кГц в обоих случаях.
Не удержался! наплевал на жару открыл один ящик сделал повторные замеры по ВЧ. Вот что получилось. Голубой без фильтра зеленый с фильтром 3500Гц (L=>0,350мГн, C=>5,6мкФ)Может!
Активное сопротивление ЗК 7,8 Ома; резонанс 1950 Гц; максимум импеданса 16 Ом:
Посмотреть вложение 143980
Посмотреть вложение 143982
Посмотреть вложение 143981
Активное сопротивление ЗК 5,8 Ома, 14 Ом на максимуме импеданса:
Посмотреть вложение 143985
Посмотреть вложение 143983
Посмотреть вложение 143984
Ну и какая частота раздела? 2 кГц в обоих случаях. Твиттер работает на частоте резонанса на полную.
Ужас. Не тихий, а громкий, из-за попадания на динамик частот, равных его резонансной. Будьте человеком, уменьшайте конденсатор и катушку.Голубой без фильтра зеленый с фильтром 3500Гц (L=>0,350мГн, C=>5,6мкФ)
И что вы предлагаете? Валить вч ещё выше.Твиттер работает на частоте резонанса на полную.
Вы знаете, мои ВЧ изопланары Al-100 прекрасно работают от ФВЧ c конденсаторами 3,6–3,9–4,0 мкФ и индуктивностью 0,25, 0,39, 0,5 мГн. Три пары АС с этими изопланарами.И что вы предлагаете? Валить вч ещё выше.
А я так за воротник закладывал, чтобы звук сложился 😆Не удержался! наплевал на жару открыл один ящик сделал повторные замеры по ВЧ. Вот что получилось. Голубой без фильтра зеленый с фильтром 3500Гц (L=>0,350мГн, C=>5,6мкФ)
Посмотреть вложение 144079
Весьма желательно, тем более что 15ГД-14 позволяет делать раздел на 3...3,5 кГц.И что вы предлагаете? Валить вч ещё выше.
Только не это, шеф, только не это! ©Можно было и на П2К делать
Угнать стык на 2500 хотя быИ что вы предлагаете? Валить вч ещё выше.
Пардон, по ошибке сюда попало, какой-то сбой при вставке картинки, удалил.Только не это, шеф, только не это! ©