10МАС-1М полная разборка и переделка

  • Автор темы Автор темы KSV
  • Дата начала Дата начала
"Корзину 3ГД-31 покрыл силиконовым герметиком снаружи..." - что ускользнуло от сознания?
"Этот динамик подключил через конденсатор 1 мкФ к выходу усилителя." - что ускользнуло от сознания?
И так по каждому пункту - что там размазано?
Дальше пошли вопросы. Которые не всегда доходили до моего сознания. Но старался отвечать, как мог.
Вам нужно было увидеть вашу ачх динамика через 1 мкф, потом ткнуть вас носом в нормальную ачх пищалы с фильтром, чтобы понять разницу и не проповедовать ерунду. Равно, как сравнить ачх динамика с мазилой по стальной корзине - и без мазилы, чтобы понять, что разницы нет и не может быть, а занятия ваши бессмыслица.
Вы сюда свалились с великими истинами. И ждали аплодисментов гению. Не будет аплодисментов. Повторю, вы мечетесь в разные стороны и глупости пишете. А вы спросите лучше, что вас интересует, конкретно. Соберите мысли в кучку, скажите пятью словами . И результат будет.
 
Это неправда. Никогда о себе так не думал и аплодисментов не ждал. Хорошо, понял. Будут вопросы - попрошу совета.
 
Имя - Александр.
Александр!
У меня и в мыслях не было, что вы сознательно нас дезинформируете. На мой взгляд, вы просто заблуждаетесь. Я постарался показать в чём на мой взгляд ошибки.
Попробую снова кратко:
- неправильный выбор программы (но не это главное),
- неверная методика настройки, особенно - фильтров.
Почитайте Николая Маркова (да, это нелегко, но можно выборочно, то что поятно, кстати мне тоже понятно не всё или надо вникать, чтобы понять), он много пишет и иллюстрирует.
Вкратце. Как я понимаю. Чтобы "поженить" динамики, они должны подходить друг другу, для этого они должны дотягиваться друг до друга. Если они протягивают друг другу руки, а обнять друг друга не могут, это плохо.
Пример: многострадальный 15ГД-11 который никак не может обнять 10ГД-35.
Чтобы это увидеть, надо сначала снять АЧХ динамиков без фильтров. Затем попытаться фильтрами ПЛАВНО, по возможности,с учетом фазы, "передать эстафетную палочку".
Как правило, динамикам нужен фильтр так как не могут они одинаково хорошо воспроизводить весь диапазон. Басовики "срываются" на верху (кричат или фальшивят), а пищалки нежные и не любят басов и их отголосков, быстро перегружаются и хрипят. Как в семье, надо найти компромисс, чтобы каждый занимался своим делом.
Двухполоска - самый простой вариант, а трёхполоска - это молодожёны со свекровью. smile_33
Но и когда есть запас, надо выбрать частоту раздела и потом обязательно послушать. АС с почти одинаковыми АЧХ могут звучать по-разному.
Это в самом грубом приближении.
Нет, Вы нигде не писали про свою гениальность.
Но попробуйте спокойно послушать разную музыку на колонках с фильтром из одного конденсатора, обращая внимание на средние частоты. Думаю, вряд ли вам понравится такой звук.
Один из критериев хорошего звука - это когда хочется слушать и время летит незаметно,не хочется выключать.
Всё уже украдено придумано до нас.
https://ldsound.ru/10-as-401-10-mas-1m/
И несколько вариантов включения 10ГД-30 без фильтра.
10as401-10mas_1m-ldsound.ru-20.png

10as401-10mas_1m-ldsound.ru-21.png

Вот только есть сильнейшее подозрение, что "оптимизированные" (без катушки) фильтры делали для экономии, а не для звука. Кстати, везде 2 мкФ и 3ГД-31 с учетом резистора, играет значительно ниже.
Зря, конечно, я столько пишу, вряд ли вы будете копать дальше, чтобы получилось лучше.
Похоже, вы приняли всё без обиды, это хороший знак.
Надеюсь, что выражу если не общее, то хотя бы мнение многих, что с 10ГД-30Е можно сделать неплохо звучащие колонки, если заменить 3ГД-31 на что-то поприличнее. На динамик, который может перехватить эстафетную палочку гораздо ниже.
 
Ладно. Что сказать? Этот принцип я себе представляю. И эти схемы и другие схемы и материалы - всё это у меня на компьютере лежит. Ладно. Спорить больше не хочется. Но... если так оставить, это значит дать понять на весь мир, что средние частоты у меня звучат препаршиво. Но это не так.
Один из критериев хорошего звука - это когда хочется слушать и время летит незаметно,не хочется выключать.
И такое было. Не смею утверждать, что мои колонки лучшие в мире, но такое было. Или я настоящей акустики не слышал, или со слухом уже не то. Старость...
 
Дилетант... Только свои колонки ремонтирую. Писал об этом. Какая истина? Какие папуасы? Не знаю, как в акустике, а в электронике я дилетантом себя назвать не захочу. Жизнь прожил.
В электронике вы можете быть гением и профессором, что не сделает вас таким же спецом в делах электроакустических, тут - другое и специфика другая и приборы и навыки, все не так.
Поэтому с первых слов ясно, в теме человек или пыль гоняет. И чем меньше знаний и опыта, тем длиннее и бессмысленнее простыни из написанного в попытке донести мысль.
Насчет неважной средины- вы будете смеяться, но у вас её в принципе нет и быть не может, с таким раскладом "фильтров" . Причина простая, басовик уже не способен звучать в верхней части диапазона , а пищалка отрезана куриной емкостью от этой средины и тоже не может её воспроизвести правильно, свисток вместо средины. И вы тут пытаетесь убедить остальных, что все замечательно. Что сильно не так.
ПС. Вы снова будуте смеяться, но динамики 10ГД-30 и 10 ГД-30 могут отличаться как небо от земли. По причине разных модификаций, из которых есть звучащие, а есть мычащие. И сразу вопрос: а что у вас?
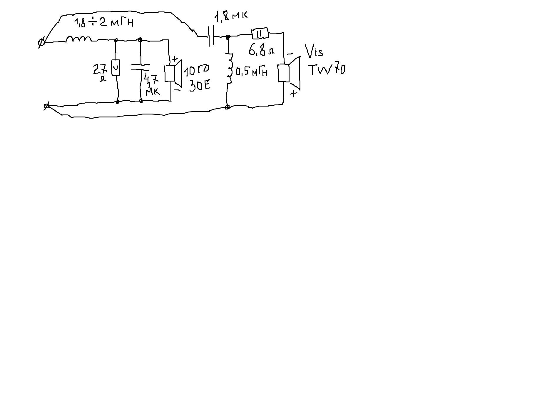
Так выглядит звучащий вариант, с тряпочным пыльником, идеально подходящий для сочинения колонки .Вариант пыльника "кирза с отверстием, затянутым сеточкой" порождает выбросы на верхнем срезе и нуждается либо в доработке либо в усиленной фильтрации и подборе новой пищалы, способной работать низко. В этом плане Визатон TW70 , о котором вам напоминает KSV, очень хорошо подходит. как и наш рязанец 2ГДШ-16 -8 или 3ГДШ16-8
 

Вложения

  • Ы..jpg
    Ы..jpg
    445.3 KB · Просмотры: 212
  • 10ГД-30    и   Визатон  TW70 две полосы ..JPG
    10ГД-30 и Визатон TW70 две полосы ..JPG
    140.7 KB · Просмотры: 254
  • 10ГД-30  и Визатон .схема от 25 0720.jpg
    10ГД-30 и Визатон .схема от 25 0720.jpg
    98.9 KB · Просмотры: 244
  • 10ГД-30   и Визатон. Финальная схема от 25 07 20.jpg
    10ГД-30 и Визатон. Финальная схема от 25 07 20.jpg
    136.2 KB · Просмотры: 264
Последнее редактирование:
Маркировку на динамиках сейчас не уточню, задние стенки прикручены. Пыльники ни разу не видел. Мычания нет, не слышу. Колонки 1974 г. выпуска, входили в состав проигрывателя "Вега - 101". Смеяться, конечно, не буду. Понимаю, что с маркировками может быть всё, что угодно.
Ниже представлены АЧХ динамиков по отдельности и без фильтров, снятые мной при тех же условиях, что и общая АЧХ, выложенная раньше. За мерилку простите - другой нет. Снято с расстояния 0,5 м. Недостоверные и подозрительные области слева и справа - скрыты. Коррекция - с помощью эталонной колонки.
Spectrum.png

То же самое с коррекцией с помощью микрофонного файла:
Spectrum 2.png

Замер АЧХ динамика 3ГД-31, включенного через ёмкость, не проводил.
Ваши материалы - и те, что вы недавно выложили, и другие - тоже лежат у меня на компьютере.
 
АЧХ похожи на правду, не придраться. Дело за малым, сгородить нормальный фильтр для 10ГД-30 и избавиться от позорной пищалы. Это если вас интересует результат, как говорил Жванецкий.
 
Привет всем участникам сего форума! Имеется пара 10 МАС-1М с родными динамиками и фильтрами. НЧ динамики 1980 года 3ГД-30Б. В фильтрах сделал лишь небольшое вмешательство : уменьшил сопротивление штатного резистора на ВЧ динамик с 12 Ом на 3,8 Ом . Ну, чтобы повысить громкость работы пищалки. Понимаю, что такой ход в корне неправильный, но звучание из глухого стало гораздо более отчетливым и "слушабельным".
Кардинально переделывать АС пока нет возможности, Найти в наших краях нечто вроде Визатон TW70 сложновато , да и пересыл за рубеж нынче обойдется недешево.
Поэтому пока остаются 3ГД-31. Низких частот вот маловато , есть ли смысл пока просто ограничиться сделав ПАС, на задних стенках колонок , как в указаной в этой теме ,страницей выше статье Шорова в журнале журнала "Радио" №5, 1975 г. , не меняя схему фильтров и оставив штатные динамики. Кто нибудь делал такую ПАС?
 
Последнее редактирование:
А что не так с " Б"? Ну, читал где-то что якобы хуже, чем "без Б" . Есть у меня еще одна колонка 10МАС-1М 1974 года, в ней динамик 10ГД30 ( без каких букв), он не ферритовый, с синей круглой бумажной блямбой. Ну так сравнивал, играет точно также , баса не больше ничуть. Может все размагничены,не знаю, включал онлайн генератор частот. Уверенно громко слышно 52Гц, это уже неплохо.
 
Последнее редактирование:
А что не так с " Б"?
С "Б" всё нормально. Вы написали:
Я исправил на 10ГД-30Б. То, что:
Ну,читал где-то что она хуже, чем "без Б"
Всего лишь расхожее мнение.
в ней динамик 10ГД30 ( без каких букв), он не ферритовый, с синей круглой бумажной блямбой. ну так сравнивал, играет точно также , баса не больше ничуть.
Вот именно. Многие и не поймут где какой, но увидев - поддержат "расхожее мнение". Бываетс буквой "Е"
 
Прошу прощения ,не заметил опечатку . Да, кстати есть еще 2 динамика: 1ГД-36-140 и 2ГД-38. Ставить их вместо пары 3ГД-31 вообще не вижу смысла, так они разные , по параметрам и во вторых, не хочется распиливать отверстия на лицевых панелях. Портить внешний вид. Поэтому выше написал про круглые. 10см Визатон, которые может в далеких планах на будущее. Но пока только 3ГД-31.
Сами корпуса АС достались в плачевном состоянии ,сильно ободранные, уже без тканевых рамок, и задние стенки вообще несъемные. Потому что их приклеил кто-то намертво. Настолько , что ничем не оторвешь, только если выпиливать или вдребезги разбивать. А посему теперь перед на этих АС съемный , с лицевой стороны , на болтах ,видно на фото ))) Сейчас задача добавить НЧ , собственно интересны мнения и опыт про панель акустического сопротивления. Стоит ли оно того.
 

Вложения

  • 3.jpg
    3.jpg
    437.8 KB · Просмотры: 160
Низких частот вот маловато , есть ли смысл пока просто ограничиться сделав ПАС
10ГД-30Б - наихудший вариант. Лучше 10ГД-30Е.
Еще лучше более старые варианты, особенно без буквы, но их уже не найти.
Чем обычно (но не всегда) хуже Б - магнитом и подвесом. Раз НЧ маловато, скорее так и есть - слабый магнит и задубевший подвес.
Можно это точно узнать, но нужны измерения...
Пусть и без микрофона, но всё-таки. Поскольку этот вариант вряд ли рассматривается, можно попробовать размягчить подвес (читайте, на этом сайте, не раз описано как и чем).
ПАС может отчасти помочь, но её очень желательно настраивать, а это опять измерения...
Дело в том, что эффективность ПАС ОЧЕНЬ сильно зависит от используемой ткани.
 
Подвесы не назвал бы жесткими. НО все равно их сразу обработал снаружи и изнутри силиконовой смазкой .Микрофон есть не электретный, кардиоидный Fifine K680 , с заявленным в паспорте частотным диапазоном аж 20-20000Гц , правда не верится, ну что есть, то есть. Также есть программа спектралаб . Думаю можно будет хоть и грубый ,но какой то замер даже и. сделать .
 
Сейчас задача добавить НЧ , собственно интересны мнения и опыт про панель акустического сопротивления. Стоит ли оно того.
По Шорту, ПАС низких частот НЕ добавляет. Принципиально. Ни в теории, ни на практике. Она выравнивает горб АЧХ выше резонанса в случае добротности больше единицы, улучшает переходной процесс. Примерно то же делает заполнение ЗЯ зпм-ом, но с меньшим завалом ниже резонансной частоты ЗЯ.
 
Ну в общем-то сделал быстренький замер одной колонки, встроенным в SpectraLAB енератором . Усилитель "Союз-110" . Тембры ВЧ НЧ в положении ноль ( посредине) . Расстояние 1,8 м . Почему то провал на 80-100 и на 160Гц. Что по тому поводу скажут знающие люди?
3.jpg
 
Последнее редактирование модератором:
Подвесы не назвал бы жесткими.
Трудно это определить на ощупь, а силу магнита - невозможно.
Единственно верный способ - определить хотя бы резонансную частоту, наполовину будет ясно что за динамик.
Определить резонанс НЧ динамика можно даже на глаз.
Обязательно достать его из корпуса, подключить к выходу усилителя. На вход УНЧ подать сигнал, удобнее всего - программный генератор компьютера, с выхода звуковой карты.
Уровень такой, чтобы диффузор заметно колебался, но без фанатизма. Менять частоту от 20 до 100 Гц. Максимальное колебание на частоте резонанса.
Точно на глаз трудно определить, будет видно - 30Гц или 70 Гц. В первом случае - отлично, во втором - хреново.
НО все равно их сразу обработал снаружи и изнутри силиконовой смазкой.
И это ошибка, может даже фатальная, будет только хуже и никак иначе.
Правильно - автомобильными восстановителями резины, я об этом писал. Вот только через некоторое время будет заметный откат обратно.
Второй бич - слабый ферритовый магнит. Если так, ничего не поделаешь.
Микрофон есть не электретный, кардиоидный
Лучше самый простой копеечный электретный капсюль с круговой направленностью. До частоты 2 кГц он будет работать достаточно точно. Выше - врать, тут уж как повезёт. Думаю, вряд ли будете этим заниматься.
В Вашем случае для НЧ динамика микрофон не нужен.
есть программа спектралаб . Думаю можно будет хоть и грубый ,но какой то замер даже и. сделать .
Если есть желание... Но чтобы получить что-то достоверное, надо повозиться.
А судя по всему, заниматься настройкой колонок вы не будете.
сделал замер одной колонки, встроенным в SpectraLAB енератором
Верю Вам, но совсем не верю результатам потому что вы получили идеальную АЧХ.
Что касается НЧ, то данные колонки на динамиках с резонансом 32 Гц работают от 63 Гц, как указано в паспорте. Иногда чуть лучше, иногда - чуть хуже.
Так что ЕСЛИ ваша АЧХ верна, то всё в ажуре.
Обратите внимание - при частоте динамика 32 Гц, нижняя воспроизводимая частота по уровню -6 дБ равна 63 Гц т. е. вдвое выше, и это нормально.
Но если у вас динамик с резонансом 70 Гц, то в штатном закрытом ящике поучить 63 Гц просто невозможно. Будет примерно 100 Гц, а это плоховато.
Вы можете проделать опыт с определением резонанса колонки на глаз даже не вынимая динамик по процедуре описанной выше, подавая синус через усилитель.
Но без фанатизма, чтобы не сжечь динамики. Особенно нельзя подавать ВЧ - сжечь пищалку легко.
 
Ну в общем-то сделал быстренький замер одной колонки, встроенным в SpectraLAB енератором . Усилитель "Союз-110" . Тембры ВЧ НЧ в положении ноль ( посредине) . Расстояние 1,8 м . Почему то провал на 80-100 и на 160Гц. Что по тому поводу скажут знающие люди?
Перегруз измерителя , пики выровнены асфальтовым катком.
Сначала надругались над динамиком, потом решили его измерить....Знакомо......
Спектра: пинк нойз (розовый шум) , меряем в октавных полосах : Опшинс-скалинг, одна девятая октавы, ОК.


Привет всем участникам сего форума! Имеется пара 10 МАС-1М с родными динамиками и фильтрами. НЧ динамики 1980 года 3ГД-30Б. В фильтрах сделал лишь небольшое вмешательство : уменьшил сопротивление штатного резистора на ВЧ динамик с 12 Ом на 3,8 Ом . Ну, чтобы повысить громкость работы пищалки. Понимаю, что такой ход в корне неправильный, но звучание из глухого стало гораздо более отчетливым и "слушабельным".
Кардинально переделывать АС пока нет возможности, Найти в наших краях нечто вроде Визатон TW70 сложновато , да и пересыл за рубеж нынче обойдется недешево.
Поэтому пока остаются 3ГД-31. Низких частот вот маловато , есть ли смысл пока просто ограничиться сделав ПАС, на задних стенках колонок , как в указаной в этой теме ,страницей выше статье Шорова в журнале журнала "Радио" №5, 1975 г. , не меняя схему фильтров и оставив штатные динамики. Кто нибудь делал такую ПАС?
Ящик для 10ГД-30 позорно тесен, нужно литров 30-35. Тогда ПАС и ШМАС не понадобится.
 
Перегруз измерителя , пики выровнены асфальтовым катком.
Сначала надругались над динамиком, потом решили его измерить....Знакомо......
Спектра: пинк нойз (розовый шум) , меряем в октавных полосах : Опшинс-скалинг, одна девятая октавы, ОК.
Да вот уже сам заметил, что измерять не умею . На трех абсолютно разных АС получаю схожие графики :
10МАС 1М.jpgsony cs5.jpgvega 35-105.jpg
 
Последнее редактирование модератором:
верхушки подстрижены
Закинул Ваш файлик в config
10МАС 1М.jpgsony cs5.jpgvega35-105.jpg

Что то не так наверное измеряю, у Вега и Сони на слух ( в музыке) больше баса. У Мас он конечно тоже есть, просто его меньше. Согласен, что объем ящика для 3ГД-30Б ( 18л) слишком мал . Фактически также он тесен для Веги с ее 35ГДН-1-8 ,( а по сути Вега -это и есть таже самая 10МАС, точнее её потомок только с ФИ ) но недостатка НЧ в ней уж никак нет.
 
Последнее редактирование модератором:
Нижний край ачх смотрим в упор к басовику, авераж делаем бесконечным, ждем секунд 10, чтобы устаканилось. Стыки и ачх в целом- на дистанции примерно метр, можно в стороне. что более реально в стереорежиме
 
Да вот уже сам заметил, что измерять не умею . На трех абсолютно разных АС получаю схожие графики :
Измерять микрофоном надо программой ARTA, она специально создана и "заточена" для этого.
Спектралаб делался как анализатор спектра ЭЛЕКТРИЧЕСКИХ, а НЕ акустических сигналов.
К нему можно приспособить микрофон, но его возможности по акустическим измерениям намного ХУЖЕ.
Не хочу тратить время, чтобы сотый раз доказывать очевидное.
Но дело Ваше. Еще лучше используйте рекламно-лживую прогрммку rmaa.
Вот для примера сравнение удачного 10ГД-30Е в программе LIMP.
30-1.png

Резонанс 32 Гц при добротности 0,47 - он нормально работает в штатном ящике 10МАС-1М объемом 18 литров, а ниже типичный 10ГД-30Б.
30-2.png

Красная линия - штатный резиновый подвес, а черная - после обработки реставратором приводных ремней.
Не сразу, а спустя месяц, когда откат назад произошел.
Было 52 Гц, после доработки 44 Гц. И всё бы ничего, но добротность осталась более 1 из-за слабого ферритового магнита. А это обеспечит бубнение в штатном корпусе и высокую низшую частоту. Возиться с ПАС в моём случае, я не видел смысла, поэтому три динамика 10ГД-30Б оказались на помойке.
Не утверждаю, что все они такие, может повезти, я просто показал что может быть. Так это или нет, точно покажет LIMP.
Теперь по поводу удачных 10ГД-30Е.
В штатном корпусе они обеспечат свои 63 Гц да еще с запасом - проверено.
А вот расчет с запасом для другого 10ГД-30Е с параметрами похуже, расчет делался с запасом.
2 в ящике 32 литра спикершоп.png
В 32 литрах и с фазоинвертором получим 38 Гц по -3 дБ и 30 с небольшим по -6 дБ. Идеальный результат.
А если попытаться выжать максимум и взять ящик 50 литров с ФИ, получим 27 Гц по -3 дБ и 24 Гц по -6 дБ.
Вот только выйдет это боком - ход диффузора у динамика небольшой и при подаче таких частот, он начнет выпрыгивать.
Поэтому для данного динамика 32 литра (внутри) будет лучше.
Кстати, заводские низшие частоты обычно указаны для -10 Дб, а иногда для -12 и даже -15. По -12 дБ будет вообще 20 Гц. Ловчилы вообще не указывают.
Что получится у Вас, никто точно не скажет пока параметры динамиков не измерены.
Но вникать в измерения ради пары сомнительных динамиков - неразумно.
 
Что то не так наверное измеряю, у Вега и Сони на слух ( в музыке) больше баса. У Мас он конечно тоже есть, просто его меньше. Согласен, что объем ящика для 3ГД-30Б ( 18л) слишком мал . Фактически также он тесен для Веги с ее 35ГДН-1-8 ,( а по сути Вега -это и есть таже самая 10МАС, точнее её потомок только с ФИ ) но недостатка НЧ в ней уж никак нет.
Среднее положение регуляторов тембра не означает линейность АЧХ. Делайте сглаживание не меньше 1/6, с метра 1/3. Проверьте линейность тракта без микрофона и АС: делитель1:200 с выхода УМ на вход компа(или что у Вас микрофонным усилителем работает). Динамический мик тоже будет иметь завал снизу имхо. Проверьте с делителем тракт на искажения, чтобы Вы знали, до какого уровня НЕ надо дойти, и измеряйте на 10дБ тише.
 
В опциях спектралаба есть измерение RT60 , чисто акустического параметра, время спадания уровня эха в комнате на минус 60 дБ . А вот осциллоскоп там препозорный. Измерение Z -кривой весьма точное. Набор шумов, сигналов, высокое разрешение самого анализатора спектра.
Точность измерений зависит больше от качества звуковой карты и микрофона.
С помощью Спектры столько переделано за эти 20 лет , что представить себе что-то другое на её месте невозможно в принципе. Превосходный инструмент с могучими возможностями.
Дело и в том, с чем привык работать. Мне вот Арта -невпротык непонятна, а её нахваливают.
 
Второй бич - слабый ферритовый магнит. Если так, ничего не поделаешь
По документам оба варианта магнита имеют в зазоре 0,95 Тл. Просто многим АЛЬНИКО звучит лучше.
Не отрицаю что ферритовые частенько недомагничены последних годов, когда динамик стал 35гдн.
 
Измерять микрофоном надо программой ARTA, она специально создана и "заточена" для этого.
Спектралаб делался как анализатор спектра ЭЛЕКТРИЧЕСКИХ, а НЕ акустических сигналов.
К нему можно приспособить микрофон, но его возможности по акустическим измерениям намного ХУЖЕ.
Не хочу тратить время, чтобы сотый раз доказывать очевидное.
Но дело Ваше. Еще лучше используйте рекламно-лживую прогрммку rmaa.
Вот для примера сравнение удачного 10ГД-30Е в программе LIMP.
Посмотреть вложение 33488
Резонанс 32 Гц при добротности 0,47 - он нормально работает в штатном ящике 10МАС-1М объемом 18 литров, а ниже типичный 10ГД-30Б.
Посмотреть вложение 33489
Красная линия - штатный резиновый подвес, а черная - после обработки реставратором приводных ремней.
Не сразу, а спустя месяц, когда откат назад произошел.
Было 52 Гц, после доработки 44 Гц. И всё бы ничего, но добротность осталась более 1 из-за слабого ферритового магнита. А это обеспечит бубнение в штатном корпусе и высокую низшую частоту. Возиться с ПАС в моём случае, я не видел смысла, поэтому три динамика 10ГД-30Б оказались на помойке.
Не утверждаю, что все они такие, может повезти, я просто показал что может быть. Так это или нет, точно покажет LIMP.
Теперь по поводу удачных 10ГД-30Е.
В штатном корпусе они обеспечат свои 63 Гц да еще с запасом - проверено.
А вот расчет с запасом для другого 10ГД-30Е с параметрами похуже, расчет делался с запасом.
Посмотреть вложение 33490В 32 литрах и с фазоинвертором получим 38 Гц по -3 дБ и 30 с небольшим по -6 дБ. Идеальный результат.
А если попытаться выжать максимум и взять ящик 50 литров с ФИ, получим 27 Гц по -3 дБ и 24 Гц по -6 дБ.
Вот только выйдет это боком - ход диффузора у динамика небольшой и при подаче таких частот, он начнет выпрыгивать.
Поэтому для данного динамика 32 литра (внутри) будет лучше.
Кстати, заводские низшие частоты обычно указаны для -10 Дб, а иногда для -12 и даже -15. По -12 дБ будет вообще 20 Гц. Ловчилы вообще не указывают.
Что получится у Вас, никто точно не скажет пока параметры динамиков не измерены.
Но вникать в измерения ради пары сомнительных динамиков - неразумно.
У 10 МАС и правда спад по минус три на 63 герцах, но выше- торчит выброс . на 80 Герцах, это то, что сам увидел в реальной заводской колонке. И слушать 80-герцевый бум совсем не то, что 60-герцовый. А на картинке из симуля все может быть очень розово. И все побежали за счастьем.
 
А на картинке из симуля все может быть очень розово. И все побежали за счастьем.
Чтобы получить в симуле правильную картинку, надо загнать в симуль правильно измеренные данные снятые с конкретных динамиков. Немного человек это делает, вот отсюда и горбы. Кроме того, если приходится ставить имеющиеся динамики в имеющийся корпус, придётся смириться с горбами, если не очень повезёт. Вернее так: если не очень, то можно сделать ПАС в задней стенке, чтобы разгладить горб на 80 или сколько-то там Гц. Делать ПАС на всякий случай, без настройки и измерений, я советовать не могу - неизвестно что получится.
У 10 МАС и правда спад по минус три на 63 герцах, но выше- торчит выброс . на 80 Герцах, это то, что сам увидел в реальной заводской колонке. И слушать 80-герцевый бум совсем не то, что 60-герцовый.
У одних торчит, у других - нет. Какой именно динамик и с какими параметрами в этой заводской колонке - неизвестно.
Вот первый попавшийся замер в корпусе 10МАС-1М .
301.png

Не помню с полуметра или метра, скорее - первое.
Всё пристойно, выброса не вижу. Без фильтра.
А вот имеданс в этом же ЗЯ.
302.png

Добротность 0,85 что для ЗЯ вполне приемлемо, горба не будет.
Но в эти корпуса я поставил 15ГД-17 поскольку они подходят под этот объем гораздо лучше, а за счет ФИ бас заметно ниже, чем можно добиться в ЗЯ 18 литров от 10ГД-30Е.
В качестве пищалки для 15ГД-17 стоит Visaton TW-70.
А для данных 10ГД-30Е оптимальным будет ящик литров этак на 35 с ФИ (см.#503). Возможно, трехполоска, посмотрим. Есть желание собрать еще одну трехполоску по схеме: НЧ в ящике с ФИ, СЧ на щите (неглубокий ОЯ), ВЧ сверху со сдвигом вглубь.
Мощность и звуковое давление будут умеренными, но я за ними не гонюсь, а надеюсь получить хорошее качество при полном частотном диапазоне.
 
Чтобы получить в симуле правильную картинку, надо загнать в симуль правильно измеренные данные снятые с конкретных динамиков. Немного человек это делает, вот отсюда и горбы. Кроме того, если приходится ставить имеющиеся динамики в имеющийся корпус, придётся смириться с горбами, если не очень повезёт. Вернее так: если не очень, то можно сделать ПАС в задней стенке, чтобы разгладить горб на 80 или сколько-то там Гц. Делать ПАС на всякий случай, без настройки и измерений, я советовать не могу - неизвестно что получится.

У одних торчит, у других - нет. Какой именно динамик и с какими параметрами в этой заводской колонке - неизвестно.
Вот первый попавшийся замер в корпусе 10МАС-1М .
Посмотреть вложение 33496
Не помню с полуметра или метра, скорее - первое.
Всё пристойно, выброса не вижу. Без фильтра.
А вот имеданс в этом же ЗЯ.
Посмотреть вложение 33497
Добротность 0,85 что для ЗЯ вполне приемлемо, горба не будет.
Но в эти корпуса я поставил 15ГД-17 поскольку они подходят под этот объем гораздо лучше, а за счет ФИ бас заметно ниже, чем можно добиться в ЗЯ 18 литров от 10ГД-30Е.
В качестве пищалки для 15ГД-17 стоит Visaton TW-70.
А для данных 10ГД-30Е оптимальным будет ящик литров этак на 35 с ФИ (см.#503). Возможно, трехполоска, посмотрим. Есть желание собрать еще одну трехполоску по схеме: НЧ в ящике с ФИ, СЧ на щите (неглубокий ОЯ), ВЧ сверху со сдвигом вглубь.
Мощность и звуковое давление будут умеренными, но я за ними не гонюсь, а надеюсь получить хорошее качество при полном частотном диапазоне.
Судя по ухабистой ачх, замер был сделан на дистанции, 30-50см, не в упор. Отсюда спад слева и отсутствие полки как таковой. А именно в ближнем поле смотрим ачх на нижнем срезе и оцениваем реальную Qtc на частоте резонанса по Z .
Ни малейшего желания ущемить автора картинки, просто нудно повторяю, что я делаю замеры несколько иначе.
Такая же неточность в измерениях долго не позволяла измерить ачх в ближнем поле и измерить добротность одному знакомому, пока я сам не приехал и не показал, что нужно сделать и что увидеть на экране.
 
Последнее редактирование:
Судя по ухабистой ачх, замер был сделан на дистанции, 30-50см, не в упор.
Где я писал в упор? Я писал 50 или 100 см, скорее 50.
В упор АЧХ совсем другие, это я знаю - гладкие и красивые.
Отсюда спад слева и отсутствие полки как таковой.
Как так? Спад ниже 60 Гц, как и должно быть, а выше - полка. Волнистая из-за отражений и полка до 1 кГц, а выше - очень плавный и ровный спад до 4 кгц с крутизной 4 дБ/октава. Это позволило в макете применить фильтр первого порядка для сшивки с таким же плавным спадом СЧ-вч динамика. Динамики немножко доработаны, но именно немножко, косметически без перемотки катушек и замены корзины. Можно сделать двухполоску с разделом 2...3 кГц, а можно и трехполоску.
Только объем 18 литров и ЗЯ не позволяет динамику работать ниже, но это поправимо.
А именно в ближнем поле смотрим ачх на нижнем срезе и оцениваем реальную Qtc
Реальную Qts у меня весьма точно считает LIMP, а Спектралаб для этого не годится. Можно прикинуть добротность на глаз, но для НЧ динамика важны сотые доли Qts, на глаз их не определишь.
я делаю замеры несколько иначе.
Знаю, и это удобно когда надо сделать быструю прикидку и понять что от этого динамика можно получить.
Дело и в том, с чем привык работать. Мне вот Арта -невпротык непонятна, а её нахваливают.
Понимаю, привычка и изучение инструмента в совершенстве - великое дело.
НО. Знаю здесь одного человека - Золотые Руки. Может перемотать любой динамик и отремонтировать тоже.
Но от простейших измерений шарахается и ни под каким видом не хочет даже попробовать. Пользуется тем, что живёт очень далеко и не могу к нему приехать. А жаль.
 

Статистика форума

Темы
3,301
Сообщения
262,585
Пользователи
2,545
Новый пользователь
vlad'mir
Назад
Сверху Снизу