20ГДН-1-8 (10ГД-30Е-32)

  • Автор темы Автор темы LDS
  • Дата начала Дата начала

Рейтинг динамика по 5-ти балам

  • 1

    Голосов: 0 0.0%
  • 2

    Голосов: 0 0.0%
  • 3

    Голосов: 4 14.8%
  • 4

    Голосов: 13 48.1%
  • 5

    Голосов: 10 37.0%

  • Всего проголосовало
    27
Я тоже так считаю. Но советскую ПИЩАЛКУ вряд ли найти с резонансом 1 кГц, чтобы раздел был на 2 кГц (запас - хотя бы октава), но есть бюджетная Альфард PHT-407, которую открыл для нас Бокарёв.
Очень ровная, до 15 кГц, отдачу надо сильно давить. Вот мои замеры для себя, на картонке, вроде бы (4 года назад) с метра.Посмотреть вложение 4555
Обратите внимание на усреднение - 1/24 октавы!!! Это редкий случай когда при увеличении разрешения (просмотре под лупой), гребешки на АЧХ не появляются.
Но я не знаю что будет лучше звучать на СЧ - ШП динамик или пищалка. Само собой для пищалки нужен фильтр второго порядка, чтобы не пропустить на неё басы.
Только одна такая пищалка есть у нас - 3ГД-15, резонанс 300 гц.
Но мой скромный опыт говорит о том, что при таком разделе лучше ШП.
1ГД-36, 1ГД-50 играют до 15-16 кгц без спада. На ух они лучше воспринимаются. И резонанс у них 140-180 гц. Резать легко.

Думаю из-за неумения. Одни не могут в самом динамике помудрить, датчик встроить. Другие, как я, с ужасом смотрят на попутную электронику. Сделал бы мне кто электрическую часть полностью, я бы динамик собрал для саба с ЭМОС какой потребуется.
Лучшая реализация датчиковой ЭМОС:
 
Думаю из-за неумения. Одни не могут в самом динамике помудрить, датчик встроить. Другие, как я, с ужасом смотрят на попутную электронику. Сделал бы мне кто электрическую часть полностью, я бы динамик собрал для саба с ЭМОС какой потребуется.
У меня ламповая "душонка"
Биамп: Беаг еа057 (РР на ел34) и СЕ 6п6с. Эмос - мостовая с резистором в качестве датчика тока. Схема Пикерсгиля из Радио.
 
Если нет задачи тянуть пищалу ниже килогерца, то Пиша 407я справится с 2.5 -3 кгц , а на 2 кгц пусть будет ямочка для комфорта. Да и Визатон SC10 N сюда стучится.
Главное сформировать ачх у 10ГД-30 падающую с 1300 гц, дальше пищалка подберёт.

Посмотрите в сторону 4 омных. Добавочное сопротивление понизит отдачу на 3-7 дБ в зависимости от номинала добавочного сопротивления. При сведении на 600-700 гц можно обойтись фильтром 1 порядка. Прям по Гапонову выходит. ?
Автопищалы просются.
 
Автопищалы просются.
У меня потихоньку складывается впечатление что любая дешевая автомобильная пищалка на неодимовой таблетке будет лучше советских ВЧ. ))) Это я по прочитанному за последнее время на разных сайтах.
 
У меня потихоньку складывается впечатление что любая дешевая автомобильная пищалка на неодимовой таблетке будет лучше советских ВЧ. ))) Это я по прочитанному за последнее время на разных сайтах.
Использовал вот такие:
В такой АС:
 
А это да. Лежат без дела две пищалки Tannoy, или паленые или в обрыве. Да еще похоже, одна 8 омная, вторая 4,2 ом на постоянке(мерил на "сестрах"). Докупить "автомобилки", вставить в родные накладки и в дело. Спасибо за идею(y)А то уж на Peerless хотел разориться - боролся с жабой.:)
 
Последнее редактирование:
Подарили сегодня пару АС, с 10гд-30 (без буквы), 73 года выпуска. Послушал. Полностью согласен с мнением KSV:
" Многие посмеются, но для меня на первом месте – отличная передача СРЕДНИХ частот (голос и натуральные инструменты)? а здесь 10ГД-30 и ВСЕ подобные динамики – не лучший выбор. "
IMG_7638.JPG IMG_7640.JPG
Пищалки 3гд31 (5гдв-1)-кому нибудь в подарок (читай-на выброс). СЧ однозначно забрать у 10гд30 в пользу другого динамика.
И, да-35 Гц с генератора реально слышно :rolleyes: ?
 
Подарили сегодня пару АС, с 10гд-30 (без буквы), 73 года выпуска.
Пищалки 3гд31 (5гдв-1)-кому нибудь в подарок (читай-на выброс). СЧ однозначно забрать у 10гд30 в пользу другого динамика.
Спасибо! Значит уши у нас похожи, и это не только наше мнение, но и корифеев класса Шорова. В молодости больше обращаешь внимание на басы, а сейчас на серединку. И не надо нас стричь под общую гребёнку любого гуру.
Да, с пищалками 3ГД- 31 слишком много возни и не факт еще, что их на заводе нормально намотали. Раньше было ничего не купить, сейчас хорошие динамики гораздо доступнее.
Есть вероятность, что Вам повезло с 10ГД-30 и для них можно подобрать оптимальный корпус, взгляните сюда -
https://ldsound.club/index.php?thre...-nastrojka-fazoinvertora.54/page-2#post-11689 )
я только что написал.
Может быть скоро дойдут руки для подбора сырых фильтров к ним, может напишу. Сырых - потому что мало даже свести по микрофону, надо еще послушать, вдобавок я могу делать сведение в картоне только по одной колонке и без ФИ. Пока фильтры второго порядка, а промежуточный результат удовлетворительный, не более.
Проблема с намоткой катушек - нет нормального провода.
 
Получил два динамика 10ГД-30Е от щедрого дарителя , оба динамика исправны и разные конструктивно: один с пыльником из картона, у второго пыльник тканевой.
Измерения проведены в ящике измерительном литров 40.
Все замеры выложу завтра, а сейчас скажу пару слов . В отличие от разных выложенных в сеть картинок, на своих увидел очень ровный , далеко бегущий и спокойный по звуку динамик. Вариант с пыльником из ткани дал более ровную ачх и спокойный звук . Убрать небольшой избыток отдачи на средине хватило мизерной катушки на 0,35 мгн. Обвалить средину выше 1500-2000 хватает катушки на 0,68 мГн. Динамик предсказуемый, управляемый и качественный по звуку. Одно огорчило: один басовик явно потерял чутьё, добротность даже в 40 литров составила 1,0. Второй получше.
Чуйка шепчет про объём 25 литров + ПАС. В пищалы к нему задуман любимец публики Визатон TW70 , а также проездом из Дании- неподражаемая мадмуазель Вифа с синьором Вейвкором.
Ожидайте дальнейших новостей в нашей газете.
ПС. Забыл сказать. На удивление, потеря на внеосевой 30 градусов вообще незаметна, лишь на 45 градусах и то вежливо. На слух динамик широко направленный, звук почти не меняется под углом к оси. Навскидку- похож на поведение Сканспика Ревелатора, звучание тоже похоже.
10ГД-30 Е  БРЗ   измерящик  40л  внеосевая 30 град   -черным.JPG10ГД-30 Е  БРЗ  измерящик 40л  бл поле.JPG10ГД-30Е  БРЗ  импеданс  и резонанс  в ящике.JPG10ГД-30   БРЗ  измер.ящик 40литров  05 м по оси.JPG

тут приведены несколько беглых частоток с первыми попавшимися детальками, понять , что перед нами. И результат сильно радует, перед нами - добра коняка.
легкий макияж в районе 2-5 кгц и получим ачх Кубика , но повзрослевшего чуток.
10ГД-30Е БРЗ тряпочный пыльник   05м по оси  в ящике 40л.JPG10ГД-30Е тряп пыльник  внеосевая 45 градусов. На  30  град нет разницы.JPG10ГД-30Е тряп пыльник  с катушкой 068 мгн  ящик 40л.JPG
 
Последнее редактирование модератором:
тут приведены несколько беглых частоток с первыми попавшимися детальками, понять , что перед нами. И результат сильно радует, перед нами - добра коняка.
легкий макияж в районе 2-5 кгц и получим ачх Кубика , но повзрослевшего чуток.
АЧХ шикарная. Навскидку на 3 кгц сшить можно, прям сказка.
 
АЧХ шикарная. Навскидку на 3 кгц сшить можно, прям сказка.
Динамик с тряпочным пыльником красного цвета и на слух не крикливый и по ачх шикарный. Картонный пыльник подкрикивает , слышно это сразу даже в процессе загрузки компа, когда мелодия звучит. Средина спокойная, без лишних деталей, самое то, чтобы дополнить недостающие верхушки нормальной пищалой. Просится стык с 2 , 5 кгц, потому что до 2 кгц отдача ровная совершенно.

Добре. А я продолжу исследования по данной теме и добавлю материал.
А в плане собственных впечатлений о звучании динамика 10ГД-30е есть уверенность , что любимая пищала ВизатонSC10n сработается с ним спокойно и с достойным результатом, не нужно будет выискивать несуществующие " пищалки от килогерца" . Потому как сам басовик до полутора килогерц работает спокойно, а выше плавный спад и стык с обычной купольной пищалой. Другое дело, как сложится это дело с другим вариантом басовика, у которого картонный толстенный пыльник. Вот там могут быть траблы. Посмотрим.

ПС. Уверенность моя основана на длинном опыте прослушки любимого Селешина T2730 , по виду копия этого 10ГД-30е, такой же 8" диффузор, тонкий резиновый подвес, мягкий тряпочный пыльник, пропитанный чем-то резиновым. Селешин тянул до 3800 с вежливым выбросом на этой частоте, подчеркивая важное в средине. И любая пищала с ним звучала на ура.
Поэтому не чувствую сложностей в плане стыковки нашего Селешина от БРЗ с купольной пищалой. Тем более, что в Клондайке от KOLOBRKINа есть много чего хорошего и очень хорошего из таких пищалок.

По жуткому секрету добавлю, что в Клондайке есть пара Альфардов ЕТР1623, с которыми будем сочинять двухполоску для народа. Проблема только одна: время и силы, где бы их взять-и побольше, побольше.
 
По жуткому секрету добавлю, что в Клондайке есть пара Альфардов ЕТР1623, с которыми будем сочинять двухполоску для народа. Проблема только одна: время и силы, где бы их взять-и побольше, побольше.
Вот, дождался я очереди! Не спрашивал, не выуживал, просто был терпелив и надеялся на случай. И вот Вы озвучили, дядь Саш!
У меня есть пара Альфардов таких!)

Вот, дождался я очереди! Не спрашивал, не выуживал, просто был терпелив и надеялся на случай. И вот Вы озвучили, дядь Саш!
У меня есть пара Альфардов таких!)
А сил у Вас думаю хватит ещё и на много дальнейших проектов! Только не забывайте отдыхать и наполнять душу чем то животворящим. Помимо Вашего увлечения и дела.
 
Фильм 10ГД-30Е Движение вверх часть 2. За пару тычков паяльником сложилась совершенно замечательная схемка, полностью в идеологии великого Олега Салтыкова, с такой же многоступенчатой ачх и таким же отменным звуком.
Вот она, в первом варианте( а есть и второй) Отличие от первого- емкость 4, 7 мкф вместо 3.9. Добавится срединки на 3 и 4 кгц, струна поярче, средина пояснее, рельефнее, в общем, по результату.
Послушал треки с этим фильтром, без пищалы, спокойно слушается музыка во всей красе без ущерба. Главное передается уверенно хорошо. Динамик замечательный, в чем не было сомнений с того момента, как услышал его в павильоне радиорынка у Владимира.
Добавлю, что направленность у 10ГД-30 широкая, тембр звука мало меняется по оси и вне её. Что удачно дополняет его красивый ясный звук.
Фильтр  к 10ГД-30   проба 1.JPGIMG_20200722_213252.jpg

Вжал голову в плечи, сейчас подтянутся настоящие специалисты, насуют за все. :)
Вчера в кино услышал шикарную фразу: Я не знаю, как надо, но вы все делаете не так.
 
Последнее редактирование модератором:
Вжал голову в плечи, сейчас подтянутся настоящие специалисты, насуют за все. :)
Вчера в кино услышал шикарную фразу: Я не знаю, как надо, но вы все делаете не так.
Я уже давно говорю подобное в сторону музыкальных критиков - это люди, которые знают точно как нужно играть, если бы умели :-)
 
Вжал голову в плечи, сейчас подтянутся настоящие специалисты, насуют за все. :)
Вчера в кино услышал шикарную фразу: Я не знаю, как надо, но вы все делаете не так.
Отличная АЧХ мидбасовика.
Теперь осталось пищалу подобрать и "супер-кубик" можно делать.
 
Именно так и задумано, ачх -первая проба, пристрелочная. даже вижу, как она изменится в процессе стыковки с пищалой. Радует факт спокойной беспроблемной работы динамика до частоты стыка, обычно это 2. 5-3кгц, без деградации звучания и выбросов на резонансе.
Отменный динамик. И название ваше Супер-Кубик очень нравится.

Конец недели выдался тяжелый, не до акустических занятий, но на выходные продолжу.
Макет не разбирал, ожидает посреди комнаты .

Сейчас сделал летучую сшивку полос 10Гд-30 и Визатон TW70. Динамики совершенно созвучны, пищала пристыковалась мгновенно, всех дел было уточнить её поведение за стыке , уровень и полярность. Что получилось- смотрите. По звуку- тот самый привычный ясный и спокойный звук с отменными низами.
Добавлю, что пищалку на проводах подносил-относил от басовика , в пределах 25- 30см слитное звучание совершенно, лишь за пределами этого расстояния звук разваливается.
ПС. На досуге пошаманю ВЧ фильтр, не нравится этот торчок на 2500. Попробую убрать, чтобы ровненько.
 

Вложения

  • 10ГД-30    и   Визатон  TW70 две полосы ..JPG
    10ГД-30 и Визатон TW70 две полосы ..JPG
    140.7 KB · Просмотры: 477
  • Визатон ТВ70   с ф-ром.JPG
    Визатон ТВ70 с ф-ром.JPG
    131.9 KB · Просмотры: 455
  • Фильтр  для 10ГД-30 от 25  07 20.JPG
    Фильтр для 10ГД-30 от 25 07 20.JPG
    143.8 KB · Просмотры: 509
Сейчас сделал летучую сшивку полос 10Гд-30 и Визатон TW70. Динамики совершенно созвучны, пищала пристыковалась мгновенно, всех дел было уточнить её поведение за стыке , уровень и полярность. Что получилось- смотрите. По звуку- тот самый привычный ясный и спокойный звук с отменными низами.
Добавлю, что пищалку на проводах подносил-относил от басовика , в пределах 25- 30см слитное звучание совершенно, лишь за пределами этого расстояния звук разваливается.
ПС. На досуге пошаманю ВЧ фильтр, не нравится этот торчок на 2500. Попробую убрать, чтобы ровненько.
Это и вся недолга??? Где ж ты раньше был (С).
ВЧ просится чуть меньше по уровню.
 
Это потому, что раньше у меня велосипеда не было.

А вообще, задача есть идти дальше и применить любимые купольники Визатон SC10n, им здесь наверняка будет комфортно, равно, как совместное звучание этих динамиков в колонках крепко порадует их владельца. Звук 10ГД-30 Е с нормальным фильтром красивый, спокойный, ненаправленный , баланс ровный. Единственное, что мог отметить, такое впечатление. что низкие у него без особого запаса в плане " урезать марш", деликатно звучат, без особого напора и куража, как это делали к примеру басовики JBL , тема недавних дней.
Но для спокойного домашнего прослушивания в ящиках скромного объёма- 30-40 литров- очень подходящий вариант.
 

Вложения

  • 10ГД-30  и Визатон .схема от 25 0720.jpg
    10ГД-30 и Визатон .схема от 25 0720.jpg
    98.9 KB · Просмотры: 759
На досуге пошаманю ВЧ фильтр, не нравится этот торчок на 2500. Попробую убрать, чтобы ровненько.
А если попробовать 2ГД-36 с 4мкф и 0,25 мгн?

низкие у него без особого запаса в плане " урезать марш",
деликатно звучат, без особого напора и куража
Но для спокойного домашнего прослушивания в ящиках скромного объёма- 30-40 литров- очень подходящий вариант.

Это классический низ для 60-70-х гг.
Тогда не было задачи жёсткую электронщину играть.

Я пробовал делать ФИ на специально отобранных 10ГД-30 с добротностью ниже 0,45 - очень низкий низ получался, ФИ на 22-24 гц настраивал.
 
А если попробовать 2ГД-36 с 4мкф и 0,25 мгн?
Как говорил тов Сухов- Этврядли! Получим дикий перекрик пищалой тихого вежливого басовика. нужна гасилка к пишалке, а она превращает его 8 Ом в 15 ом с вытекающими 1, 8 мкф и катухой на 0,47-0,5 , ну прям как у меня .
Выброс на 2500 у пищалы взялся от конской гасилки на 6,8 ом, раздемпфировался динамик. А вот намотать автотрансик с 16 на 8 ом, как собственно, видит сейчас эту пищалку сама схема, будет неплохо. Но это чуть другая история.
 
Я сейчас подкину пару импортных купольных пищалок, не меняя ничего, глянем, шо выйдет

итак, продолжим, точнее- приходим к финалу истории.
1. Визатон TW70 превосходная пара к 10ГД-30Е, редкая по красоте созвучность, шикарная средина и вч, ненавязчивое звучание, запас по чутью. Единственный крохотный минус- зауженная направленность, но она же позволила получить на оси колонки на диво ровнейшую мониторную ачх, увидите дальше.
2.Попытка применить купольную дюймовую пищалку Вифа с красивой куполообразной ачх, дала в итоге слишком перемягченный звук, на стыке в районе 2.5-3кгц пищала не смогла восполнить нехватку средины из-за малой площади. Зато, когда убавил индуктивность НЧ фильтра до 1- 0,68 мГн, полоса басовика протянулась до 4-5 кгц - колонка зазвучала во всей красе. Так что, как вариант -вполне реально сделать и такое.
3. Новый вч фильтр отслушан , внесены изменения. Емкость на входе филльтра 2, 0 мкф. Катушка 0,33мгн, гасилка 6,8 Ом. Ничего не напоминает? Черт возьми, от Кубика- ну никуда! :LOL:
10ГД-30  и купольная Вифа  ВС25 TG15-04.JPG10ГД30  с новым вч фильтром к визатону.JPG

сейчас гляну финальную ачх после всех движений , сделанных на слух.

Картинка вч фильтра к физатону- там слева видна шумовая полка, причиной тому невысокая громкость, на которой свожу, чтобы угнать эту полку ниже ватерлинии, нужно дать газу в динамики, а это неудобно. Так тоже вполне понятно.
Стык НЧ и вч в полосе от 2 до 3 кгц, с забавной полочкой на стыке у обоих излучателей.
На слух все прозрачно, чисто, все голоса и инструменты звучат как привык их слышать.
В общем, получилось.
10ГД30  с новым вч фильтром к визатону.JPG10ГД-30Е +Визатон TW70   от 25 июля 20.JPGTW70 с фильтром  финал.JPGНЧ фильтр к 10 гд30е.JPG

Сдается, сверху Гаусс побывал:)
Отеманно!!! (Хрюн Моржов. Избранное)
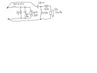
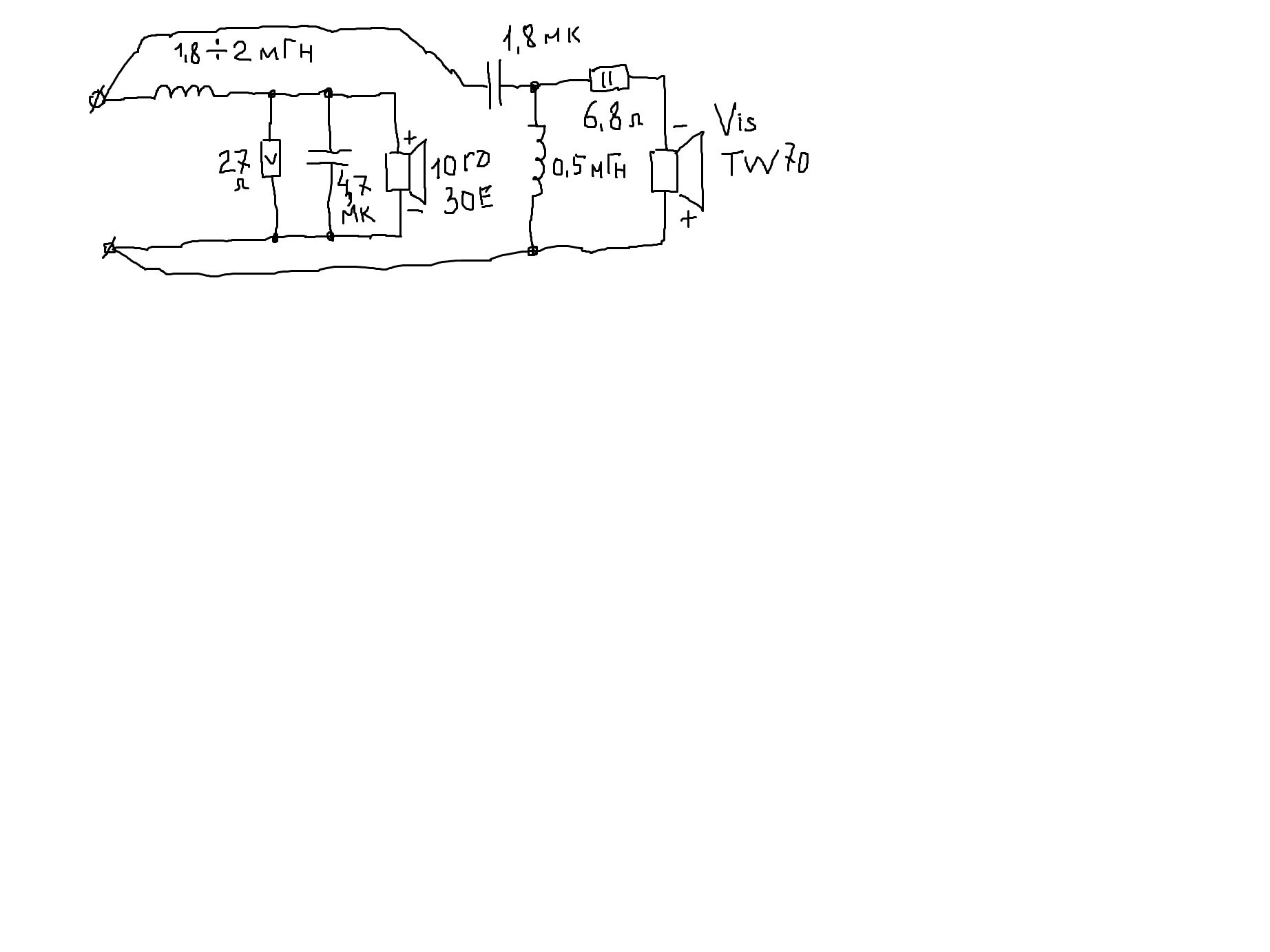
А вот и схемка финального фильтра для нашей неразлучной парочки 10ГД-30е и Визатон TW70
10ГД-30   и Визатон. Финальная схема от 25 07 20.jpg
 
Последнее редактирование модератором:
Увидел его реальную ачх- расхотелось. Да и денег лишних нет пока, заказывать , ждать. А получив- расстроиться)))) Зато другой Визатон порадовал, " проверенный, наш товарищ"(В.Высоцкий) - Визатон TW70 . Мгновенно спелся с 10ГД-30, на ура просто.
 
Вот нашел отзыв.

Игорь З.Оценка: Отлично 28 декабря 2019, Таганрог
Замечательный динамик! Приобретался для использования в качестве СЧ-ВЧ звена. Реальность превзошла даже мои мечты. Такого чудного и главное верного звука ещё не слышал! Идеальный кандидат для модернизации всех советских 2-х полосных АС где стоит такое недоразумение как 3ГД-31. По сути Visaton FRS 5X/8 это пищалка с низкой Fs. Сейчас переслушиваю все свои старые записи и слышу то, чего никогда ранее не слышал.
 
Получится добыть эти ширики- сделаем и на них, а пока результат крепко порадовал, ачх тому свидетель. Заодно избавился от бытующего мнения от неспособности басовиков 10ГД-30 звучать в средине , что совершенная глупость. Правда, с уточнением: динамик с пыльником из ткани и из картона- разные динамики.
Причина номер 2. Получил в пользование наборы отменного качества динамиков, никуда не нужно бегать, одалживать , покупать , просто взял и сделал. А за свои пенсионные купить динамики, сочинить на них колонки, и .....что потом? Кому они нужны, ещё и в макетном варианте? Любознательность, конечно, перевесит жадность , но нужно и настроение соответствующее. А его пока нет.
 
сейчас гляну финальную ачх после всех движений , сделанных на слух.

Картинка вч фильтра к физатону- там слева видна шумовая полка, причиной тому невысокая громкость, на которой свожу, чтобы угнать эту полку ниже ватерлинии, нужно дать газу в динамики, а это неудобно. Так тоже вполне понятно.
Стык НЧ и вч в полосе от 2 до 3 кгц, с забавной полочкой на стыке у обоих излучателей.
На слух все прозрачно, чисто, все голоса и инструменты звучат как привык их слышать.
В общем, получилось.
ПреВосходНо!
 
Уверяю вас, звучит тоже достойно. Звук не хуже картинки. Но радость от того, что динамик наш оказался на высоте, а к нему ещё найден нужный высокочастотник- перевешивает даже звук
 
Уверяю вас, звучит тоже достойно. Звук не хуже картинки. Но радость от того, что динамик наш оказался на высоте, а к нему ещё найден нужный высокочастотник- перевешивает даже звук
АЧХ радует, и фильтр простой, "кубический". Можно смело рекомендовать к повторению.
И разработан в день памяти Высоцкого, что тоже немаловажно.
 

Статистика форума

Темы
3,295
Сообщения
262,151
Пользователи
2,545
Новый пользователь
vlad'mir
Назад
Сверху Снизу