Марков Николай
1 ранг
- Регистрация
- 23 Июл 2019
- Сообщения
- 6,718
- Реакции
- 5,330
- Репутация
- 203
- Страна
- Украина
... вашего племени! )))к кому придёшь, особенно с советскими АС, +6 +8 бас накручен
На кой ляд от 70 до 10к перекос в 12дБ? Не впечатляет меня 5 полос с крутизной ската 18дБ/октаву или даже больше каждая. ЗаворотWestlake Tower SM-1.
Посмотреть вложение 151579
300 Гц = длина волны 1,1м, 500 Гц = 68 см. Между входами в слуховые каналы 15 см. В первом случае, при боковом падении волны, разница фаз в ушах 50°, во втором случае 82°. А каждые 90° волна принимает значения от макс. до мин. Микрофон же - один, и у него не такая, как у слуха, ДН, и он не обрабатывает принятые отсчёты давления во временнОм домене, в отличие от слуха. Ну и провалы намного менее заметны, чем пики.Местами (в районе кресла) я видел подъём на 300 Гц больше 10 дБ, провал на 500 такой же, но это не слышно.
потому что они реально есть в прямой волне.А лишний подъём на 600 Гц на АЧХ АС - каждый децибелл.
ага, ага... (жабка такая) Приплюсуйте, плиз:Это он в даташите на щите ровный. Попробую его без фильтра завтра измерить.
*****общая АЧХ и АЧХ полос на её фоне в ТП, а также - верхний стык с 80 см посередине и нижний стык с 80 см посередине...
Куда уж подробнее. Если три (или больше?) кило катушек/конденсаторов заменяются программной обработкой или десятком слаботочных деталюшек по цене рупь за кучку, то при чём здесь -филия?А можно подробнее? Это эмоции правоверного аудиофила, желающего сократить путь сигнала, или желание инженера сделать красиво без костылей?
Не вопрос! Коррекция переносится в электрический тракт предвара и делается отключаемой.Мне всё же кажется, что должна быть возможность подключать АС не только к компьютеру, а и к другому ЦАПу или ещё к чему.
*****
Вы же малабас под себя настроили, другому человеку или в другой КДП он вовсе не понравится. То есть, данная АС не выйдет за пределы своей КДП. А если так, то на кой ляд делать коррекцию пассивной??
Славься, новый вождь!Я видел такой (тот, что на 300 Гц) режектор в схемах Танноя, Аудионота, там даже электролит стоял в нём, а у меня полипропилен и металлобумага.

Я попробовал что-то замутить в упрощённой топологии - дульсинея акустская! Один режектор вынуждает применить следующий, ущербный принцип. Да, налюбились Вы знатно, сир Мазох.Второй параллельный режектор (на 600 Гц) мне самому не нравится с точки зрения красоты решения, можно увеличить резистор, последовательный конденсатору 60 мкФ, уменьшить этот конденсатор, будет что-то похожее, это всё и много ещё чего пробовалось за время с прошлой осени. Но с режектором чем-то больше понравилось.
Вы выслушивали в стереоварианте в ТП, мгновенно переключая эти 0,5дБ не сходя с ТП? Нет? Тогда списывайте 3/4 результатов на психоакустику, молодой вождь.Все варианты отслушивались на шуме, там даже 0,5 дБ слышно, особенно подъём.
Вы сообщаете, что суббас - в излишке, и сами же задаёте падающую АЧХ выше 50 Гц. Где правда, брат? (С)А антинакачка - это святое. Я за бас, но против колбасни.
(Я догадываюсь где. Элементарно получился общий перебор НЧ, и убавление уровня либо колбасы 80 Гц, либо гула 30 Гц имеет благотворное влияние на общее звучание).
ХМ. Я не учёл железные сердечники в четырёх катушках. А какая резонансная частота в ЗЯ у Вас вышла? Я поставил 42 Гц и пик 28 Ом на резонансе.Кстати, на картинке с передаточной х-кой в прошлом сообщении у меня тоже ЗЯ.
Спасибо! Попробую синтезировать импеданс Вашего.Импеданс средника от Матараццо.
Сикока-сикока полка? Надеюсь, не 2 Ома?..у ВЧ импеданс в звуковом диапазоне - полка
*****
Пошла работать с Сч звеном

Подобрал и модифицировал схему замещения MD142 #195 , чувствительность принимаю 91дБ/2,83 Вольта, плыву дальше.
Внёс потери в катушки ФНЧ, полка 300...600 Гц просела на 0,6дБ, теперь НЧ коррекция +4,5дБ.
АЧХ СЧ полосы по напряжению представляет собой довольно плавный горб с максимумом -5,5дБ на частоте 1,6 кГц (относительно полки 300...600 Гц), переходящий на ВЧ в плато с уровнем -12дБ (относительно той же полки).
Раздел по напряжению 1,2 кГц.
Таким образом, СЧ-шник поднимает уровень 1...2 кГц максимумом своей АЧХ, и практически самозаваливается выше 6к, как и хотелось бы.
Хьюстон, у нас проблемы.
Первая: уровень СЧ. Если вы видели раздел на частоте 900 Гц, то на этой частоте отдача СЧ динамика должна быть 97дБ/2,83 Вольта. Иначе, при плоской АЧХ НЧ динамика в данной зоне, уровень 900 Гц СЧ полосы на 6дБ ниже, чем у НЧ:

Но такой отдаче неоткуда взяться.
Вторая. Симулятор без обиняков заявил, что при одинаковой полярности НЧ/СЧ динамиков кина не будет.
Разница фаз по напряжению в диапазоне 600...1300 Гц превышает 180° (три клеточки по 60°)! Откуда Вы взяли, что 90°, мил человек? Тут есть по +/-90°, с каждой стороны стыка. По току набегает ещё +20°, поскольку индуктивность ЗК НЧ головки выше, чем СЧ. Чтобы компенсировать 110° на частоте 900 Гц, надо сместить АЦ СЧ динамика назад на 12 см, у Вас точно так не сделано. Значит, НЧ и СЧ динамики обязаны быть в противофазе. Возьмите табарейку 1,5 Вольта, отключите в ФСЧ катушку, включенную на массу, и повторно проверьте полярности, не взирая на плюсики на клеммах/корзинах динамиков.
*****
Для противофазного включения схема практически идеальна, есть протяжённый стык с разницей фаз около 180°. Можно отодвинуть СЧ бокс назад для компенсации лишних 30°, или на 3 см.
*****
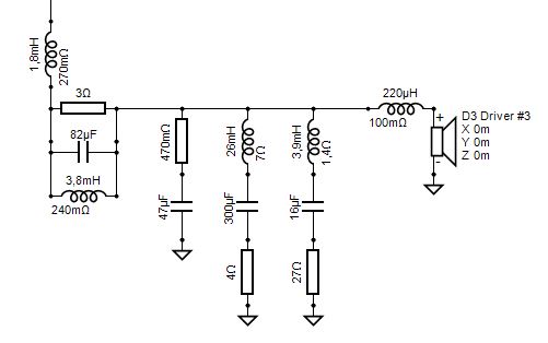
Изучаю ФСЧ...
Режектор с резистором 27 Ом не нужен: достаточно увеличить 1,2 мГн до 1,4 мГн, а 47 Ом - до 60 Ом.
Второй режектор не нужен тоже!..


Понятно, что точность попадания ограничена тем, на сколько я угадала схему замещения СЧ динамика после удаления МЖ и КЗ кольца, но Вы поняли: режекторы - не нужны в принципе. Разве что пик на частоте резонанса вылез не +4,4, а +20 Ом...
Дайте значение импеданса ВЧ со входа трансформатора!
Последнее редактирование:

Ну вот и как с чудесным Спектралабом работать, объясните?










