3-х полосная АС на ScanSpeak 21W/8554, модифицированном купольном Dynaudio MD140/2 и самодельном дипольном ленточном ВЧ

Антон К

3 ранг
Регистрация
28 Июн 2021
Сообщения
269
Реакции
208
Репутация
22
Страна
Россия
Город
Краснодарский край
Я начинал с фильтра Г. Крылова из его статьи про АС на соответствующем скане. Получил избыток 300-400 Гц. Ну а дальше пошло-поехало. Было время "разбросать камни", получив АЧХ и звук любой ценой, сейчас время собрать их, упростив фильтр, оставив АЧХ и не потеряв в звуке. Сейчас хорошо играет, не сравнить с первыми опытами. Двухполоска проще всё же, я когда на этом скане макетировал 2 полосы, в первом приближении хватило голой индуктивности. Повторюсь, АЧХ, звук и сведение в данный момент полностью устраивает, то, что иногда хочется высоких добавить или убавить, скорее слествие изменения моего внутреннего состояния. Наверное, поставлю на резистор ВЧ тумблер 2,7, 3 и 3,3 Ом

Обещанная фаза из бокссима, куда вводились АЧХ по точкам. 90 не 90 градусов, но где-то рядом. Если учесть, что у скана диффузор не плоский, а воронкой, скорее всего, выше килогерца-полутора она ещё немного больше сдвинется, и будет ближе к 90.
Бокссим фаза.JPG


Немного информации из клуба басофилов, АЧХ шикарных двадцатикилобаксовых ASW Magadis. Что-то напоминает, не правда ли?
ASW MAGADIS АЧХ.JPG
 
Последнее редактирование:
Регистрация
12 Ноя 2019
Сообщения
28,311
Реакции
13,622
Репутация
395
Я начинал с фильтра Г. Крылова из его статьи про АС на соответствующем скане. Получил избыток 300-400 Гц. Ну а дальше пошло-поехало. Было время "разбросать камни", получив АЧХ и звук любой ценой, сейчас время собрать их, упростив фильтр, оставив АЧХ и не потеряв в звуке. Сейчас хорошо играет, не сравнить с первыми опытами. Двухполоска проще всё же, я когда на этом скане макетировал 2 полосы, в первом приближении хватило голой индуктивности. Повторюсь, АЧХ, звук и сведение в данный момент полностью устраивает, то, что иногда хочется высоких добавить или убавить, скорее слествие изменения моего внутреннего состояния. Наверное, поставлю на резистор ВЧ тумблер 2,7, 3 и 3,3 Ом

Обещанная фаза из бокссима, куда вводились АЧХ по точкам. 90 не 90 градусов, но где-то рядом. Если учесть, что у скана диффузор не плоский, а воронкой, скорее всего, выше килогерца-полутора она ещё немного больше сдвинется, и будет ближе к 90.
Посмотреть вложение 152034

Немного информации из клуба басофилов, АЧХ шикарных двадцатикилобаксовых ASW Magadis. Что-то напоминает, не правда ли?
Посмотреть вложение 152036
Позорная бездарность , а не АЧХ. Зато в цвете, с важным видом. И где тут бас- может подскажет кто?
 
Регистрация
12 Ноя 2019
Сообщения
28,311
Реакции
13,622
Репутация
395
Я начинал с фильтра Г. Крылова из его статьи про АС на соответствующем скане. Получил избыток 300-400 Гц. Ну а дальше пошло-поехало. Было время "разбросать камни", получив АЧХ и звук любой ценой, сейчас время собрать их, упростив фильтр, оставив АЧХ и не потеряв в звуке. Сейчас хорошо играет, не сравнить с первыми опытами. Двухполоска проще всё же, я когда на этом скане макетировал 2 полосы, в первом приближении хватило голой индуктивности. Повторюсь, АЧХ, звук и сведение в данный момент полностью устраивает, то, что иногда хочется высоких добавить или убавить, скорее слествие изменения моего внутреннего состояния. Наверное, поставлю на резистор ВЧ тумблер 2,7, 3 и 3,3 Ом

Обещанная фаза из бокссима, куда вводились АЧХ по точкам. 90 не 90 градусов, но где-то рядом. Если учесть, что у скана диффузор не плоский, а воронкой, скорее всего, выше килогерца-полутора она ещё немного больше сдвинется, и будет ближе к 90.
Посмотреть вложение 152034

Немного информации из клуба басофилов, АЧХ шикарных двадцатикилобаксовых ASW Magadis. Что-то напоминает, не правда ли?
Посмотреть вложение 152036
А слабо скинуть АЧХ ВАШЕГО басовика в ВАШЕМ ящике без фильтра? А там видно будет.
 

Антон К

3 ранг
Регистрация
28 Июн 2021
Сообщения
269
Реакции
208
Репутация
22
Страна
Россия
Город
Краснодарский край
Вот, верхняя динамик вытащен из ящика, вблизи него, нижняя в ящике меньше чем с метра почти по оси. Шип на 300 комнатный неудачно наложился на пик самого басовика. Вот отсюда и растёт главный режектор. Удалось, кстати, избавиться и от второго режектора на 600 Гц, но пока в симуляторе, в железе не пробовал, т.к. придётся в первой катушке сердечник увеличивать
8554 в упор и нет.JPG
 
Последнее редактирование:
Регистрация
12 Ноя 2019
Сообщения
28,311
Реакции
13,622
Репутация
395
Линия 40-2000 Гц просит выправить ее катухой, получив горизонталь до 1500 с последующим спадом первого порядка. Яма в районе 400-1000 это работа оформления, фильтрами тут не вырулить, а вот морда пошире может исправить дело. И кстати, спад на левом крае АЧХ тоже выравнивается широким баффлом, -потери на дифракцию снижаются. Оттого разная индуктивность получается в НЧ фильтре, в зависимости от конструкции ящика.

Ага.....Верхняя АЧХ динамик без никто. Вне ящика. Так не пойдет, ценность этой картинки минус ноль.
Кусок картона плотного, между двух стульчиков, с динамиком посередке, микрофон сверху, в упор и на дистанции см 30. Прояснится.

Смотрим даташит. Все было бы радужно без поправки на реалии. А они чаще грустные. Резонанс вместо 21 Герца дай бог 40, добротность вместо 0, 22- навскидку 0,33.
И плясать надо от реалий.
Идея такова. У нас Qts 0,33. Объемом довести ее до 0,57, резонанс инвертора по Алдошиной чуть ниже Fs , получится инвертор Бесселя. Объем ящика при этом равен половине от Vas.
Нижняя граница колонки получится как резонансная динамика умножить на полтора.
ПС. Даташитская АЧХ имеет ямку на 600Гц. Конструктив. Можно не обращать. Зато есть ровная полочка отниза до 1500, смотрим на АЧХ внеосевую , на 60 град. И катухой доводим осевую АЧХ до этой внеосевой. Получаем стабильную картину под широким углом , ненаправленность , а дальше дело стыковки пищалки (средника) с басовиком. Разумеется, средник попросит басовика подвинуться и свалиться отдачей раньше, на тех же 600, там уже есть яма, пущай и валится на 600, раз начал .

Дядя Саша, средник купольный с резонансом 630...
А я чо, я ничо! Все бормотушки про Т-С к теме относятся, а что там дальше , на верхнем срезе- это на усмотрение владельца. Пущай ставит своего купольника. По идее его удобно стыковать на 1200-1500, вот басовик и добежит, как надо.
 

Антон К

3 ранг
Регистрация
28 Июн 2021
Сообщения
269
Реакции
208
Репутация
22
Страна
Россия
Город
Краснодарский край
А я чо, я ничо! Все бормотушки про Т-С к теме относятся
Вот почему не хотел ниже 400-500 показывать, эти измерения могут ввести в заблуждение. Ещё раз по ТС басовика, резонанс 26,5, добротность электрическая 0,38, механическая была 2,6 после установки поролоновой пробки в канал керна и дополнительной обработки ПИБом подвеса, не измерял. Думаю, не меньше 2. Т.е. полная где-то 0,32-0,33. С эквивалентным объёмом немного не угадал, но, по большому счёту, это не так важно, важно, что в конкретном ящике происходит. ВОт Скан без фильтра в ближнем поле, в ЗЯ. ПРи резонансе в ящике 46, получается по Вашей таблице добротность системы ящик-динамик 0,6-0,63
8554 ближнее поле.JPG
 
Регистрация
12 Ноя 2019
Сообщения
28,311
Реакции
13,622
Репутация
395
Вот почему не хотел ниже 400-500 показывать, эти измерения могут ввести в заблуждение. Ещё раз по ТС басовика, резонанс 26,5, добротность электрическая 0,38, механическая была 2,6 после установки поролоновой пробки в канал керна и дополнительной обработки ПИБом подвеса, не измерял. Думаю, не меньше 2. Т.е. полная где-то 0,32-0,33. С эквивалентным объёмом немного не угадал, но, по большому счёту, это не так важно, важно, что в конкретном ящике происходит. ВОт Скан без фильтра в ближнем поле, в ЗЯ. ПРи резонансе в ящике 46, получается по Вашей таблице добротность системы ящик-динамик 0,6-0,63Посмотреть вложение 152318
Суперски. Все именно так. Инвертор добавит добротности до нормы, около 0,7. В общем, все складывается удачно. +like
 
Регистрация
23 Июл 2019
Сообщения
6,698
Реакции
5,274
Репутация
203
Страна
Украина
Обещанная фаза из бокссима, куда вводились АЧХ по точкам. 90 не 90 градусов, но где-то рядом.
НЕ 90, а 270 градусов разницы, ибо СЧ не может отставать от НЧ, его ФЧХ всегда в плюсе относительно НЧ... Тогда - да, на частоте раздела без разницы, в какой полярности стыковать, но заворот фазы - излишний, будет лишнее ГВЗ на стыке.
Если учесть, что у скана диффузор не плоский, а воронкой, скорее всего, выше килогерца-полутора она ещё немного больше сдвинется, и будет ближе к 90.
Будет ближе к 360, тем более, что Вы слушаете недалеко от АС, и не посередине между НЧ и СЧ динамиками, а - ближе к СЧ и дальше от НЧ...
Немного информации из клуба басофилов, АЧХ шикарных двадцатикилобаксовых ASW Magadis. Что-то напоминает, не правда ли?
Посмотреть вложение 152036
130 Гц имеют +5дБ относительно полки СЧ, а полоса по -6дБ относительно тех же 130 Гц всего 40 Гц. Где килобаксы, брат? (в *опе?) Это неправильные АС, и они дают неправильный бассс Винни_Пух
нижняя в ящике меньше чем с метра почти по оси. Шип на 300 комнатный неудачно наложился на пик самого басовика. Вот отсюда и растёт главный режектор. Удалось, кстати, избавиться и от второго режектора на 600 Гц, но пока в симуляторе, в железе не пробовал, т.к. придётся в первой катушке сердечник увеличивать
Посмотреть вложение 152046
С метра на 500 Гц - дикий провал относительно мидбаса, давайте добьём его режектором?? Странно всё это.
 

Антон К

3 ранг
Регистрация
28 Июн 2021
Сообщения
269
Реакции
208
Репутация
22
Страна
Россия
Город
Краснодарский край
НЕ 90, а 270 градусов разницы,
Да, точно. Но с точки зрения формирования вертикальной диаграммы направленности, можно сказать, 90. А фазолинейную я и не обещал :) Нужно повнимательнее на степ посмотреть после всех этих движений, если там меньше 1 мс, понять и простить )

Про бас, провалы и прочее. Вот не зря зарекался в комнате низ показывать. Зайду с другой стороны, через ближнее поле. Вот, что сейчас в нём происходит. смотрим СИНЮЮ линию
21.JPG

Небольшой провал, который раньше был около 500 теперь вблизи 400 и уменьшился, пропитка помогла. Средняя разница между басовой полкой и уровнем 300-600 примерно 5,5 дБ. Главный режектор пришлось подстроить, сузив полосу пропускания и понизив частоту. Сейчас там 112 мкФ и ориентировочно 3 мГн (подстраивал по микрофону). По звуку - ничтожные косметические изменения. То, что выше килогерца, влияет в разы больше.

А теперь, для сравнения, АС Крылова, тоже ближнее поле, да простит меня Александр Бокарёв за использование его картинок
3-полоска  георгия Крылова   раздельно   сглаженн.JPG

Найдите 10 отличий. Если ещё учесть, что бафл в моей АС поднимает в дальнем поле на 2 дБ 400-600 Гц, а у АС Георгия он узкий, и поднимет 700-1000, то кто ещё басофил... Кстати, Георгий в теме Трёхполоска на динамиках Hi-Vi Reserch/SWAN (E8, DM7500, Q3B) на Веге сообщал, что последнее время предпочитает сводить купольный средник без переполюсовки, не взирая на возможные небольшие проблемы с АЧХ.

Не доверяя микрофону, я выслушивал третьоктавные полосы шума с известного диска, ну нету на слух провалов 500-800. 400 есть небольшой.
 
Последнее редактирование:
Регистрация
23 Июл 2019
Сообщения
6,698
Реакции
5,274
Репутация
203
Страна
Украина
Георгий в теме Трёхполоска на динамиках Hi-Vi Reserch/SWAN (E8, DM7500, Q3B) на Веге сообщал, что последнее время предпочитает сводить купольный средник без переполюсовки, не взирая на возможные небольшие проблемы с АЧХ.
На Веге топикстартер приводит измеренные АЧХ полос
раз.png
с китайским фильтром, рассчитанным явно на конусный СЧ динамик с низкой частотой резонанса.
два.png
Получает ответ Г. Крылова: "АЧХ нормальная; переверните полярность НЧ и послушайте; я уже 2 пары сделал без переполюсовки басовика; я ставил 22 мкФ".
В то время как АЧХ на нижнем стыке - ненормальная: купольный СЧ вкалывает на частоте резонанса.
Дальше по теме человеку всё же советуют добавить катушку в ФСЧ, сделав второй порядок среза снизу. Вот тогда (и - по причине торчащего на метр купола СЧ динамика) можно говорить о переворачивании фазы НЧ динамика.
 
Последнее редактирование:

MacSys

1 ранг
Регистрация
24 Мар 2022
Сообщения
2,604
Реакции
2,366
Репутация
96
Возраст
38
Страна
Украина
Город
Кривой Рог
Имя
Станислав
krossover-jpg.151375

Как же этому чуду не хватает активного деления полос и фильтра на ОУ по входу усилителя мощности (каждой полосы)
 
Регистрация
12 Ноя 2019
Сообщения
28,311
Реакции
13,622
Репутация
395
krossover-jpg.151375

Как же этому чуду не хватает активного деления полос и фильтра на ОУ по входу усилителя мощности (каждой полосы)
Бокорезов тут не хватает, поострее.
 
Регистрация
23 Май 2020
Сообщения
2,406
Реакции
1,051
Репутация
70
Предупреждений
1
Всë ясно! – те динамики (и АС на их базе) спасут только последовательные фильтры (нулевого порядка). Но лазерные бокорезы помогут даже быстрее...
 
Регистрация
12 Ноя 2019
Сообщения
28,311
Реакции
13,622
Репутация
395
Всë ясно! – те динамики (и АС на их базе) спасут только последовательные фильтры (нулевого порядка). Но лазерные бокорезы помогут даже быстрее...
Вариант спасения от АБ, последовательный налив с нарастанием градуса налива.По итогу берем бокорезы.
 

Антон К

3 ранг
Регистрация
28 Июн 2021
Сообщения
269
Реакции
208
Репутация
22
Страна
Россия
Город
Краснодарский край
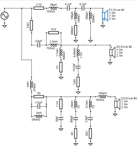
Идя на поводу у уважаемого сообщества, упростил фильтр и уменьшил на 1 дБ компенсацию бафл-степа. Пропитка подвесов сканспиков уменьшила неравномерность АЧХ и привела к необходимости немного подстроить оставшиеся режекторы. Изменения в звуке косметические. У существующего кроссовера вижу всего 1 недостаток, он состоит из 4 плат и не влазит в АС.
КРосс новый.JPG


Спойлер: щекотливо
Да, мне тоже показалось 22 мкФ как-то многовато. Но тут в сути дело, если человек услышал разницу в динамике звука переполюсованного средника и непереполюсованного, пусть даже опережающего на период, с корявой АЧХ (вроде не мой случай, тут как раз более-менее ровно вышло) то обратного пути уже нет. Отсюда же любовь некоторых граждан к 2,5 полосным конфигурациям, динамичный, пусть и несколько более грязный звук, чем у настоящей 3 полоски, заодно второй динамик бафл-степ компенсирует. Повторюсь, больше полугода выслушивал разные варианты, на АС много слушается речевых программ, пока разборчивость речи не стала лучше, чем у двухполоски, я не успокоился.

Если смущает 2 порядок фильтра, (который в теории требует переполюсовки) то могу лишь сказать, что там и с одним конденсатором спад не 1 порядка, т.к. спад самого средника добавляет. Крылов делал АС с разделом НЧ-СЧ настоящим первым порядком (акустически) когда средник вообще не подрезан снизу, и спад формируется его естественным спадом АЧХ. Для купольного не подходит по понятным причинам. Я как-то смотрел в симуляторе, что получается с АЧХ, если фильтры 2 порядка и полярность динамиков одинаковая. Можно получить АЧХ с волнами +- 2 дБ в районе стыка.
 
Регистрация
23 Июл 2019
Сообщения
6,698
Реакции
5,274
Репутация
203
Страна
Украина
упростил фильтр
smile_1 (Простите, вырвалось)
и уменьшил на 1 дБ компенсацию бафл-степа.
Но не добавили 1дБ полке ВЧ.
У существующего кроссовера вижу всего 1 недостаток, он состоит из 4 плат и не влазит в АС.
Так, самая мелочь. _hm_
Не проблема отмультисимить. Но я ужЕ давал простую схему ФСЧ, кстати, с 6,2 Ома гасящим по входу #57 , и как-то не вижу результата своей работы...
пусть даже опережающего на период
У Вас купол СЧ тоже торчит на дециметр спереди конуса НЧ динамика?
пока разборчивость речи не стала лучше, чем у двухполоски, я не успокоился.
Показатель, однако.
Крылов делал АС с разделом НЧ-СЧ настоящим первым порядком (акустически) когда средник вообще не подрезан снизу, и спад формируется его естественным спадом АЧХ
Напаяльника мучить котейку? Пока спад формируется, ЗК - греется!
Я как-то смотрел в симуляторе, что получается с АЧХ, если фильтры 2 порядка и полярность динамиков одинаковая. Можно получить АЧХ с волнами +- 2 дБ в районе стыка.
При наезде полос друг на друга? Фильтры были с какой добротностью (имени Кого)? Учитывали ФЧХ самИх динамиков (ток в ЗК НЧ динамика отстаёт сильнее, чем в ЗК СЧ динамика, градусов так на 30)?
 
Последнее редактирование:
Регистрация
12 Ноя 2019
Сообщения
28,311
Реакции
13,622
Репутация
395
Бокорезы в руке недоуменно смотрят на меня, указывая на строчку с "упростил фильтр" , крутят у виска и таращат глаза типа: "Не, - ну ты видел?!!!"

Идя на поводу у уважаемого сообщества, упростил фильтр и уменьшил на 1 дБ компенсацию бафл-степа. Пропитка подвесов сканспиков уменьшила неравномерность АЧХ и привела к необходимости немного подстроить оставшиеся режекторы. Изменения в звуке косметические. У существующего кроссовера вижу всего 1 недостаток, он состоит из 4 плат и не влазит в АС.
Посмотреть вложение 152765


Да, мне тоже показалось 22 мкФ как-то многовато. Но тут в сути дело, если человек услышал разницу в динамике звука переполюсованного средника и непереполюсованного, пусть даже опережающего на период, с корявой АЧХ (вроде не мой случай, тут как раз более-менее ровно вышло) то обратного пути уже нет. Отсюда же любовь некоторых граждан к 2,5 полосным конфигурациям, динамичный, пусть и несколько более грязный звук, чем у настоящей 3 полоски, заодно второй динамик бафл-степ компенсирует. Повторюсь, больше полугода выслушивал разные варианты, на АС много слушается речевых программ, пока разборчивость речи не стала лучше, чем у двухполоски, я не успокоился.

Если смущает 2 порядок фильтра, (который в теории требует переполюсовки) то могу лишь сказать, что там и с одним конденсатором спад не 1 порядка, т.к. спад самого средника добавляет. Крылов делал АС с разделом НЧ-СЧ настоящим первым порядком (акустически) когда средник вообще не подрезан снизу, и спад формируется его естественным спадом АЧХ. Для купольного не подходит по понятным причинам. Я как-то смотрел в симуляторе, что получается с АЧХ, если фильтры 2 порядка и полярность динамиков одинаковая. Можно получить АЧХ с волнами +- 2 дБ в районе стыка.
+like. Навеяло шутливую картинку в Радио: на стене выставки висит схема с кучей транзисторов. резисторов и кондеров, у картины стоит понимающая публика, спорит, сомневается, восхищается, кто-то злобствует.
И я так же, смотрю до синевы в глазах, все жду АЧХ этого ведра с холодцом.
 

Антон К

3 ранг
Регистрация
28 Июн 2021
Сообщения
269
Реакции
208
Репутация
22
Страна
Россия
Город
Краснодарский край
У Вас купол СЧ тоже торчит на дециметр спереди конуса НЧ динамика?
Нет, ну судя по степу у меня средник опережает чуть меньше, чем на период. Как оно на одной плоской панели получается, где купол выступает, я сам в недоумении.
При наезде полос друг на друга?
Да, именно так. Я смотрел не конкретные динамики, а концептуально, можно ли получить более-менее ровно при спадах 2 порядка, да, можно. Особенно, если фильтры, как любит А.Б. "полуторные"т.е. низкодобротные. Но не обязательно.

Напаяльника мучить котейку? Пока спад формируется, ЗК - греется!
Концепция однако, настоящий первый дорогого стоит. Да и средник обычно децибелл на 6 чувствительнее, не так много ему достаётся. Тут скорее вопрос линейного хода. И слышно ли искажения.
Но не добавили 1дБ полке ВЧ.
Даже не тянет. Баланс средника с ВЧ хорошо слышен, с НЧ не так заметно. Да и 1 дБ...
Не проблема отмультисимить
Так пока что только фильтр на басовик пострадал, оно же всё собрано, играет...
все жду АЧХ этого ведра с холодцом.
Полная тема всяких АЧХ, даже вертикальных внеосевых. После изменений на 1 дБ не вижу смысла измерять, вряд ли что-то будет заметно, особенно на тех частотах, где изменения. Можно в уме добавить 1 дБ к диапазону 400-800. Только ниже 400 Гц тот график смотреть не стОит, ибо смущают народ эти линии, не имеющие отношения к слуховым впечатлениям. Цвет не удачно вышел, ярче всего самая плохая внеосевая на 10 градусов ниже оси СЧ-ВЧ, зелёная - по оси.
 
Регистрация
12 Ноя 2019
Сообщения
28,311
Реакции
13,622
Репутация
395
Видать, у вас дядя, как у кота Матроскина , работает на заводе Медьпровод, и у него этого провода - как гуталина.)))) На всякий пшик у вас свой личный режектор.
Скромнее нужно быть)))))))))))))))))))) Точнее, домовитой жадницей, в хорошем смысле слова.
 
Регистрация
23 Июл 2019
Сообщения
6,698
Реакции
5,274
Репутация
203
Страна
Украина
Мы ждём АЧХ каждой из полос и общую АЧХ, 4 кривые, на одном рисунке, с расстояния 70...100 см. Точка по высоте для микрофона... А Вы из какой сводили? Или - использовали две точки, по одной для каждого раздела?
Я тут занимаюсь с комнатой форумчанина*. Вот АЧХ пары АС в окнах 120; 20; 8; 3,7; 1,2 мс в 1/6 октавы (не пугайтесь поэтому):
левый окна транз.png
правый окна транзисторный.png
Здесь видно, что в какой-то момент (по ИХ - чётко через 1,15 мс) в ПК возникает лишнее отражение, дающее пичок 800 Гц и волны 2,5...4 кГц, которого нет в ЛК. Чтобы понять, что в разнице АЧХ виновата КДП, а не АС, применяя Спектралаб, надо переставить АС местами )))
Выше стыка, который 4к, комната замаскировала яму 4,5...6,5 кГц, но в минимальном окне (бурячковые кривые) она чётко видна (в точке сведЕния ямы не было...)
Блин, как же неудобно с программой без временнОго окна...
 
Последнее редактирование:

Антон К

3 ранг
Регистрация
28 Июн 2021
Сообщения
269
Реакции
208
Репутация
22
Страна
Россия
Город
Краснодарский край
Будут, при случае вытащу АС на середину комнаты, и сниму, там, где стоят, микрофоном нормально не подобраться. Использовал 2 точки, с полуметра где-то, вдали оно как-то само собой всё сходится, а вблизи на оси СЧ-ВЧ басовик слишком отдаляется. Ну а картинка с внеосевыми около 1,7 метров. 1/6 не испугать, мои графики все в 1/9. Я не замечал такого сильного влияния комнаты выше килогерца, немного сглаживает, но даже с метра если пищалку переполюсовать, например, провал больше 10 дБ всё равно будет. Я так понимаю, больше всего раздел НЧ-СЧ интересует? С СЧ-ВЧ вроде всё понятно
 
Последнее редактирование:

Динозавр

1 ранг
Регистрация
31 Янв 2023
Сообщения
2,949
Реакции
872
Репутация
52
Страна
Россия
Город
станица Пашковская
Имя
Александр
Предупреждений
3
Басовик омниполяр, СЧ и ВЧ - диполи? Может, попробовать разместить сзади вблизи ЗПМ и получить кардиоиду? Уменьшится влияние\отражение стены позади.
 

Антон К

3 ранг
Регистрация
28 Июн 2021
Сообщения
269
Реакции
208
Репутация
22
Страна
Россия
Город
Краснодарский край
Басовик омниполяр, СЧ и ВЧ - диполи?
Только ВЧ диполь. Но у средника такая диаграмма направленности, что можно вокруг него ходить, и почти не меняется.

Вот "стык" НЧ и СЧ, жаль, первое сообщение уже нельзя поправить, всё же не 900, а килогерц +-
Ниже 400 отрезано, дабы не смущать. Видно, что спады близки ко 2 порядку, широкая зона совместного излучения. Басовик чудесным образом закрывает среднику дырку на 2 КГц. Похоже, нужно усилить режектор на резонансе средника, но это не точно )
Стык НЧ СЧ.JPG
 
Регистрация
23 Июл 2019
Сообщения
6,698
Реакции
5,274
Репутация
203
Страна
Украина
спады близки ко 2 порядку, широкая зона совместного излучения. Басовик чудесным образом закрывает среднику дырку на 2 КГц. Похоже, нужно усилить режектор на резонансе средника, но это не точно )
Посмотреть вложение 152917
Первый раз вижу столь красивый стык, намеренно сведённый в неправильной полярности! _kubok_indeec
Из негативного: СЧ динамик излучает с уровнем -8дБ на частоте своего резонанса 630 Гц. Он не будет в состоянии работать с номинальной мощностью: вылетит за границы линейного смещения.
Остаётся один вопрос. Если у купольного СЧ динамика ДН = 180° по 0дБ на частотах ниже 2 кГц (по умолчанию), то зачем понадобилось вкачивать в КДП ещё и от НЧ динамика полосу аж до 1,3 кГц?? Неужели в комнате было столь пусто на голосе? Ведь сейчас от 900 до 1,3к в ДН существуют углы по вертикали, под которыми уровень прыгает до +6дБ от среднего. И оттуда прилетит очень мощно!
 
Последнее редактирование:

Антон К

3 ранг
Регистрация
28 Июн 2021
Сообщения
269
Реакции
208
Репутация
22
Страна
Россия
Город
Краснодарский край
Неужели в комнате было столь пусто на голосе? Ведь сейчас от 900 до 1,3к в ДН существуют углы по вертикали, под которыми уровень прыгает до +6дБ от среднего. И оттуда прилетит очень мощно!

Да, по оси было всё отлично, на внеосевых 800-1000 иногда немного вылазило, +6 не было, а +2+3 - да. 1,3 КГц порой даже добавить хочется, может, это мои слуховые предпочтения. Немного раздвинул НЧ и СЧ. Хорошо, что катушки с сердечниками, а то бы разорился уже на экспериментах. Заодно усёк среднику второй режектор и усилил первый. Немного поднял уровень 6-8 КГц. Незначительно изменён фильтр и добавлен 1 виток вторички в трансформаторе ВЧ. Теперь он не 8 Ом а ближе к 7. Впечатления на слух неоднозначные, хорошие записи звучат ещё лучше, но я много слушаю с Ютуба, и стал слышать специфические журчащие артефакты сжатия, раньше внимания не обращал. Кросс сейчас вот такой.
КРосс новый.JPG


СЧ ВЧ сейчас вот так стыкуется
СЧ ВЧ 90 см 15 градусов.JPG

90 см по оси СЧ-ВЧ, 15 градусов в сторону по горизонтали, то есть более-менее рабочее положение. Выше 13 КГц, как обычно, не смотрим )) Противофазу снять поленился, там скорее всего, ничего не изменилось, только, может, чуть вниз съехало.

Про мощность средника, он - последний, кто сдуется, линейный ход +- 1,25 мм, до слития жижы был нормирован на киловатт мощности свип-тона длительностью 10 мс, а уж если учесть, какое подавление его в фильтре... Никогда не видел, чтоб он хоть сколько-нибудь заметно глазу, шевелился.
 
Последнее редактирование:

Статистика форума

Темы
3,095
Сообщения
236,141
Пользователи
2,388
Новый пользователь
AlexxxV
Сверху Снизу