Германиевые УНЧ

vitamir

1 ранг
Регистрация
2 Янв 2021
Сообщения
2,115
Реакции
1,332
Репутация
71
Возраст
63
Страна
Україна
Город
Київ
Имя
Віталій
Сергію, то засипка з іншого ракурсу. Не потрібно змішувати все докупи, аби не впасти в маячню. Відповіді на задані Вами питання існують в паралельних всесвітах. Ви ж про часткові похідні чули, свого часу. І про краєві задачі матаналізу, певно, чули.
І зважте, що не гармоніками єдиними..Більше шкоди від негармонічних складових, що виникають як результат нелінійних спотворень, зокрема.
 

TigerXXXL

3 ранг
Регистрация
20 Дек 2024
Сообщения
180
Реакции
90
Репутация
3
Страна
UA
Ага. Только всё равно 20Гц-20кГц. И всё. Усилку всё равно там, пила, копьё, топор, вообще похер. Всё равно это набор синусоид разных амплитуд и частот. Без разницы.
Ага, приемущественно синусоиды......._da
Найди тут парочку синусоид. Это просто нажал на паузу случайным образом на муз сигнале.
IMG_20250222_124454705_HDR.jpgIMG_20250222_124432373_HDR.jpgIMG_20250222_124401393_HDR.jpg
 
Последнее редактирование модератором:

vitamir

1 ранг
Регистрация
2 Янв 2021
Сообщения
2,115
Реакции
1,332
Репутация
71
Возраст
63
Страна
Україна
Город
Київ
Имя
Віталій
Тигре, не тією лінійкою користувався. Правильна лінійка в даному випадку має назву аналізатор спектру
 

Святослав_

1 ранг
Регистрация
10 Июн 2021
Сообщения
7,386
Реакции
3,809
Репутация
167
Страна
Україна
Город
Бердянськ
Предупреждений
1
І зважте, що не гармоніками єдиними..Більше шкоди від негармонічних складових, що виникають як результат нелінійних спотворень, зокрема.
Так про що і мова, зокрема. Бо чомусь високий процент різко спадаючих гармонік впевнено виграє у зникаюче малих процентів гармонік.
Бо пристрій, який дає лише дві гармоніки, один процент другої, та 0,01 % третьої, дасть такий же корткий спектр інтермодуляції, непомітної на слух. Бо причина виникнення гармонік та інтермодуляції одна і та ж сама.
Взагалі повна дурня вимірювати гармоніки на резисторі, бо АС далеко не резистор, а джерело проти-ЕРС Електро Рушійної Сили.
Треба вимірювати роботу підсилювача на якийсь стандартний динамік, чи АС.
Ось тут все і видно буде.
 
Последнее редактирование:

vitamir

1 ранг
Регистрация
2 Янв 2021
Сообщения
2,115
Реакции
1,332
Репутация
71
Возраст
63
Страна
Україна
Город
Київ
Имя
Віталій
Про інтермодуляції не потрібно фантазувати, сьогодні їх досить просто вимірюють. За загальновизнаними методиками.
 

TigerXXXL

3 ранг
Регистрация
20 Дек 2024
Сообщения
180
Реакции
90
Репутация
3
Страна
UA
Про інтермодуляції не потрібно фантазувати, сьогодні їх досить просто вимірюють. За загальновизнаними методиками.
На постоянной амплитуде, в устоявшемся режиме синусами, ниочём как и кни.
 
Последнее редактирование:

Святослав_

1 ранг
Регистрация
10 Июн 2021
Сообщения
7,386
Реакции
3,809
Репутация
167
Страна
Україна
Город
Бердянськ
Предупреждений
1
Коротше кажучи, треба розробляти "тихий" потужний динамік, для тестування підсилювачів.
І відповідну методику вимірювань.
 

NEULO

1 ранг
Регистрация
14 Июл 2019
Сообщения
3,842
Реакции
1,959
Репутация
93
Возраст
52
Страна
Россия
Город
Одинцово
Предупреждений
4
будет ли разница в звучании трех усилителей, отличающихся гармониками уровнем соответственно 0,0001, 0,001 и 0,01%?
будет. непременно. Почитай мою тему про Шушурина, там описано. Разница между 0.01 и 0.001 слышна невооруженным ухом, между 0.01 и 0.0001 так же, а между 0.001 и 0.0001 уже сложно уловить- но вполне возможно. Опять же ты говоришь про "гамроники" , а надо про ИМД. Вот тут то собака и порылась. Тот самый 0.01 процентник будет иметь чудовищный уровень ИМД заметный без малейшего напряжения.
Насчёт противо- эдс. Да, у тебя допустим нет, зато у тебя выходное сопротивление здоровенное и она выделится на нём. А у ООСников- ну придёт твоя противо -ЭДС на выходное сопротивление 0 ом. И что будет? Вообще ничего, усилок её даже не заметит.

На постоянной амплитуде, в устоявшемся режиме синусами, ниочём как и кни.
болтаешь много, а практических предложений я пока не вижу. Поэтому измеряем по прежнему. И да, что значит устоявшийся режим? Это надо замеры делать только как включил усилок? Ну вот первые миллисекунды пока конденсаторы заряжаются? Вот неустоявшийся режим. В дальнейшем- любой сигнал для усилка который его не перегружает- равен устоявшемуся.
 

TigerXXXL

3 ранг
Регистрация
20 Дек 2024
Сообщения
180
Реакции
90
Репутация
3
Страна
UA
болтаешь много, а практических предложений я пока не вижу. Поэтому измеряем по прежнему.
А практические предложения должны выкатывать гении, которые утверждают, что их усилители уже идеальны, и на выходе у них тоже, что и на входе. Я лишь высказал допущение, что это может быть не так на музыкальном сигнале, и поинтересовался о наличии практических доказательств. Оказалось утверждения есть, а доказательств практических нет. После оказалось, что и синусов в муз. сигнале не видно, о наличии которых были утверждения.
 

NEULO

1 ранг
Регистрация
14 Июл 2019
Сообщения
3,842
Реакции
1,959
Репутация
93
Возраст
52
Страна
Россия
Город
Одинцово
Предупреждений
4
А практические предложения должны выкатывать гении, которые утверждают, что их усилители уже идеальны, и на выходе у них тоже, что и на входе. Я лишь высказал допущение, что это может быть не так на музыкальном сигнале, и поинтересовался о наличии практических доказательств. Оказалось утверждения есть, а доказательств практических нет. После оказалось, что и синусов в муз. сигнале не видно, о наличии которых были утверждения.
ненене. Всё немного не так. Мы пользуемся методиками измерений которые нам доступны. Ты- придумываешь разные фантастические методики которые должны оправдать существование германиевых и безоосных убожеств. Значит к тебе и вопросы. Будьте любезны предоставить методику измерений а я ей воспользуюсь с превеликим удовольствием. Нет- значит нет, и говорить не о чем.
 

Хуан Пабло

2 ранг
Регистрация
20 Янв 2024
Сообщения
346
Реакции
955
Репутация
34
Найди тут парочку синусоид. Это просто нажал на паузу случайным образом на муз сигнале.
А вы растяните развертку раз в 10 хотя бы и сами попробуйте найти, как ты говорите, импульсные сигналы, резкие фронты и т.д., которые вы себе в аргументы подтягиваете. И задумайтесь нужна ли какая-то эпическая скорость нарастания, ширина полосы и прочее.
На постоянной амплитуде, в устоявшемся режиме синусами, ниочём как и кни.
А почему вы считаете что нужна переменная амплитуда? Это все умозрительные заключения на каком-то начальном уровне.
А практические предложения должны выкатывать гении, которые утверждают, что их усилители уже идеальны, и на выходе у них тоже, что и на входе. Я лишь высказал допущение, что это может быть не так на музыкальном сигнале, и поинтересовался о наличии практических доказательств.
Вы не допущение высказали, а противопоставили этому свое мнение, что это только на синусах и т.д. В этот момент вы перешли в оппозицию и на вас легло такое же бремя доказывания, как и на Neulo. Вот у вас и спрашивают как это сделать. Ну вы же так уверены, смело так заявляете, наверное точно есть факты.
 

АВК

2 ранг
Регистрация
13 Ноя 2023
Сообщения
827
Реакции
63
Репутация
11
Возраст
67
Город
культурная столица Поволжья
Имя
дядя АЛЕКС
А кто вам сказал, что они термостабильны?
Один переход диода никогда не скомпенсирует три перехода транзисторных.
Про термостапбильность схем Беслика читал отзывы сделаваших.
Мол не греются и не плывет...

ПОЧЕМУ????

Про 1 диодлный переход - НЕ НАДО, давайте обсуждать термоТРАНЗИМТОР.
Желательно - германиевый.
Потому как внутри транзистора 2 работающих перехода и к тому же есть возможность регулировки.
И того - вполне компенсируют падения на предоконечниках
 

TigerXXXL

3 ранг
Регистрация
20 Дек 2024
Сообщения
180
Реакции
90
Репутация
3
Страна
UA
А почему вы считаете что нужна переменная амплитуда? Это все умозрительные заключения на каком-то начальном уровне.
Начальный уровень, это округлить сложную задачу до синусоид, упростить до примитивизма, и кричать с оскорблениями на форумах, о её финальном решении, без доказательств и понятия как это доказать.
 

юан8

1 ранг
Регистрация
9 Мар 2024
Сообщения
3,220
Реакции
768
Репутация
51
Страна
РФ
Город
Санкт-Петербург
Имя
Юрий
Предупреждений
2
Начальный уровень, это округлить сложную задачу до синусоид, упростить до примитивизма, и кричать с оскорблениями на форумах, о её финальном решении, без доказательств и понятия как это доказать.
предлагаю померить десятисигнальную интермодудяцию в симуляторе )))))
 

TigerXXXL

3 ранг
Регистрация
20 Дек 2024
Сообщения
180
Реакции
90
Репутация
3
Страна
UA
Вот у вас и спрашивают как это сделать. Ну вы же так уверены, смело так заявляете, наверное точно есть факты.
Нет, уверенно писали сверхлинейщики, что их усилители идеально маштабируют музыкальный сигнал. Я неуверенно поинтересовался, проверяли ли они это.

А вы растяните развертку раз в 10 хотя бы и сами попробуйте найти, как ты говорите, импульсные сигналы, резкие фронты и т.д., которые вы себе в аргументы подтягиваете. И задумайтесь нужна ли какая-то эпическая скорость нарастания, ширина полосы и прочее.
Есть более мотивирующие дела для крутить сейчас развёртку. Я её прокрутил уже много лет назад, и понял всё что интересовало.
Полоса и скорость нужна для точности, особенно для сохранения пространственной информации стерео.
 

юан8

1 ранг
Регистрация
9 Мар 2024
Сообщения
3,220
Реакции
768
Репутация
51
Страна
РФ
Город
Санкт-Петербург
Имя
Юрий
Предупреждений
2
тут лишь вопрос в том как усилок будет отрабатывать фронты импульсов музыки,хватит ли скорости оос,по идее хватит если полоса без оос более 20кгц
 

NEULO

1 ранг
Регистрация
14 Июл 2019
Сообщения
3,842
Реакции
1,959
Репутация
93
Возраст
52
Страна
Россия
Город
Одинцово
Предупреждений
4
тут лишь вопрос в том как усилок будет отрабатывать фронты импульсов музыки,хватит ли скорости оос,по идее хватит если полоса без оос более 20кгц
ну а где ты видел глубокоосник с полосой менее 20кГц? Тот же ТТ приснопаятный имеет ФТ 3МГц. А на 20кГц у него глубина ООС 92дБ. Хватит , как думаешь?

и понял всё что интересовало.
понятое не значит осознанное. к сожалению.
 

alexsan

2 ранг
Регистрация
6 Апр 2024
Сообщения
983
Реакции
210
Репутация
16
Возраст
56
Страна
Казахстан
Город
Павлодар
Имя
Александр

IDDQD

3 ранг
Регистрация
28 Янв 2023
Сообщения
231
Реакции
114
Репутация
15
Страна
Россия
Город
эНск
Имя
IDDQD
Имея небольшой и скорбный опыт возни с германием в режиме А, усомнюсь в достойной работе вашей дивной схемы. Поскольку не вижу решений по принудительной термостабилизации этих сволочных транзисторов, уплывающих током покоя от косого взгляда или легкого ветерка.
Слона то я и не приметил... :) Как видите, схемотип JLH, но с дарлингтонами да ещё без эмиттерных резисторов. Всё это не возможно без той штуки, что обведена на схеме красным. В железе (правда на кремнии) такой метод (ООС по току) работает.
 

Вложения

  • Супергерманий схема31.png
    Супергерманий схема31.png
    47.4 KB · Просмотры: 74

юан8

1 ранг
Регистрация
9 Мар 2024
Сообщения
3,220
Реакции
768
Репутация
51
Страна
РФ
Город
Санкт-Петербург
Имя
Юрий
Предупреждений
2
тут важно выбрать постоянную времени,при малой возможны искажения на нч при большой греться будет но думаю несколько секунд нормально,хотя проше профиля нарастить и не заморачиваться при мощности 10вт
 

Святослав_

1 ранг
Регистрация
10 Июн 2021
Сообщения
7,386
Реакции
3,809
Репутация
167
Страна
Україна
Город
Бердянськ
Предупреждений
1
будет. непременно. Почитай мою тему про Шушурина, там описано. Разница между 0.01 и 0.001 слышна невооруженным ухом, между 0.01 и 0.0001 так же, а между 0.001 и 0.0001 уже сложно уловить- но вполне возможно. Опять же ты говоришь про "гамроники" , а надо про ИМД. Вот тут то собака и порылась. Тот самый 0.01 процентник будет иметь чудовищный уровень ИМД заметный без малейшего напряжения.
Насчёт противо- эдс. Да, у тебя допустим нет, зато у тебя выходное сопротивление здоровенное и она выделится на нём. А у ООСников- ну придёт твоя противо -ЭДС на выходное сопротивление 0 ом. И что будет? Вообще ничего, усилок её даже не заметит.
Дык нету никаких "0" Ом в реальности. На выходе у глубокооосников.
Безоосникам пофиг на выделяющуюся на нагрузке противо-ЭДС.
А "чистым" ИТУНам - тем более.
 

NEULO

1 ранг
Регистрация
14 Июл 2019
Сообщения
3,842
Реакции
1,959
Репутация
93
Возраст
52
Страна
Россия
Город
Одинцово
Предупреждений
4
Дык нету никаких "0" Ом в реальности. На выходе у глубокооосников.
Безоосникам пофиг на выделяющуюся на нагрузке противо-ЭДС.
А "чистым" ИТУНам - тем более.
Да конечно нету. У меня товарищ один в своём усилке настроил вых сопротивление на -0.07ом. Минус это не тире. Это минус. Так что нет препятствий патриотам.
 

IDDQD

3 ранг
Регистрация
28 Янв 2023
Сообщения
231
Реакции
114
Репутация
15
Страна
Россия
Город
эНск
Имя
IDDQD
тут важно выбрать постоянную времени,при малой возможны искажения на нч
Здесь управляемый ИТ работает не один, а совместно с вольтдобавкой. Резистор на котором поддерживается постоянный ток - 75 Ом (R16), поэтому такой большой номинал С18, иначе на НЧ токи выходников не совсем синусоидальные. Правда, всё это происходит на максимальном размахе выходного напряжения когда ИТ закрывается и за всё отдувается вольтдобавка (так что размер ёмкости решает).
Ну и само собой, подобный ВК я создавал не для того чтоб использовать германиевые транзисторы, а вот для такого, что на мой взгляд более актуально, поскольку мосфеты дёшевы и доступны. Здесь выход УН с антиклипом (это приниципиально важно для этого ВК) и выхлоп на n-канальных мосфетах.
 

Вложения

  • Мосфет_выхлоп.png
    Мосфет_выхлоп.png
    39.9 KB · Просмотры: 59
Последнее редактирование:

Samodelkin

2 ранг
Регистрация
2 Дек 2022
Сообщения
694
Реакции
304
Репутация
27
Возраст
72
Страна
Россия
Город
Зеленоград
Имя
Андрей
Всё это не возможно без той штуки, что обведена на схеме красным.
Полезная штука, китайцы в некоторых вариантах JLH такое
на п.п. давно ставят.
Но мне при макетировании\прослушке понравился больше вариант
с классическим источником\зеркалом тока - вместо верхних токозадающих резисторов.
Два транзистора, один из которых - на\в радиаторе.
А зависимость этого узла от пульсаций(+фона на выходе) решается
простым источником тока на полевике - который на общей шине сидит.
 

TigerXXXL

3 ранг
Регистрация
20 Дек 2024
Сообщения
180
Реакции
90
Репутация
3
Страна
UA
А у ООСников- ну придёт твоя противо -ЭДС на выходное сопротивление 0 ом. И что будет? Вообще ничего, усилок её даже не заметит.
Сначало прийдёт, усилок её заметит, через ос и её временной лаг усь отработает, о тогда появятся заветные 0 ом. А во время лага ос, усь очень короткое время будет безосник.
 

NEULO

1 ранг
Регистрация
14 Июл 2019
Сообщения
3,842
Реакции
1,959
Репутация
93
Возраст
52
Страна
Россия
Город
Одинцово
Предупреждений
4
Сначало прийдёт, усилок её заметит, через ос и её временной лаг усь отработает, о тогда появятся заветные 0 ом. А во время лага ос, усь очень короткое время будет безосник.
При включении онли. Никакого лага не будет, усилок работает в линейном режиме, транзисторы не насыщаются и в отсечку не попадают. Ты блин как вчера родился.
 

TigerXXXL

3 ранг
Регистрация
20 Дек 2024
Сообщения
180
Реакции
90
Репутация
3
Страна
UA
При включении онли. Никакого лага не будет, усилок работает в линейном режиме, транзисторы не насыщаются и в отсечку не попадают. Ты блин как вчера родился.
0 ом это благодаря ос, которая не является мнгновенной. Подцепи к выходу осциллограф в ждущем режиме, и долбани по выходу пъезозажигалкой. Увидишь 0 ом, или безосник.
 

Алексей1

2 ранг
Регистрация
20 Дек 2022
Сообщения
964
Реакции
717
Репутация
40
Предупреждений
12
предлагаю померить десятисигнальную интермодудяцию в симуляторе )))))
Отсутствие образования приводит к необходимости составлять таблицу умножения с помощью счётных палочек.
Точно так же, безграмотность в физике заставляет проверять принцип суперпозиции.
Его не надо проверять, он 400 лет назад открыт и беспрерывно подтверждается.
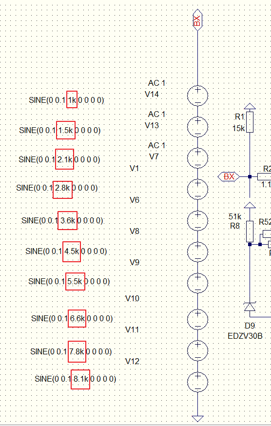
Вот ещё одна демонстрация принципа суперпозиции:

сигнал, полный аналог музыкального:
сигнал.png



получен с помощью десяти генераторов не кратных частот:
ген.png


спектры, вход и выход (входной сигнал умножен на коэффициент усиления усилителя для равенства амплитуды):
вх вых.png
 
Регистрация
12 Ноя 2019
Сообщения
28,311
Реакции
13,622
Репутация
395
Слона то я и не приметил... :) Как видите, схемотип JLH, но с дарлингтонами да ещё без эмиттерных резисторов. Всё это не возможно без той штуки, что обведена на схеме красным. В железе (правда на кремнии) такой метод (ООС по току) работает.
Увидеть слона на потолке не проще. чем найти черную кошку в темной комнате. вы правы. Не увидел второпях . Такие вот торопя у меня, невнимательные))))
К тому же ваш куррент стабилизейшен работает по уменьшению тока драйверного транзистора, такой способ мне пока не знаком, у меня отбирается ток базы нижнего выходника.
 

юан8

1 ранг
Регистрация
9 Мар 2024
Сообщения
3,220
Реакции
768
Репутация
51
Страна
РФ
Город
Санкт-Петербург
Имя
Юрий
Предупреждений
2
ну ,я так и думал,это тигру подобие музыки создать
но все равно синусы эти не возникают мгновенно,есть первая волна и переходной процесс,его не измерить разве что меандр на вч,позволит судить о быстродействии
 

Статистика форума

Темы
3,095
Сообщения
236,211
Пользователи
2,388
Новый пользователь
AlexxxV
Сверху Снизу