Германиевые УНЧ

Лампочки накаливания я ставил с 80х годов в стабилизаторы, параллельно транзистору.
Делает режим работы стабилизатора чуть более "импульсным" :-)
Немного повышает КПД.

Но мы тут начали обсуждать УСИЛЯТОРЬНЫИ возможности лампочки Ильича.

вот в журнале ЮТ за ..... вроде как 1969 или 68 годы было, как наклейкой на колбу фольги сделать из лампы некоторый аналог диёда....

Так чО даёшь усиляторь на люстре :-)
 
Лайфхак для владельцев винтажного Хрюндика- ограничитель пускового тока выходных транзисторов\задержка.
Спасает выходные транзисторы от импульса тока при зарядке конденсаторов. (Взамен балластного резистора можно использовать лампочку накаливания):
UGjCoK3.jpeg
 
Последнее редактирование:
Взамен балластного резистора можно использовать лампочку накаливания
в первичку силового трансформатора для зарядки автомобильного АКБ - 100Вт Е27 на ВАГО сажаю, один диод на вторичку (аля "десульфатация"). Кода потухнет - зарядился.
Галоген 100Вт 12в можно на вторичку (тоже шунт, всегда есть в гараже). По токам там (ваттам) это не точно (Ома применить)
 
А что такого интересного в Лидере? Мне кажется этот усилитель хоть звёзды и не хватает, но поинтересней будет.
 

Вложения

  • Снимок_2020_01_11_20_11_36_51.png
    Снимок_2020_01_11_20_11_36_51.png
    127.3 KB · Просмотры: 161
А что такого интересного в Лидере? Мне кажется этот усилитель хоть звёзды и не хватает, но поинтересней будет.
этот ... просто УХУДШЕННЫЙ Лидер.

А Лидер... да вобщем то обычный Лин. Бывал и германиевым, бывал и кремниевым.
У меня просто ностальгия к ним.
У других ностальгия к другим древним агрегатам.
Кстати, сегодня симульнул Лидер206 с 8 Ом нагрузом.
0,1% искажений.
КВАЗИ....
Простейший...
 
И чем он хуже Лидера 206 или Лидера 303?
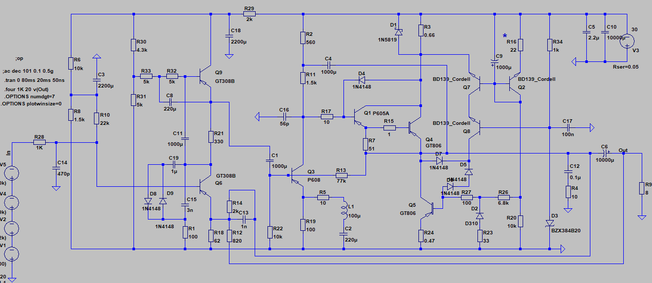
Это схема Ческого усилителя. Вых мощность 12вт. Чувствительность 0,5в. Входное сопротивление 100к. Коэф. гармоник менее 1%. Нагрузка 4 - 8ом.

Как пример:
Схема реализована в железе и отслушана. Все работает. (схема взята с ютуба)
 

Вложения

  • Снимок_2022_01_28_17_15_53_804.png
    Снимок_2022_01_28_17_15_53_804.png
    322.3 KB · Просмотры: 185
Последнее редактирование:
А, кажется я понимаю
Сегмент рынка развлечений и досуга: DIY, hand made, home laboratory (Электронный конструктор PINLAB 7096 Лаборатория. Основы электроники для детей и взрослых / 37 схем, без пайки / Набор опытов и экспериментов)))....

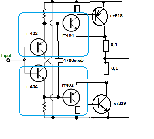
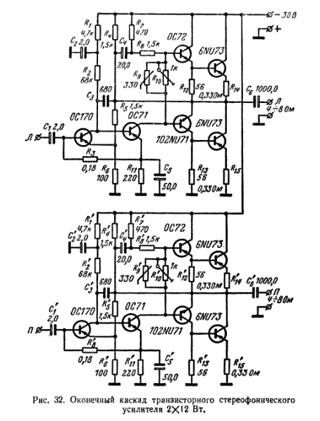
Первый германиевый усилитель для воспроизведения грамзаписи (Пенсильванский ун-т, США, 1955 г.)
Документ RCA (1959 г.) с тремя схемами усилителей: на транзисторах одной проводимости с фазоинверсным каскадом, квазикомплементарный (Лина) и комплементарный.
Первый ? коммерческий усилитель на германиевых транзисторах в США (1961 г.)
Transis-Tronics TECH S-15
проблемы с надежностью и возвратами для ремонта (как упоминалось в OP) привели компанию к краху
12019084975_d76076ba28_o.jpgSCAN0132a.png


Кто здесь спрашивал германиевый пред? -1956 http://web.archive.org/web/20080221051908/http://users.arczip.com/rmcgarra2/fisher.html

fisherschematic.gif

 
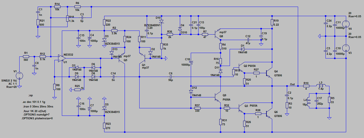
Хочу внести ясность: тема про ГЕРМАНИЕВЫЕ унч, а значит не надо сюда приходить с мерками и возможностями кремниевых унч. Да все знают достоинства и недостатки германия, от этого и пляшем. Очень хорошо было бы не хаить германий, а взяв за основу одну из удачных схем прошлого, усовершенствовать и или доработать учитывая современные подходы в схемотехнике. Пусть это будет из разряда творчества: то есть что сегодня можно достичь на германии. И что в этом плохого? Трата времени? А на что мы его только не тратим. За кружкой пива то же тратим драгоценное время, но ни кто не возмущается целесообразно или нет. Любой опыт даже отрицательный имеет свой +. В Чешском усилителе в УН работают 2 рнр транзистора с хорошм h21 и граничной частотой. Обычно в таких усилителях используют связку нрн+рнр, но нрн с хорошим h21 и граничной частотой не существует их вообще мало. Возможно в усилителе что то не так с режимами. Но взяв за основу эту схему и усовершенствовав УН и ВК можно получить не плохие характеристики для ГЕРМАНИЕВОГО унч. Место OC170 можно применить ГТ308Г,В (ГТ322Г,В). Место OC71 применить П609Б,А или ГТ321В. В фазоинвертре ГТ404 и ГТ402.
Ну а если всё, что я написал ерунда, то тогда зачем вообще создали этот форум про германиевые унч.
 

Вложения

  • Снимок_2020_01_11_20_11_36_51.png
    Снимок_2020_01_11_20_11_36_51.png
    127.3 KB · Просмотры: 118
вот еще для коллекции
 

Вложения

  • герм +полевики.png
    герм +полевики.png
    26.6 KB · Просмотры: 94
попробуй ТПА вот так включить.
нет у меня сейчас тпа
я же тебе говорю,тот же самый повторитель при половине на выходе(смещение) те малых искажениях уже не звучит,а вот при меньшем напряжении -чуть менее половины,когда большая вторая гармоника звук отличный чуть чуть ниже уже грязь те надо чуть чуть второй гармоники 1...2% НЕ БОЛЬШЕ! при отсутствии 3й и более высоких
аналогично и лампа работает 3я и высшие гармошки -90...100дб,а вторая -50дб
ЗЫ например та же АВВА звучит грязно через тра,а вот лампа и повторитель преображают звук,маскируют грязь от винила и тд,на новых записях(современных цифровых) разницы почти нет ,и там и там чисто
 
Последнее редактирование:
ЗЫ например та же АВВА звучит грязно через тра,а вот лампа и повторитель преображают звук,маскируют грязь от винила...
В 1992 и 1993 выходил ремастер (от издателя который выпускал винил) на CD "ABBA Gold" и "More ABBA Gold", и по счастливой случайности рипы этих дисков в формате флак, доступны на руторе. А слушать непонятные винилрипы такое себе...

а взяв за основу одну из удачных схем прошлого, усовершенствовать и или доработать учитывая современные подходы в схемотехнике.
Нет удачных схем прошлого, приходится самому рисовать _hm_
 

Вложения

  • Германий супер А.png
    Германий супер А.png
    43.1 KB · Просмотры: 140
  • Супергерманий схема2.png
    Супергерманий схема2.png
    37 KB · Просмотры: 136
  • Супергерманий схема3.png
    Супергерманий схема3.png
    38 KB · Просмотры: 139
И какая из этих схем была реализована в железе? И измерена в железе, а не симулятором?
 
А что такого интересного в Лидере? Мне кажется этот усилитель хоть звёзды и не хватает, но поинтересней будет.
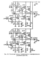
Года полтора назад собрал унч по по почти такой схеме ,звучит получше беслика.
 
Года два назад собрал ЧХ на Германии+ОУ на входе, по мне так звучит очень прилично, собрано два комплекта, один на даче, другой дома радует.
 
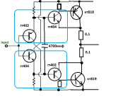
Там же в одном плече дарлингтон, а в другом - шиклаи.
клипинг не страшен,страшно переключение со ступенькой,тк порог открывания у шиклаи 0,65в а у дарлингтона 1,3в ,поэтому ставим в шиклаи первый транзистор кремний а в дарлингтон два германия,к тому же нет вч высоковольтного германца а кремния хоть жопой,,,,))))
я бы вот так попробовал вк сделать
 

Вложения

  • параллельник шикл.png
    параллельник шикл.png
    24.7 KB · Просмотры: 96
я бы вот так попробовал вк сделать
І стати адептом секти Свідків Білого Диму.
Це безглуздя працюватиме доти, доки вихідники в парах Шиклаї не почнуть закриватись під впливом струму в навантаження, переходчи в режим класу АВ. ДумайТЕ.
 
Последнее редактирование:
Из этой логики надо Шиклая - кремниевого, а Дарлингтона - германиевого.
 
Ті, хто товаршує з логікою, давно відмовидлись від Шиклаї на виході. Вони перейшли на трійку від Локанті.
А ГЕ здали в музей.
 
Из этой логики надо Шиклая - кремниевого, а Дарлингтона - германиевого.
у шиклая достаточно первый транзистор кремниевым сделать, а выходники два германия
кт602б+гт806 и п609(605А)+гт806 например
 
Из этой логики надо Шиклая - кремниевого, а Дарлингтона - германиевого.
Из нормальной техно-схемо-логики самая разумная
схема на Ger-манских транзисторах - с раскачкой их трансом.
Ну или городить "Цирк".
P.S. До сих пор так и не попробовал его в железе.
Но может на следующей зиме "руки дойдут".
 
схема на Ger-манских транзисторах - с раскачкой их трансом.
там ОЭ что тоже не айс для вч тк оос приличную не сделать
поэтому германцам место в нч канале с биампингом ,если не в музее)))
 

Статистика форума

Темы
3,314
Сообщения
264,496
Пользователи
2,550
Новый пользователь
Александр Н.
Назад
Сверху Снизу