Гибрид из усилителя Агеева и не только

Сергей Z

1 ранг
Регистрация
14 Мар 2020
Сообщения
4,887
Реакции
1,088
Репутация
85
Страна
Россия
Значит, буду долбить тебя вопросами в телефон, если по лампам возникнут непонятки.
А давай. Может и я что новое узнаю.

Кстати, следующим кандидатом в драйвер скорее всего будет 6Н9С с запараллеленными половинками.

Сейчас звук несколько резковат. Для начала уберу батарейки из сеток и сделаю смещение регулируемым. Чтобы на спектралабе было что крутить. Эта 6Н7С с очень близкими половинками. Нашлась одна из давно отобранных примерно из ведра. Куда остальные отобранные подевались не представляю.
 
Последнее редактирование:

Сергей Z

1 ранг
Регистрация
14 Мар 2020
Сообщения
4,887
Реакции
1,088
Репутация
85
Страна
Россия
У тебя впереди масса времени на игры с лампами и вслушивания с последующим " опять не то!"
Время ограничено другими делами.
Твой намек на 6С7Б понял. Тоже вполне может быть. 6Н9С с октальным цоколем, в него можно воткнуть и МЭЛЗовскую восьмеру. Просто есть пара штук 52-го года рождения. Ну как их не попробовать?
В следующие выходные будет чем заняться.
 

Сергей Z

1 ранг
Регистрация
14 Мар 2020
Сообщения
4,887
Реакции
1,088
Репутация
85
Страна
Россия
Продолжу о драйвере к гибриднику.
Драйвер на 6Н7С с одиночными триодами и батарейкой в сетке не пошел. Пел тоненько, прозрачно, звонко, при этом динамично, но один хрен - канарейка!
На неделе удалось раскопать вторую лампу с одинаковыми триодами внутри, я рад. Собрал вариант на двух лампах с половинками включенными параллельно и без батареек. Совсем другое дело - визжать перестал!
Режим: на анодах 300 В, смещение 4 В (чуть больше, точнее завтра), ток 10 мА, питание 500 В, в аноде резистор 20 кОм.
Не напрасно я хотел пробовать семерку - хороша!
Понятно, надо таки спектр посмотреть, промерить, может быть подстроить, но уже и так весьма достойно получилось.
Самое сложное найти пару ламп с одинаковыми половинками.
 
Последнее редактирование:

Сергей Z

1 ранг
Регистрация
14 Мар 2020
Сообщения
4,887
Реакции
1,088
Репутация
85
Страна
Россия

Сергей Z

1 ранг
Регистрация
14 Мар 2020
Сообщения
4,887
Реакции
1,088
Репутация
85
Страна
Россия
6Н7С хотел по собственным впечатлениям прошлых лет. Посему не факт, что надо ползти дальше. Пока явно нравится так.

Уточню. Я не против попробовать все о чем мы с тобой говорили, ибо интересно. Только где столько времени для этого найти?

Кстати, эти конкретные лампочки, что сейчас стоят, при 300 В на анодах слегка зашуршали и могут отойти в мир иной, а других нет. Видимо надо импорт искать пока не знаю где.
 
Последнее редактирование:

Lyuber

2 ранг
Регистрация
15 Ноя 2023
Сообщения
1,183
Реакции
77
Репутация
14
Страна
РФ
Город
Люберцы
Предупреждений
8
Линсли Худ на латералах ,
exp2.gif

Из "Японо мать", поинтересней.
 
Регистрация
23 Май 2020
Сообщения
2,388
Реакции
1,049
Репутация
70
Предупреждений
1
exp2.gif

Из "Японо мать", поинтересней.
Простите, а можно ли для улучшения моего менталитетного здоровья добавить столь любимую почти всеми ОС с выхода унч на его вход – чтобы лучше слышать музыку ан@-л0говых нулей? Целых два трансформатора и три диодных моста Греца – это для звука сила и польза! В Стране восходящего Солнца принято усилители слушать как есть – в естестве, то есть без ОС, как в Саду кремниевых камней...
 
Последнее редактирование:

Lyuber

2 ранг
Регистрация
15 Ноя 2023
Сообщения
1,183
Реакции
77
Репутация
14
Страна
РФ
Город
Люберцы
Предупреждений
8
Целых два трансформатора и три диодных моста Греца – это для звука сила и польза!
КРЕНки - на силу, параллельный в слаботочку.
И ВСЁ на печатной плате делать надо (ещё "плюшка" электролиты перед потребителем в 1 случае - поменьше, во втором, вообще, отсутствуют).
Схему перетрясти надо, 1К на землю, после ДК - это жесть.
 
Последнее редактирование:

Андрей63

3 ранг
Регистрация
2 Ноя 2023
Сообщения
256
Реакции
80
Репутация
11
Возраст
62
Страна
Россия
Город
Владимир
Имя
Андрей
Мне вот непонятно, цепь с переменного резистора VR2 в затворы является какой ОС , положительной или отрицательной, и видимо резисторы со стоков в 1 кОм нужны , что бы всё это не звенело.
 
Регистрация
12 Ноя 2019
Сообщения
28,303
Реакции
13,620
Репутация
395
Да, это без ОООС на советских транзисторах, на хороших ещё раза в 2 упадёт. Катодный повторитель перед параллельным усилителем творит чудеса. Я знаю, что многие им брезгуют, якобы он там что-то портит, но здесь КП как раз на своём месте. В планах сделать межкаскадный трансформатор, сейчас пока что через разделительный конденсатор работает. +-50 вольт это какая-то умопомрачительная мощность
Боюсь, межкаскадник зазвенит на входной емкости параллельника, со всеми вытекающими. В отличие от не знающего таких проблем катодника с кипятильником в катоде.
 

Сергей Z

1 ранг
Регистрация
14 Мар 2020
Сообщения
4,887
Реакции
1,088
Репутация
85
Страна
Россия
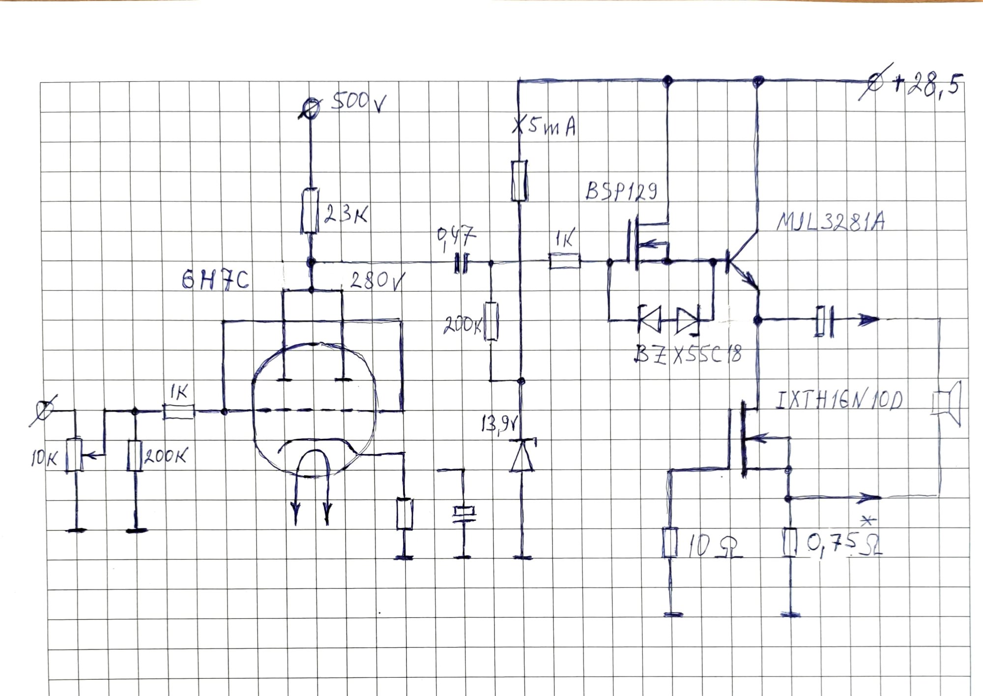
А у меня пока вот такой гибридос играет:
IMG_20250729_132604.jpg
Не факт что останется без изменений, но пока не надоел.
Я тут даже попытался вчера измерилку спектралабовскую собрать, звуковуху внешнюю достал, провода правда не все, но найдутся. Потому что спектр глядеть надо.
Собственно схемку нарисовал шоб режимчики всего на ней понаписать. Пока не успел.
 
Последнее редактирование:

Э. Машкин

2 ранг
Регистрация
23 Дек 2024
Сообщения
348
Реакции
224
Репутация
9
А у меня пока вот такой гибридос играет:
Посмотреть вложение 144962
Не факт что останется без изменений, но пока не надоел.
Я тут даже попытался вчера измерилку спектралабовскую собрать, звуковуху внешнюю достал, провода правда не все, но найдутся. Потому что спектр глядеть надо.
Собственно схемку нарисовал шоб режимчики всего на ней понаписать. Пока не успел.
Другие лампы в нём не пробовали, 6С2С например?
 

Сергей Z

1 ранг
Регистрация
14 Мар 2020
Сообщения
4,887
Реакции
1,088
Репутация
85
Страна
Россия
Не пробовал. Эта первая. Есть еще ранее здесь работавший драйвер на 6С15П. Его тоже надо спектралабом посмотреть.
 

Э. Машкин

2 ранг
Регистрация
23 Дек 2024
Сообщения
348
Реакции
224
Репутация
9

Сергей Z

1 ранг
Регистрация
14 Мар 2020
Сообщения
4,887
Реакции
1,088
Репутация
85
Страна
Россия
Так вот же. Может быть в выходные посмотрю, но ТЕЩИН день рождения. Надо идти..
 

scamp

1 ранг
Регистрация
28 Окт 2021
Сообщения
1,704
Реакции
1,342
Репутация
68
Страна
Россия
Город
Ростов-на-Дону
Имя
Александр
Потому что спектр глядеть надо.
Да согласен посмотреть было бы интересно. Но есть одна заковырка не всегда то что красиво звучит красиво выглядит (спектр). Это уже наблюдения из жизни.
 

Э. Машкин

2 ранг
Регистрация
23 Дек 2024
Сообщения
348
Реакции
224
Репутация
9
Да согласен посмотреть было бы интересно. Но есть одна заковырка не всегда то что красиво звучит красиво выглядит (спектр). Это уже наблюдения из жизни.
Абсолютно так, но мне кажется в случае гибрида может быть полезно для сравнения с другой гибридной схемой.
 

scamp

1 ранг
Регистрация
28 Окт 2021
Сообщения
1,704
Реакции
1,342
Репутация
68
Страна
Россия
Город
Ростов-на-Дону
Имя
Александр
Да я делал три гибрида с разными повторителями и все они имели свой звук.
 

Э. Машкин

2 ранг
Регистрация
23 Дек 2024
Сообщения
348
Реакции
224
Репутация
9
Да я делал три гибрида с разными повторителями и все они имели свой звук.
А у меня повторитель один и тот же, менял разные лампы в драйвере и звук соответственно менялся. Спектры не снимал, а надо было.
 

Андрей63

3 ранг
Регистрация
2 Ноя 2023
Сообщения
256
Реакции
80
Репутация
11
Возраст
62
Страна
Россия
Город
Владимир
Имя
Андрей
Да я делал три гибрида с разными повторителями и все они имели свой звук.
Лично моё мнение по гибридным усилителя такое, повторитель ( или ещё какой каскад после драйвера ) не должен по возможности менять звучание драйверной лампы ( слушаем драйвер ), именно для этого такая схемотехника - гибридная. Другой вопрос , как этого достичь не применяя ООС, довольно сложная задача.
 

Э. Машкин

2 ранг
Регистрация
23 Дек 2024
Сообщения
348
Реакции
224
Репутация
9
Лично моё мнение по гибридным усилителя такое, повторитель ( или ещё какой каскад после драйвера ) не должен по возможности менять звучание драйверной лампы ( слушаем драйвер ), именно для этого такая схемотехника - гибридная. Другой вопрос , как этого достичь не применяя ООС, довольно сложная задача.
Так оно и есть. Я сделал такой, без оос
1753808455386.png
 
Регистрация
12 Ноя 2019
Сообщения
28,303
Реакции
13,620
Репутация
395
Не помните, сколько вольт между затворами, смещение? У меня получались недобрые цифры, около 5 -7 вольт.
 

Э. Машкин

2 ранг
Регистрация
23 Дек 2024
Сообщения
348
Реакции
224
Репутация
9

Андрей63

3 ранг
Регистрация
2 Ноя 2023
Сообщения
256
Реакции
80
Репутация
11
Возраст
62
Страна
Россия
Город
Владимир
Имя
Андрей
Не помните, сколько вольт между затворами, смещение? У меня получались недобрые цифры, около 5 -7 вольт.
Это к какой схеме вопрос? Если на IRFP транзисторах . то так и должно быть.

Так оно и есть. Я сделал такой, без оос
Ток сильно гуляет , как ноль на выходе ?

То же лет 15 - ть назад хотел выход на IRFP140, но передумал , до сих пор десяток валяется.
 

Э. Машкин

2 ранг
Регистрация
23 Дек 2024
Сообщения
348
Реакции
224
Репутация
9
Ток сильно гуляет , как ноль на выходе ?
Никаких проблем, не гуляет ни ток ни ноль.
Делал в двух экземплярах, себе и приятелю. У себя нажёг полведра транзисторов, т.к. ставил множество разных экспериментов.
Полевики очень чувствительны, коснёшься щупом осцила не туда и снова иди на ebay за новой партией. Утрирую конечно, но надо осторожно.
А у друга, года через полтора решил проверить как дела. И ничего даже подстраивать не пришлось, всё как вкопанное, как настраивал. Удивился сильно.
С тех пор уже лет 5 прошло, никаких проблем.
 
Последнее редактирование:

scamp

1 ранг
Регистрация
28 Окт 2021
Сообщения
1,704
Реакции
1,342
Репутация
68
Страна
Россия
Город
Ростов-на-Дону
Имя
Александр
Лично моё мнение по гибридным усилителя такое, повторитель ( или ещё какой каскад после драйвера ) не должен по возможности менять звучание драйверной лампы ( слушаем драйвер ), именно для этого такая схемотехника - гибридная. Другой вопрос , как этого достичь не применяя ООС, довольно сложная задача.
Да наверно вы правы, но я намерено делал разные варианты. А варианты были такие: Повторитель Агеева классический параллельник, Чуффоли и Макуро они практически одинаковы только у одного ГСТ, а у другого резистор, звук и характеристики одинаковы и третий фантом Фалькова. Из всех повторителей параллельник Агеева звучал лучше всех. Драйвер был один srpp 6н6п.
 

Сергей Z

1 ранг
Регистрация
14 Мар 2020
Сообщения
4,887
Реакции
1,088
Репутация
85
Страна
Россия
Да наверно вы правы, но я намерено делал разные варианты. А варианты были такие: Повторитель Агеева классический параллельник, Чуффоли и Макуро они практически одинаковы только у одного ГСТ, а у другого резистор, звук и характеристики одинаковы и третий фантом Фалькова.
...
Из всех повторителей параллельник Агеева звучал лучше всех. Драйвер был один srpp 6н6п.
Мне ВК Агеева не понравился. Понравился ВК С. Васянина. Класс А, ток 3 А.
Мои АС его приняли как родного. Есть динамика, есть бас. Характер звука зависит от драйвера.
После установки полевика первым транзистором появилась возможность использовать в драйвере огромное количество ламп, у меня столько времени не будет.
 

NEULO

1 ранг
Регистрация
14 Июл 2019
Сообщения
3,792
Реакции
1,946
Репутация
93
Возраст
52
Страна
Россия
Город
Одинцово
Предупреждений
4
...

Мне ВК Агеева не понравился. Понравился ВК С. Васянина. Класс А, ток 3 А.
Мои АС его приняли как родного. Есть динамика, есть бас. Характер звука зависит от драйвера.
После установки полевика первым транзистором появилась возможность использовать в драйвере огромное количество ламп, у меня столько времени не будет.
Круто конечно. 3 ампера, почти класс Б получился. И звучит хорошо и экономичен сверх меры. А мощность выходная какая ?
 

Последние сообщения

Статистика форума

Темы
3,072
Сообщения
234,886
Пользователи
2,375
Новый пользователь
Sergovlad
Сверху Снизу