Идеальный :) Push-Pull на 10-15 Вт

  • Автор темы Автор темы Alex TV
  • Дата начала Дата начала
Индустриальным конденсаторам отдают предпочтение все, кто с измерениями дружит. Таких немного.
 
Индустриальным конденсаторам отдают предпочтение все, кто с измерениями дружит. Таких немного.
Многие просто не знают что дружат, так как мануалов не читают. ;)

Индустриальные какие?
Напримет Vishay 05x-series - https://www.vishay.com/docs/28345/050-052ped-pw.pdf
 
Разряжал электролиты на 3300мкф*400в, в двухтакнике и с кенотроном так
IMG_1631.jpg

Сам заряжаеся, через 51 Ом 2 Вт
 
Последнее редактирование модератором:
Просто впаян резистор после кенотрона? Или по переменке?
 
Кен, 51 ом, Сф. Всё.

Кен, 51ом, 10мкф, дроссель 5 гн, 3300мкф.
 
Не проще для двухтактника быстрые диоды? И силовик проще, банки какие хош....

Ну тогда... Сам грешен этим. Вчера перебирал запасы, нашел 4 кенотрона 5y3gt, разных брендов, установил в корректор вместо 5ц4м, пусть будет, солить их что ли. Надо ещё в усилителе вместо 5ц3с воткнуть 5u4gt)
 
Кен - сила!
 

Вложения

  • 111.jpg
    111.jpg
    239.9 KB · Просмотры: 221
Ну тогда... Сам грешен этим. Вчера перебирал запасы, нашел 4 кенотрона 5y3gt, разных брендов, установил в корректор вместо 5ц4м, пусть будет, солить их что ли. Надо ещё в усилителе вместо 5ц3с воткнуть 5u4gt)
...контроль "выходного" напряжения необходим...
...я, как-то раз ,упустил этот момент, напруга взлетела...
 

Вложения

  • 5Ц3С.jpg
    5Ц3С.jpg
    58.3 KB · Просмотры: 116
  • 5Y3.jpg
    5Y3.jpg
    174.2 KB · Просмотры: 104
  • 5U4.jpg
    5U4.jpg
    168.1 KB · Просмотры: 109
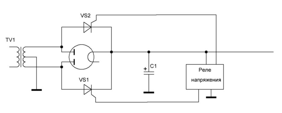
Предлагаю не диодную, а тиристорную зарядку конденсаторов большой емкости для защиты кенотронов, схему управления можно взять почти у любого тиристорного зарядного устройства.
1) Не все любят диодные выпрямители, поэтому тиристоры для зарядки конденсаторов, после зарядки тиристоры запираются и не участвуют в работе, работают только кенотроны.
2) Управление проще, чем создавать сложные схемы с различным включением диодов
Быстрая зарядка конденсаторов.GIF

P.S. Можно даже организовать плавную зарядку конденсатора на основе плавной ШИМ
 
Предлагаю не диодную, а тиристорную зарядку конденсаторов большой емкости для защиты кенотронов, схему управления можно взять почти у любого тиристорного зарядного устройства.
1) Не все любят диодные выпрямители, поэтому тиристоры для зарядки конденсаторов, после зарядки тиристоры запираются и не участвуют в работе, работают только кенотроны.
2) Управление проще, чем создавать сложные схемы с различным включением диодов
Посмотреть вложение 31824
P.S. Можно даже организовать плавную зарядку конденсатора на основе плавной ШИМ
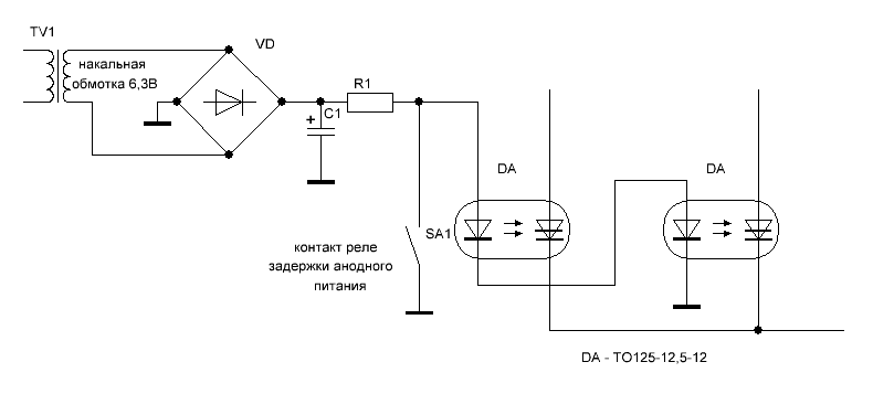
Пример, как из простого сделать непростое, с тем же эффектом :)
 
Пример, как из простого сделать непростое, с тем же эффектом :)
Мне Ваша схема с диодом понравилась тем что она проще, но есть один нюанс - нужно трансформатор с отводом для диодов, а не всегда такой есть, применение тиристоров решает эту проблему. Управление тиристоров очень простое открыт-закрыт, не надо сложных схем, пара транзисторов и все, а если применить оптотиристоры, ещё проще. Задержка на включение анодного ламп дает команду на подачу анодного, одновременно запирает тиристоры, и всё. Блин заразился этим "и все"
 
Мне Ваша схема с диодом понравилась тем что она проще, но есть один нюанс - нужно трансформатор с отводом для диодов, а не всегда такой есть, применение тиристоров решает эту проблему. Управление тиристоров очень простое открыт-закрыт, не надо сложных схем, пара транзисторов и все, а если применить оптотиристоры, ещё проще. Задержка на включение анодного ламп дает команду на подачу анодного, одновременно запирает тиристоры, и всё. Блин заразился этим "и все"
Схемка на тиристоре предполагает другой уровень знаний, повыше. И какие-то приборы.
А тут- тестера хватит.
 
Думаю, кто задержку анодного смог сделать, такое точно сможет повторить. Когда реле задержки анодного срабатывает через некоторое время, дополнительный контакт запирает оптотиристоры...
Быстрая зарядка конденсаторов 2.GIF
 
Последнее редактирование:
Это называется, как из элементарного сделать сложнонепонятое. Ни капли не выиграли...
Юрий, если Вы про схему с оптотиристорами, то тут всё просто на самом деле.
Только я бы не стал брать советские ТО, сейчас полно всяких solid state relay.
С ними работать куда приятнее, чем с электромагнитными реле.
Для меня гораздо больший лес это радиолампы с их режимами.
 
Только я бы не стал брать советские ТО, сейчас полно всяких solid state relay.
С ними работать куда приятнее, чем с электромагнитными реле.
Я уже давно профессионально не работаю с электроникой. Поэтому современных штук не знаю.
Можете нарисовать необходимые для включения и выключения лампача "реле" задержки с указанием, где можно легко и быстро купить для них комплектующие?
Да, и желательно при этом уложиться в 1000 руб.
Пара тумблеров и пара мощных резисторов у меня есть, затраты 0,00 руб. и смонтировать быстро.
 
Последнее редактирование:
Точно также, реле, тумблеры и тп все есть, еще и с 50-х годов. И радиоламп навалом...
 
Точно также, реле, тумблеры и тп все есть, еще и с 50-х годов. И радиоламп навалом...
Вот я и пытаюсь донести до сторонников прогресса мысль о том, что не всегда надо применять самые современные решения, если тоже самое можно получить подручными средствами.
Но!
Если современные твердотельные реле дёшевы и доступны.. То, пожалуйста, разъясните возможность их применения в ламповом усилителе. Я с удовольствием реализую.
Мы ведь лампы слушаем не потому что совсем ретрограды, а потому что лампы поют хорошо и при этом доступны.
 
Возможность их использования была указана выше коллегой slami
По поводу схем задержки - берёте любую с электромагнитным реле, адаптируйте под твердотельное, профессиональных знаний электроники тут ненужно.
Как с ними работать - например, здесь
Продаются в чипдипе.
Да, это дороже двух тумблеров и резисторов, но я не навязываю их использование, если нравятся тумблеры, используйте их.
 
Твердотельное на базе симисторов, нафиг-нафиг, сами применяйте.
 
На базе симисторов не пойдут, нужно именно тиристоры или оптодинисторы, потому как они будут как выпрямители работать. Посмотрел в Чип-Дипе оптроны... и облом, с высоким напряжением только ТО115-12,5-12 за 390 руб, больше ничего подходящего нет, поэтому остаются тиристоры на напряжение 1000в и более, что тоже почти нема:(.
Реле на высокое напряжение контактов тоже поискать надо...
 
Возможность их использования была указана выше коллегой slami
По поводу схем задержки - берёте любую с электромагнитным реле, адаптируйте под твердотельное, профессиональных знаний электроники тут ненужно.
Моя электроника осталась в 80-х вместе с ЕС ЭВМ и в начале 90-х с кооперативными микропроцессорными поделками. Но оптотиристоры тогда уже были.
Да, это дороже двух тумблеров и резисторов, но я не навязываю их использование, если нравятся тумблеры, используйте их.
Тумблеры проще всего, но их со временем тоже можно чем-нибудь автоматическим заменить, если усилитель приживётся.
А можно и не заменять. Ритуал включения тоже прикольно.

На базе симисторов не пойдут, нужно именно тиристоры или оптодинисторы, потому как они будут как выпрямители работать. Посмотрел в Чип-Дипе оптроны... и облом, с высоким напряжением только ТО115-12,5-12 за 390 руб, больше ничего подходящего нет, поэтому остаются тиристоры на напряжение 1000в и более, что тоже почти нема:(.
Реле на высокое напряжение контактов тоже поискать надо...
Думаю, чем искать комплектацию для автоматики, лучше собственно усилитель изготовить да послушать.
 
Монолитные оптотиристоры не популярны т. как у них проблемы с управлением индуктивной нагрузкой. Поэтому и остались в прошлом. Заменили твердотельными реле, но для инд.нагрузки они также не совсем годятся.
поэтому остаются тиристоры на напряжение 1000в и более, что тоже почти нема
Вполне доступны сегодня на любое напряжение и любой ток.
Для управления тиристором\симистором специально созданы оптодрайверы миниатюрные, стоят копейки.
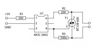
В предложенной slami схеме получаем 2 тиристора и 2 оптодрайвера, пару сопротивлений 0,25Вт.
1645427106226.jpeg
(в схеме симистор меняется на тиристор)
Дешево, надежно и проверено мной в нескольких конструкциях. Все супер-пупер световые эстрадные эффекты созданы на этой схеме.
Кстати, в дорогущих готовых оптореле применяется эта схема.

Ритуал включения тоже прикольно.
Предложите жене сменить стиральную машинку-автомат на старорежимную. Эффект прикола будет на лице.smile_33
Боязнь современного это, а не ритуал. Тратить массу сил, времени и солидные деньги на конструкцию и не сделать копеечную\простую автоматику.
 
Последнее редактирование:
slami, прекрасно знаю современную автоматику, работал.
IgorE, у меня всего полно, а релюшку с TL431 спаять, даже платы не надо, и стОит 0 рублей
 
Боязнь современного это, а не ритуал. Тратить массу сил, времени и солидные деньги на конструкцию и не сделать копеечную\простую автоматику.
Я не против недорогой автоматики из доступных комплектующих.
Тумблеры проще всего, но их со временем тоже можно чем-нибудь автоматическим заменить, если усилитель приживётся.
Прежде всего сам усилитель.
Думаю, чем искать комплектацию для автоматики, лучше собственно усилитель изготовить да послушать.
И снова о том же: лучше всего сначала сделать хороший усилитель, который захочется слушать, а потом можно и автоматику добавить.
Её также можно будет здесь же обсудить.
 
IgorE, кстати как на ГУ-50, или только на словах...
 
лучше всего сначала сделать хороший усилитель, который захочется слушать, а потом можно и автоматику добавить.
Зато на идею PP запал я :)
Сетевой тор уже пришел, ............
Сначало надо иметь готовую схему или для начала блок-схему. Не будет потом ох и ах. Или напряжения транс-ра не те или вообще некоторых обмоток не хватает. Дополнительные узлы на соплях присобачивать. Левой ногой чесать правое ухо.
Лампочек нагреб всякоразных, физически все в наличии.
Вот от этой печки и плясать. Поставлена задача 10-15Вт на выходе. Есть в наличии лампы.
Алекс может выложить перечень, а гуру предложат оптимальный вариант выходного каскада с имеющимся сил.транс-ром и выходными тран-ми.
Уже потом рассмотреть следующий шаг, чем их раскачать и какой фазоинвертор применить, какой выпрямитель..... итд итп.
20 стр. а даже блок-схемы нет.
IgorE, кстати как на ГУ-50, или только на словах...
Вначале было слово. (первая строка Евангелия)
С дуру не привык делать. В ответах была масса информации (тема была с изюменкой провокации) по вопросам дотоле мне неизвестным. Переварил(ю). Как в теме я писал, усил-ль должен быть без силового 50гц. сетевого блока питания. ИБП получается не камильфо, дороговато.....Не определился окончательно. Можно сеть + разд. транс-р. Уважаемый Карта дал направление по этому поводу.
Но самая главная проблема есно выходные тран-ры. Покупать меня жаба задавит, вручную мотать не мой метод.
Сейчас приятелю переводим токарный станок по дереву на ЧПУ - как сделаем, он мне всю токарку на моталку сделает ну и...потом будет потом.
Не в Гу50 счастье. Мне не интересно делать деланное-переделанное. Лет 20 я только оригинальные конструкции делаю. В лампах это конечно сложно, но можно. Та же автоматика, ток покоя, фазоинвертор, индикация....
 
Последнее редактирование:
Но по сути оригинального не будет. Ламповые схемы давно уже придуманы все, а напихивать туда ещё транзисторов обычно только вредно. В БП можно, в усилитель не нужно. Хотя можно какой-нибудь стабилизатор тока притулить, если захочется.
А вообще усилитель для звука делают. Музыку слушать в хорошем качестве.
 
PIC-контроллер в лампы...
Неинтересно, совсем.
 

Статистика форума

Темы
3,301
Сообщения
262,779
Пользователи
2,544
Новый пользователь
vlad'mir
Назад
Сверху Снизу