Идеальный :) Push-Pull на 10-15 Вт

  • Автор темы Автор темы Alex TV
  • Дата начала Дата начала
Но по сути оригинального не будет.
Будет.
Невозможно изобрести всё и сразу. Схема Вячеслава оригинальна на 200%. Оригинальнее и проще хрен придумаешь. +like Попробуйте лучше и проще сделать.
Быстрая зарядка конденсаторов 2.GIF
PIC-контроллер в лампы...
Кроме PIC серии существует вагон+вагон других марок и производителей. Я не спец по лампам и..... слушаю опытных гуру. Не стоит говорить о том чего не знаешь. Сегодня контроллеры от 5 лапчатых размером с блоху, до немыслимо навороченных существуют.
Ламповые схемы есно со всех сторон, вдоль и поперёк, но что запрещает сделать правильный пуск уси-ля и его выкл-е? Индикацию номинального тока на 3хцвет. св.диоде, индикацию разбаланса тока в РР, блок питания итд итп. Приятные и нужные мелочи.
Штыковая лопата весчь конечно хорошая, но мотокультиватор лучше.
 
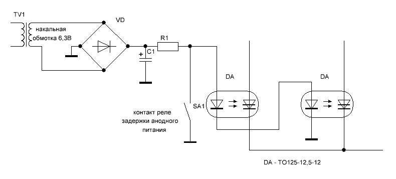
Оптроны MOC3063 не пойдут. Допустим 350В с трансформатора, амплитудное будет 350*1,41=495В, а так как выпрямитель двухполупериодный нужно умножать на 2, то есть 495*2=990В плюс 10% на колебание сети =1089В, это самый минимум без запаса. Поэтому тиристоры, оптотиристоры или оптроны нужны 1200В и более, а МОС3063 на 600В...
 
Пишет А.Резвой (темой ошибся)
Ну вот Алексу для разминки:
На 12AV5, разумеется, свои 12В.
12AV5_PP.gif

Оптроны MOC3063 не пойдут
Это пример управления.
Есть более высоковольтные.
В одном из пром. итальянских сварок встретил последовательное включение оптодрайвера. Так и сделал в одной конструкции дли ШИМ управления ВВ частью (панельки под оптодрайверы).
IMG_20220221_145313[1].jpg
 
Последнее редактирование:
У меня 6С7Б питаются от стабилизаторов, думаю это не обязательно. Хотя желательно...
 
У меня 6С7Б питаются от стабилизаторов, думаю это не обязательно. Хотя желательно...
Угу. Тут бы без стабилизации нужное анодное натянуть... А силовик доматывать не хочется.
Кстати как выглядят Ваши стабилизаторы? Схемочку увидеть можно?
Микросхемные высоковольтные стабилизаторы бывают?
 
Последнее редактирование:
О чем я и писал.
Силовой тран-р у Алекса уже на столе. А какой, что на выходе?
У Алекса не знаю. Мой точно на пределе по напруге. Но его, хоть без желания, но домотать возможно.
Какие-нибудь высоковольтные стабилизаторы нонче существуют? Желательно подобные LM317 , понятно звать их иначе будут.
 
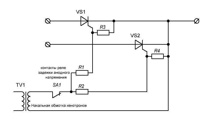
Посмотрел оптроны на 1200В дорогие и найти трудно, за то гораздо чаще попадаются промышленные тиристоры, например Т2-12, Т112-10, Т112-16, Т122-25, только нужно найти 12-й класс (на 1200В), например Т112-10-12. А так как нам не нужно регулировки мощности, то коммутация упрощается до безобразия, например от той же обмотки что питает накал кенотронов. Лучше конечно обмотку на 12В, так как напряжение срабатывания тиристора будет вызывать задержку включения и эффект от работы тиристоров может пропасть, при этом желательно в параллельно R3 и R4 включить диоды катодом к управляющему электроду. Также желательно тиристоры применять на ток 10 - 16А, так как ток удержания у них меньше 70 мА (реально меньше), это нужно чтобы тиристор сам не выключался при малом токе выпрямления.
Быстрая зарядка конденсаторов 3.GIF

P.S. Кстати, указанные выше тиристоры хорошо держат обратное напряжение переменного тока, в отличии от КУ202. Однажды ремонтировал зарядное "Кедр" в котором на КУ202 был сделан управляемый выпрямитель. При подключенном аккумуляторе, когда выдергиваешь сетевую вилку из розетки при работающей зарядке - сгорал амперметр, оказалось что в таком режиме тиристоры начинали проводить в обратном направлении как диоды:oops:, пока не отключишь аккумулятор. Такое мне попадалось лишь один раз. Заменил на Т122-25, проблема пропала.

Какие-нибудь высоковольтные стабилизаторы нонче существуют? Желательно подобные LM317 , понятно звать их иначе будут.
TL783 - 0,7A 125V, в Чип и Дипе по 180 руб
 
Выглядит приятно. Осталось узнать сколько такие тиристоры стоят в России и где их берут.

TL783 - 0,7A 125V, в Чип и Дипе по 180 руб
И на них можно сделать стабилизатор на 580 В?
Я про них почитаю. Спасибо.
И цена нравится.
 
На 580В нет, он до 125В. Можно сделать высоковольтный стабилизатор тока добавив транзистор к LM317 и любой источник на 6-12В (15В), можно нестабилизированный, для полевика 8-15В.
Стабилизатор тока.GIF


Это я про стабилизатор тока в катоде лампы, где-то схема высоковольтного стабилизатора напряжения была...
 
У меня СРПП, потому что работать на нагрузку 50 кОм будет. Если ставить резистор утечки в сетку выходной лампы 300 кОм с автосмещением, то зачем СРПП?
 
Фиксированное смещение выходных ламп просит мощного драйвера, способного тянуть достаточно низкоомную нагрузку. И такой выбор обязывает делать два разных питания, низкое выходному каскаду и повыше- драйверу. С автосмещением такая проблема отпадает, одно питание на все каскады усиления.
 
Индикацию номинального тока на 3хцвет. св.диоде, индикацию разбаланса тока в РР, блок питания итд итп. Приятные и нужные мелочи.
Радиохобби, 2004, №5, с. 55-62+№6, с. 54-57. - УМЗЧ неортодоксального аудиофила на ГУ-50/ Сергей Кубушин
 
Радиохобби, 2004, №5, с. 55-62+№6, с. 54-57. - УМЗЧ неортодоксального аудиофила на ГУ-50/ Сергей Кубушин
Сегодня, через 20лет, можно более проще в железе это сделать, применив наработки этой конструкции и подобных.
 
У меня 6С7Б питаются от стабилизаторов, думаю это не обязательно. Хотя желательно...
Александр, в дополнение к схеме фазоинвертора покажите, пожалуйста, и схему, применённого Вами стабилизатора. Поскольку применение его желательно.
 
Накал стабилизирован.
У Алекса с транса 330-340В получится, тут автосмещение не прокатит - слишком мало на анодное остаётся. Но от того-же транса можно организовать питание драйвера. Схему позже предложу.
 
Александр, стабилизирован только накал?
Если так, непонятно почему. Точнее зачем?
Полагал, что если есть возможность стабилизировать анодное, имеет смысл стабилизировать всё. По крайней мере для драйвера.
Не правильно?
 
Для продления срока службы, тем более лампы запаиваются наглухо.
 
В общем да, но можно ещё плавнее!
 
Я сначала полнакала подаю, потом полный, после предварительного подогрева.
Нужна ли в этом случае стабилизация? Сомневаюсь.
 
Я, собственно, не настаиваю, но снижение напряжения накала на 3% продлевает срок службы на 50%.
 
Читал про такое. Но здесь же питание постоянкой.
Вроде оно однохренственно. А там кто ж его знает. Верования всякие есть на сей счёт.

Может имеет смысл стабилизировать всё?
 
Кто мешает? Где смотреть, я ранее вам написал.
 
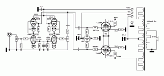
У меня по-прежнему 3-х ламповый двухтактник по любимой схеме Никиты Трошкина.
6н9с от +450в, две штуки 6п3с от +310в
 

Вложения

  • Трошкин.jpg
    Трошкин.jpg
    163.4 KB · Просмотры: 195
И на них можно сделать стабилизатор на 580 В?
Несколько высоковольтных стабилизаторов
p0001.jpgp0001.pngp0002.jpg
p0003.jpg

Ну или поступить так:
ВВ стабилизатор.GIF

Вместо источника смещения можно поставить делитель на двух резисторах
 

Статистика форума

Темы
3,301
Сообщения
262,842
Пользователи
2,544
Новый пользователь
vlad'mir
Назад
Сверху Снизу