Идеальный :) Push-Pull на 10-15 Вт

  • Автор темы Автор темы Alex TV
  • Дата начала Дата начала
Сергей, а тебе этого надо? Мне точно НЕТ, лучше от этого лампе не станет. IgorE у нас мастак, ему и карты в руки
 
Редкостное выдрючество. Что ли , лампы отменили?
Слова Несложный РР усилитель обретают зловещий оттенок. Кто нах....евертит больше, тот победил.
 
Последнее редактирование:
У меня по-прежнему 3-х ламповый двухтактник по любимой схеме Никиты Трошкина.
6н9с от +450в, две штуки 6п3с от +310в
Непонятно к чему здесь Ваш РР на 6П3С. К тому что безо всяких стабов?
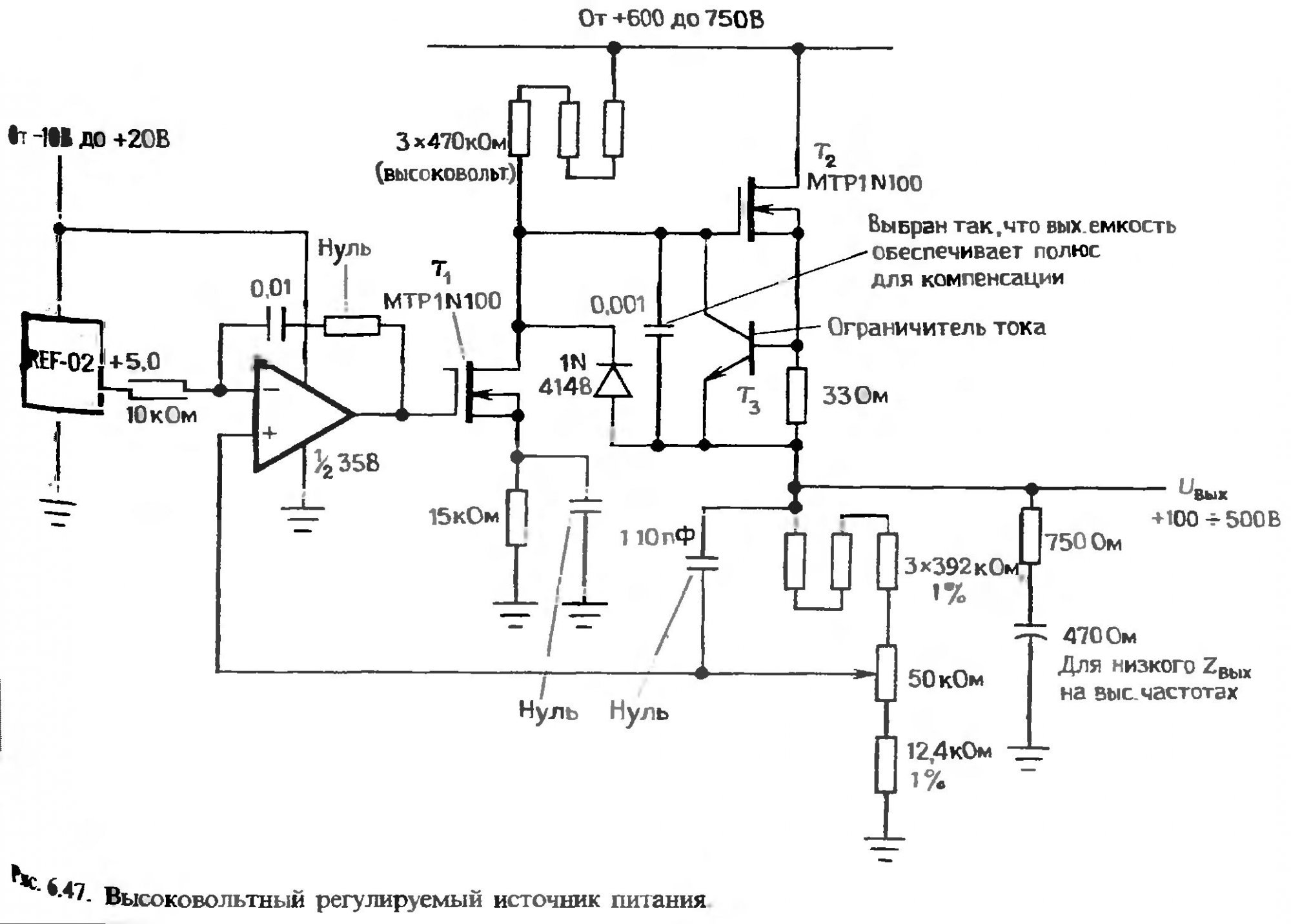
Несколько высоковольтных стабилизаторов
Посмотреть вложение 31945Посмотреть вложение 31946Посмотреть вложение 31947Посмотреть вложение 31948
Ну или поступить так:
Посмотреть вложение 31949
Вместо источника смещения можно поставить делитель на двух резисторах
Сложного стаба для драйвера не надо точно.
Совсем простой можно.
Когда-то очень давно для получения 8-ми вольт от м/сх 7805 её просто подпирали снизу стабилитроном.
А нельзя ли точно также поступить с м/сх TL783? Т.е. нужен элементарно простой стаб на 580 В, 20 - 25 мА. Кто-нибудь может предложить нужное?
Иначе получится по словам А. Бокарева.
Редкостное выдрючество. Что ли , лампы отменили?
Слова Несложный РР усилитель обретают зловещий оттенок. Кто нах....евертит больше, тот победил.
Или просто делаем безо всяких стабов. Наворачивать точно не хочется.
 
Последнее редактирование:
А нельзя ли точно также поступить с м/сх TL783? Т.е. нужен элементарно простой стаб на 580 В, 20 - 25 мА. Кто-нибудь может предложить нужное?
Иначе получится по словам А. Бокарева.
В посте 588, второй рисунок верхняя схема на LM317. Заменить стабилитрон вместо 39В параллельно микросхеме на 100В (Д817Г) для защиты от перенапряжения. А не проще на такой ток последовательно 5 шт. Д817Г и 1 шт Д817В обычный стабилизатор?
 
Ищите высоковольтные транзисторы и делайте простейший параметрик, всего делов. Или схему А. Шалина с ИТ.
 
В посте 588, второй рисунок верхняя схема на LM317. Заменить стабилитрон вместо 39В параллельно микросхеме на 100В (Д817Г) для защиты от перенапряжения. А не проще на такой ток последовательно 5 шт. Д817Г и 1 шт Д817В обычный стабилизатор?
Это уже ближе к нужному.
Т.е. - меняем LM на TL , меняем стаб 39 вольт на 100 вольт. А стаб на 5.6 В на какой?
Гирлянда из 817-х стабилитронов будет греться, каждый стабилитрон потребует радиатор и уйму места на всё.
Ищите высоковольтные транзисторы и делайте простейший параметрик, всего делов. Или схему А. Шалина с ИТ.
Параметрик понимаю - нормальный вариант, схему Шалина не помню.
Дмитрий, покажите её, пожалуйста.
 
Смотрите любой усилитель Алексея, они в сети есть. Всегда со стабами.
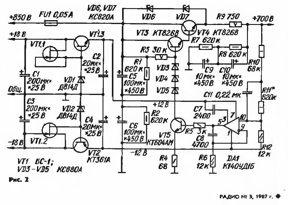
02_06.jpg
 
Смотрите любой усилитель Алексея, они в сети есть. Всегда со стабами.
02_06.jpg
Я бы из жадности дроссель за мостом сэкономил, сменял на резистор.

Это уже ближе к нужному.
Т.е. - меняем LM на TL , меняем стаб 39 вольт на 100 вольт. А стаб на 5.6 В на какой?
Гирлянда из 817-х стабилитронов будет греться, каждый стабилитрон потребует радиатор и уйму места на всё.

Параметрик понимаю - нормальный вариант, схему Шалина не помню.
Дмитрий, покажите её, пожалуйста.
Дядя Сергей. Радуга твоих вопросов ко всем одновременно вызывает сомнение , что ты вообще задумал что-то конкретное. Может , сперва с идеей определишься? Ты вообще что хотел строить. напомни. Перебираешь, мечешься между LMками и TL-ками. А тема вроде про лампы....
 
Дядя Сергей. Радуга твоих вопросов ко всем одновременно вызывает сомнение , что ты вообще задумал что-то конкретное. Может , сперва с идеей определишься? Ты вообще что хотел строить. напомни. Перебираешь, мечешься между LMками и TL-ками. А тема вроде про лампы....
Саша, я давно определился. Ты об этом прекрасно знаешь. Фото моей бумажки со схемой в теме Дмитрия о простом, универсальном, крайнем.
Сейчас я лечусь, по чуть-чуть мотаю второй РР выходник и думаю, как бы сделать стабилизированное питание самым простым и удобным способом. Пока мне больше всего нравится вариант с TL-кой. Прикрутить её через прокладку на шасси и готово дело. Поэтому интересуюсь всем касательно стабилизации. Можешь тоже чего полезного подкинуть.
Но ты ж всегда сначала покритикуешь. Ну и на здоровье!
В нужности полной стабилизации сам не уверен, но интересно, почему бы не попробовать?

Смотрите любой усилитель Алексея, они в сети есть. Всегда со стабами.
02_06.jpg

Ставишь 6п3с и вперед.
Зачем? Ты ещё 6С33С посоветуй.

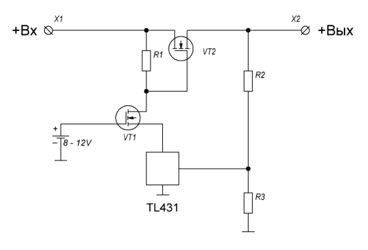
Тоже простой и симпатичный стаб. Какой сюда поставить транзистор, чтобы свыше 600 В подать можно было?
Коллеги, у нас тут кто-нибудь в транзисторах разбирается?
Или, может быть, у кого-нибудь справочник есть..
Смотрите любой усилитель Алексея, они в сети есть. Всегда со стабами.
02_06.jpg
С этим транзистором 600 В стабилизировать можно?
 
Последнее редактирование модератором:
Очень хорошо. Спасибо.
Все на 800 В. Запас по току в моём случае нужен?
Точнее не помешает?
Если серьёзно, какие лучше выбрать? С большей крутизной, с меньшим сопротивлением? Или как?
Такое впечатление, что подходят все. Просто зайти в магазин и купить из наличия.
 
Последнее редактирование:
С наименьшим проходным сопротивлением, лучше взять на 1200 Вольт и с диодом внутри, от греха.
 
А зачем везде стабы, источники тока и подобная муйня, чтобы былО для красивости?
 
А зачем везде стабы, источники тока и подобная муйня, чтобы былО для красивости?
Уж где-где, а в пушпуле стабить питание - такое видел лишь в американском преде Дайнеко .
Тема простого РРшника сползает в маниловщину.

Насчет фиксированного смещения для 12AV5 - я бы остерегся применять его. Приятели уболтали сделать фиксу в своих усилителях, после чего у них были случаи отстрела выходных ламп среди полного здоровья. Выводов не сделали, посчитали случайностью. Но осадок остался.
А вы -как знаете.

С наименьшим проходным сопротивлением, лучше взять на 1200 Вольт и с диодом внутри, от греха.
Если нет задачи ключевать могучие токи, то внутреннее сопротивление транзистора можно не учитывать.
 
Насчет фиксированного смещения для 12AV5 - я бы остерегся применять его. Приятели уболтали сделать фиксу в своих усилителях, после чего у них были случаи отстрела выходных ламп среди полного здоровья. Выводов не сделали, посчитали случайностью. Но осадок остался.
А вы -как знаете.
Можно уменьшить сеточный резистор утечки. И можно сделать комбинированное смещение.
У себя хочу стабилизаторы тока попробовать воткнуть, чтобы токи в плечах одинаковыми стали. Полезно и для безопасности.
 
Можно уменьшить сеточный резистор утечки. И можно сделать комбинированное смещение.
У себя хочу стабилизаторы тока попробовать воткнуть, чтобы токи в плечах одинаковыми стали. Полезно и для безопасности.
Можно всё. И все грибы съедобны, правда, некоторые - один раз.
Другой вопрос- кто будет делать это "всё" , если сочиняется для Сашика Титова простая и надежная схема без головняка с настройкой. А ему предлагается экзотика, понятная лишь профи.
Как прежде думал сделать свой вариант схемы. так и останусь при своём. Прибой Хрюн-Эдишен, только на 12AV5
 
Уж где-где, а в пушпуле стабить питание - такое видел лишь в американском преде Дайнеко .
Тема простого РРшника сползает в маниловщину.
Отсутствие стабилизаторов в промышленной технике не показатель ее хорошести, а показатель - "и так сойдет". В угоду экономии из изначально правильных технических решений исчезло очень многое, например, отдельная обмотка ОООС выходного трансформатора или пентодное включение ламп со стабилизацией поголовно стали менять на UL, так значительно дешевле выходило. Я не говорю об МКТ уже.
Стаб для РР в режиме АБ вообще жизненно необходим. Но "и так сойдет".
 
Вот мне и интересно дополнить ещё не сделанный РР усь, ещё не придуманным стабом.
 
В режиме А даже и не увидите, почувствуете
 
Мне кажется, тему надо переименовать в "Идеальный РР", а ободрать его как липку можно в любое время.
 
Думаю, лучше оставить как есть.
Сделаем, увидим результат, примем решение о доработках, усовершенствованиях и прочих плюшках. Тогда можно будет и о названии подумать.
 
Идеальный РР, с заморочками типа ИТ в катоде, с ООС, и тд и тп, и что получим... опять DIM.
 
Сменив тему, уперлись в понятие идеального. "И опять пошла морока- про коварный зарубеж"...
А про идеальный РРшник лучше спросите у Пети Сочинского, вот кто намахался с ними, как никто.
Зато, у него уже есть отслушанные варианты. а у нас намечается "бег по граблям-19"
 
Идеальный РР, с заморочками типа ИТ в катоде, с ООС, и тд и тп, и что получим... опять DIM.
ООС пока не планировалась.

Сменив тему, уперлись в понятие идеального. "И опять пошла морока- про коварный зарубеж"...
Идеальное вообще бывает?
А про идеальный РРшник лучше спросите у Пети Сочинского, вот кто намахался с ними, как никто.
Петра интересно было бы спросить о принятом им решении. Решил ли он делать РР или нет?
 
Насчет фиксированного смещения для 12AV5 - я бы остерегся применять его. Приятели уболтали сделать фиксу в своих усилителях, после чего у них были случаи отстрела выходных ламп среди полного здоровья. Выводов не сделали, посчитали случайностью. Но осадок остался.
А вы -как знаете.
Сань! Не хватит ему напряжения силовика на автосмещение для 12AV5, останется вольт 260-270, маловато для РР. Либо гасить придется вольт 250. Можно источники тока в катоды и на них 20в, остальное добрать фиксой. Кстати - ВАХ для 12AV5 в триоде есть? Может я просчитался по смещению?
 
Я сейчас думаю о дальнейшей реализации РР и SE усилителей.
Однотакт пока я слушаю. До момента пока не заработает РР. Потом SE планирую модернизировать.
А далее вопрос.
Хочу предусмотреть работу двух усилителей в качестве двухполосного усилителя.
При этом использовать родные фильтры АС. По идее это неправильно, но лезть в эту акустику пока не хочу.
Вопрос в том как быть в плане конструктива двухполосного усилителя. Делать его раздельными блоками СЧ-ВЧ и НЧ? Делать одним общим блоком с вынесенным БП?
Делать ли стабилизаторы питания? - в этом случае отдельный БП лучший вариант. В общем можно голову сломать.
Ещё проблема в том, что два полных усилителя со своими БП некуда поставить.
Думаю два усилителя в одном корпусе с вынесенным общим БП лучший вариант.
А тут ещё появившееся желание всё застабилизировать..
 
Последнее редактирование:
Сань! Не хватит ему напряжения силовика на автосмещение для 12AV5, останется вольт 260-270, маловато для РР. Либо гасить придется вольт 250. Можно источники тока в катоды и на них 20в, остальное добрать фиксой. Кстати - ВАХ для 12AV5 в триоде есть? Может я просчитался по смещению?
У 12AV5 смещение как у 6с4с, те же самые 65 в при 320в а-к.
 

Статистика форума

Темы
3,301
Сообщения
262,842
Пользователи
2,544
Новый пользователь
vlad'mir
Назад
Сверху Снизу