Измерение продуктов искажений УМЗЧ не выявляемых традиционными методами тестирования

Хуан Пабло

2 ранг
Регистрация
20 Янв 2024
Сообщения
335
Реакции
854
Репутация
34
к вопросу о глубокоосниках.
Усилитель Мастер глубокоОСник? И как он может качественно работать если скорость нарастания выходного напряжения у него всего 19 В/мкс. Полоса полной мощности чуть больше 100 кГц, а при малейшей емкостной нагрузке идет вразнос.
Ни в какой разнос он не идет, не надо путать реакцию выходного фильтра и неустойчивость цепи обратной связи. Сколько уже можно блуждать в трех соснах?
Полоса полной мощности даже по вашим словам превышает необходимую минимум в 4 раза. Это аудиоусилитель, а не ультразвуковая стиральная машина.
На форумах и в своих мемуарах John Curl неоднократно подчеркивал что для качества звука необходимы хорошие динамические характеристики, в частности высокая скорость нарастания выходного напряжения, не менее 100 В/мкс. Можете сделать 500 В/мкс? - тоже не помешает. Также он отзывался о соревнованиях между его ОСниками и безосниками Aure (Чарлес Хансен) и Нельсона Пасса. Отмечал также, что безОСники по субъективным оценкам часто выходили победителями.
Подчеркивал, но технически ничего обосновать не смог. Так и осталось все на уровне"одна бабка сказала", а вы активно цитируете этот пустой звон. И вот эта детсадовская гонка за скоростью нарастания в нелинейном режиме это вообще непонятная забава.
 

alexsan

2 ранг
Регистрация
6 Апр 2024
Сообщения
902
Реакции
197
Репутация
16
Возраст
56
Страна
Казахстан
Город
Павлодар
Имя
Александр

vitamir

1 ранг
Регистрация
2 Янв 2021
Сообщения
2,103
Реакции
1,272
Репутация
71
Возраст
63
Страна
Україна
Город
Київ
Имя
Віталій
Згадайте, що насправді означає послідовність літер "максимальна швидкість зміни сигнала в підсилювачеві" і який зв'язок цей параметр має з "амплітудою сигналу" і "смугою підсилення".Це також не просто послідовності літер, якщо що. Коли осягнете їх сутність, отримаєте відповідь на своє запитання
 

alexsan

2 ранг
Регистрация
6 Апр 2024
Сообщения
902
Реакции
197
Репутация
16
Возраст
56
Страна
Казахстан
Город
Павлодар
Имя
Александр
Чем выше скорость тем лучше реакция усилителя.а то что тут смершик рисовал это нагромождения а звука нет.
 

Хуан Пабло

2 ранг
Регистрация
20 Янв 2024
Сообщения
335
Реакции
854
Репутация
34
смершик рисовал это нагромождения а звука нет.
Лично слушали и проверяли? smile_1
Чем выше скорость тем лучше реакция усилителя.
Ёмкая фраза, жаль бесполезная. Потому как о скорости вы говорите, измеряя ее на прямоугольном сигнале, где уже нелинейный режим и к рабочему линейному отношения эти циферки мало имеют.
 

Petr-51

2 ранг
Регистрация
29 Дек 2023
Сообщения
625
Реакции
-67
Репутация
11
Страна
Беларусь
Город
Могилев
Имя
Александр
Предупреждений
1
у кого есть статья Otala, Matti, "Feedback-generated Phase Modulation in Audio Amplifiers," 65th Convention AES, 1980,
 

Хуан Пабло

2 ранг
Регистрация
20 Янв 2024
Сообщения
335
Реакции
854
Репутация
34

1761147950737.png


Слава, что же вы такое намеряли, сами поняли? Прямоугольник нужно смотреть до катушки, если она не охвачена ООС. Тогда вы увидите устойчивость усилителя, а не комбинированную реакцию усилителя и выходного фильтра.
 

Petr-51

2 ранг
Регистрация
29 Дек 2023
Сообщения
625
Реакции
-67
Репутация
11
Страна
Беларусь
Город
Могилев
Имя
Александр
Предупреждений
1
Слава, что же вы такое намеряли, сами поняли? Прямоугольник нужно смотреть до катушки, если она не охвачена ООС. Тогда вы увидите устойчивость усилителя, а не комбинированную реакцию усилителя и выходного фильтра.
т.е. вам дали усилитель на тестирование и вы его распотрошите и будете искать где там точка до катушки. Смотреть надо на нагрузке, "черный ящик" НЕ ТРОГАТЬ!
 

decoder

2 ранг
Регистрация
2 Фев 2023
Сообщения
198
Реакции
132
Репутация
15
Страна
РФ
Город
Барнаул
Имя
Владимир
Предупреждений
6
т.е. вам дали усилитель на тестирование и вы его распотрошите и будете искать где там точка до катушки. Смотреть надо на нагрузке, "черный ящик" НЕ ТРОГАТЬ!
Чтоб вам двигатель ваших жигулей ремонтировать не поднимая капота .
 

Хуан Пабло

2 ранг
Регистрация
20 Янв 2024
Сообщения
335
Реакции
854
Репутация
34
т.е. вам дали усилитель на тестирование и вы его распотрошите и будете искать где там точка до катушки.
На тестировании я не буду снимать прямоугольник, если это аппарат под пломбами. Это только модные аудиожурналы занимаются ерундой и еще конскую емкость вешают. Ну можете конечно им уподобиться и получить такие же осцилограммы реакции выходного фильтра, ни о чем не говорящие.
А вот если мне дали в ремонт и приспичило посмотреть прямоугольник, то я сниму там, где положено, поскольку у меня будет доступ.

Александр, вот вам яркий пример - усилитель Зита и его прямоугольник. Что он вам говорит в таком виде? Какова скорость нарастания и что вы по ней можете сказать про аппарат? Устойчив ли он?
 

alexsan

2 ранг
Регистрация
6 Апр 2024
Сообщения
902
Реакции
197
Репутация
16
Возраст
56
Страна
Казахстан
Город
Павлодар
Имя
Александр

Petr-51

2 ранг
Регистрация
29 Дек 2023
Сообщения
625
Реакции
-67
Репутация
11
Страна
Беларусь
Город
Могилев
Имя
Александр
Предупреждений
1
... технически ничего обосновать не смог. Так и осталось все на уровне"одна бабка сказала", а вы активно цитируете этот пустой звон. И вот эта детсадовская гонка за скоростью нарастания в нелинейном режиме это вообще непонятная забава.

Скорость нарастания выходного напряжения определяется как максимум функции dV/dt на выходе усилителя для очень большого входного сигнала.

Мощностная полоса пропускания определяется при заданном КНИ, обычно не более 1 процента.

Взаимосвязь мощностной полосы пропускания и скорости нарастания SR следующая:

SR = Um*2πf

где Um – пиковое напряжение.

И если усилитель линейно (без видимых искажений) усиливает большой сигнал до такой частоты, то о каком нелинейном режиме можно говорить.

в дополнение к вопросу о первом полюсе

В работе «Feedback -generated phasemodulation in audio amplifiers» Отала раскрывает необходимость иметь частоту первого полюса не ниже 20 кГц во избежание фазовой модуляции звуковых сигналов. О причинах возникновения фазовой модуляции писал и Барри Гилберт.
Об этом писал и С.Агеев предупреждая о возникновении амплитудно-фазовой конверсии.
МАСТЕР-2(BJT)_Open Loop.pngМАСТЕР-2(BJT)_Open Loop_v2.pngМАСТЕР-2(BJT)_Open Loop_v3.png

о том что якобы опровергли Боб Корделл и другие

В работе «Теория динамических интермодуляционных искажений» (The Theory of Transient Intermodulation Distortion) Отала и Лейнонен показали взаимосвязь между TIM, скоростью нарастания выходного напряжения и мощностной полосой пропускания. Авторы подчеркивают что с самого начала активного внедрения глубокой ООС в усилители отстаивалась идеология усилителей, имевших ширину рабочей полосы свыше 1 МГц в малосигнальной области, как единственных, дающих адекватное качество звучания. Но вскоре о малосигнальной области напрочь забыли, важно было получить как можно больше нулей после запятой в THD за счет все более глубокой ООС.

Именно поэтому я и проверяю качество работы моделей усилителей суммой сигналов: меандр 20 кГц пропущенный через ФНЧ 100 кГц и синус 1 МГц в соотношении 4:1. Тест напоминает тест DIM-100 только с другими частотами сигналов. Для проверки моделей усилителей с радиочастотным ФНЧ на входе его следует временно отключить.
 
Последнее редактирование:

alexsan

2 ранг
Регистрация
6 Апр 2024
Сообщения
902
Реакции
197
Репутация
16
Возраст
56
Страна
Казахстан
Город
Павлодар
Имя
Александр
А сможете в своих симуляторах прогнать сигнал от60гц до6000гц единым сигналом.
 

Petr-51

2 ранг
Регистрация
29 Дек 2023
Сообщения
625
Реакции
-67
Репутация
11
Страна
Беларусь
Город
Могилев
Имя
Александр
Предупреждений
1
А сможете в своих симуляторах прогнать сигнал от60гц до6000гц единым сигналом.
а что это может дать? можно ведь гнать по разному, с разной скоростью нарастания частоты.
 

alexsan

2 ранг
Регистрация
6 Апр 2024
Сообщения
902
Реакции
197
Репутация
16
Возраст
56
Страна
Казахстан
Город
Павлодар
Имя
Александр
единым сигналом
А это самый слышимый диапазон который ну по простому давить на уши
 

Хуан Пабло

2 ранг
Регистрация
20 Янв 2024
Сообщения
335
Реакции
854
Репутация
34
Взаимосвязь мощностной полосы пропускания и скорости нарастания SR следующая:

SR = Um*2πf

где Um – пиковое напряжение.

И если усилитель линейно (без видимых искажений) усиливает большой сигнал до такой частоты, то о каком нелинейном режиме можно говорить.
А можете привести выдержку, где Курл именно этим методом пересчитывает скорость нарастания, а не по ПХ замеряет? Я вот сильно сомневаюсь что такое имело место, а вы просто выкручиваетесь из ситуации.
Авторы подчеркивают что с самого начала активного внедрения глубокой ООС в усилители отстаивалась идеология усилителей, имевших ширину рабочей полосы свыше 1 МГц в малосигнальной области, как единственных, дающих адекватное качество звучания. Но вскоре о малосигнальной области напрочь забыли, важно было получить как больше нулей после запятой в THD за счет все более глубокой ООС.
Вот вы их сейчас за забытых героев выставляете, а обоснования рабочей полосы 1МГц нет. Пусть и дальше подчеркивают.
А подчеркивают они потому, что корректировали в основном либо местными петлями, либо общей, но все почти первым порядком за счет доминантного полюса, потому и приходилось расширяться по максимуму, чтобы на ВЧ осталось хоть что-то от петлевого усиления. Спад-то односкатный получается и хоть в лепешку расшибись.
Именно поэтому я и проверяю качество работы моделей усилителей суммой сигналов: меандр 20 кГц пропущенный через ФНЧ 100 кГц и синус 1 МГц в соотношении 4:1. Тест напоминает тест DIM-100 только с другими частотами сигналов. Для проверки моделей усилителей с радиочастотным ФНЧ на входе его следует временно отключить.
Вы так проверяете, чтобы была хоть какая-то разница, которую вы сможете выдать за откровение. Вот и пытаетесь выжать линейны искажения всеми доступными методами, желательно витиеватыми, чтобы никто не понял, что его объегорили на ровном месте. Уж извините, но это так.
 

Sergei_S

3 ранг
Регистрация
4 Мар 2024
Сообщения
220
Реакции
88
Репутация
7
Страна
Россия
Город
г.Клин
Не обращай внимания,а вот я же писал если подать сигнал 1в с частотами 60гц-6000гц разом вот тогда все будет видно на поведение усилителя.
Есть SMPTE на замер IMD,там такие же частоты.
 

vitamir

1 ранг
Регистрация
2 Янв 2021
Сообщения
2,103
Реакции
1,272
Репутация
71
Возраст
63
Страна
Україна
Город
Київ
Имя
Віталій

Petr-51

2 ранг
Регистрация
29 Дек 2023
Сообщения
625
Реакции
-67
Репутация
11
Страна
Беларусь
Город
Могилев
Имя
Александр
Предупреждений
1
Есть SMPTE на замер IMD,там такие же частоты.
Walt Jung пытался использовать такой тест в своих исследованиях ОУ. Пришел к выводу о его полной бесполезности.
Хуан Пабло, какие усилители будут лучше работать в микродинамике: глубокоОСник или безОСные гибриды?
 

Вложения

  • МАСТЕР-2(BJT)_20kHz-square&500kHz.png
    МАСТЕР-2(BJT)_20kHz-square&500kHz.png
    91.7 KB · Просмотры: 24
  • Hibrid-Bokarev_20kHz-square&500kHz.png
    Hibrid-Bokarev_20kHz-square&500kHz.png
    59.9 KB · Просмотры: 29
  • Hibrid-NIRVANA_20kHz-square&500kHz.png
    Hibrid-NIRVANA_20kHz-square&500kHz.png
    75.7 KB · Просмотры: 27
  • MuGen_20kHz-square&500kHz.png
    MuGen_20kHz-square&500kHz.png
    77.5 KB · Просмотры: 27
  • Zarathustra_20kHz-square&500kHz.png
    Zarathustra_20kHz-square&500kHz.png
    68.4 KB · Просмотры: 20
Последнее редактирование:

Хуан Пабло

2 ранг
Регистрация
20 Янв 2024
Сообщения
335
Реакции
854
Репутация
34
Хуан Пабло, какие усилители будут лучше работать в микродинамике: глубокоОСник или безОСные гибриды?
Конечно правильно выполненный глубокоосник. Но вы как раз и ожидаете от меня этого ответа, чтобы продолжить маневр нападения _hm_
У вас нет четкого определения микродинамики, поэтому вопрос становится бессмысленным. Ваши тесты с 500кГц ничего не говорят о производительности и качестве в звуковом диапазоне. Вот вам пример - усилитель вертикального отклонения осциллографа будет иметь еще меньшие линейные искажения, шире полосу и все ваши тесты на линейные искажения пройдет не закашлявшись, но уровень нелинейных искажений у него будет высоковат - главное ведь визуально чтобы не было искажений на дисплее, а это очень грубый критерий.

P.S. Александра Бокарева во фланг с конницей и чОрным квадратом запустите под отвлекающий маневр? _hm_
 

NEULO

1 ранг
Регистрация
14 Июл 2019
Сообщения
3,792
Реакции
1,926
Репутация
93
Возраст
52
Страна
Россия
Город
Одинцово
Предупреждений
4
На самом деле тестирование усилителей внеполосными сигналами занятие довольно бессмысленное, мы их не слышим, динамики их не в состоянии воспроизвести, а звуковые провода к АС- не могут проводить такие частоты без искажений из за паразитных индуктивностей и емкостей.
И вот зачем тогда такие мучения? Более того, зачем сравнивать несравнимое? Давайте ИМД сравним говённого безоосника и Мастера? И посмотрим кто кого.
 
Регистрация
23 Май 2020
Сообщения
2,384
Реакции
1,045
Репутация
70
Предупреждений
1
Дело в том, что злая комбинация внеполостных частот может выдать в чреве унч разностную составляющую, попадающую прямиком в область наибольшей чувствительности слуха (это Вы так учили). Что касается кабелей, то народ по витой паре (выдернутой из мира интернет-сигналов) умудрился ан@ло́говые ТВ сигналы метров на 20 гонять.
 

decoder

2 ранг
Регистрация
2 Фев 2023
Сообщения
198
Реакции
132
Репутация
15
Страна
РФ
Город
Барнаул
Имя
Владимир
Предупреждений
6
Дело в том, что злая комбинация внеполостных частот может выдать в чреве унч разностную составляющую, попадающую прямиком в область наибольшей чувствительности слуха
Петров за это и топит убирая входные и выходные фильтры smile_1
 

NEULO

1 ранг
Регистрация
14 Июл 2019
Сообщения
3,792
Реакции
1,926
Репутация
93
Возраст
52
Страна
Россия
Город
Одинцово
Предупреждений
4
Дело в том, что злая комбинация внеполостных частот может выдать в чреве унч разностную составляющую, попадающую прямиком в область наибольшей чувствительности слуха (это Вы так учили). Что касается кабелей, то народ по витой паре (выдернутой из мира интернет-сигналов) умудрился ан@ло́говые ТВ сигналы метров на 20 гонять.
может. согласен. но откуда она там возьмётся? ) И да она попадёт с зону где оос тоже максимальной глубины)
 

Хуан Пабло

2 ранг
Регистрация
20 Янв 2024
Сообщения
335
Реакции
854
Репутация
34
Дело в том, что злая комбинация внеполостных частот может выдать в чреве унч разностную составляющую, попадающую прямиком в область наибольшей чувствительности слуха (это Вы так учили).
Могла бы, если бы в рабочем режиме там таковые сигналы имели место, но мы слушаем аудиодиапазон. А если намек на тест 500кГц+501кГц от Жуковского, так это синтетический тест, чтобы показать в симуляторе, и к реальной жизни отношения тоже не имеет.
С другой стороны, никто не мешает смотреть такой тест в симуляторе, но ведь Александр спектр не смотрит, а только линейные искажения на ПХ визуально, ну или разностные сигналы как на бурстах.
 

decoder

2 ранг
Регистрация
2 Фев 2023
Сообщения
198
Реакции
132
Репутация
15
Страна
РФ
Город
Барнаул
Имя
Владимир
Предупреждений
6
может. согласен. но откуда она там возьмётся? ) И да она попадёт с зону где оос тоже максимальной глубины)
Убери входной фильтр и поймаешь всю грязь начиная светодиодными лампочками и компами с телевиздерами _hm_
 

Petr-51

2 ранг
Регистрация
29 Дек 2023
Сообщения
625
Реакции
-67
Репутация
11
Страна
Беларусь
Город
Могилев
Имя
Александр
Предупреждений
1
... но ведь Александр спектр не смотрит, а только линейные искажения на ПХ визуально, ну или разностные сигналы как на бурстах.
по искажениям во временной области хорошо видны все виды искажений (их уровень и спектры, в т.ч. и коммутационные которых ни в THD ни IMD нет), хотя визуально на самом сигнале мы их не видим.
 

Petr-51

2 ранг
Регистрация
29 Дек 2023
Сообщения
625
Реакции
-67
Репутация
11
Страна
Беларусь
Город
Могилев
Имя
Александр
Предупреждений
1
Петров за это и топит убирая входные и выходные фильтры smile_1
сколько можно заниматься флудом? Ты уже в который раз несешь эту чушь, если в оригинальных схемах нет никаких фильтров ни на входе ни на выходе, так я по твоему должен их дорисовывать?
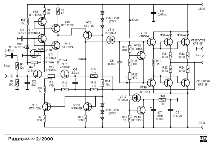
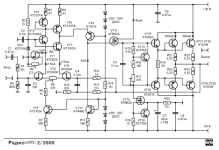
Бокарев также передал мне схему для моделирования без каких либо фильтров. Не буду забивать ветку остальными схемами.
 

Вложения

  • MuGen_SCH.png
    MuGen_SCH.png
    255.3 KB · Просмотры: 22
  • Zarathustra.gif
    Zarathustra.gif
    141.2 KB · Просмотры: 25
  • R1972-06_SCH.png
    R1972-06_SCH.png
    304.1 KB · Просмотры: 21
  • Нирвана Дм_Коржевский.JPG
    Нирвана Дм_Коржевский.JPG
    152.7 KB · Просмотры: 19
  • The End Millennium.png
    The End Millennium.png
    54.1 KB · Просмотры: 13
  • RH2000-02_Папуш.png
    RH2000-02_Папуш.png
    72.6 KB · Просмотры: 16

NEULO

1 ранг
Регистрация
14 Июл 2019
Сообщения
3,792
Реакции
1,926
Репутация
93
Возраст
52
Страна
Россия
Город
Одинцово
Предупреждений
4
если в оригинальных схемах нет никаких фильтров ни на входе ни на выходе, так я по твоему должен их дорисовывать?
Ответ на твой вопрос- "ДА" должен. С тех давних пор уровень электромагнитных помех вырос на порядки. Интернет, вифи, мобильная связь. В древние времена ничего такого просто не было.
 

Последние сообщения

Статистика форума

Темы
3,068
Сообщения
234,498
Пользователи
2,375
Новый пользователь
Sergovlad
Сверху Снизу