Микромощный высококачественный УМЗЧ для портативного/стационарного использования

Последнее редактирование:
MAX4410, 2х8 штук в параллель. Питание 5в, на каждой платке стабилизатор на 3.3в. Колонки 8 Ом играют весь диапазон.
 

Вложения

  • max4410.jpg
    max4410.jpg
    233.3 KB · Просмотры: 152
Последнее редактирование:
Если и нет, то симуляцию (Мультисим) можно запросить у автора,

Там сам ОУ Звук определяет, биполярный вход - забанить. ПП в Лайке, выбор деталей и покупка, тех. поддержка и МОРЕ повторивших.
 
Собрал в корпусе ДиВиДи. Тянет 4 Омные колонки Creative достаточно громко. Думал соседей разбужу. В наушниках при отсутствии сигнала-тишина идеальная. Каждая микросхема питается от собственного стабилизатора+небольшая по канальная развязка-дроссель_фильтр. 8х80 мВт (0,64 Вт) на канал. Встроенная защита у микросхем+балансировочные резисторы 10 Ом на выходе каждой микросхемы-КЗ не боится. Выход на 2 пары наушников+ на колонки.
DSC_8209.JPGlfnfibn.JPGDSC_8208.JPGDSC_8215.JPGDSC_8212.JPG
Теоретически можно запитать от аккумулятора 3.6/4.2В+зарядное.

Дополнение: Усилитель прекрасно работает как компьютерный, вместо активных колоночек Гениус. Звук и громкость - за глаза! Место занимает мало. Является подставкой для монитора.
 
Последнее редактирование:
Собираю усилитель на TPA2160а2. Пришли платки с Али:
fkb3333.jpg
Переставил электролит правильной полярностью, тот, что кружочком обведен. Китайцы уже лет десять упорно ставят его с ошибкой.
Включил. Играет. Нет ВЧ. Прогнал с генератора -выше 10 кГц начинается спад АЧХ. По уровню 0.775 -на частоте 12.5кГц. На 20 кГц амплитуда падает в 8 раз.
Проверил другую плату-то же самое. Конденсаторов проходных нет, в коррекции тоже нет. Что за дела?!:(
 
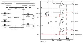
Прослушал всю тему и как понял, решение не было найдено, мифического усилителя так и не нашли. Самое удивительное, что никто не заметил, что автор отличает 0,003% и 0,005% на различных усилителях. На одном и том же уже бы не получилось. Как-то раз я участвовал в прослушке, когда одному именитому звукорежиссёру, по приколу, пять раз включали одну и ту же фонограмму с одним и тем же усилителем, просто говорили что разные фирмы и он говорил, что звучало по разному. Ну да фиг с ним. Тут промелькнула микросхема TDA7377 и тут же была незаслуженно забыта, а ведь у двух её инвертирующих каналов, особенно при нагрузке 8 ом, искажения гораздо меньше, чем в даташите. Да и для наушников она хороша.
 

Вложения

  • TDA7377_ INVERT.jpeg
    TDA7377_ INVERT.jpeg
    175.2 KB · Просмотры: 106
Прослушал всю тему и как понял, решение не было найдено, мифического усилителя так и не нашли. Самое удивительное, что никто не заметил, что автор отличает 0,003% и 0,005% на различных усилителях. На одном и том же уже бы не получилось. Как-то раз я участвовал в прослушке, когда одному именитому звукорежиссёру, по приколу, пять раз включали одну и ту же фонограмму с одним и тем же усилителем, просто говорили что разные фирмы и он говорил, что звучало по разному. Ну да фиг с ним. Тут промелькнула микросхема TDA7377 и тут же была незаслуженно забыта, а ведь у двух её инвертирующих каналов, особенно при нагрузке 8 ом, искажения гораздо меньше, чем в даташите. Да и для наушников она хороша.
Один знакомый тоже так развлекался, делая вид, что перетыкает кабели, при этом стадо аудиофилов дружно отмечало кардинальные изменения в звуке.
 
Тут промелькнула микросхема TDA7377
нормальная,звук не хуже 2050,зато без обвеса и питание проще,рекомендую ее питать от 19в(можно зарядкой ноутбука)
еще лучше тда7850 там 4 канала с полевиками на выходе,печатка на али 100руб,хороша в биампинге,кроссовер можно программный
хотя мне последнее время Д-класс зашел,с питанием от аккумуляторов 18650
литокала 5шт 30а-рные
 
Микросхемы нормально для 90х годов, тогда это был шик, но ни как не в 2025 году, все эти микрухи упрощают звук.
Простенькая схема на транзисторах лучше будет играть в разы по музыкальности.
Главное флак 24 бита или дсд однобитный через 2050, 7377 запустить и вообще от прослушки не оторвёшься :)
Ни как не пойму, это от лени происходит переход на микрухи или?
 
да акустика все решает на 90%,я в этом окончательно убедился,вполне нормально и на 7850,7377 играет,исключение только лампа ,там другой звук,с искажениями в несколько процентов,но приятными на слух
 
да акустика все решает на 90%,я в этом окончательно убедился,вполне нормально и на 7850,7377 играет,исключение только лампа ,там другой звук,с искажениями в несколько процентов,но приятными на слух
От части согласен по акустике, в дрова включать смысла нет.
Да так то конечно пойдет и микросхема, звук есть и ладно, если сильно не придираться к его качеству.
Сам раньше слушал тда2030 и лм1875 ИТУН по схеме линкор МФ2 + лампа на входе.
 
Микромощные микрухи 8002, см8600. Мостовой унч с питанием 5в. Нормально качают, качество звука сильно определяют резисторы и конденсаторы. С смд дешманом звук значительно хуже. Пробовал смд со старых брендовых автомагнитол, значительно лучше. Ещё лучше с трухольными резисторами DALE.
 
Прослушал всю тему и как понял, решение не было найдено, мифического усилителя так и не нашли. Самое удивительное, что никто не заметил, что автор отличает 0,003% и 0,005% на различных усилителях. На одном и том же уже бы не получилось. Как-то раз я участвовал в прослушке, когда одному именитому звукорежиссёру, по приколу, пять раз включали одну и ту же фонограмму с одним и тем же усилителем, просто говорили что разные фирмы и он говорил, что звучало по разному. Ну да фиг с ним. Тут промелькнула микросхема TDA7377 и тут же была незаслуженно забыта, а ведь у двух её инвертирующих каналов, особенно при нагрузке 8 ом, искажения гораздо меньше, чем в даташите. Да и для наушников она хороша.
А никто и не искал. Кроме меня. Вот так. Внимательнее надо читать.
Автор отличал усилители, а не источники сигнала, внимательный вы наш,- поэтому все и "не заметили".
7377 только с ваших слов хороша.
Про мем с оркестром за шторкой и "златоухими экспертами" все знают, а не только вы участвовали. Я ничуть не лучше или хуже чем вы-все одинаковые. Но есть нюансы.
 
А никто и не искал. Кроме меня. Вот так. Внимательнее надо читать.
Написано "Прослушал всю тему", а не прочитал. Внимательно надо читать.
Автор отличал усилители, а не источники сигнала, внимательный вы наш,- поэтому все и "не заметили".
Именно это я и написал, спасибо за повтор.
7377 только с ваших слов хороша.
Вы не правы
Про мем с оркестром за шторкой и "златоухими экспертами" все знают, а не только вы участвовали.
Я не знаю этого мема, одичал за три десятка лет в Германии, но похоже приколы с златоухими во всех странах похожи.
 
То не мем, такий натурний експеримент справді було проведено свого часу лицарями ордену AES над авдитилами і результат донесено до овдиоспільноти. Але, дехто прагне погрітись в променях чужої слави. :)
 
Именно это я и написал, спасибо за повтор.
Вы имели ввиду -я услышал разные источники на Агеевском усилителе и отличаю 0.003 от 0.005%???Вот это дааа.... У меня не было такого опыта. С чего вы так решили?! Всё же надо читать всю тему, а не прослушивать её.
Да будет вам известно, что чем "ближе" к источнику сигнала в цепочке Источник-Усилитель-Колонки, тем выше требования к снижению искажений. Поэтому Сравнивать цап с Кг 0.003 и с 0.005% бесполезно. У усилителей же есть порог заметности как раз на этих цифрах. У АС вообще в единицах %% сравнение идет-пищалка динамического типа с 1.5% очень сильно проигрывает изодинамической с 0.8% в точности передачи музыки. Хотя вроде цифры уже огромные, и тем не менее народ отличает смену ОУ в ЦАПе (при одинаковых характеристиках в даташитах) и замену конденсаторов в источнике сигнала. В эту же тему-борьба с джиттером у ЦАП и самодельные алмазные иглы для винила. А вот та же замена конденсаторов на аудиофильские в АС - эффект Плацебо.
 
Последнее редактирование:
Всё же надо читать всю тему, а не прослушивать её.
Когда Маск что-то придумает, чтобы я мог это делать, перечитаю. Пока пользуюсь этим и сторонней помощью.
Да будет вам известно, что чем "ближе" к источнику сигнала в цепочке Источник-Усилитель-Колонки, тем выше требования к снижению искажений. Поэтому Сравнивать цап с Кг 0.003 и с 0.005% бесполезно. У усилителей же есть порог заметности как раз на этих цифрах. У АС вообще в единицах %% сравнение идет-пищалка динамического типа с 1.5% очень сильно проигрывает изодинамической с 0.8% в точности передачи музыки. Хотя вроде цифры уже огромные, и тем не менее народ отличает смену ОУ в ЦАПе (при одинаковых характеристиках в даташитах) и замену конденсаторов в источнике сигнала. В эту же тему-борьба с джиттером у ЦАП и самодельные алмазные иглы для винила. А вот та же замена конденсаторов на аудиофильские в АС - эффект Плацебо.
Именно поэтому я слушаю музыку, а не проценты.
 
Последнее редактирование:
Две банки пива: https://static.chipdip.ru/lib/801/DOC004801014.pdf
TPA6211A1DGN, Аудио усилитель, класс AB, 3.1Вт, полностью дифференциальный [MSOP-PowerPAD-8]
Хороший ответ на вопрос темы, полностью отвечает теме, но он бесполезен.
1) Тема создана ради блаблабла "а поговорить?" ради обсуждения.
Свидетельство об этом - отсутствие реакции, нет даже объяснений почему это не подходит.
2) Ну две банки пива это для начала, мелкосхему можно купить, но толку от этого будет мало. Поскольку она не в корпусе DIP8 а в SMD исполнении, траха с ней будет достаточно даже несмотря на то что в datasheet всё отлично расписано и показано. Проблема с платой и деталями, слишком махонькие они. Проблема с термал-падом и дырочками в нём 0,2 мм (ну я могу сделать 0,4 может и 0,3).
Увы, готовых наборов-собранных плат на ней не нашёл.
Делать можно, но сложно. При желании - можно, пусть даже не с первой попытки и вопрос будет закрыт.
3) Относительно 3 хрипатых Вт мощности - ловкость рук и немного мошенства. Для автономного питания 5,5 В неудобно, по факту будет литий и 3,6...4 В. А это на нагрузке 8 ом будет 0,5 Вт а для 4 ом - 1 Вт. Реальный максимум без людоедских искажений.
На наушниках даже 32 ом будет не много, считать не хочу - никому не надо.
4) Ну сделаем мы усилитель 1 Вт меньше мухи, ну и толку?
Для стационарного пользования куча других вариантов, лучше поскольку не надо возиться с микродеталями, а иметь одно МИКРОустройство (даже не мини) для ношения и стационара???
Карманный приёмник (старые хрычи ещё помнят такие) это не микроустройство, туда можно запихнуть любую мелкосхему и даже кучу транзисторов, и лития натолкать. Но вот с динамиком будет проблема в любом случае. "Те самые" которые ставили в те приёмники - по звуку, пардон, какашка. А если его поставить, о каком качестве вообще речь?
Вообще хотелки - "микро" и он же "стационар" считаю странными. В стационаре два решающих преимущества:
а) питание,
б) размеры динамика, акустики.
5) TPA6211A1DGN конечно хороша, но корпус её не нравится, боюсь что это трынд такой - не делать корпус соответствующий задаче, а задача - отвести немало тепла от кристалла, который будет постоянно очень горячим.
6) При всём моём глубоком уважении к Станиславу Кузнецову, тема эта для роли капризной прынцэссы Нехачухи.
Пишет про автономность, а сам собрал халабуду:
MAX4410, 2х8 штук в параллель. Питание 5в, на каждой платке стабилизатор на 3.3в.
Про такое обычно пишут: месье знает толк в извращениях.
На мой взгляд, носимый усилитель должен быть под наушники, микродинамики ни при каких обстоятельствах хорошо звучать не смогут, а зачем тогда особокачественный усилитель???
Разве что вышел на природу, а там Танной в кустах, подключайся к нему кто хочет.
А домашний микромощный миниусилитель с НЕ батарейным питанием сделать можно.
Вот и я сделал такой, правда, для наушников 250 ом. Небольшой, хорошо звучащий, Пасс предлагает его как наушниковый и предварительный а еще для подключения к огромным Танноям с 15 дюймовыми динамиками. Как доказательство приводит фото. Вот только питание 3,3 В не годится, у Пасса и у меня оно 24 В и класс А. Класс А на батарейках в кармане - не для меня.
Ещё я сделал и вожусь с простеньким усилителем Пасса для спальни. В первом варианте Пасса - 2 Вт. Уверяю, для спальни и умеренной громкости на нормальных по чувствительности и качеству АС, вполне достаточно. Впрочем, я сделал 5 Вт, хватает не только для спальни или кухни и для АС 87 дБ.
Но снова: или что-то карманное на аккумуляторе, или стационарное, небольших размеров само, но с сетевым питанием и АС полноценного размера и качества.
Ссылки не даю - сайт Пасса найти просто, а главное - это никому не нужно и никому не интересно.
Интереснее делать на непригодных для данных целях микросхемах, которые надо параллельно включать с питанием 3 В, интересно ставить перед собой трудные задачи не имеющие нормального решения и героически преодолевать их, интересно делать что-то уникальное, не как у всех.
Понимаю. Есть идиотская поговорка у лягушатников: понять = простить. Вот я много кого понимаю, из общеизвестных - Раскольникова, например. Они прав, старушка ростовщик - вредный член общества, а ему, молодому и полезному деньги нужны. Но понять - не значит ни простить, ни оправдать, ни сделать так же...
Я понимаю Героев пытающихся сделать что-то лучше всех в мире, но поступать так не собираюсь. Но изредка взглянуть можно, почитать обсуждения, поулыбаться.
 
Пока юзал клон Баердинамик А1 с питанием от двух шуруповертных аккумуляторов 2х21в и заменой стоковых ОУ на LM4562
DSC_9062.JPG
дали на вечер послушать Fiio KA17 (верхний свисток на фото)
KA17.jpg
Честные 0.65 Вт на канал при балансном включении. Колонки раскачивает на "ура". Качество звука очень даже хорошее на мой привередливый вкус. Питания-не требуется! Работает от телефона. Я бы сказал, что на 98% соответствует шапке этой темы. 1%- что не 1-2 Вт на канал, и 1 % -на то, что собирать не надо-есть готовый в продаже.
Тему можно закрывать.
 
Честные 0.65 Вт на канал при балансном включении. Колонки раскачивает на "ура". Качество звука очень даже хорошее на мой привередливый вкус. Питания-не требуется! Работает от телефона.
батарею тоже жрет,для таких мощностей советую повторитель на гт308В+п605А с дросселем в эмиттере,класс А ,не дурно звучит даже на 2гд40 на щите 30*40см питание 5в от зарядки 2а,нагрузка параллельно транзистору,как в Чуфолли
 
дали на вечер послушать Fiio KA17 (верхний свисток на фото)

Честные 0.65 Вт на канал при балансном включении. Колонки раскачивает на "ура". Качество звука очень даже хорошее на мой привередливый вкус. Питания-не требуется! Работает от телефона. Я бы сказал, что на 98% соответствует шапке этой темы. 1%- что не 1-2 Вт на канал, и 1 % -на то, что собирать не надо-есть готовый в продаже.
Тему можно закрывать.
Офигеть, свисток, расчитаный на 32 ома заставили работать на колонки и не сдох. Слава китаёзам.
 
Офигеть, свисток, расчитаный на 32 ома заставили работать на колонки и не сдох. Слава китаёзам.
я так еще в далекие 80е волкман кассетный на два 1гд40Р слушал,звук был отличный!!!!микра там стояла какаято BA.... номер не помню питал его от 5в,зарядка древнего калькулятора Б3-34 на трансе
звук на много лучше был чем на бумбоксе,но мощность не более полуватта
 
я так еще в далекие 80е волкман кассетный на два 1гд40Р слушал,звук был отличный!!!!микра там стояла какаято BA.... номер не помню питал его от 5в,зарядка древнего калькулятора Б3-34 на трансе
звук на много лучше был чем на бумбоксе,но мощность не более полуватта
Сейчас 2025й и в продаже есть всё для любых ушей
 

Вложения

  • NE5532.png
    NE5532.png
    1 MB · Просмотры: 74
батарею тоже жрет,для таких мощностей советую повторитель на гт308В+п605А с дросселем в эмиттере,класс А ,не дурно звучит даже на 2гд40 на щите 30*40см питание 5в от зарядки 2а,нагрузка параллельно транзистору,как в Чуфолли
не сильно то и кушает. Я минут 30 слушал на максимуме - с 98% до 96% упал заряд на телефоне. Сам не ожидал.

Сейчас 2025й и в продаже есть всё для любых ушей
Такой девайс собирал тоже. По звуку немного не то, что я бы хотел слышать на АС. Прикольно, что китайцы мощщщу пишут для такой доски-14...24 Вт! smile_1

У меня КА3. С планарными наушниками KZ pr3 и HiFiMAN Sundara CB мой свисток все же лучше на балансном выходе отыграл. Вот если бы полтора года назад сразу взял КА17-то универсальней вещицы бы и не нашел бы))
 

Статистика форума

Темы
3,312
Сообщения
264,455
Пользователи
2,551
Новый пользователь
Александр Н.
Назад
Сверху Снизу