alexsan
2 ранг
- Регистрация
- 6 Апр 2024
- Сообщения
- 906
- Реакции
- 207
- Репутация
- 16
- Возраст
- 56
- Страна
- Казахстан
- Город
- Павлодар
- Имя
- Александр
Так там же такие же разработчики виртуальные.Так вот отчего автотаз не может сделать ни одной толковой машины.
Так там же такие же разработчики виртуальные.Так вот отчего автотаз не может сделать ни одной толковой машины.
Он яйцеголовый, он программы для разрабов пишет. Собирает со всего света, кто что накропал, и культивирует из этого самые-самые.Так там же такие же разработчики виртуальные.
И всё бы ничего, если пользоваться аккуратно. Но энтузиазм - страшная сила и у сектантов жизнь идёт по пословице "заставь дурака богу молиться, он лоб расшибёт".Если добавить зерно серьёзности и нервозности в обсуждение сей лютой темы, то Герр Шкритек в начале своего школьного учебника по звукотехнике говорил о пользе обратной связи и про не удушающее звук петлевое усиление.
...для создания УАЗ "буханка" и ЗАЗ "Запорожец"!Они уходили в НИИ Автопрома
Ну ка народ отрывается как может.Судя по количеству страниц опять нагнали какого-то спама, вот же неугомонное племя.
А нижняя граница чувствительности человеческого слуха - порядка 170-180дб.
Так это самые по проходимости машины на коленке можно отремонтировать.для создания УАЗ "буханка" и ЗАЗ "Запорожец
А вы где учились схемотехнике? В шахте? Без отрыва от дОбычи угля? Тогда похвально. Но уровень такого обучения может оказаться не очень высоким, только для симулятора. Да и то там можете такого напортачить при задании исходных данных и допущений, симулятор вам такого насчитает, может там в нем забыли заложить ошибку от дурака.Практика - критерий истины, а симулятор - это только на начальном этапе, да и то только для тех, кто умеет им грамотно пользоваться. И имеет хотя бы среднее специальное образование по схемотехнике. Оно у вас есть? Или может есть высшее? У меня например красный диплом по авто. А у вас что есть?То есть, ты сделал программу, как проложил автобан, а эти идиоты ездят по нему поперек и вертикальными кольцами. Вот же незадача какая. Кругом одни идиоты, и один из них сделал прогу, которая не может сосчитать двух чисел.
"А у нас в квартире газ, а у вас? А у нас водопровод. Вот."А у вас что есть?

У нас такая специфика - мы - прикладные математики, а не теоретические. Нам теорию разрабатывать нельзя, запрещено.А то мы тогда можем таких программ понаписать, вы фиг когда в них разберетесь. Нам Нобелевка не нужна, у нас зарплаты хорошие. Были.Он яйцеголовый, он программы для разрабов пишет. Собирает со всего света, кто что накропал, и культивирует из этого самые-самые.
Не, это было до нас.................для создания УАЗ "буханка" и ЗАЗ "Запорожец"!
Бейте его все, я нашёл, кто над народом издевался!
Какие у тебя аватары есть, я чёт не вижу? Ты наверное человек невидимка?Влажные мечты, гляньте на аватары. Тут у меня нападающие с десятком дырок на капоте. только ни одну бабушку они не задавили. Это им пендалей вписали.
Ты слепой, очки надень.Какие у тебя аватары есть, я чёт не вижу? Ты наверное человек невидимка?
в данном случае то что вы не видели практических конструкций это ваше упущение а не Смерша.А вы где учились схемотехнике? В шахте? Без отрыва от дОбычи угля? Тогда похвально. Но уровень такого обучения может оказаться не очень высоким, только для симулятора. Да и то там можете такого напортачить при задании исходных данных и допущений, симулятор вам такого насчитает, может там в нем забыли заложить ошибку от дурака.Практика - критерий истины, а симулятор - это только на начальном этапе, да и то только для тех, кто умеет им грамотно пользоваться. И имеет хотя бы среднее специальное образование по схемотехнике. Оно у вас есть? Или может есть высшее? У меня например красный диплом по авто. А у вас что есть?
вижу.Ты слепой, очки надень.

Так он сам признал - это не его, это симулятора. А его схемотехника, которая с нуля его - есть такая? Схема СЛУ имею ввиду. И без использования симулятора конечно. Симулятор - это чужой ум, а что у него своего?в данном случае то что вы не видели практических конструкций это ваше упущение а не Смерша.
По такому случаю, я бы принял в дар тот слабоосный УНЧ за 50000 европейских евро, который с-м-е-р-ш-ъ антирИкл0мир0в@л. Вдруг звук займет в третье ухо?И всё бы ничего, если пользоваться аккуратно. Но энтузиазм - страшная сила и у сектантов жизнь идёт по пословице "заставь дурака богу молиться, он лоб расшибёт".
Судя по количеству страниц опять нагнали какого-то спама, вот же неугомонное племя.
Не умеет снять подобный простой график, а измерения это вообще малодоступно.А вы где учились схемотехнике? В шахте? Без отрыва от дОбычи угля? Тогда похвально. Но уровень такого обучения может оказаться не очень высоким, только для симулятора. Да и то там можете такого напортачить при задании исходных данных и допущений, симулятор вам такого насчитает, может там в нем забыли заложить ошибку от дурака.Практика - критерий истины, а симулятор - это только на начальном этапе, да и то только для тех, кто умеет им грамотно пользоваться. И имеет хотя бы среднее специальное образование по схемотехнике. Оно у вас есть? Или может есть высшее? У меня например красный диплом по авто. А у вас что есть?

Да что ты говоришь? Симулятор это такой же калькулятор, линейка или карандаш. Я пытаюсь понять, у вас тут это больное место что ли? Симулятор сам схемы - не придумывает.Так он сам признал - это не его, это симулятора. А его схемотехника, которая с нуля его - есть такая? Схема СЛУ имею ввиду. И без использования симулятора конечно. Симулятор - это чужой ум, а что у него своего?
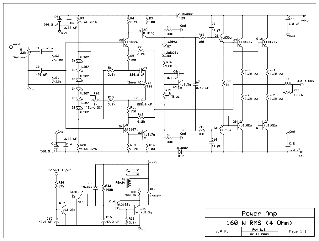
Алексан, ты задолбал уже с этой схемой. Я тебе так скажу- она никакая. Слишком много элементов использовано для получения слабого результатата.Семён Семёныч
А ну как сними график вот с этого.
Я с симуляторами-схемотехниками не знаком, поэтому и поинтересовался про его схемотехническое образование. Кто там исходную схему составляет и рисует? Раньше было понятно - это делал автор. И понятно было с кого спрос, если что, если не звучит. Теперь же - фиг его знает, может ИИ. ИИ рисует, шахтер собирает, звукорежи используют, а за качество звука и музыки никто не отвечает. Хорошо устроились однако. Как понял с его слов - делает он СЛУ для звукорежей, они платят хорошие деньги. Оно и понятно, им ламповые усилители, которые могут взбрыкнуть в любой момент, не нужны. им нужны высокостабильные усилители, работающие предсказуемо и одинаково на любой музыке. То есть сильно универсальные и сильно стабильные. Ламповые, которые что ни усилитель, то личность им не подходят, с ними очень сложно. А хочется как побыстрее и полегче "капусту" срубить. А значит СЛУ, это сильно облегчает им жизнь и работу, дает предсказуемый результат, Ну и "бабки" конечно. Это все понятно. Но качеством звучания ради этого можно пожертвовать, они так считают, пипл все схавает. Вот поэтому и имеем столько непонятно как сделанных записей, которые слушать сложно. А кто виноват? Шахтер виноват, он им такие усилители продал. А мы потом мучайся.............во всем виноват шахтер............Да что ты говоришь? Симулятор это такой же калькулятор, линейка или карандаш. Я пытаюсь понять, у вас тут это больное место что ли? Симулятор сам схемы - не придумывает.
А зачем? Если нормальные машины не ломаются? Ты явно чего-то недопонимаешь.Так это самые по проходимости машины на коленке можно отремонтировать.
Так в СЛУ раза в 3-4 больше.Алексан, ты задолбал уже с этой схемой. Я тебе так скажу- она никакая. Слишком много элементов использовано для получения слабого результатата.
Так там и результат - порядка 0,000.2% гармоник частоты 20к, и этот мизер - наихудший показатель в диапазоне звуковых частот, а ниже петлевого больше и искажений только меньше.Так в СЛУ раза в 3-4 больше.
Не. Там интерфейс простой: большая красная кнопка на весь экран, и надпесть: нарисовать схему и сделать её лудьчей в мире.Теперь же - фиг его знает, может ИИ.
Сергей докажи что не так.Алексан, ты задолбал уже с этой схемой. Я тебе так скажу- она никакая. Слишком много элементов использовано для получения слабого результатата.