Александр Бокарёв
1 ранг
- Регистрация
- 12 Ноя 2019
- Сообщения
- 30,228
- Реакции
- 15,318
- Баллы
- 395
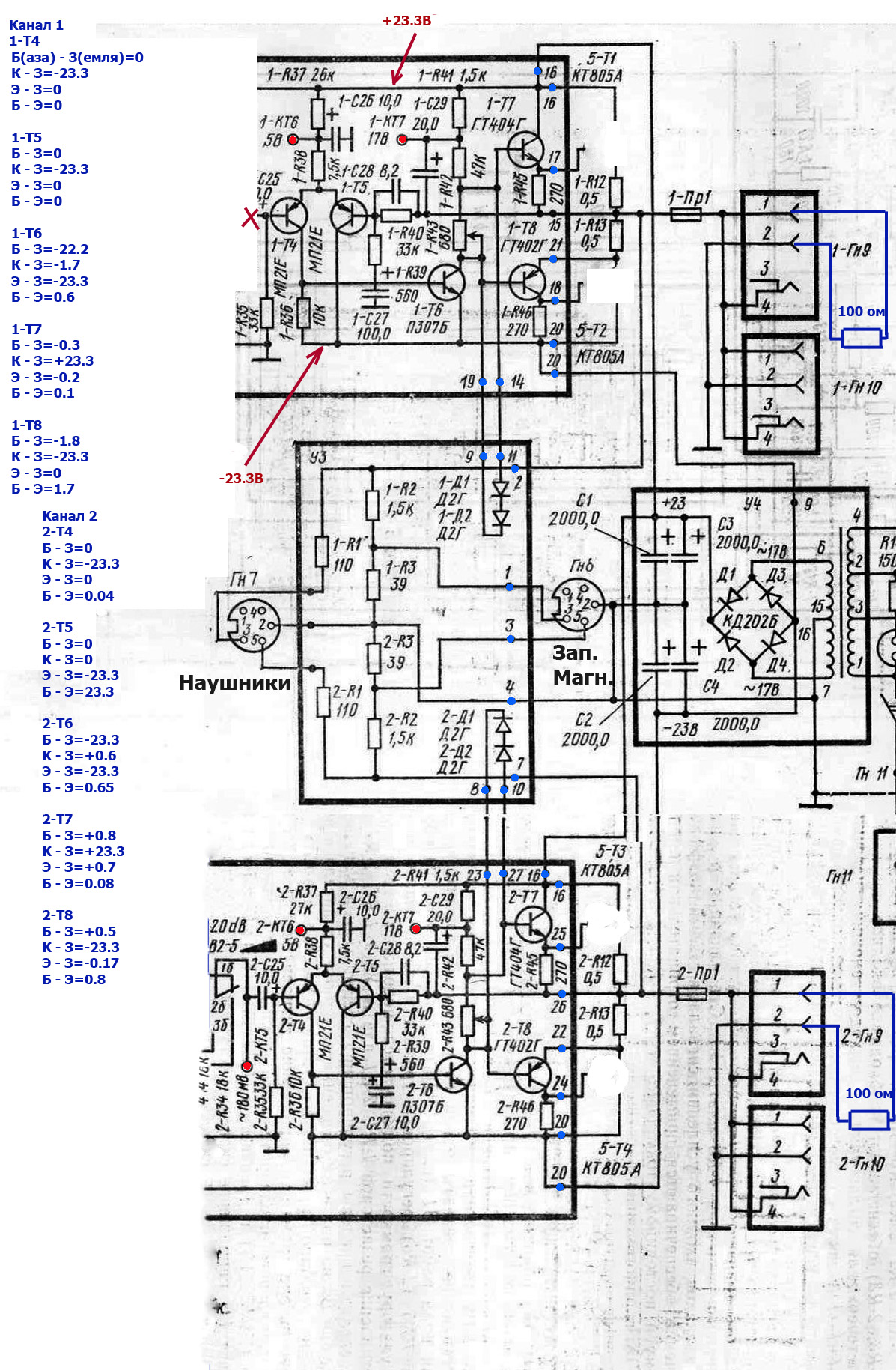
если R43 не звонится, то есть в обрыве, то всей схеме гарантированный и мгновенный гаплык. Он и соединен так, чтобы при потере контакта бегунком остался сам резистор. Ток будет максимальный. но не смертельный.






