г-н ПэЖэ
1 ранг
- Регистрация
- 3 Дек 2019
- Сообщения
- 1,160
- Реакции
- 603
- Репутация
- 52
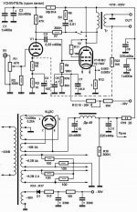
тут R вых около 5.5 ом . в принципе почти хорошо , но играет все таки грязно на низу. такое впечатление , что перегруз и звук захлебывается, не критично , но заметно, если знаешь "куда слушать" .2007-8 года, нашел, но мне совсем никак, мне такая моща не нужна. Первая переделка 6н9с-6п3с х 2. Играла супер! ТВЗ не маленький, Ш30х60, первичка ПЭЛ 0,35, вторичка 1,0 мм.
Переделал на ГУ-50.
если убрать фиксу , то оставив незашунтированным кусочек катодного резистора звук можно несколько подправить , но опять таки не до уровня который уже слышал на триодах.
если катодник вообще не шунтировать то звук становится гораздо чище , но выходной каскад от каждого чиха норовит превратиться в передатчик.
я добавил параллельную оос и уронил выходное до 2.8ом и почти вдвое "на слух"улучшилась разборчивость и четкость на низах. можно уменьшить оос до 75ком , (Rвых 2,4ом )тогда четкость становится еще выше , но вот звук становится как бы зажатым
