Помогите с платой для стрелочных индикаторов

Регистрация
10 Фев 2024
Сообщения
66
Реакции
9
Баллы
9
Страна
Россия
Город
Уфа
Имя
Имя пользователя
Хотелось бы собрать плату на современных легко доступных деталях плату для стрелочных индикаторов. Если можно чтобы можно было подстраивать с переменным резистором под любые усилители. Прошу вас поделитесь файлом для печатной платы и схему.
 
Хотелось бы собрать плату на современных легко доступных деталях плату для стрелочных индикаторов. Если можно чтобы можно было подстраивать с переменным резистором под любые усилители. Прошу вас поделитесь файлом для печатной платы и схему.
К157ДА1 имеются?
 
Применял оч удачную схему из книжки Конструкции советских и чешских радиолюбителей, автор Иржи Свобода. Там выпрямитель на диодах и нелинейный диодно-резисторный шунт стрелочника, оживляющий стрелку на малых уровнях и не приводящий к зашкалу на больших. осталась в убитом компе. https://www.radiolamps.ru/library/mrb_0955.djvu

Микросхема 157ДА 1 классная. Про нее есть статья в Радио.
 
ИНДИКАТОР ЗВУКА.jpg
 
К157ДА1 имеются?
Проблема такую найти у нас искал я ее не смог найти если не попутал на логику магнитофона нота
Если усилитель, мощник, то ему не нужен индикатор на микросхеме. сигнал достаточный . Детектор нужен и компрессор на диодах.
Схема Иржи Свободы из статьи Стереофонический микшерный пульт из книги, которая выше по ссылке.
спасибо
 
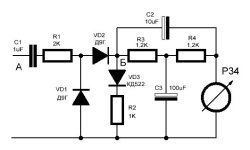
Д9Б заменить на BAT43 Конденсатор С1 увеличить до 1-2,2mkF Конденсатор С5 экспериментально подобрать (емкость 4,7 - 33mkF) Вместо подсветки D3 я делаю пиковый индикатор на двухцветном светодиоде и встраиваю его прямо в индикатор Как то так
 
Проблема такую найти у нас искал я ее не смог найти если не попутал на логику магнитофона нота
Попробуйте на Авито. Её нормальная цена - 20 руб. за штуку, сейчас увидел по 2000 руб. за штуку...
Удобно то что в ней можно регулировать конденсаторами время прямого и обратного хода, а уровень логарифмируется.
Если нет, то полистайте в файлах старые радиолюбительские книги, особое внимание - индикаторам магнитофонов.
Принципиально важно (а вы не пишете) - каков ток индикаторов.
 
Возьми схему индикатора от радиотехники -020 на пассивных элементах и не парься
 
Кое-как удалось запустить картинку из книжки
Емкости нужно увеличить для увеличения времени обратного хода, на вход врезать резистор небольшой, время прямого хода установить, диод германиевый 0а9 и резистор с ним подбираем по упору в конец шкалы при перегрузе, чтобы стрелкой не билось.
Схема заточена под какой-то конкретный стрелочник, придется повозиться подстроить ее под то, что есть у нас. По-хорошему. нужен генератор вольт на 10-20, но в принципе, можно и на музыке от мощника настраивать, ручку рядом держать, чтобы не жахнуть в бедную схему.
Процесс настройки примерно такой: на средней громкости выходным сигналом с усилителя коротко касаемся входа индикатора, в норме стрелка быстро летит вперед, после чего плавно возвращается назад. Время прямого хода у нас задает резистор на входе детектора( на схеме его нет) , время обратного хода задает емкость (5мкф на схеме)и резистор 22 ком( подбирается под конкретную стрелку)
 

Вложения

  • Снимок экрана 2024-03-01 195810.jpg
    Снимок экрана 2024-03-01 195810.jpg
    129.1 KB · Просмотры: 967
Последнее редактирование:
Кое-как удалось запустить картинку из книжки
Угу, всё это хорошо, но в схеме прибор на 100 мкА, а какой прибор у автора темы - я так и не получил. Скорее всего 500 мкА.
Довольно позорный огрызок схемы из 21 века. Тогда уж лучше это
f.1979-09.039.jpg
 
Угу, всё это хорошо, но в схеме прибор на 100 мкА, а какой прибор у автора темы - я так и не получил. Скорее всего 500 мкА.
Довольно позорный огрызок схемы из 21 века. Тогда уж лучше это
Посмотреть вложение 89435
Схема Зыкова из его известной статьи про любительский магнитофон. Со всеми номиналами в цепи индикатора. Узлы эти проверенные, начинил ими свою трехмоторку в начале 80-х, работало все отменно.
 
Хотелось бы собрать плату на современных легко доступных деталях плату для стрелочных индикаторов. Если можно чтобы можно было подстраивать с переменным резистором под любые усилители. Прошу вас поделитесь файлом для печатной платы и схему.
чем не подходит ? копеечной ценой ? или тем , что легко доступно вообще готовое , отстроенное тело ? )))





 
чем не подходит ? копеечной ценой ? или тем , что легко доступно вообще готовое , отстроенное тело ? )))
Чуть не купил, как ее к мостовому D подключить?
 
просто не получится , придется поизвращаться )))
у мостового Д-шника все выходы (все клеммы) живут своей жизнью и общей земли не имеют , а у индикатора для левого и правого каналов земля общая .
был такой заказ - чел сказал хочу и дам денег пришлось включать опилки в голове )).
усил АЮМА 07 там мост на 3255, индикатор как на первой ссылке .
долго чесал репу , в итоге купил два маленьких трансформатора с маломощных блоков питания 220-12в .(можно и 220-9в от телефонов старых панасоник например)
первички пошли на индикатор и вторички через резисторы (кажется около470ом )воткнул на выход Д-шника .
получились согласующе-колхозные переходники . все прекрасно дрыгалось
 
Дык нужно для начала спросить топикстартера, что за усилитель :)
 
ну если обычный , то пусть покупает по ссылкам и развлекается , если мостовой , то как подключить я написал )))
 
у мостового Д-шника все выходы (все клеммы) живут своей жизнью и общей земли не имеют , а у индикатора для левого и правого каналов земля общая .
пришлось включать опилки в голове
Попробуй перепрограммировать опилки на понимание того простого факта, что напряжения на выходах мостового усилителя ИДЕНТИЧНЫ, и за это отвечает специальный блок в его схеме.

Тогда нам надо померить только половинку, один выход, а не покупать трансформаторы.
 
половинку каждого канала ?очень может быть , но сделал как сделал, полностью развязав одно от другого .
1720882207851.png
 
Помню, что была такая схема квазипикового стрелочного индикатора (без светоизлучающих диодов)​
 

Вложения

  • Стрелочный инд.jpg
    Стрелочный инд.jpg
    24 KB · Просмотры: 337
Последнее редактирование:
Последнее редактирование:
паял когда то ..вроде дергалось нормально :)
(шкалу делал от балды)
 

Вложения

паял когда то ..вроде дергалось нормально :)
(шкалу делал от балды)
Поведение стрелок истеричное, мечутся. Когда видел, как движутся индикаторы в нормальной технике, такое уже не катит. Наши стрелочники от Ростова тяжеловаты для квазипиков. А были импортные от Акая какого-то, купил в импортной мастерской за дурные по тому времени деньги, вот они смотрелись волшебно.
 
Поведение стрелок истеричное, мечутся. Когда видел, как движутся индикаторы в нормальной технике, такое уже не катит. Наши стрелочники от Ростова тяжеловаты для квазипиков. А были импортные от Акая какого-то, купил в импортной мастерской за дурные по тому времени деньги, вот они смотрелись волшебно.
"Едрёныть!"-- знаменитое итальянское слово, означающее аудиовизуальный восторг -- делал квазипики и на наших "стрелках" (Пирса) -- просто подобрал ёмкость ускоряющего (ток) конденсатора -- получилось красиво, как в Akai​
 
(шкалу делал от балды)
 


"Едрёныть!"-- знаменитое итальянское слово, означающее аудиовизуальный восторг -- делал квазипики и на наших "стрелках" (Пирса) -- просто подобрал ёмкость ускоряющего (ток) конденсатора -- получилось красиво, как в Akai​
Синьор Распони! Поведение стрелочного индикатора в ответ на прилетевший в емкость заряд напоминает катушку тяжелого басовика. Те же проблемы, как дать ему пинка , чтобы быстрее отозвался. И у транзисторов те же проблемы с базовым зарядом. Сперва создаем там заряд побольше, а в следующий момент думаем, как бы его побыстрее оттуда вытащить. Оно конечно можно , в противовес вялому нарастанию скорости стрелки ускоряющей цепью скомпенсировать эту вялость. Но демпфирование последующего переходного процесса....А оно завязано на резистор обратного ходя....
была мыслишка применить нечто вроде ЭМОС , сравнивая напряжение на катушке индикатора с током через него же, а временные дела поручить другому операционнику. Но что поделать, если мысли такие посетили только сейчас, а времени на их проверку все меньше.
И если очень коротко- не нравится мне эта ускоряйка из Радио, совсем. Там с времязадающими элементами напутано. А то, что работало, сразу и уверенно, с небольшим уточнением обвески под личные предпочтения , выглядит так.
Диоды обязательно германиевые, я применял Д311, у них самый малый порог открывания.
 

Вложения

  • Снимок экрана 2024-03-01 195810.jpg
    Снимок экрана 2024-03-01 195810.jpg
    129.1 KB · Просмотры: 124
Последнее редактирование:
А кстати. Когда сочинял схемку индикатора на 6Е1П к лампачу, перерыл гору схем , нормальных практически нет, пара похожих по задаче, остальное блымалки и дрыгалки бездарные. Даже наша отменная 157ДА1 задумана без логарифматора, для этого к ней нужна доп обвеска . Логарифмирование встроено в японскую микросхему, про нее недавно дядя Пыжэ рассказывал. Я обошелся ГДРовской А277, втулил туда нелинейный диодный шунт и получил примерно то, что хотел. Но эта микросхема работает с линейкой на 12 светодиодов, вывести на стрелку не получится , наверное.
 

Статистика форума

Темы
3,316
Сообщения
265,119
Пользователи
2,552
Новый пользователь
Dmaren55
Назад
Сверху Снизу