Помогите с платой для стрелочных индикаторов

Пара диодов встречно параллельно и последовательно конденсатор между коллектором и базой одинокого транзистора, дают как раз логарифм.
 
Пара диодов встречно параллельно и последовательно конденсатор между коллектором и базой одинокого транзистора, дают как раз логарифм.
Не буду спорить, не применял , не знаю. А диод в роли логарифматора применял, успешно. Раздрай с изменением забортной температуры правил врезкой в другой вход опера такого же диода. опорного по температуре.
На эти тонкости есть книжка Клайтона по операм. Болгарская, правда, но все понятно.
 
По поводу К157ДА1 - журнал Радио 1985, №12.
В статье собраны разные схемы её включения, в т.ч. и логарифмическое.
>>СТАТЬЯ<<
 
По этой схеме в 80е собирал компрессор речевого сигнала для передатчика, а потом добавил детектор и получился приличный блочок для управления индикаторами.
см. Логарифмический усилитель.
 

Вложения

  • Р1975-05.066.jpg
    Р1975-05.066.jpg
    739 KB · Просмотры: 182
проще некуда
 

Вложения

  • 03eae2470a13.jpg
    03eae2470a13.jpg
    126.1 KB · Просмотры: 169
  • 23fcfbb8e91b.jpg
    23fcfbb8e91b.jpg
    61.9 KB · Просмотры: 159
  • 76131ed3570c.jpg
    76131ed3570c.jpg
    86.7 KB · Просмотры: 162
  • 131680222082004441.jpg
    131680222082004441.jpg
    12 KB · Просмотры: 146
  • i.jpg
    i.jpg
    23 KB · Просмотры: 157
  • Индикатор020.JPG
    Индикатор020.JPG
    95.6 KB · Просмотры: 173
  • Радио_8_1986_стр46-47.gif
    Радио_8_1986_стр46-47.gif
    298.5 KB · Просмотры: 181
Grazie per i questi disegni! Спасибо за хорошую подборку схем! Первую схему помню наизусть -- она в 90-е от руки была перерисована. В схему последнюю можно добавить кремниево-логарифмирующий диод (соблюдая логарифмическую полярность) и резистор, как на "моей" схеме​
 
теории много. выхлопа меньше. 90 процентов приведенных схем обычные дергалки. Схема на бумажке от Акая вообще убожество. даже емкости похерили.
И если уже делать индикатор, то для начала нужен генератор импульсов с нужной длительностью , чтобы калибровать стрелки по отклонению . К примеру, он есть в опциях генератора Спектры. Там же можно задать тон-бурст с нужной длительностью бурста и паузы , скажем, 50 мс пачка, 2 сек пауза. Удобно.

Добавлю , что большинство несложных схем грешат одним кривым решением, когда регулятор чувствительности стрелочника ставят на входе детектора, тем самым грубо вмешиваясь в постоянную зарядной цепи RC , время интеграции. И вместе с снижением чувствительности получаем вялый затянутый отклик.
К тому же простые схемы работают от низкоомного источника сигнала, нужен буфер в виде повторителя хотя бы. А не просто резистор балластный.

ПС. За неимением специального генератора с нормированной длительностью тональных посылок делаем проще. Есть генератор синуса, 10 вольт выходом, скажем, г3-112. И есть наш стрелочник, который нужно воспитать в коллективе под задачу .
Собираем выпрямитель с удвоением, к нему балластный резистор переменный, чтобы выгнать стрелку на макс отклонение , до упора. А длительность тональных посылок задаем вручную, касаясь коротким касанием входа детектора уровня, при этом стрелка должна быстро долететь до нуля дБ и плавно вернуться к началу шкалы, за 1- 1, 5 сек. Обратный ход задает у нас емкость на выходе выпрямителя и величина балластного резистора.
 
Последнее редактирование:
90 процентов приведенных схем обычные дергалки.
Александр , это я набрал на полях инета . по сути все они дергалки , Неужели кто то измеряет вых. стрелочным .Это все для понтов .
я просто как то был озадачен решением для ус. на фото . чтобы дешево и сердито . там даже питания лишнего не было для да1 . . Если честно стрелки утомляют .
 

Вложения

  • 1689504600255.jpg
    1689504600255.jpg
    296 KB · Просмотры: 95
  • IMG_20230716_174751_642.jpg
    IMG_20230716_174751_642.jpg
    376.6 KB · Просмотры: 91
Александр , это я набрал на полях инета . по сути все они дергалки , Неужели кто то измеряет вых. стрелочным .Это все для понтов .
я просто как то был озадачен решением для ус. на фото . чтобы дешево и сердито . там даже питания лишнего не было для да1 . . Если честно стрелки утомляют .
Может быть ,такие грабли перед глазами- и утомляют. А в усилителе , помнится, красивые индикаторы лишь дополняли красоты звуку своим движением .
Соглашусь с вами, , что невнятное шевеление стрелок , само по себе. в самом деле достает, бессмыслицей.
 
В 90 гг. у меня был техникс 90000? с индикаторами во всю лицо . первый месяц , да , потом не обращал внимание на стрелки .
 
В 90 гг. у меня был техникс 90000? с индикаторами во всю лицо . первый месяц , да , потом не обращал внимание на стрелки .
В 90-е такой комплект Техникс стоял в магазине, удивлял народ огроменными стрелочниками на всю морду серого лица и загадочным словом виртуальная батарея.
 
Как-то D-класс мимо меня проходит, чем защита для него отличается?
В основном (не все) усилители D-класса имеют мостовую схему выходного каскада, поэтому к ним не подходит обычная защита АС, так как у неё один из двух выводов входа (каждого канала) привязан к общему проводу. И при подключении обычной защиты один из выходов (имеется в виду 1 канала) получит КЗ на общий провод. Это относится также к аналоговым усилителям с мостовым выходным каскадом и цирклотронам.
 
Когда видел, как движутся индикаторы в нормальной технике, такое уже не катит.
В нормальной, это в какой?

image;s=644x461
1721232845646.png

Акай-635
Дёргалка на 3 детали, убогий примитив, предмет зависти недалёких рукосуев.

3180801s-1920.jpg


Акай-4000

1721233745469.png

Примитив.
Тому, кто это трёт, это может не понравиться: он-то на них фапал. Но, по факту, это - говноиндикаторы.
 
В основном (не все) усилители D-класса имеют мостовую схему выходного каскада, поэтому к ним не подходит обычная защита АС, так как у неё один из двух выводов входа (каждого канала) привязан к общему проводу. И при подключении обычной защиты один из выходов (имеется в виду 1 канала) получит КЗ на общий провод. Это относится также к аналоговым усилителям с мостовым выходным каскадом и цирклотронам.
так думаю, что нормальной защите фиолетово, привязано там что-то к общему проводу или нет. Она смотрит за постоянным потенциалом на клеммах динамика, к земле усилителя не привязана, у нее свое питание. Могу теоретизировать, но сам сделал бы именно так.
 
к ним не подходит обычная защита АС
Подходит. Надо только сообразить, что защищать надо 4 выхода, а не 2,
но двумями релями, а не четырьмями.

Защита АС .GIF

Вот это - схема защиты одного канала.
Землю питать от искусственной средней точки или применить обычный двуполярный БП.
 
Так а у китаецких продаванов разве не то что нужно?
тут!
1721235868272.png
 
Последнее редактирование:
Ну, да. Искусство радиолюбителя и заключается в умении выбрать подешевле плату на Алиэкспрессе, ящетаю.
 
Настало такое время, когда при массовости производства любого "говна" у китайцев, дешевле его купить у китайцев, чем страдать самому.
 
Знаю точно ибо уверен: длительное разглядывание "колебающейся" стрелки индикатора вызывает КАТАРАКТУ (U-ретры внутреннего уха). Квазипиковый тут лучше -- мозг просто не успевает отслеживать быстрые колебания стрелки из катаного берилия​
 
Последнее редактирование:
И ты решил продать душу камунякам за одну плату индикаторов?
А себестоимость компонентов в розницу будет наверное раза в 3 дороже, чем купить у тех китайцев готовый кит набор.
Один только стеклотекстолит фольгированный будет 3 бакса, не говоря уже про сами индикаторы. А готовый набор 5 бакса, учился бы я сейчас в 7-ом классе, и не вот этот вот всё что происходит, самому собрать было бы куда полезней и практичней. Но увы!
 
А себестоимость компонентов в розницу будет наверное раза в 3 дороже, чем купить у тех китайцев готовый кит набор.
Один только стеклотекстолит фольгированный будет 3 бакса, не говоря уже про сами индикаторы. А готовый набор 5 бакса, учился бы я сейчас в 7-ом классе, и не вот этот вот всё что происходит, самому собрать было бы куда полезней и практичней. Но увы!
Китайцы шлепают изделия не идеальные по потребительским качествам, самому проще довести свое устройство до идеала. К тому же любитель не стеснен в средствах, может позволить себе применить нужный детал , не экономя на булавках.
И ежели купленная на али погремушка чем-то не устроила, то на выбор варианты: изучить и доработать, изучить и выкинуть на помойку, сочинить свою , лучше , купить новую, лучше.
 
Так а у китаецких продаванов разве не то что нужно?
тут!
Посмотреть вложение 104517
Мне такие индикаторы в ретро стиле нравятся.
Другое дело, что они просто не нужны.
Китайцы шлепают изделия не идеальные по потребительским качествам, самому проще довести свое устройство до идеала. К тому же любитель не стеснен в средствах, может позволить себе применить нужный детал , не экономя на булавках.
И ежели купленная на али погремушка чем-то не устроила, то на выбор варианты: изучить и доработать, изучить и выкинуть на помойку, сочинить свою , лучше , купить новую, лучше.
Можно доработать, можно поставить так. Функция этих индикаторов лишь в простом дергании для услады глаз. Больше они ни для чего не нужны. Я их просто не ставлю ибо не зачем.
 
Мне такие индикаторы в ретро стиле нравятся.
Другое дело, что они просто не нужны.

Можно доработать, можно поставить так. Функция этих индикаторов лишь в простом дергании для услады глаз. Больше они ни для чего не нужны. Я их просто не ставлю ибо не зачем.
Услада глаз ничем не хуже услады слуха. Другой вопрос-как сделать, чтобы не дрыгалось истерически , а двигалось красиво и осмысленно. тут уже кто на что учился.
 
Осмысленно когда показывает реальные значения мощности на выходе.
Обычно это просто декоративный элемент. Кому-то нужный.
 
Потужність воно показує чисто умовно.
А от напругу сигналу може реальну показати. Професійні звукоінженери використовують, і не скаржаться.
Але, потрібно логарифмувати та калібрувати як за рівнем, так і за сталими часу спрцювання і зворотнього ходу
 
Осмысленно когда показывает реальные значения мощности на выходе.
Обычно это просто декоративный элемент. Кому-то нужный.
Стрелки и мощность плохо совмещаются, пики не отрабатываются, а там считай втрое- вдесятеро отрыв от среднего уровня, мощность само собой в квадрате .

Потужність чисто умовно.
А от напругу сигналу може реальну показати. Професійні звукоінженери використовують, і не скаржаться.
Але, потрібно логарифмувати та калібрувати як за рівнем, так і за сталими часу спрцювання і зворотнього ходу
Воистину так. Без выполнения этих условий индикатор уровня становится обычной бессмысленной мыргалкой и блымалкой . Хотя, само слово индикатор уже говорит о его ограниченных возможностях, в отличие от измерителя уровня.
 
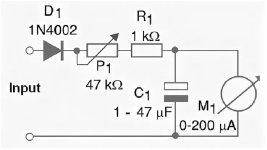
Ловите..
 

Вложения

  • Индикатор.gif
    Индикатор.gif
    7.6 KB · Просмотры: 116

Статистика форума

Темы
3,316
Сообщения
265,142
Пользователи
2,552
Новый пользователь
Dmaren55
Назад
Сверху Снизу