Постройка басовой секции

  • Автор темы Автор темы Пётр
  • Дата начала Дата начала
Хочу попытаться приобрести 6ГД-1. За недорого. Хотя бы один.
В очередной раз - недоволен своим басом.
Остались почему-то какие-то яркие воспоминания про 6ГД-1. Думаю, какой басовик за недорого можно попробовать, послушать, применить. Были уже такие порывы и раньше. Тупиковые.
Это Вы недовольны КОМНАТОЙ. 99% здешних были бы рады отхватить Ваши динамики к себе домой. И - НЕ засунуть в угол под короткую стену! Это наихудшее расположение с точки зрения силы стоячих волн в помещении.
Сегодня слушал. Достаточно много.
Отдых!
Ничего нового, необычного, хорошего - не услышал.
А ничего нового - означает не хуже. Должно было быть 1:1 по задумке. И, по идее, когда уменьшим уровень выходного напряжения для SE, можно будет услышать, что РР в биампе даёт меньше ИМИ. Сейчас это дело сильнее маскируется суммарными искажениями СЧ звена.
На первый взгляд - звучание точно такое же, как было с пассивными фильтрами между УНЧ и АС. Но по прошествии времени - стал обращать внимание, что музыка как бы утомляет. Подобного не наблюдал при прослушивании с обычными фильтрами после УНЧ, перед АС. Может, просто настроение такое.
В общем - надо подумать. Про выбор варианта. И вообще - уже подустал.
С праздником Рождества Христового Вас и всех-всех!

Дядя Пётр! Есть проблемы. При попытке вытянуть максимум чувствительности СЧ/ВЧ блока я столкнулся с тем, что СЧ - 4 Ома, и в параллель ему резистор не должен стоять, а тогда дин заболтается, ибо 30 мкФ - высокое сопротивление на частоте его мех. резонанса. Выхода два: или доп. катушка на землю, или - удаление 30 мкФ и срез НЧ между каскадами SE. И то - лучше бы SE был рассчитан на 4 Ома. Пока считаю для доп. катушки.
 
Последнее редактирование:
Дядя Николай! Вот же, задал вам с Петей дядя Саша- задачку!))))))
Сляпал за час три полосы и умчался а вам разбираться теперь.
 
Дядя Николай! Вот же, задал вам с Петей дядя Саша- задачку!))))))
Сляпал за час три полосы и умчался а вам разбираться теперь.
У Вас стояла задача: быстро и звучно. Сейчас другая: по максимуму и эксперимент. ВЧ разработались, комната поменялась, хозяин повзрослел.
Короче, вот такие кривули. Толстые линии - вариант Максимум, средние - актуальный. Выигрыш получается 3,5 дБ, ограничен отдачей ВЧ динамика. Наибольшее отличие на частотах 6...7 кГц составляет -1дБ.
эф1.png

Импеданс варианта Максимум проседает до 6 Ом на 10 кГц
эфимп.png
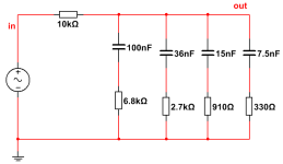
Схема:
эфсхема.png
Теперь нужно сочинить вариант Максимум Максиморум - без конденсатора 40 мкФ.
 
Последнее редактирование:
Николай, спасибо за труды, в любом случае.
В схеме катушка 3 мГн. Вы специально при подсчёте старались, чтобы получились детали, которые есть у меня в наличии? Или само сабой такие номиналы получились?

лучше бы SE был рассчитан на 4 Ома. Пока считаю для доп. катушки.
На листочке от Аудиоинструмента, по поводу выходных трансформаторов в моём SE было как-то промежуточно написано: https://ldsound.club/attachments/iz..._183254_resized_20210609_034551239-jpg.16646/
что нагрузка должна быть 6,3 Ома.
 
Максимум максиморум.
макс ачх.png

Срез НЧ получен RC-цепочкой , частота среза по -3дБ равна 800 Гц (красная кривая):
макс рс.png
Импеданс имеет минимум 6 Ом на 10 кГц, как и раньше.
макс имп.png
Просадка до 4 Ом на мидбасе значения не имеет, так как он предварительно срезан ФВЧ => ток от SE требуется меньше, пропорционально завалу НЧ. Так, на частоте 450 Гц, где реальный импеданс = 4,5 Ома и завал АЧХ равен -6дБ (2 раза), потребляемый от УМ ток = току при нагрузке на импеданс в 2 раза выше, то есть, на 9 Ом. Эквивалентная нагрузка изображена красной кривой:
имп рс.png
И схема:

сх1.png сх2.png
 
Последнее редактирование:
У Вас стояла задача: быстро и звучно. Сейчас другая: по максимуму и эксперимент. ВЧ разработались, комната поменялась, хозяин повзрослел.
Короче, вот такие кривули. Толстые линии - вариант Максимум, средние - актуальный. Выигрыш получается 3,5 дБ, ограничен отдачей ВЧ динамика. Наибольшее отличие на частотах 6...7 кГц составляет -1дБ.
Посмотреть вложение 82350
Импеданс варианта Максимум проседает до 6 Ом на 10 кГц
Посмотреть вложение 82351
Схема:
Посмотреть вложение 82353
Теперь нужно сочинить вариант Максимум Максиморум - без конденсатора 40 мкФ.
40мкф отрежем активно? Согласно кивну.
 
Николай, спасибо.
Есть вопросы. На крайней схеме, вместо "ВЧ= max eff" следует иметь в виду 2,5 мкФ и 0,27 мГн, как сообщением выше от Вас? И второе - для SE усилителя - появляется два межкаскадных конденсатора - 0,22 мкФ и 680 пФ. Нельзя ли обойтись каким-то одним межкаскадным конденсатором? Чтобы не было два последовательно на пути сигнала.
 
На крайней схеме, вместо "ВЧ= max eff" следует иметь в виду 2,5 мкФ и 0,27 мГн, как сообщением выше от Вас?
Да.
для SE усилителя - появляется два межкаскадных конденсатора - 0,22 мкФ и 680 пФ. Нельзя ли обойтись каким-то одним межкаскадным конденсатором? Чтобы не было два последовательно на пути сигнала.
Конечно же можно. Я нарисовал две цепочки, чтобы 680 пФ можно было поставить на любое напряжение (вдруг у Вас дыфсыт). Если есть 680пФ *400В - ставьте его вместо 0,22, 2 МОм тогда не нужны.
 
Конечно же можно. Я нарисовал две цепочки, чтобы 680 пФ можно было поставить на любое напряжение (вдруг у Вас дыфсыт). Если есть 680пФ *400В - ставьте его вместо 0,22, 2 МОм тогда не нужны.
Поищу. Если найдётся 680 пФ на 400В, то я всего лишь один конденсатор меняю в SE, во внутренностях, вот так: (?)
1.jpg
 
нашёл вот такие у себя
2.jpg

750 пФ (не совсем соответствует, но может напряжение держит. Подскажите, если в курсе - на сколько Вольт он);
680 пФ - подходит по номиналу, но напряжение написано 300В. Держит ли он перенапряжение (из опыта, если кто знает).
 
нашёл вот такие у себя
Посмотреть вложение 82432
750 пФ (не совсем соответствует, но может напряжение держит. Подскажите, если в курсе - на сколько Вольт он);
680 пФ - подходит по номиналу, но напряжение написано 300В. Держит ли он перенапряжение (из опыта, если кто знает).
400 выдержит, а если и не выдержит. никто не пострадает. Ставь. У тебя все равно на аноде меньше 300в. где-то 250
Слюда К31 -тем вообще напряжение не страшно.
 
Николай, Вы уже неоднократно на эти резисторы обратили внимание. Я не вижу от них никакого вреда для звука. Они просто чуть сильнее нагружают силовик. А стоят они - повторюсь, для защиты С1 от высокого напряжения. Схема силовика: https://ldsound.club/attachments/4-jpg.7879/
400В переменки. Теоретически, при плохом стечении, на С1 может попасть 400х1,4=560В. Пусть стоят эти резюки. Они - создадут падение напряжения на R1 при любой аварийной ситуации (как например - отсутствие ламп в панельках).
400 выдержит, а если и не выдержит. никто не пострадает. Ставь.
Понял. Попробую, поставлю БМ-2. А как они для звука, в качестве межкаскадных - есть мнение "отслушавших"? (а то ведь - спокойно спать не буду. Уж вдолбилось в голову - важность подходящества межкаскадного конденсатора по типу)
 
750 пФ (не совсем соответствует, но может напряжение держит. Подскажите, если в курсе - на сколько Вольт он);
680 пФ - подходит по номиналу, но напряжение написано 300В. Держит ли он перенапряжение (из опыта, если кто знает).
Вот чтобы Вы не думали - попадёт на сетку 300 Вольт или не попадёт, когда лампа отойдёт, я и нарисовал с самого начала 2 конденсатора. На втором постоянки нет, 10 вольт переменки...
 
При пробое - конденсатор станет проводником, я получу на сетку второй лампы высокий потенциал, вторая лампа перегреется и я потеряю вторую лампу?
Нет, она откроется, и у неё на аноде будет Вольт 30. Капец будет при пробое С3, ток ограничится активным сопротивлением первички, а его там не густо.
 
Я планирую попробовать на "послушать" то, что предлагает Николай. В общем-то, в плане СЧ/ВЧ - нечто подобное (а именно - установка межкаскадного конденсатора малой ёмкости в SE усилителе - я уже пробовал. При попытке биампинга с ИМС. Плохих воспоминаний, именно по звучанию СЧ/ВЧ в связи с такой корректировкой - нет).
Но вот я что подумал: может правильней и надёжнее для положительного результата, аналогично обойтись 1-ым порядком в басовом (PP) усилителе, именно на входе?
О чём я. Вот, с установкой C-R фильтра между каскадами в SE усилителе - мы как бы избавляемся от ёмкости в пассивных фильтрах между SE и АС. Остальные детали фильтра - ставим там где и были они раньше (то есть между УНЧ и АС). Может, аналогично следовало бы и поступить в PP (басовом усилителе) - поставить одну R-C цепочку, заменяющую как бы катушку индуктивности. А остальные элементы (позволяющие вид АЧХ приблизить к тому что было) - поставить между УНЧ и АС. У меня просто есть как бы предположение - что при таком подходе будет уменьшено плохое влияние фильтров на входе в УНЧ (если такое плохое влияние вообще есть). В то же время - будет выполнено то, о чём говорит Николай - уменьшение искажений по тракту, т.к. основная обрезка неработающих частот - уже произойдёт. Ну и можно будет тогда считать, что у нас всего лишь первый порядок фильтра перед усилителями. А нужный итоговый порядок фильтрации - можно было бы добрать пассивными большими элементами после усилителей, перед динамиками. Есть в этом зерно?
 
может правильней и надёжнее для положительного результата, аналогично обойтись 1-ым порядком в басовом (PP) усилителе, именно на входе?
По входу как раз и стоИт первый порядок с добротностью меньше 0,5, как бабушка и хотела! _da
Исходный пассивный ФНЧ в составе катуха 3 мГн+цепочка на землю 10 Ом+20 мкФ также не дотягивает по крутизне до первого порядка, так как оная цепочка не полностью компенсирует подъем импеданса 15" НЧ. Идентичность АЧХ пассивника и платки = идентичность ФЧХ = идентичность крутизны скатов, равенство порядков, ауры и дымки. ;)
 
Скорее всего - я просто не понимаю как на схеме отличается порядок фильтра. Первый, значит первый. Я про другое хотел.
Насколько я понимаю, 56к + 62к + 6,8 нФ - задают определённый вид ската АЧХ. То есть - как бы заменяют собой одну деталь (например - 3 мГн индуктивность между УНЧ и АС). А детали 3,3к + 4,3 нФ - ещё как-то корректируют спад АЧХ (например, заменяя собой так называемую цепь Цобеля (резистор + ёмкость параллельно басовику). Так я вот о чём думал: не усложнять фильтр на входе УНЧ басовика, а наоборот - упростить, обрезав первым порядком необходимое - то есть сделать им как бы аналог индуктивности 3 мГн. А остальную корректировку АЧХ (аналог Цобеля) - выполнить пассивными элементами - резистором и ёмкостью после УНЧ, перед динамиком.
Возможно, при таком подходе остались бы плюсы, о которых говорил Алекскандр Бокарёв - что пассивными большими элементами легче и понятнее корректировать АЧХ после усилителя.
А также плюсы о которых говорил Марков Николай - чтобы усилитель (тракт) не воспроизводил СЧ и ВЧ, то есть - не иметь дополнительных ИМИ, как понял.
 

Вложения

  • 1.jpg
    1.jpg
    201 KB · Просмотры: 85
Скорее всего - я просто не понимаю как на схеме отличается порядок фильтра.
Повторяю:
Идентичность АЧХ пассивника и платки = равенство порядков, ауры и дымки.
Если бы у нас после 3 мГн был резистор, перед РР стояла бы цепочка резистор+конденсатор на массу, 2 детали. Поскольку у нас после катушки НЕ резистор, а хренмоймичто динамик с недоцобелем, с преобладанием индуктивного характера, то порядок на глаз так примерно 0,9 :cool:. Соответственно, деталей на платке больше, чем две, а порядок - тоже 0,9 _hm_
Насколько я понимаю, 56к + 62к + 6,8 нФ - задают определённый вид ската АЧХ. То есть - как бы заменяют собой одну деталь (например - 3 мГн индуктивность между УНЧ и АС).
Нет. Они делают ступеньку вниз с ростом частоты. Её аналог в обособленном виде в пассивним варианте отсутствует.
А детали 3,3к + 4,3 нФ - ещё как-то корректируют спад АЧХ
Плавно подхватывают ступеньку выше по частоте. Получается плавный изгиб 1:1 как у пассивной схемы.
Так я вот о чём думал: не усложнять фильтр на входе УНЧ басовика, а наоборот - упростить, обрезав первым порядком необходимое - то есть сделать им как бы аналог индуктивности 3 мГн. А остальную корректировку АЧХ (аналог Цобеля) - выполнить пассивными элементами - резистором и ёмкостью после УНЧ, перед динамиком.
На платке все действия - проще и дешевле. Пока не надо добротности выше 0,5, конечно.
пассивными большими элементами легче и понятнее корректировать АЧХ после усилителя.
Нагляднее - да. Вы привыкли ворочать катушки по килограмму меди ))
 
Последнее редактирование:
Николай, спасибо.
Я для себя - лишь сделал вывод что всё это сложно. И пришёл к пониманию - что вот с такими фильтрами на входе в УНЧ - без Вас я вообще не могу.
С другими фильтрами, которые на выходе УНЧ - я особо тоже не могу самостоятельно. Но там хоть как-то можно понять. А как Николай находит нужное количество и нужные номиналы деталек на входе УНЧ (особенно PP) - вообще не понятно.
Для SE (конденсатор межкаскадный плюс резистор сеточный) - там хоть есть общеизвестная формула: C=159/Fн*R, где С - ёмкость в мкФ, Fн – нижняя граничная частота в Гц, R – резистор в управляющей сетке следующей лампы. Пересчитал - очень похоже, при Fн ок. 800 Гц.
 
Николай находит нужное количество и нужные номиналы деталек на входе УНЧ (особенно PP)
Справочник Терещуков+Седова появился у меня ещё в школе, тогда же наигрался со всевозможными типами темброблоков (не от хороших АС). А темброблоки - сплошные RC-цепочки. Тридцать лет тому, блиннн
Вот схемка, дающая спад 3дб/октаву в диапазоне 100...20000 Гц и в среднем -43° на выходе. Это - ФНЧ порядка 0,5 (не литра, а единицы). Красная прямая нарисована Пэинтом.
1.png
2.png

А для первого порядка достаточно двух деталей.
 
Последнее редактирование:
Николай, Вы уже неоднократно на эти резисторы обратили внимание. Я не вижу от них никакого вреда для звука. Они просто чуть сильнее нагружают силовик. А стоят они - повторюсь, для защиты С1 от высокого напряжения. Схема силовика: https://ldsound.club/attachments/4-jpg.7879/
400В переменки. Теоретически, при плохом стечении, на С1 может попасть 400х1,4=560В. Пусть стоят эти резюки. Они - создадут падение напряжения на R1 при любой аварийной ситуации (как например - отсутствие ламп в панельках).

Понял. Попробую, поставлю БМ-2. А как они для звука, в качестве межкаскадных - есть мнение "отслушавших"? (а то ведь - спокойно спать не буду. Уж вдолбилось в голову - важность подходящества межкаскадного конденсатора по типу)
когда начхаешь на особые звуковые качества конденсаторов, обретешь нормальный сон.
а вот проверить на утечку всякое бумаго-масляное.... не мешает. С питания через конденсатор посади на резистор 1-2 МОМа. Глянь напряжение на резисторе. Если нет утечки, то нет и напряжения.
 
Собрал схемку для проверки БМ-2. С питания 300В последовательно на землю испытуемый конденсатор и 2 МОм резистор. После подачи напряжения питания и по прошествии примерно минуты - напряжение в точке соединения конденсатора и резистора составило 16В. При этом - оно медленно уменьшалось. Второй конденсатор - показал примерно те же результаты.
При этом - в момент включения, пока лампы не прогреты - напряжение поднималось до 500В (в точке источника питания стороны конденсатора). Внешних повреждений конденсаторов не наблюдал. Впаял их в схему SE как межкаскадные.

Собрал. В SE усилителе применён малой ёмкости межкаскадный конденсатор, изменены схемы фильтров после УНЧ на СЧ/ВЧ секциях. Красиво вырисовать некогда, но в общем, учтены и выполнены следующие изменения в схеме:
1.jpg

При включении - выявлен фон. СЧ динамик колеблется с частотой 50 Гц (на глаз). При этом, мультиметр показал на правом СЧ динамике переменку величиной 14 мВ, на левом 4 мВ.
Делал замеры. Принцип в том - что уровень подгонял под имеющиеся замеры наиболее понравившегося ранее варианта (биамп, пассивные фильтры после УНЧ на всех полосах). Там - бас был задран. Поэтому - аналогично по отдаче замерял и сейчас (для сопоставления изменения по полосам. Уровень между НЧ и СЧ/ВЧ подрегулировать - не проблема).
На следующих картинках, где два графика сравниваются - положение микрофона 1 м от АС по расстоянию, по высоте - середина между НЧ и СЧ и плюс ещё 10 см вверх к СЧ. Сравнивается вариант, где все полосы через фильтры после УНЧ, при этом PP - на басовую секцию, SE - на СЧ/ВЧ (называю его "до").
1.png

малиновая - до;
красная - после.

2.png

то же, плюс:
синяя - замеры с А.Б., 2019

3.png

красная - до;
зелёная - после

4.png

то же, плюс:
малиновая - замеры с А.Б., 2019

5.png

синяя - до;
малиновая - после

7.png

зелёная - до;
синяя - после

Расстояние 3 м, точка прослушки
6.png

зелёная - до;
синяя - после
 
Последнее редактирование:
Непонятно, почему фон в СЧ (а не было?)
Фон в СЧ - появился после того, как я взял сигнал для SE с ползунка регулятора громкости PP (когда ввёл фильтр на входе PP). Просто - ранее этот фон не особо колебал динамик. Теперь - заметнее. Хоть звука практически нет от него, но колеблется визуально заметно.
 
сейчас R11 не шунтирован анодом предыдущего триода. сетка тянет фон 50 гц.
Я думал, что Петя как порядочный, врежет вч фильтр на входе усилителя. А он полез внутрь схемы. Чем больше читаю тему, тем меньше понимаю. что там наворочено.
 
Последнее редактирование:
Фон в СЧ - появился после того, как я взял сигнал для SE с ползунка регулятора громкости PP (когда ввёл фильтр на входе PP). Просто - ранее этот фон не особо колебал динамик. Теперь - заметнее. Хоть звука практически нет от него, но колеблется визуально заметно.
Это плохо. Мы срезали НЧ по входу, чтобы почистить спектр искажений SE, а теперь опять добавили амплитуды СЧ динамику (одному точно). СЧ у Вас - в щитках? Без ПАС на окнах? А не помешало бы!
сейчас R11 не шунтирован анодом предыдущего триода. сетка тянет фон 50 гц.
Возможно. Что говорит об общей плохой экранировке усилителей.
Я думал, что Петя как порядочный, врежет вч фильтр на входе усилителя. А он полез внутрь схемы. Чем больше читаю тему, тем меньше понимаю. что там наворочено.
А в чем кайф? Получить наводку на сетку первого каскада? Тогда уж лучше перед третьим каскадом срезать НЧ: там уровень сигнала посильнее, а искажает преимущественно выходной каскад.
 
Последнее редактирование:
Это плохо. Мы срезали НЧ по входу, чтобы почистить спектр искажений SE, а теперь опять добавили амплитуды СЧ динамику (одному точно). СЧ у Вас - в щитках? Без ПАС на окнах? А не помешало бы!

Возможно. Что говорит об общей плохой экранировке усилителей.
Как бы, фанера- "лучший проводник звука" (О.Бендер), но не самый лучший проводник тока и экран.
 
сейчас R11 не шунтирован анодом предыдущего триода. сетка тянет фон 50 гц.
Я думал, что Петя как порядочный, врежет вч фильтр на входе усилителя. А он полез внутрь схемы. Чем больше читаю тему, тем меньше понимаю. что там наворочено.
Александр, но ведь - очень удбно было расположить ВЧ фильтр между каскадами - там ведь и так априори межкаскадный конденсатор плюс сеточный резистор следующей лампы - создают тот же самый ФВЧ. Казалось бы - сомое место там расположить. А Вы - предлагаете на входе? Сразу за РГ 50 кОм?
Не совсем понятно - почему ранее R11 был шунтирован анодом предыдущего триода, а теперь - нет. Ведь я по сути - заменил лишь номинал C2: https://ldsound.club/attachments/1-jpg.82429/
СЧ у Вас - в щитках? Без ПАС на окнах? А не помешало бы!
Да, СЧ динамики - просто прикручены к небольшой фанерке. Сзади никакого материала нет. Ранее был - лист синтепона 2 см толщиной прикручен (сзади корзины динамика). Потом снял.
 
Александр, но ведь - очень удбно было расположить ВЧ фильтр между каскадами - там ведь и так априори межкаскадный конденсатор плюс сеточный резистор следующей лампы - создают тот же самый ФВЧ. Казалось бы - сомое место там расположить. А Вы - предлагаете на входе? Сразу за РГ 50 кОм?
Не совсем понятно - почему ранее R11 был шунтирован анодом предыдущего триода, а теперь - нет. Ведь я по сути - заменил лишь номинал C2: https://ldsound.club/attachments/1-jpg.82429/

Да, СЧ динамики - просто прикручены к небольшой фанерке. Сзади никакого материала нет. Ранее был - лист синтепона 2 см толщиной прикручен (сзади корзины динамика). Потом снял.
а не надо было мутить с отдельным вч усилителем. делил бы на НЧ и СЧ+ВЧ каналы с раздельной регулировкой , уровень пищалы относительно средника задать постоянным делителем на фильтрах у динамиков.
 

Статистика форума

Темы
3,334
Сообщения
268,167
Пользователи
2,569
Новый пользователь
JohnMayhem
Назад
Сверху Снизу