Постройка басовой секции

  • Автор темы Автор темы Пётр
  • Дата начала Дата начала
... селф-сплит мощный. Гальваносвязанный с драйвером
Имеется под рукой подобная схема?
Это получится Лофтин с селф-сплитом?
Сетку второй лампы выходного каскада - через конденсатор тогда к "земле" присоединять (если гальваносвязь с драйвером и на сетке первой лампы вых. каскада будет высокое напряжение)?
Идея мне показалась интересной (для того чтобы попробовать) и здоровенный резистор в катоде выходных ламп - будет что-то вроде "длинного хвоста" - то есть во благо, для выравнивания плеч (в сравнении с классическим селф-сплитом, когда сетка второй лампы на земле, а катодный резистор - лишь на величину смещения). Есть какие-то требования к драйверу (должен ли это быть СРПП каскад)? Для раскачки выходного каскада по схеме селф-сплита - напряжение сигнала на сетке первой выходной лампы требуется как и в обычном каскаде, 10 В?

По-моему, я нашёл подобную схему:
1 (2).png
 
Последнее редактирование:
Дружно забыли про селф-сплит мощный. Гальваносвязанный с драйвером. Уж проще некуда и играет как положено. С долей здоровой асимметрии и резюком в катодах.
Вместо упрощения схемы идти на усложнение, с надеждой на чудо.....Страннее некуда.
Тогда уж лучше мощный СРПП, по две 6С19П, и просто, и звук супер.
 
Сделал бы простейщий , как у меня был в 2009г на 6п1п, это 6н1п и РР*6п14п, резистор в катоде изменить. И без ООС.
 
Хочу услышать идеи
сделайте регулируемую токовую ООС с использованием резистора 0,1-0,2 Ом или трансформатора тока в минусовом проводе на динамик. На резонансной частоте динамика усиление возрастёт и вы получите подъём баса. А регулировкой можно подобрать желаемый уровень. Главное, чтобы "не завелась" вся система.

микросхема тда 7294 50-100вт
эта микруха достаточно слышно шипит. На динамике с высокой чуйкой типа беймы - будет слышно.
 
Наверное, тут ошибка в схеме: анод 6Ж1П соединён с "землёй", так же как и катодный резистор 0,6к. Как я понимаю, при таком подключении 6Ж1П никакого влияния на 6Н3П не окажет
Лампе без разницы что мы называем землёй, а что минусом и т.д. У нас есть верхний этаж с общим катодным резистором, есть нижний который просто пентод в режиме ИТ. Если мы объединим питание, не кидая "промежуточную точку" на землю, дифкаскад у нас нормально работает, почему же ему не работать после простого подключения к земле? Просто когда подземное питание равно питанию второй сетки, то очень удобно делать ИТ. Если бы у меня было одноэтажное питание, равное сумме моих, пришлось бы городить делитель во 2 сетку, на вход ставить конденсатор.
Да, выглядит непривычно, но было бы неправильно, не работало бы. А так переменником в катоде 6ж1п я легко регулирую ток дифкаскада, значит всё работает верно.
 

Вложения

  • photostudio_1555433298959.jpg
    photostudio_1555433298959.jpg
    721.2 KB · Просмотры: 150
Здесь катодный резистор 6Н3П на "землю" не посажен. Всё логично. На мой взгляд - это совсем другая схема.
Да, сравнил внимательно, действительно в первом ошибка. Делал то я по общей, ФИ потом рисовал.

А вот вопрос по селфсплиттеру. У этого выходного каскада как и у лонгтейла усиление вдвое ниже. Соответственно для получения полной мощности надо дать двойной сигнал, или селфсплиттер всегда слабее полноценного РР на тех же лампах? Просто как-то не задавался этим вопросом
 
Я не знаю, как там в теории по селфсплиттеру. Тоже интересно. На вид - аналог дифкаскада.

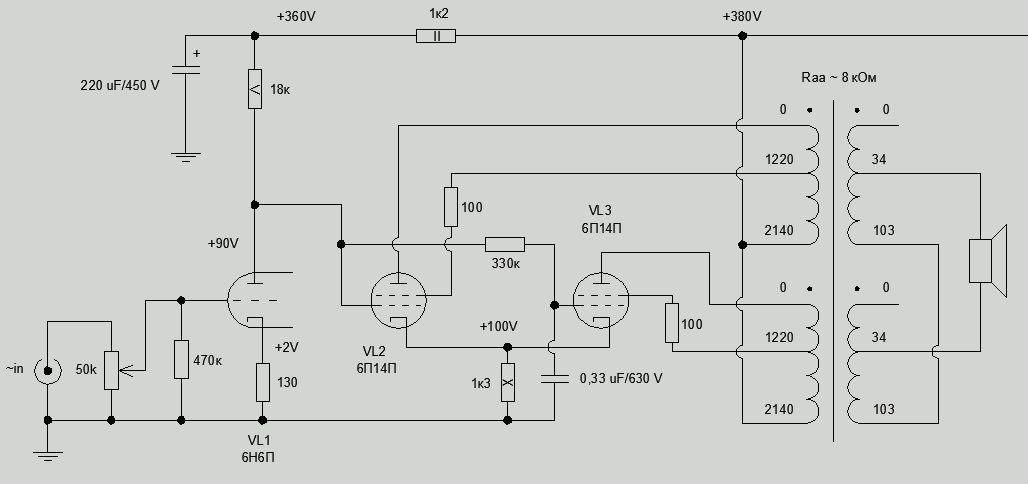
Появилось у меня желание попробовать собрать такой "селфсплиттер" с непосредственной связью. Начертил схемку
1.jpg

прошу взглянуть, проверить. Может забыл чего. Или неправильно указал.
Схема то не сложная. Основная проблема - набрать мощных резисторов.
 
Я не знаю, как там в теории по селфсплиттеру. Тоже интересно. На вид - аналог дифкаскада.

Появилось у меня желание попробовать собрать такой "селфсплиттер" с непосредственной связью. Начертил схемку
Посмотреть вложение 26802
прошу взглянуть, проверить. Может забыл чего. Или неправильно указал.
Схема то не сложная. Основная проблема - набрать мощных резисторов.
Да вроде правильно. Правда, анодный резистор у 6Н6П превратился в жуткий кипятильник. Проще гасилку увеличить, 1к2 , кил 5 примерно. Анодный резистор уменьшить. Тогда тепло раскинется по двум резисторам.
 
Схема то не сложная. Основная проблема - набрать мощных резисторов.
Чисто моя логика, раз в катодах всё равно печка и большое падение напряжения, я бы вместо резисторов влепил бы лампу. Из низковольтных. В ИТ же не надо широкая линейность в большом диапазоне, лампа себе живёт в одной точке и изображает сопротивление.
 
Да вроде правильно. Правда, анодный резистор у 6Н6П превратился в жуткий кипятильник. Проще гасилку увеличить, 1к2 , кил 5 примерно. Анодный резистор уменьшить. Тогда тепло раскинется по двум резисторам.
Спасибо. Подкорректировал
1.jpg
 
Для разнообразия переключай экранные сетки на аноды, в триоде послушай. Один из вариантов устроит больше.
ПС. От кипятильника на входе можно уйти, применив не дуру 6Н6П, а чего попроще, ту же самую 6Н14 П или 6н23п. Они с невысоким анодным, 90 вольт, имеют смещение 2-3 вольта запросто.
 
Для разнообразия переключай экранные сетки на аноды, в триоде послушай. Один из вариантов устроит больше.
Да, - это планирую. Сначала УЛ режим, затем триодное включение выходных ламп. А если вдруг усиление окажется с запасом - попробую и пентодное включение с отрицательной обратной связью (ОООС наверное, в катод 6Н6П).
 
Чисто моя логика, раз в катодах всё равно печка и большое падение напряжения, я бы вместо резисторов влепил бы лампу. Из низковольтных. В ИТ же не надо широкая линейность в большом диапазоне, лампа себе живёт в одной точке и изображает сопротивление.
К тому же динамическое сопротивление лампы на порядок выше чем у резистора с таким же падением
 
Вы про какую лампу? Накаливания? Какая радиолампа сможет пропустить через себя 80 мА тока при падении на ней напряжения 100В?
Посмотрел чуть позже: вроде, 6С19П на эту роль подходит...
Советуете её туда поставить? Или пусть пока резисторы?
 
Последнее редактирование:
Какая радиолампа сможет пропустить через себя 80 мА тока при падении на ней напряжения 100В?
Например 30п1с при 80 вольтах даст 80 мА. В ИТ пентод требуется, у него сопротивление повыше будет. Но можно и 6п3с. Она экономнее по накалу. Режим тот же.
 

Вложения

  • 30п1м.jpg
    30п1м.jpg
    112.7 KB · Просмотры: 121
Странно это как-то... ради работы двух 6П14П - ставить в схему аж 6П3С. Но если будут такие рекомендации настоятельные - попробовать можно, конечно... 30П1С - у меня нет.
 
Странно это как-то... ради работы двух 6П14П - ставить в схему аж 6П3С.
Да, это слегка из серии необычного)) А с другой стороны, мощность выделенная под катодом та же, расход только на накал, а он у 6п3с один из самых экономных среди косвенного нагрева. Лично я бы 12-13 ватт на накал не пожалел)) но можно и биполяр поставить, на нём и падение меньше будет.
Схема просто как пример.
 

Вложения

  • 2gQmcO8x.jpg
    2gQmcO8x.jpg
    36.2 KB · Просмотры: 139
Никогда не привлекали селфсплиттеры-лофтины, и что дают... кипятильник в аноде, катоде, несимметрия, а оно надо?
 
Вы про какую лампу? Накаливания? Какая радиолампа сможет пропустить через себя 80 мА тока при падении на ней напряжения 100В?
Посмотрел чуть позже: вроде, 6С19П на эту роль подходит...
Советуете её туда поставить? Или пусть пока резисторы?
Я как бы про драйверный каскад говорил. Мощный выходной селфсплит- туда кроме резистора другое вряд ли.
Оно конечно можно и ГУ-50 влепить , подав на её катод минус 200. При наличии здорового дурного куража . Только зачем, когда и так все работает.
 
Достал свой двухтакт на 6н1п-РР на 6п9, сделанный из того что было
5 в амплитуда, 2,5 кгц, форму сигнала видно, мощность 5*5в/(2*4ом)=3,1 вт, это номинальная мощность
 

Вложения

  • IMG_1970.jpg
    IMG_1970.jpg
    170.9 KB · Просмотры: 116
Юра, блеск, что могу ещё сказать. На словах и дурак похвалит свое, а ты осциллограмму выложи.

Никогда не привлекали селфсплиттеры-лофтины, и что дают... кипятильник в аноде, катоде, несимметрия, а оно надо?
Юра, знаю музыканта, играет через селфсплиттер на 6п14п, в нем левая лампа в триоде, правая в пентоде. Говорит, что гитара так вкуснее звучит.
 
Делаал на П210, и на 4-х П217, 12кгц верх, им больше и не надо
 
ТВЗ из 2-х ТВЗ-Ш, частотка по -3дб всего 17кгц, нормально

Не, сеть 220в+56в, и тишина
 
Сделан из дерьма, что было...
У Юрия Робертовича все схемы просчитаны и реализуемы один в один. Просто взять и сделать! И вообще, давно уже на компе(сейчас и на телефоне) держу две папки ЮР и АБ, и всем рекомендую.
 

Статистика форума

Темы
3,301
Сообщения
262,922
Пользователи
2,544
Новый пользователь
vlad'mir
Назад
Сверху Снизу