Александр Бокарёв
1 ранг
- Регистрация
- 12 Ноя 2019
- Сообщения
- 30,242
- Реакции
- 15,325
- Баллы
- 395
У Зуя нет каши, он звучит мощно. Но средина там странная и звук тормознутый.На малой громкости он звучит хорошо, не спорю, но на средней и большой, превращает звук в кашу. Я думаю это из за неудачного ВК
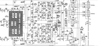
Я собирал его в оригинале, плат 8-10, только на выходе стояле 8101-02, остальное все как по схеме.


