Схемы замещения динамиков

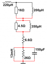
25ГДН-3-4 (15ГД-14):
15гд-14.png


Цепочка Цобеля 22 мкФ+5,9 Ом даёт полку 4,7 Ом от 1 до 5 кГц, расчет фильтра на 4,7 Ом.
При попытке выровнять входной импеданс с более низкой частоты проваливается импеданс в зоне 250...400 Гц.
 
Последнее редактирование:
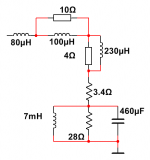
Sica 6 М 1.5 CS.

сика.png


По даташиту. Оптимальная цепочка Цобеля 7 мкФ+12 Ом, расчет фильтра на 9 Ом на участке 1800...5000 Гц.
 
Не дает Аудиомания динамики возвращать, и здесь я попался, купив недавно Sica 6D1CS, очень мне не нравятся, сам виноват.
Не могли бы Вы чуть подробнее показать поведение этого динамика с точки зрения программ?
 
1618575541300.png

Этот? Только и радости, что на всю полосу. Могу сочинить схему замещения, но она Вам ничего не даст. Импеданс дико линеен, медь на керне. В действующем каталоге Сики его нет, ближайший 5D1CS неплох:
ар.png
Как Вы собирались его применить? Судя по АЧХ, это широкополосный озвучиватель гулких помещений.
 
Кажется, где-то на сайте sicи был приведен типа их стандарт измерений и что-то говорилось о 18 литровом ящике для 16-ти см динамиков (соответственно 24 л для 20 см), может путаю (а.., кажется такое у visatonа), я и подумал, что это АЧХ в 18 литровом ящике, у меня как раз были пустые 21 литровые столбики, в них и поставил. Это было в январе, микрофоном еще особо не мерил, да сейчас не до них, вернусь ли к ним, неизвестно. В результате горб бубнящий, все перечеркивающий, на слух к сожалению, ощущение близкое к 200 Гц. Потом следуя программе speakerboxlite (динамик есть в базе этой андроидной программы, можно и с сайта посмотреть) оптимально по программе, но с подъемчиком более 1 дБ на 110 - 140 Гц ящик нужен 33 литра, по максимально плоской АЧХ уже 65 литров, ставил в 58 литров, тот же отвлекающий и раздражающий горб. Никаких обещанных программой 39 Гц по -3 дБ (ФИ на 44 Гц делал просто дырку на толщину задней стенки). Ниже 80 Гц спад, тут уже микрофон показал. На СЧ муть, ВЧ несмотря на рупорок, сейчас не вспомню, тоже что-то не то. Только видимость красивая внешняя, такое впечатление, что лепит эта Sica динамики даже не слушая, что получилось.
Ну да, в магазине с потолка еще не то услышишь..
Ладно, не заморачивайтесь.
 
Последнее редактирование:
Николай, а 10гд-36к или 10гдш1-4? Не интересны?
 
Сика любит приводить АЧХ в приблизительно оптимальном объеме, в основном в оформлении ФИ. АЧХ я нашел в интернете, на сайте нет, видимо, не выпускают. Если АЧХ - правда, то я Вам сочувствую.

Николай, а 10гд-36к или 10гдш1-4? Не интересны?
Если есть снятая Z-метровая, то замутить не сложно.
 
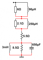
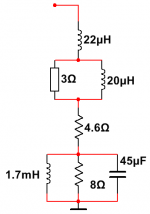
6ГД-2:
6GD-2.png
Цепочка Цобеля для низкого раздела частот 18 мкФ+11 Ом, сопротивление 6,7 Ома от 500 до 1700 Гц.
Цепочка Цобеля для высокого раздела частот 8 мкФ+11 Ом, сопротивление 8,7 Ома от 1 до 5 кГц.
 
6ГД-2:
Посмотреть вложение 16359
Цепочка Цобеля для низкого раздела частот 18 мкФ+11 Ом, сопротивление 6,7 Ома от 500 до 1700 Гц.
Цепочка Цобеля для высокого раздела частот 8 мкФ+11 Ом, сопротивление 8,7 Ома от 1 до 5 кГц.
Это если мои замеры верны) Хотя сходится с многими кто мерял. Напомню подвес в одном месте имеет разрыв.
 
Это если мои замеры верны) Хотя сходится с многими кто мерял. Напомню подвес в одном месте имеет разрыв.
НЧ часть важна только для выхода на зону 100 Гц, дальше подвес/резонансная не влияют.
 
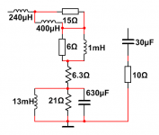
6ГДШ-5-4 отсюда #128 , в боксе с ПАС:
замещение сч.png
Цепочка Цобеля 6,8 мкФ+4,3 Ома, сопротивление 3,8 Ома от 2,5 до 7кГц.
Внимание! При работе от фильтра с высоким выходным сопротивлением динамику жизненно необходима ПАС!
 
Последнее редактирование:
Focal 5 KP, по даташиту:
д.png
Цепочка Цобеля 5,6 Ома+15мкФ, сопротивление 4,7 Ома от 1,5 до 9 кГц.
Огромная механическая добротность (8 единиц), при работе от фильтра с высоким выходным сопротивлением нужна ПАС.
 
Последнее редактирование:
Wavecor WF152BD06 , по даташиту.
W.png
Цепочка Цобеля 4мкФ+_24 Ома, полка 8,5 Ом от 1 до 7 кГц. Впрочем, кривая импеданса настолько пологая, что без цепочки спокойно можно обойтись.
 
Последнее редактирование:
АСАЛаб В2512.8, по данным #4 , использован только верхний пик импеданса в оформлении ФИ.
B2512_8.png
Цепочка Цобеля 10 Ом+30 мкФ, Сопротивление 6,8 Ом от 350 до 2500 Гц. Совпадение хорошее.
 
АСАЛаб МР1314.8, по данным #4 , в боксе. Выше 8кГц у измерения есть ошибка, значение импеданса начало падать, поэтому с измерением совпадение до 8 кГц.
MP1314_8.png
Импеданс достаточно ровный, но, на всякий случай, цепочка Цобеля 20 Ом+ 3 мкФ, даёт 7 Ом от 1,5 до 7 кГц.
 
Последнее редактирование:
АСАЛаб Т26.8, по данным #4 . Выше 8кГц совпадения с измеренным нет, так как там измерение имеет систематическую ошибку (уменьшение импеданса), и мне пришлось синтезировать резутьтаты выше 8 кГц.
T26_8.png
Несовпадения с даташитом, а именно: 6 Ом сопротивление постоянному току вместо 7,8 Ома заявленных, резонанс 1,8 кГц вместо 1,15 кГц.
Не помешает измерить импеданс ещё раз.
Точность низкая.
 
Прикинуть за пару минут ачехи с разными катушками, с разными порядками, с режекторами, не покупая всего этого добра - очень хорошо.
А как - не подскажите? АЧХ и ФЧХ импеданса получить - понятно, что можно. А - коэффициента передачи?
В случае 10ГД-30 не нашёл ничего лучшего, кроме как "измерять" на симуляторе ток катушки 450 uH и относить его к напряжению на клеммах динамика.
Точность в любом случае будет плюс-минус лапоть.
Да, так и было. По сравнению с микрофоном.
 
А как - не подскажите? АЧХ и ФЧХ импеданса получить - понятно, что можно. А - коэффициента передачи?
В случае 10ГД-30 не нашёл ничего лучшего, кроме как "измерять" на симуляторе ток катушки 450 uH и относить его к напряжению на клеммах динамика.
АЧХ по напряжению фильтра = V(out)/V(in), где out - горячая клемма динамика, in - вход АС. Фчх тока в динамике = фчх тока через активное сопротивление в схеме замещения, ибо фаза входного тока и напряжения по умолчанию = 0°. ФЧХ фильтра по напряжению = ФЧХ отношения напряжений, поданного выше.
 
А как - не подскажите? АЧХ и ФЧХ импеданса получить - понятно, что можно. А - коэффициента передачи?
В случае 10ГД-30 не нашёл ничего лучшего, кроме как "измерять" на симуляторе ток катушки 450 uH и относить его к напряжению на клеммах динамика.

Да, так и было. По сравнению с микрофоном.
Включите 10 ГД30 через катуху 2.2 мгн,которая шунтирована резистором 27-30ом.В таком варианте динамик воспроизводит 80-90 процентов музыки,как полноценный широкополосник.Хотя, допускаю,что анализ работы эквивалентной схемы динамика может быть приятнее пиления дров,как знать,))))
 
Включите 10 ГД30 через катуху 2.2 мгн,которая шунтирована резистором 27-30ом.В таком варианте динамик ...полноценный широкополосник.
А вот я влезу и всё об...
Подставил этот фильтр в баночный 10ГД-30Е который я измерял. 3ГД-38Е здесь выключил. Срезал ниже 100 Гц, выше 10 кГц отрежьте в уме сами.
Повторяю, это реальные замены микрофоном + что будет с 2.2 мГн + 30 ом.
30.png

Без комментариев.
Или такой комментарий: если бы создатели 10МАС-1М так сделали, то...
 
И какой вывод из картинки?Саша харроший?Саша дуррак?
Вывод такой, что у создателей 10МАС-1М, похоже был шанс сделать хорошо, по оси даже с 3ГД-31. Вне оси, у 3ГД-31 шансов естественно нет.
Отмечу, что "колпак имеет значение"!
(Как ни странно, и я недаром подчеркнул, что динамик баночный - он ровнее, чем с жёстким выпуклым картонным куполом.
Но как это будет звучать, смогу сказать только послушав.
Но каждый сам может делать свои выводы.
По-моему, 10ГД-30 - хороший динамик, если у него правильный пылезащитный колпачок, мягкий подвес и мощный магнит, с кобальтом, а не ферритом.
 
Вывод такой, что у создателей 10МАС-1М, похоже был шанс сделать хорошо, по оси даже с 3ГД-31. Вне оси, у 3ГД-31 шансов естественно нет.
Отмечу, что "колпак имеет значение"!
(Как ни странно, и я недаром подчеркнул, что динамик баночный - он ровнее, чем с жёстким выпуклым картонным куполом.
Но как это будет звучать, смогу сказать только послушав.
Но каждый сам может делать свои выводы.
По-моему, 10ГД-30 - хороший динамик, если у него правильный пылезащитный колпачок, мягкий подвес и мощный магнит, с кобальтом, а не ферритом.
Недавно знакомому сделали пару таких 30 литровых ящичков на 10ГД30 и Визатоне TW70. Результат крепко порадовал .
IMG_20220502_222414.jpgIMG_20220503_101641.jpgIMG_20220502_222849.jpg

Вру,ящики 25 литров внутри,взяты от 25ас 109
 
Последнее редактирование модератором:
Недавно знакомому сделали пару таких 30 литровых ящичков на 10ГД30 и Визатоне TW70. Результат крепко порадовал .
Посмотреть вложение 37302Посмотреть вложение 37303Посмотреть вложение 37304

Вру,ящики 25 литров внутри,взяты от 25ас 109
Что подтверждает приятный факт - для получения приличного звука не обязательно платить много.
 
Тут несложно.Или сам делаешь ,если есть возможность или готовое берешь,если есть средства.Есть и третий вариант,купить готовое, а для души строгать буратин.
 

Статистика форума

Темы
3,196
Сообщения
248,065
Пользователи
2,455
Новый пользователь
Станислав В..
Назад
Сверху Снизу