Светодиодной смещение

ALSS

2 ранг
Регистрация
20 Окт 2021
Сообщения
473
Реакции
473
Репутация
33
Возраст
77
Страна
Украина
Город
Черновцы
Имя
Александр
Каждые 26 мВ напряжения на диоде меняют его ток в 10 раз
Это для кремниевых диодов. К гетеропереходам на основе других материалов не относится (не все диодные структуры одинаковы только из-за слова "диод" и тем более не все соответствуют въевшейся в память цифре из узкой области).
 
Регистрация
14 Янв 2021
Сообщения
536
Реакции
142
Репутация
28
Страна
Россия
Город
Ковров
Имя
Сергей
Предупреждений
1
Светодиод частотно независимый элемент с полосой в Мегагерцы, пленке и бумаге до него как до Таллиннннааа.
Раз душа не может без бумажки в катоде, то выкинуть диод, впаять резистор , кучу кондеров, и успокоиться.
Не понравилось по звуку с металлоплёночным резистором млт, со светодиодом лучше, сразу слышно, что муть пропала, это в моём случае. Заменил только резисторы в катодах, ёмкости то ли 3300мкф, то ли 4700, точно не помню и плёнка 1мкф.
Все виды резисторов не проверял, может какие то и нормальные, проволочные бы попробовать.
 

Э. Машкин

2 ранг
Регистрация
23 Дек 2024
Сообщения
347
Реакции
220
Репутация
9
Как раз-таки несильно, ВАХ напряжение-ток , как у стабилитрона, главное-обеспечить некий номинальный ток, по памяти, не менее 7 ма, при котором динамическое сопротивление диода уже мало меняется от величины тока .Лично проверял, успокоился.
Для кремниевого диода

Ток через диод( r_d = \frac{nU_T}{I} )
1 мА≈ 52 Ω
10 мА≈ 5.2 Ω
100 мА≈ 0.52 Ω

1759771434375.png


Я бы не сказал, что ВАХ как у стабилитрона.

10000 это маленькие.
Здесь не обсуждалось.
Не все, все темы читают.
10000 мкф это не большая, а огромная ёмкость в данном случае.

Расчёт катодного конденсатора

 
Регистрация
12 Ноя 2019
Сообщения
28,303
Реакции
13,620
Репутация
395
Для кремниевого диода

Ток через диод( r_d = \frac{nU_T}{I} )
1 мА≈ 52 Ω
10 мА≈ 5.2 Ω
100 мА≈ 0.52 Ω

Посмотреть вложение 154163

Я бы не сказал, что ВАХ как у стабилитрона.


10000 мкф это не большая, а огромная ёмкость в данном случае.

Расчёт катодного конденсатора

Речь о светодиоде, причем тут ваш график.
И у светодиода от момента засвечивания с ростом тока динамическое сопротивление падает примерно до 30 Ом, о чем написано и в книге Моргана Джонса, там есть таблица.
 
Последнее редактирование:

СМЕРШ

2 ранг
Регистрация
30 Янв 2024
Сообщения
1,355
Реакции
1,299
Репутация
53
Страна
Poland
Город
Stargard
Предупреждений
13

Katharina Richter

3 ранг
Регистрация
25 Апр 2025
Сообщения
125
Реакции
25
Репутация
3
Страна
Россия
Имя
Katharina Richter
Идею можно применить в катод лампы, предварительно соединив цепочку диодов , задать им ток , 10-15-20ма и измерить цифровым тестером падение на каждом, записать , потом спараллелить одинаковые
У меня пока просто более мощный синий стоит в катоде

катоды нелинейные элементы
В данном режиме он линейный. На хорошем участке вах

Каждые 26 мВ напряжения на
Именно что меняют ток в 10 раз. Со светодиодом лампа стоит как вкопанная по смещению, оно практически не меняется! Глупости от вас полные
 
Регистрация
12 Ноя 2019
Сообщения
28,303
Реакции
13,620
Репутация
395
У меня пока просто более мощный синий стоит в катоде
Это понятно, есть сверх-яркие белые, на сотни ма, но везде падение 3-3,3 Вольта. А если нужно 1, 5, 2, 0, 2.2, то нужны обычные одноцветные .Но они слабые по току.
Светодиод еще полезен как индикатор работы лампы, да и всего устройства.Специально вывожу диоды наружу, чтобы видны были.
 

Э. Машкин

2 ранг
Регистрация
23 Дек 2024
Сообщения
347
Реакции
220
Репутация
9
Тут ещё есть нюанс, допустим пока что светодиод работает как стабилитрон.
Подбирая нужный для него ток, всегда ли попадём в такую его величину, которую хотим получить и через лампу?
Не исключено, но похоже на телегу впереди лошади.


Я что пытаюсь понять - не сделал ли где ошибки возясь со светодиодами в катоде и решив, что смещение на нём это "не наше фсё".
 

Katharina Richter

3 ранг
Регистрация
25 Апр 2025
Сообщения
125
Реакции
25
Репутация
3
Страна
Россия
Имя
Katharina Richter
Регистрация
14 Янв 2021
Сообщения
536
Реакции
142
Репутация
28
Страна
Россия
Город
Ковров
Имя
Сергей
Предупреждений
1

Вложения

  • Bias.GIF
    Bias.GIF
    10.2 KB · Просмотры: 35
  • eres.png
    eres.png
    10.5 KB · Просмотры: 32
  • Stab_bias.png
    Stab_bias.png
    3.8 KB · Просмотры: 30
Регистрация
12 Ноя 2019
Сообщения
28,303
Реакции
13,620
Репутация
395
Именно что меняют ток в 10 раз. Со светодиодом лампа стоит как вкопанная по смещению, оно практически не меняется! Глупости от вас полные
Лампа в данном случае источник тока для светодиода. Резко повысить ток через диод -а вот фигушки. Резистор анодный не позволит. Мне другое забавно. Ведущий инженер BBC Морган Джонс уверенно применяет светляки в своих ламповых конструкциях и не знает, что на каком-то там форуме есть иное священное мнение.
 
Регистрация
14 Янв 2021
Сообщения
536
Реакции
142
Репутация
28
Страна
Россия
Город
Ковров
Имя
Сергей
Предупреждений
1
Регистрация
12 Ноя 2019
Сообщения
28,303
Реакции
13,620
Репутация
395
Тут ещё есть нюанс, допустим пока что светодиод работает как стабилитрон.
Подбирая нужный для него ток, всегда ли попадём в такую его величину, которую хотим получить и через лампу?
Не исключено, но похоже на телегу впереди лошади.


Я что пытаюсь понять - не сделал ли где ошибки возясь со светодиодами в катоде и решив, что смещение на нём это "не наше фсё".
Ну, так вот склалось, что режим лампы дивно совпадает с режимом диода. И что тут крамольного? Нет, чтобы возрадоваться, так нужно упереться рогом, упирая в нелинейность. А смакетить и измерить? Слабо?
А открыть книжку про лампы и там увидеть стабилитрон в сетке , межкаскадный или в катоде лампы? И схемы эти из 50-х годов.
 

СМЕРШ

2 ранг
Регистрация
30 Янв 2024
Сообщения
1,355
Реакции
1,299
Репутация
53
Страна
Poland
Город
Stargard
Предупреждений
13
предварительно соединив цепочку диодов , задать им ток , 10-15-20ма и измерить цифровым тестером падение на каждом, записать , потом спараллелить одинаковые.
Вот, дети, что вас ждёт. Если не будет времени учить схемотехнику, найдётся время мерить ненужные вещи.

1759774118292.png

С1 - не менее 100 мкФ.
 

Katharina Richter

3 ранг
Регистрация
25 Апр 2025
Сообщения
125
Реакции
25
Репутация
3
Страна
Россия
Имя
Katharina Richter
Вот, она на третьем графике. В правой части. Не идеальная, но это работает. И этого достаточно. И об этом речь и шла. Только у тебя шило возникло в причинном месте
 

Вложения

  • i-173.jpg
    i-173.jpg
    60.4 KB · Просмотры: 26
Регистрация
12 Ноя 2019
Сообщения
28,303
Реакции
13,620
Репутация
395
Помню конечно этот драйвер и даже попробовал на RCA 12SL7. Но к сожалению обе лампы оказались с "барабашками". А с 6Н9С звучит действительно хорошо.
Но у меня же гибрид, поэтому по субъективному сравнению пока вернулся к запараллеленой 6Н7С.
А вот идея смещения на отдельном источнике понравилась, сделать на LM317 например. Ощущение что это может быть наилучший вариант.
Надо лабу проделать как будет время.


Я пробовал на говне и палках на фотоэлементах от калькулятора, шумит дико.
Это так, в качестве юмора :)
У меня гибрид с лампой на входе долго не складывался по причине двух параллельных неудачных поисков , ведущих в тупик. Первый- выбор режима выходного каскада. Изначально уперся в класс А с куриным питанием и конским током. И это для латералов, которым что 100 мА, что 1, 5 Ампера- без разницы. Выхсопр не меняется, искажений ступенька нет и там и там. . Только в А у нас на выходе вместо мощности фиг собачий, не успел услышать звук во всей красе, как иди выгребай искажения лопатой. И совсем иное дело в АВ с током 250-400ма и питанием два по 30. За колонки страшно, такой громобой на тебя обрушивается.
Остается мелочь, решить проблему выхсопра, оно у латералов великовато, 1, 5 Ома и с этим жить, если не идти на беспредел с параллельными парами на выходе.
Но можно завести неглубокую ООС разными способами, при этом усиления хватает, звук не гадится, наоборот, собранный, хлесткий, четкий, при этом не транзисторный привычный, а более интересный. Что позже и сделано, и найдены лампы для всех случаев .
 

Сергей Ал.

3 ранг
Регистрация
18 Окт 2020
Сообщения
233
Реакции
132
Репутация
23
Страна
РФ
Город
Оренбург
Имя
Сергей
Без конкретных измерений КНИ и спектра каскада при максимальном уровне сигнала всё это бессмысленные споры. Будут измерения - будет и основа для выводов.
 
Регистрация
23 Май 2020
Сообщения
2,385
Реакции
1,047
Репутация
70
Предупреждений
1
Источник тока ламповый. Транзисторный не годится, туда вакуум не накачан, сферическому коню аудиофильских фантазий негде разгуляться.
Кстати, в каскадах на полевых транзисторах с p-n переходом тоже автосмещение делают – рнзистором, как и в лампах. Надо и к полевикам тот светодиод цеплять тогда
 
Регистрация
12 Ноя 2019
Сообщения
28,303
Реакции
13,620
Репутация
395
Мне тут другая лапша спать не давала (как в анекдоте: "Первый раз вижу, чтоб макароны стоя жарились!"): почему народ упорствует в том, что ОС в лампаде "звук убивает в утробе лампы". Да, говорят и признают, спектр чище, а звук хужее!
Ламповая тема сложнее в плане различия звуковых свойств каждой отдельной лампы . Тогда как в транзисторных делах рулит схема.
 

Ky3ne4ik

1 ранг
Регистрация
6 Янв 2020
Сообщения
1,470
Реакции
859
Репутация
55
Возраст
54
Страна
Россия
Город
Королёв
Имя
Станислав
Вот как можно делать ламповые усилители, избавившись от резисторов и нелинейных конденсаторов в катодах ламп.

Требуется лишь обеспечить подбором свеодиоды с динамическим сопротивлением ниже 20Ом и на нужный ток. Светодиоды не греются, КПД выше 70% - всё в свет. Это достаточно интересно. Некий вариант фиксированного смещения. Обещает быть более линейным вариантом.

P. S. Благодарность Александру Бокарёву за идею и разъяснение некоторых вопросов.
Мадам! Нелинейные конденсаторы в катодах ламп ставят те, кому нужны "басы" и "громкость" -т.е. с помощью такого электролита убирается местная ООС каскада. Других случаев необходимости ставить "страшно_нелинейный конденсатор_портящий звук"-я не знаю. Двадцать лет назад вас бы порвали за попытку убрать шунтирующий конденсатор в катоде. Особенно новички, которые топят за короткий, но очень вкусный по звуку тракт.
По поводу резистора-вы в курсе в чем преимущество/недостаток автосмещения (это как раз резистор в катоде) и фиксированное ?! Лампочка Ильича подобранная по сопротивлению тоже может работать и светиться. А мощная-еще и в выходном каскаде мощного однотакта хорошо так освещать комнату/усилитель. Только что то никто не ставит, хотя работать будет-куда оно денется.
П.С. А стабилитроном в катоде обойтись неззя было? Обязательно надо шоб светилось?! И пруфы подтянуть под это дело...да-а...
 

Э. Машкин

2 ранг
Регистрация
23 Дек 2024
Сообщения
347
Реакции
220
Репутация
9
Испытал-с.
Звук несомненно хорош и даже без особых нареканий. Но так только "если других не видел, наши - вот такие!".
Diana Krall внезапно приобрела лёгкий дефект речи, стала слегка присвистывать-пришепётывать, весь верх стал ощущаться как сквозь мелкое сито.
Середина немного потеряла убедительность (от избытка которой вздрагивает АБ слушая 6SN7), стало слышно что звучат колонки, а не просто кто-то поёт-играет в ухо.
В общем похоже, что правильно подобранное это не победить:
1759871929200.png


Но диодики светятся красиво, особенно если выключить свет.

1759871836301.png
 
Регистрация
24 Мар 2022
Сообщения
684
Реакции
237
Репутация
24
Страна
Беларусь
Город
Минск
Звук несомненно хорош и даже без особых нареканий. Но так только "если других не видел, наши - вот такие!".
Diana Krall внезапно приобрела лёгкий дефект речи, стала слегка присвистывать-пришепётывать, весь верх стал ощущаться как сквозь мелкое сито.
Середина немного потеряла убедительность (от избытка которой вздрагивает АБ слушая 6SN7), стало слышно что звучат колонки, а не просто кто-то поёт-играет в ухо.
В общем похоже, что правильно подобранное это не победить:
От мертвенно-синих светодиодов и звук соответствующий _hm_ , вы парочку пролетарско-красненьких АЛ307 попробуйте, прежде чем хвалиться своими "бутербродами".
 

Э. Машкин

2 ранг
Регистрация
23 Дек 2024
Сообщения
347
Реакции
220
Репутация
9
От мертвенно-синих светодиодов и звук соответствующий _hm_ , вы парочку пролетарско-красненьких АЛ307 попробуйте, прежде чем хвалиться своими "бутербродами".
Красненькие уже пробовал раньше, но сделал ещё раз по запросам трудящихся :)
Ну и память освежить конечно.
1759881947295.png
Diana Krall явно сходила к логопеду, но полностью так и не оправилась. И серединка немного прибавила в убедительности.
В общем всё как ожидалось, чуть-чуть там и сям, но общий характер звука не изменился. Отличный фоновый звук из колонок.
Так что отчего бы и не похвалиться коли есть чем, верно? :cool:

Кстати вдруг кому-то полезно будет
1759883191865.png
 
Последнее редактирование:

scamp

1 ранг
Регистрация
28 Окт 2021
Сообщения
1,704
Реакции
1,342
Репутация
68
Страна
Россия
Город
Ростов-на-Дону
Имя
Александр
Удивляюсь таким разговорам.
Испытал-с.
Звук несомненно хорош и даже без особых нареканий. Но так только "если других не видел, наши - вот такие!".
Diana Krall внезапно приобрела лёгкий дефект речи, стала слегка присвистывать-пришепётывать, весь верх стал ощущаться как сквозь мелкое сито.
Середина немного потеряла убедительность (от избытка которой вздрагивает АБ слушая 6SN7), стало слышно что звучат колонки, а не просто кто-то поёт-играет в ухо.
От мертвенно-синих светодиодов и звук соответствующий _hm_ , вы парочку пролетарско-красненьких АЛ307 попробуйте, прежде чем хвалиться своими "бутербродами".
Можно потратить уйму времени что бы найти Р.Т. лампы. А у них всё просто попробуйте красный или зеленый нет синий. Напоминает рассказ О. Генри "Благородный жулик" когда хозяин квартиры и вор советуют друг другу средства от артрита, - "А Вы не пробовали мочу молодого поросенка?" Если конечно Р.Т. находится в пределах падения напряжения на светодиоде то можно попробовать причем на макете но на законченном изделии так себе идея, мне даже было бы лень.
Такие реплики дают сверхлинейщикам повод обвинять лампадников, что они алхимики _inkviz и колдуны. _gendalf
Я за бутерброды.
1759871929200-png.154373

Кстати вдруг кому-то полезно будет
Кстати в таблице не чего нового нет. Всё прекрасно понятно, чем меньше смещение на лампе тем более в токовом режиме она работает и линейна чем дальше от минимальных значений, ток лампы меньше линейность падает со всеми последствиями.
 

Russ

1 ранг
Регистрация
3 Фев 2023
Сообщения
1,575
Реакции
815
Репутация
47
Страна
Россия
Город
Pskov
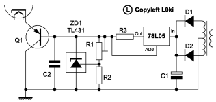
TL431 никто не пробовал?
1759943881180.png
 
Последнее редактирование:
Регистрация
23 Май 2020
Сообщения
2,385
Реакции
1,047
Репутация
70
Предупреждений
1
Вот мне кажется, что в случае светодиодного смещения шум от борьбы дырок с электронами за место под солнцем в тесноте запрещённой зоны полупроводника отвлекает от дела входной сигнал, отчего страдает глубина и детальность сцены (выразимся аудиофилитически).
Кстати Скрябин молодец, я полагаю у него была также и цветовая дифференциация штанов. Великий человек, всё предвидел!
Мыслю, а значит – выпиваю! Избавить от страданий ту самую глубину сцены можно путем примения лампового диференциально-входного каскада, в анодную развилку которого включен тот самый светодиод. Можно и белого цвета свечения, но с температурой не более 2700 K. Более высокая цветовая температура приведет к перекалу подогревателей. Обратная связь в сетку второй дифференциальной лампы обязательна. Выходной каскад в катодной части должен быть свободен от полупроводников с наличием запрещённой зоны – звук мутнеет
 

Russ

1 ранг
Регистрация
3 Фев 2023
Сообщения
1,575
Реакции
815
Репутация
47
Страна
Россия
Город
Pskov
Таки одна голова хорошо, а две выпьют больше. ©
Цвет нынешних светодиодов зависи только от люминофора, который светится от возбуждения УФ свтодиодом.
 

Последние сообщения

Статистика форума

Темы
3,068
Сообщения
234,613
Пользователи
2,375
Новый пользователь
Sergovlad
Сверху Снизу