Цифровой тон генератор с аналоговым управлением и дилеем

  • Автор темы Автор темы A-1
  • Дата начала Дата начала

A-1

1 ранг
Регистрация
25 Июн 2020
Сообщения
1,193
Реакции
131
Баллы
31
Страна
Россия
Имя
Александр
Предупреждений
1
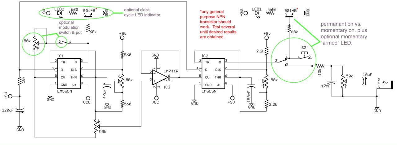
Хочу аукс вход по сути это аналоговый синтезатор
аукс на дилей как воткнуть?
16 ногая как раз чип дилея это pt2399
 

Вложения

  • avito-1722454611910-shot.jpg
    avito-1722454611910-shot.jpg
    72.8 KB · Просмотры: 74
  • avito-1722454608753-shot.jpg
    avito-1722454608753-shot.jpg
    74.8 KB · Просмотры: 78
Было вот так предложено
 

Вложения

  • IMG_20240806_225234.jpg
    IMG_20240806_225234.jpg
    257.8 KB · Просмотры: 60
  • IMG_20240806_225217.jpg
    IMG_20240806_225217.jpg
    133.3 KB · Просмотры: 82

Статистика форума

Темы
3,302
Сообщения
262,875
Пользователи
2,544
Новый пользователь
vlad'mir
Назад
Сверху Снизу